GM Service Manual Online
For 1990-2009 cars only
Makes
🢒
Chevrolet
🢒
2001
🢒
Venture
🢒
Engine
🢒
Engine Electrical
🢒 Starting and Charging Schematics
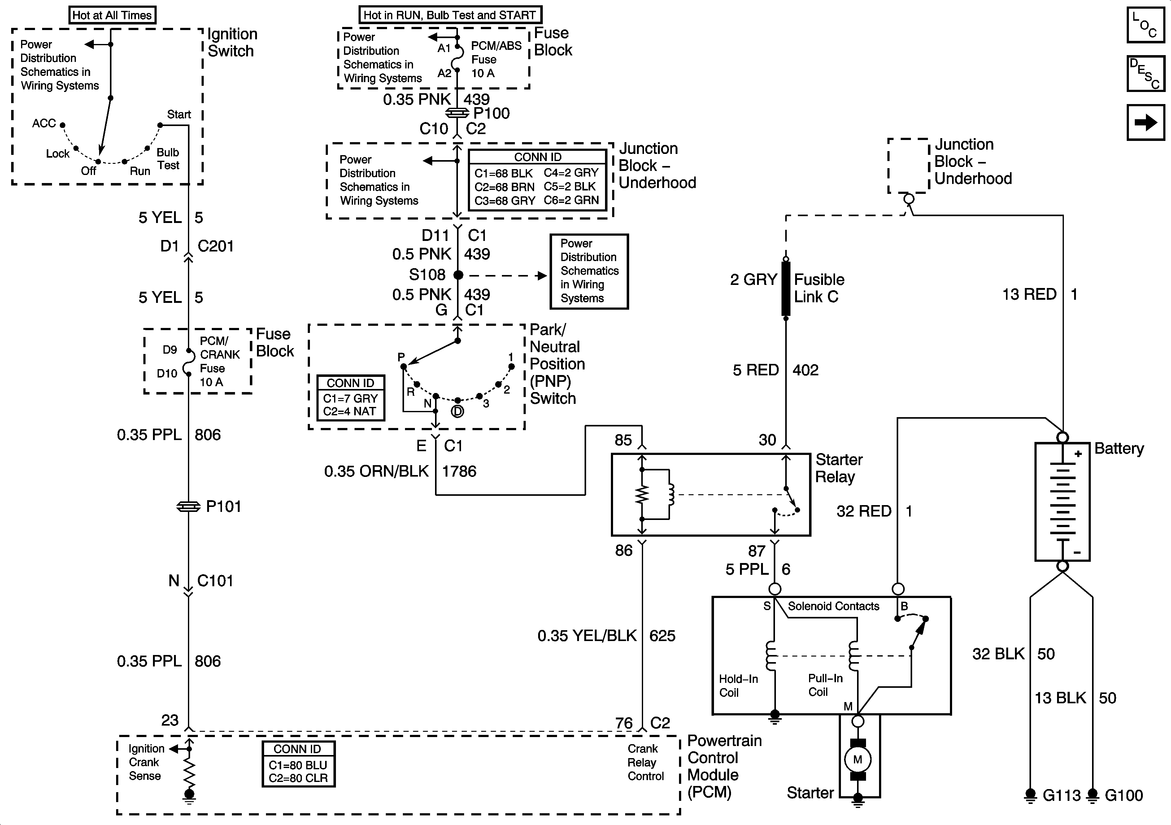
Figure
1:
Starting
IGN MAIN 1, PCM/ABS, CAN VENT SOL, DRL and PCM/CRANK Fuses
IGN MAIN 1, PCM/ABS, CAN VENT SOL, DRL and PCM/CRANK Fuses
IGN MAIN 1, PCM/ABS, CAN VENT SOL, DRL and PCM/CRANK Fuses
Master Electrical Component List
Starting System Description and Operation
Charging
IGN MAIN 1, PCM/ABS, CAN VENT SOL, DRL and PCM/CRANK Fuses
Figure
2:
Charging
RAP Relay Junction Block - Underhood, ECM SENSE, B/U LAMP, ALT/SENSE and AIR Fuses
Junction Block - Underhood
Junction Block - Underhood
IGN 1, SDM, T/SIG, CRUISE and PCM PASS KEY/CLUSTER Fuses
IGN 1, SDM, T/SIG, CRUISE and PCM PASS KEY/CLUSTER Fuses
Power, Ground, Class 2 Data Line and Gauges
Data Link Connector (DLC)
Master Electrical Component List
Starting System Description and Operation
Starting