GM Service Manual Online
For 1990-2009 cars only
Figure 1:

Power, Ground, MIL, DLC


Object Number: 661844  Size: FS
RAP Relay Junction Block - Underhood, ECM SENSE, B/U LAMP, ALT/SENSE and AIR Fuses
IGN 1, SDM, T/SIG, CRUISE and PCM PASS KEY/CLUSTER Fuses
IGN 1, SDM, T/SIG, CRUISE and PCM PASS KEY/CLUSTER Fuses
BATT MAIN 1, CLUSTER BATT, RR PWR SCKT, PWR LOCK, RAP RELAY, CTSY LAMP, CTSY LAMP, ONSTAR, CIGAR DLC/APO FRT, and PWR MIRROR Fuses
IGN 1, SDM, T/SIG, CRUISE and PCM PASS KEY/CLUSTER Fuses
IGN 1, SDM, T/SIG, CRUISE and PCM PASS KEY/CLUSTER Fuses
Hardwire Indicators
BATT MAIN 1, CLUSTER BATT, RR PWR SCKT, PWR LOCK, RAP RELAY, CTSY LAMP, CTSY LAMP, ONSTAR, CIGAR DLC/APO FRT, and PWR MIRROR Fuses
G100, G111 and G113
G200 (3 of 3)
G200 (3 of 3)
Data Link Connector (DLC)
Master Electrical Component List
Powertrain Control Module Description
Ignition System, Knock Sensor
OBD II Symbol Description Notice
Powertrain Control Module Connector End Views
Figure 2:

Ignition System, Knock Sensor


Object Number: 661845  Size: FS
Junction Block - Underhood, TCC and ELEK IGN Fuses
Master Electrical Component List
Powertrain Control Module Description
Fuel Control
Power, Ground, MIL, DLC
OBD II Symbol Description Notice
Powertrain Control Module Connector End Views
Figure 3:

Fuel Control


Object Number: 661850  Size: FS
Engine Data Sensors, A/C Refrig Press, TP, MAP, ECT, IAT
Junction Block - Underhood
G100, G111 and G113
G210 and G301
G100, G111 and G113
Master Electrical Component List
Powertrain Control Module Description
Fuel Injectors
Ignition System, Knock Sensor
OBD II Symbol Description Notice
Powertrain Control Module Connector End Views
Figure 4:

Fuel Injectors


Object Number: 661851  Size: FS
INJ Fuse
Master Electrical Component List
Powertrain Control Module Description
Engine Data Sensors, A/C Refrig Press, TP, MAP, ECT, IAT
Fuel Control
OBD II Symbol Description Notice
Powertrain Control Module Connector End Views
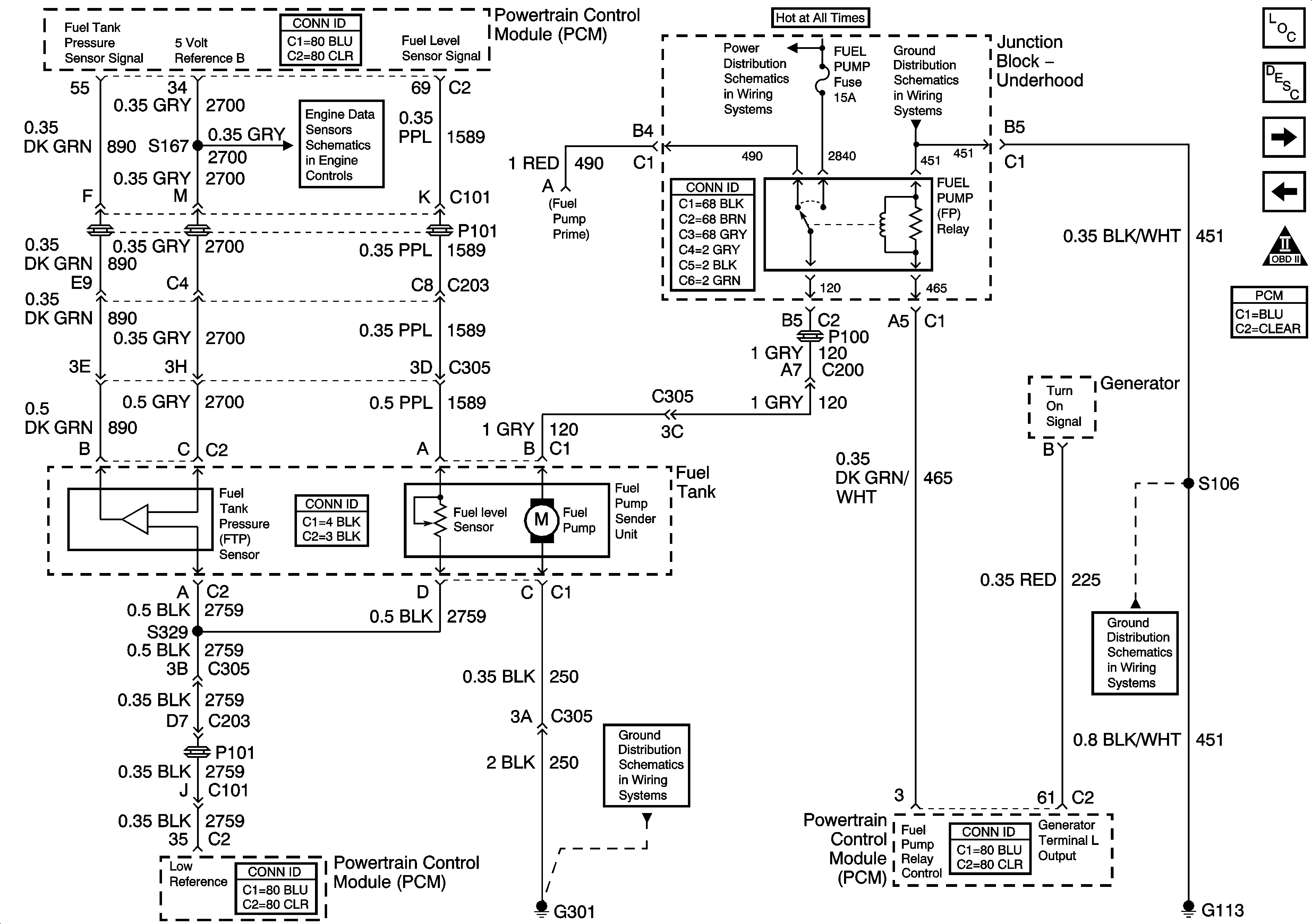
Figure 5:

Engine Data Sensors, A/C Refrig Press, TP, MAP, ECT, IAT


Object Number: 661853  Size: FS
Fuel Control
Master Electrical Component List
Powertrain Control Module Description
Engine Data Sensors, MAF, EVAP Switch, EVAP Valve, EGR
Fuel Injectors
OBD II Symbol Description Notice
Powertrain Control Module Connector End Views
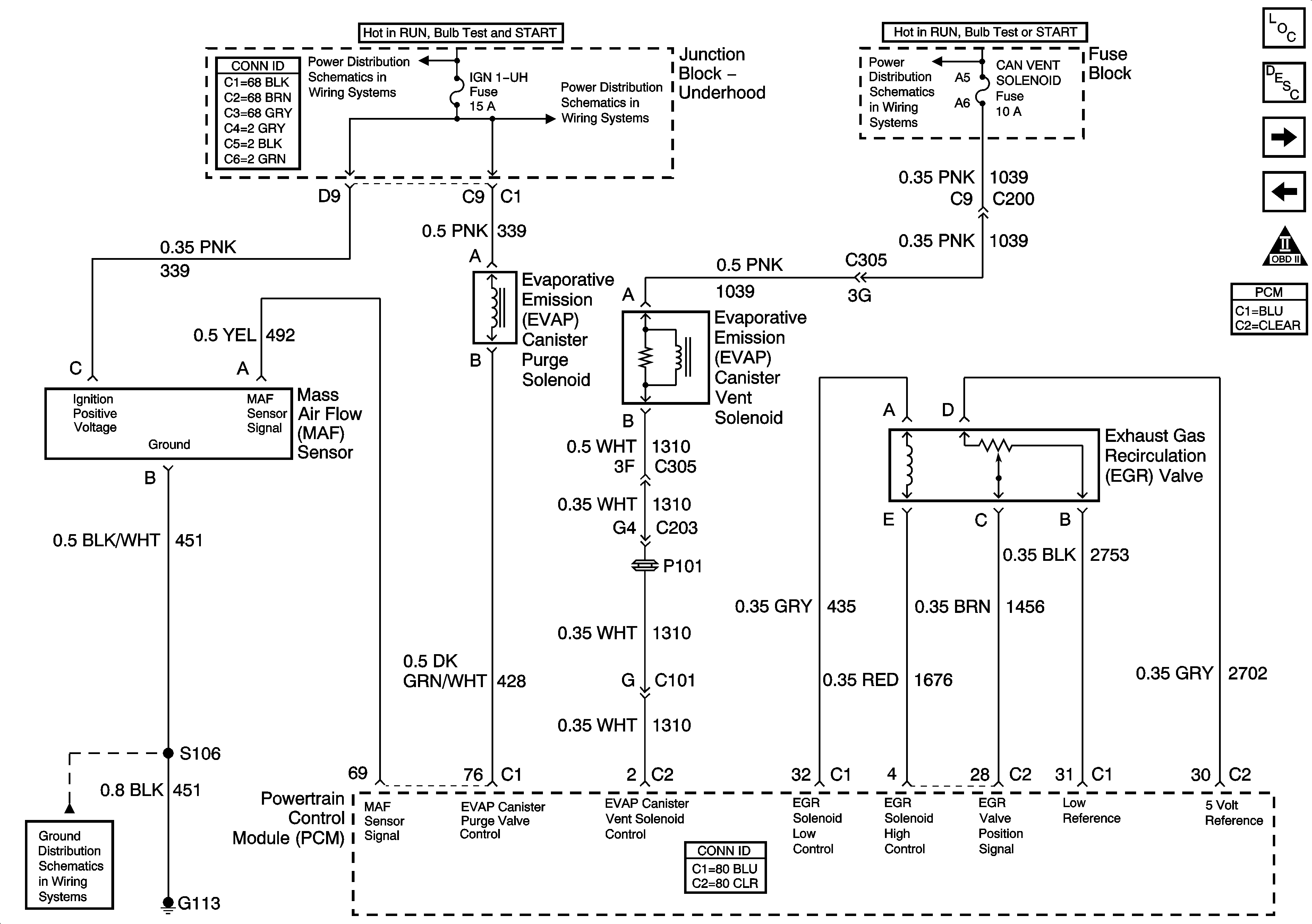
Figure 6:

Engine Data Sensors, MAF, EVAP Switch, EVAP Valve, EGR


Object Number: 661863  Size: FS
Junction Block - Underhood and IGN 1-U/H Fuse
Junction Block - Underhood and IGN 1-U/H Fuse
IGN MAIN 1, PCM/ABS, CAN VENT SOL, DRL and PCM/CRANK Fuses
G100, G111 and G113
Master Electrical Component List
Powertrain Control Module Description
Engine Data Sensors, HO2S1, HO2S2
Engine Data Sensors, A/C Refrig Press, TP, MAP, ECT, IAT
OBD II Symbol Description Notice
Powertrain Control Module Connector End Views
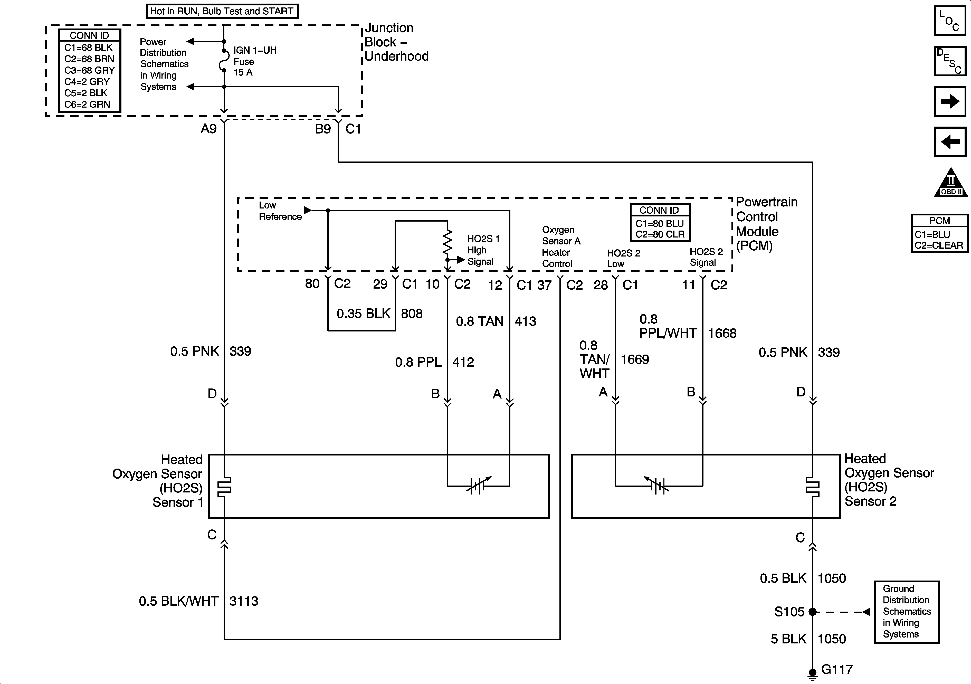
Figure 7:

Engine Data Sensors, HO2S1, HO2S2


Object Number: 661865  Size: FS
Master Electrical Component List
Powertrain Control Module Description
IAC Valve, EBTCM, Engine Oil Level Sensor
Engine Data Sensors, MAF, EVAP Switch, EVAP Valve, EGR
OBD II Symbol Description Notice
Powertrain Control Module Connector End Views
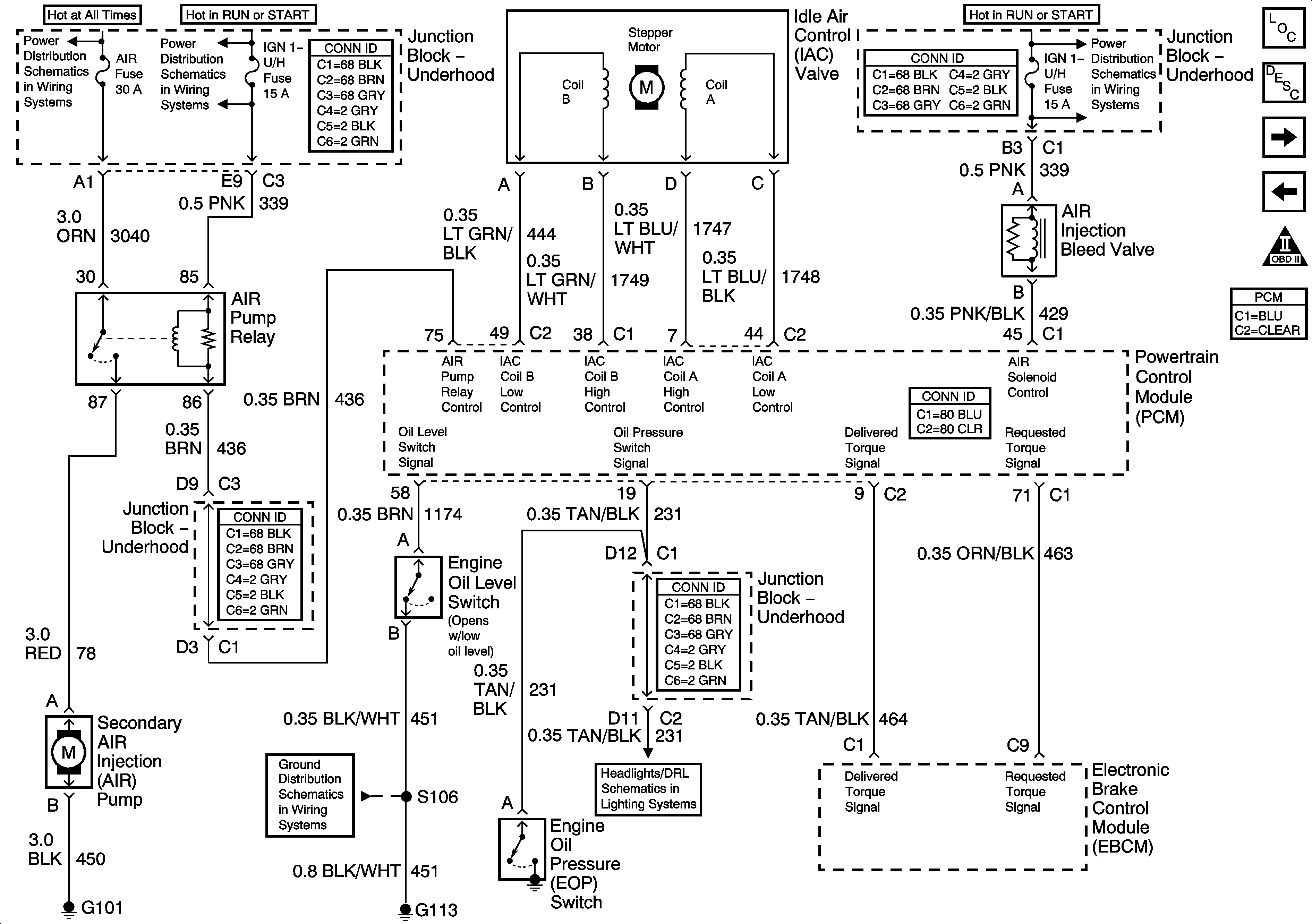
Figure 8:

IAC Valve, EBTCM, Engine Oil Level Sensor


Object Number: 661869  Size: FS
Junction Block - Underhood
Junction Block - Underhood and IGN 1-U/H Fuse
G100, G111 and G113
Junction Block - Underhood and IGN 1-U/H Fuse
Master Electrical Component List
Powertrain Control Module Description
A/C Compressor Controls
Engine Data Sensors, HO2S1, HO2S2
OBD II Symbol Description Notice
Powertrain Control Module Connector End Views
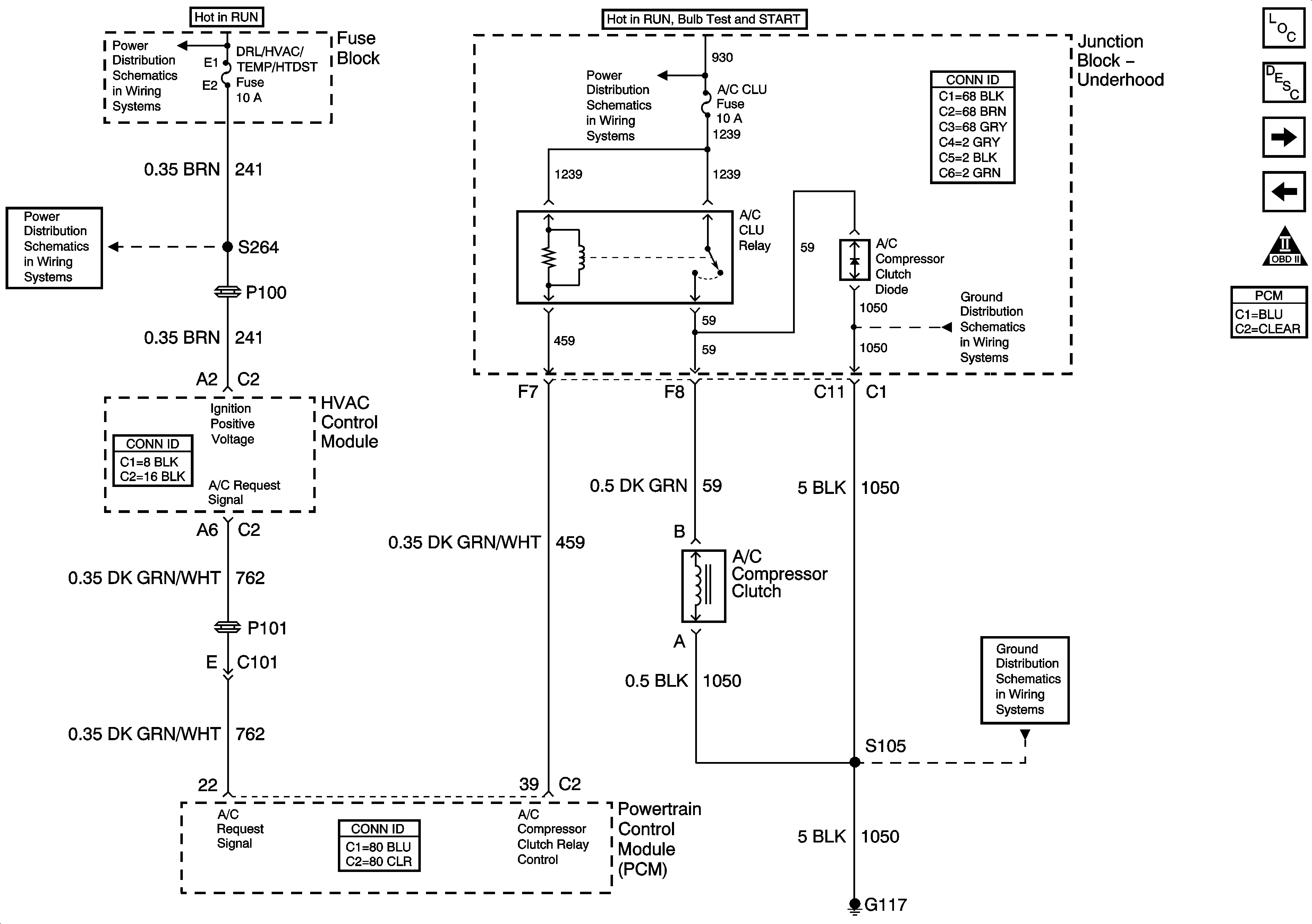
Figure 9:

A/C Compressor Controls


Object Number: 661874  Size: FS
DRL/HVAC/TEMP/HTD ST, HVAC BLOWER and RR HVAC/TEMP CONT Fuses
Junction Block - Underhood
DRL/HVAC/TEMP/HTD ST, HVAC BLOWER and RR HVAC/TEMP CONT Fuses
G114 and G117
Master Electrical Component List
Powertrain Control Module Description
Coolant Fans
IAC Valve, EBTCM, Engine Oil Level Sensor
OBD II Symbol Description Notice
Powertrain Control Module Connector End Views
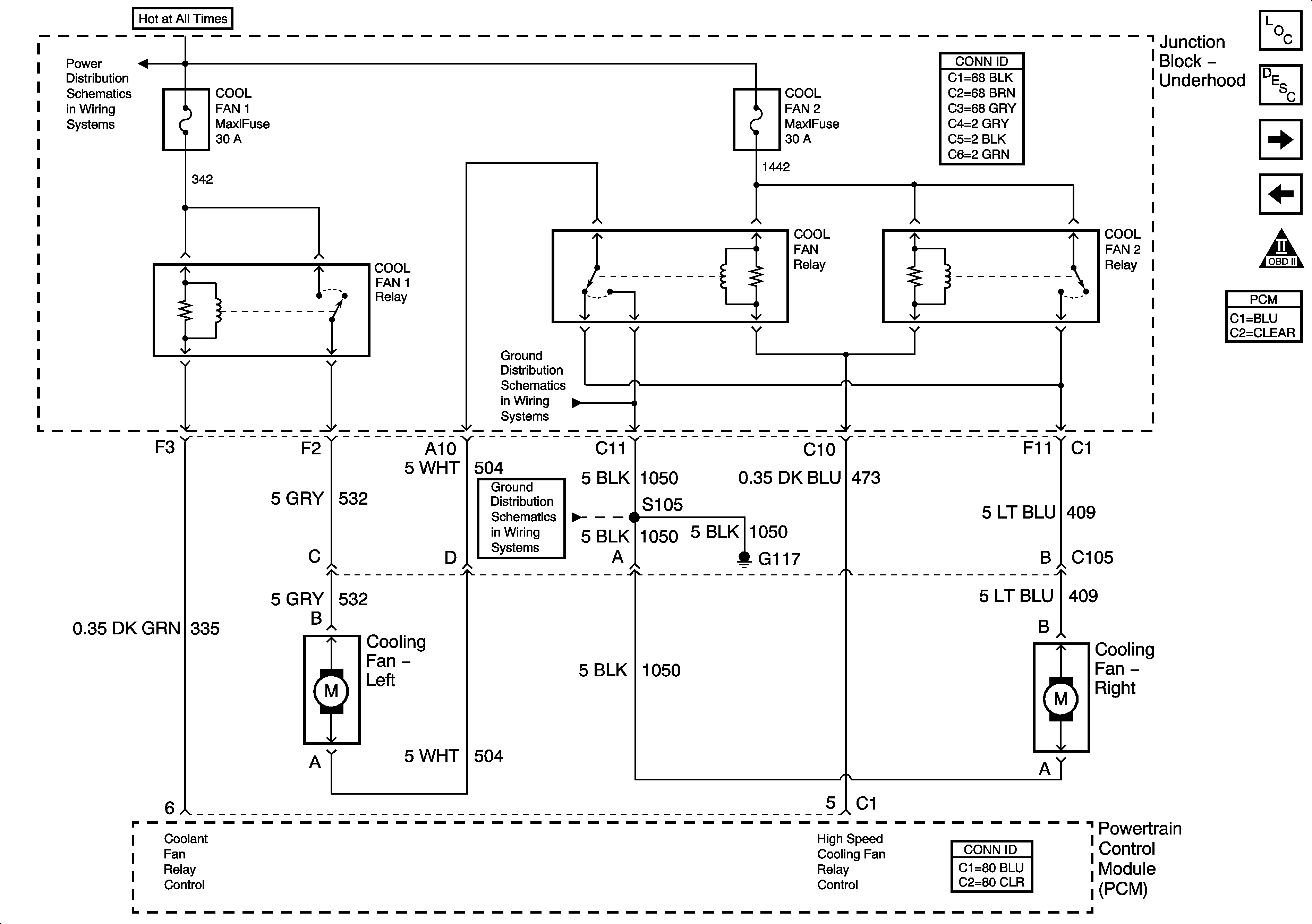
Figure 10:

Coolant Fans


Object Number: 661884  Size: FS
Junction Block - Underhood
G114 and G117
G114 and G117
Master Electrical Component List
Powertrain Control Module Description
VSS
A/C Compressor Controls
OBD II Symbol Description Notice
Powertrain Control Module Connector End Views
Figure 11:

VSS


Object Number: 661887  Size: FS
Master Electrical Component List
Powertrain Control Module Description
Automatic Transmission
Coolant Fans
OBD II Symbol Description Notice
Powertrain Control Module Connector End Views
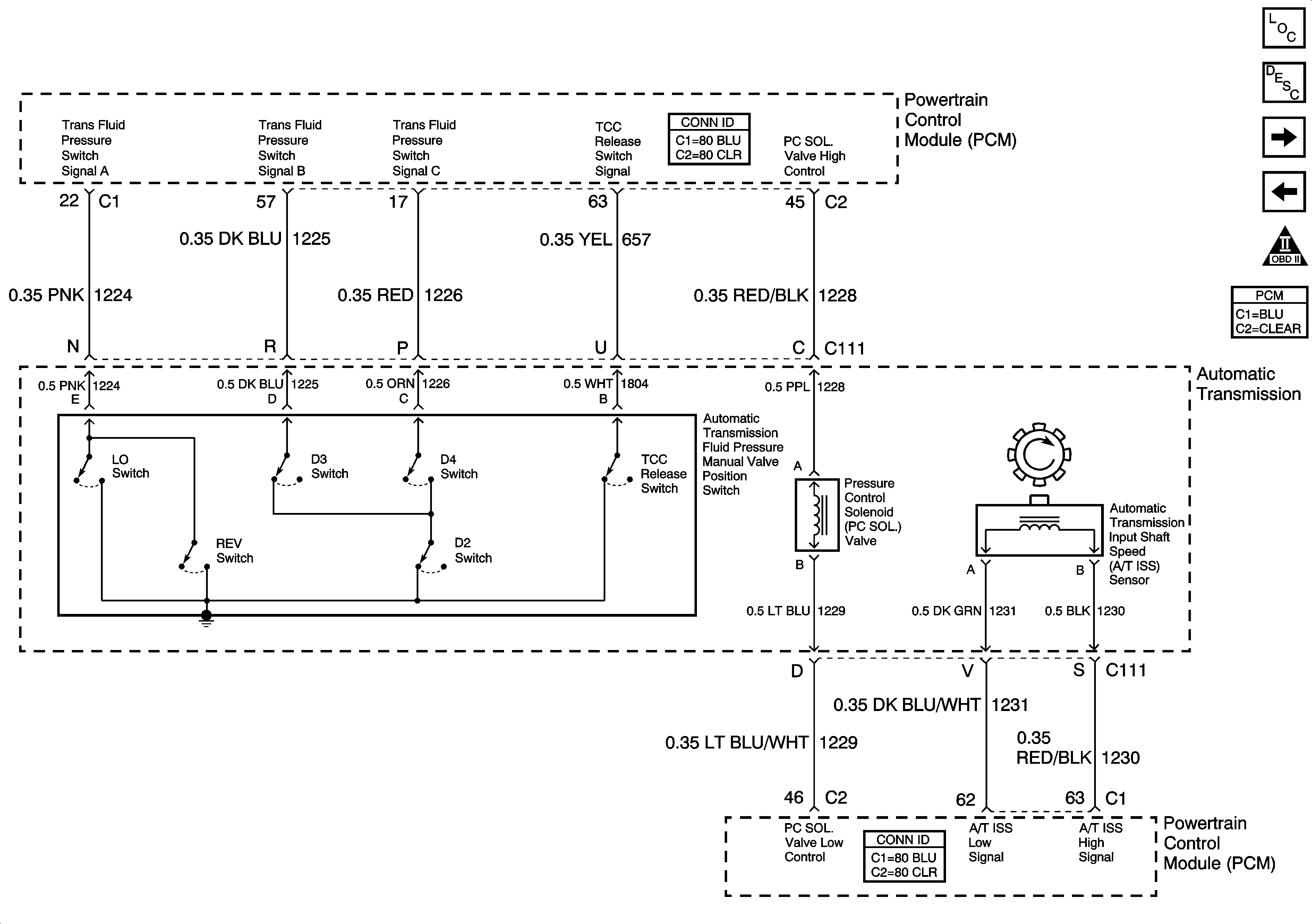
Figure 12:

Automatic Transmission


Object Number: 661891  Size: FS
Master Electrical Component List
Powertrain Control Module Description
Automatic Transmission
VSS
OBD II Symbol Description Notice
Powertrain Control Module Connector End Views
Figure 13:

Automatic Transmission


Object Number: 661911  Size: FS
Junction Block - Underhood, TCC and ELEK IGN Fuses
Junction Block - Underhood, TCC and ELEK IGN Fuses
Master Electrical Component List
Powertrain Control Module Description
Transmission Range Switch
Automatic Transmission
OBD II Symbol Description Notice
Powertrain Control Module Connector End Views
Figure 14:

Transmission Range Switch


Object Number: 795585  Size: FS
Master Electrical Component List
Powertrain Control Module Description
Automatic Transmission
OBD II Symbol Description Notice
Powertrain Control Module Connector End Views