GM Service Manual Online
For 1990-2009 cars only
Makes
🢒
Chevrolet
🢒
2001
🢒
Venture
🢒
Body and Accessories
🢒
Seats
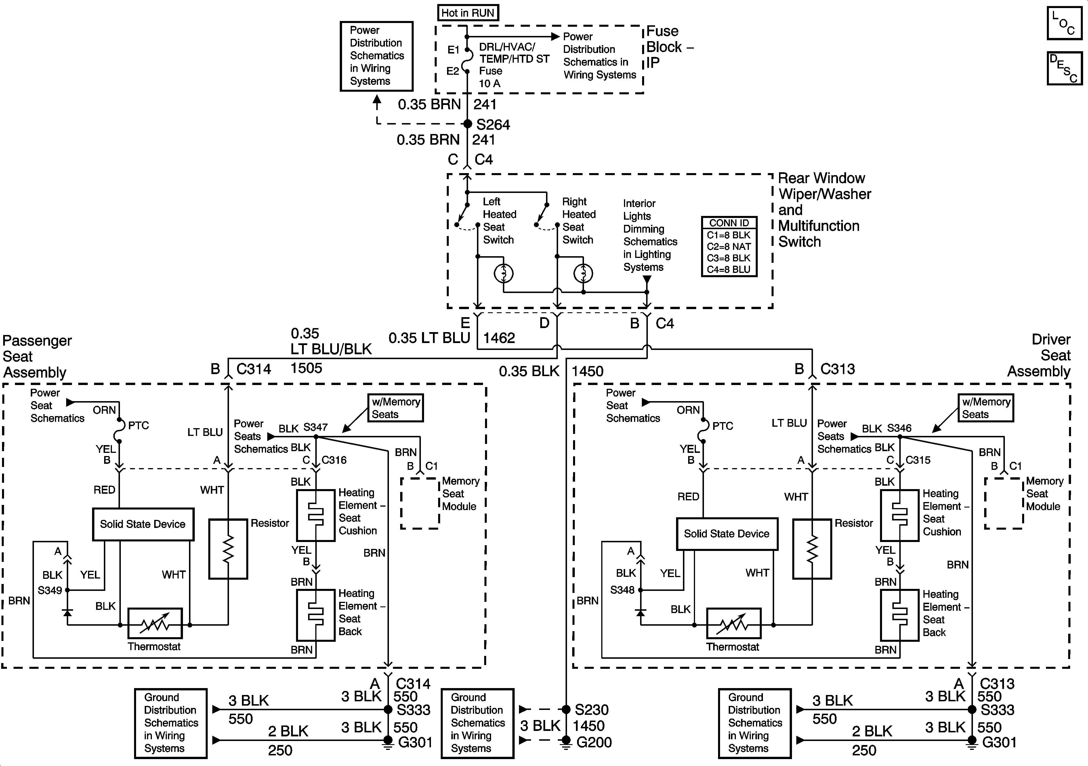
🢒 Heated Seats Schematics
Master Electrical Component List
Heated Seats Description and Operation
DRL/HVAC/TEMP/HTD ST, HVAC BLOWER, RR HVAC/TEMP CONT fuses
DRL/HVAC/TEMP/HTD ST, HVAC BLOWER, RR HVAC/TEMP CONT fuses
Rear Window Wiper/Washer and Multifunction Switch, Window and Door Lock Switches
Passenger Side Power Seat, Heated Seat Module and Switches
Driver Side Power Seat, Heated Seat Module and Switches
G210, G301
G200
G210, G301