GM Service Manual Online
For 1990-2009 cars only
Figure 1:

Cell 14: G101 and G102


Object Number: 450702  Size: FS
Power and Grounding Components
Cell 14: G100, G111 and G113
Figure 2:

Cell 14: G100, G111 and G113


Object Number: 323913  Size: FS
Power and Grounding Components
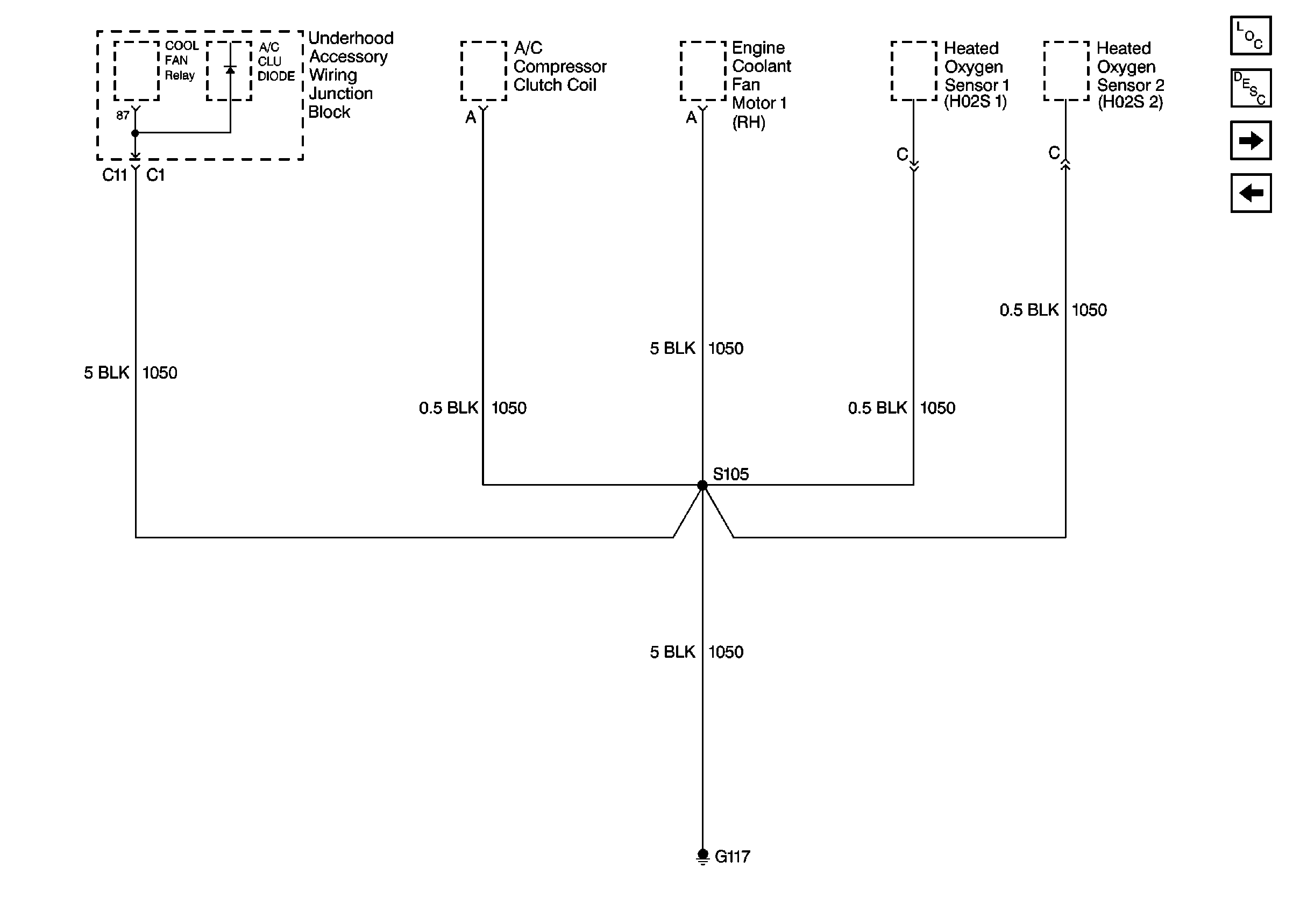
Cell 14: G117
Cell 14: G101 and G102
Figure 3:

Cell 14: G117


Object Number: 323915  Size: FS
Power and Grounding Components
Cell 14: G200
Cell 11: UH: ALT Sense, B/U Lamp, ECM Sense, Fog LP, Fuel Pump, Horn and Park LP Fuses
Figure 4:

Cell 14: G200


Object Number: 323917  Size: FS
Power and Grounding Components
Cell 14: G200
Cell 14: G117
Figure 5:

Cell 14: G200


Object Number: 323920  Size: FS
Power and Grounding Components
Cell 14: G200
Cell 14: G200
Figure 6:

Cell 14: G200


Object Number: 323922  Size: FS
Power and Grounding Components
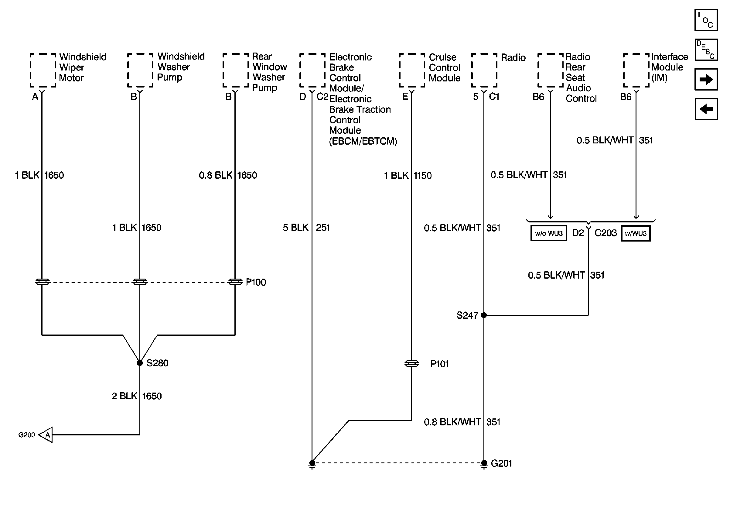
Cell 14: G200 and G201
Cell 14: G200
Figure 7:

Cell 14: G200 and G201


Object Number: 323924  Size: FS
Power and Grounding Components
Cell 14: G210
Cell 14: G200
Figure 8:

Cell 14: G210


Object Number: 450486  Size: FS
Power and Grounding Components
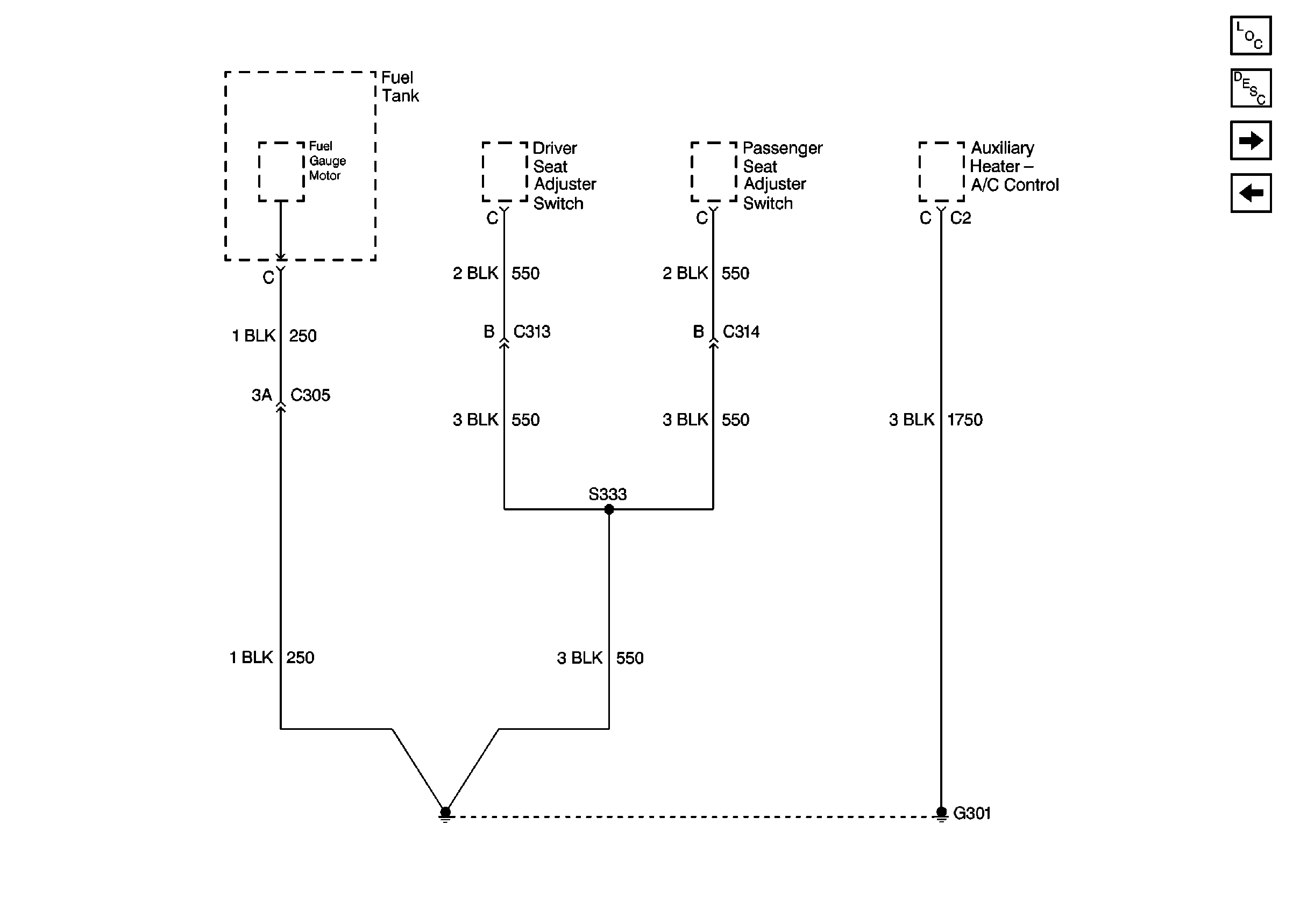
Cell 14: G301
Cell 14: G200 and G201
Figure 9:

Cell 14: G301


Object Number: 323926  Size: FS
Power and Grounding Components
Cell 14: G302
Cell 14: G210
Figure 10:

Cell 14: G302


Object Number: 450700  Size: FS
Power and Grounding Components
Cell 14: G302
Cell 14: G301
Figure 11:

Cell 14: G302


Object Number: 323933  Size: FS
Power and Grounding Components
Cell 14: G401
Cell 14: G302
Figure 12:

Cell 14: G401


Object Number: 323935  Size: FS
Power and Grounding Components
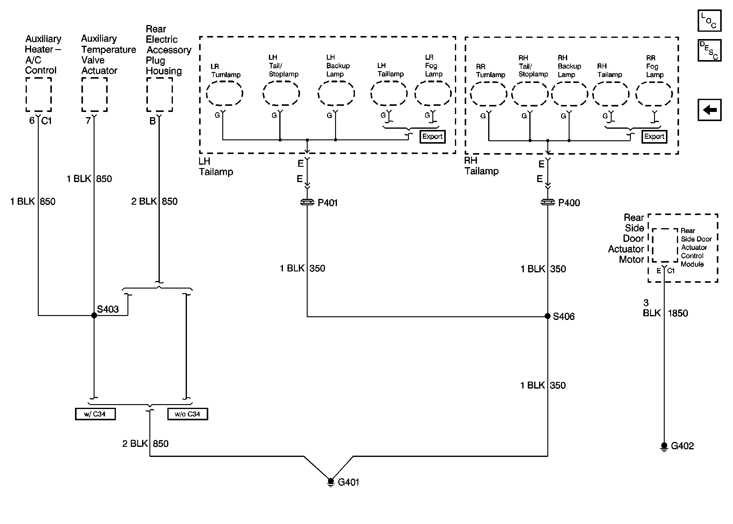
Cell 14: G401 and G402
Cell 14: G302
Figure 13:

Cell 14: G401 and G402


Object Number: 323937  Size: FS
Power and Grounding Components
Cell 19: Cigar Lighter / Auxiliary Outlets
Cell 14: G401