GM Service Manual Online
For 1990-2009 cars only
Makes
🢒
Chevrolet
🢒
1999
🢒
Venture Ext.
🢒
Body and Accessories
🢒
Instrument Panel, Gauges, and Console
🢒 Audible Warnings Schematics
Figure
1:
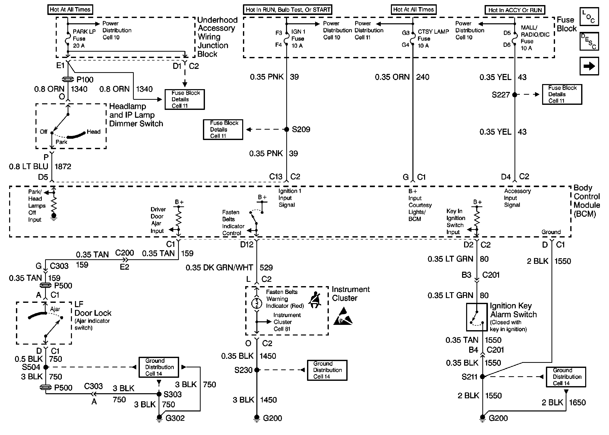
Cell 76: Instrument Cluster, LF Door Lock, Ignition Key Alarm Switch
Instrument Cluster Components
Audible Warnings Circuit Description
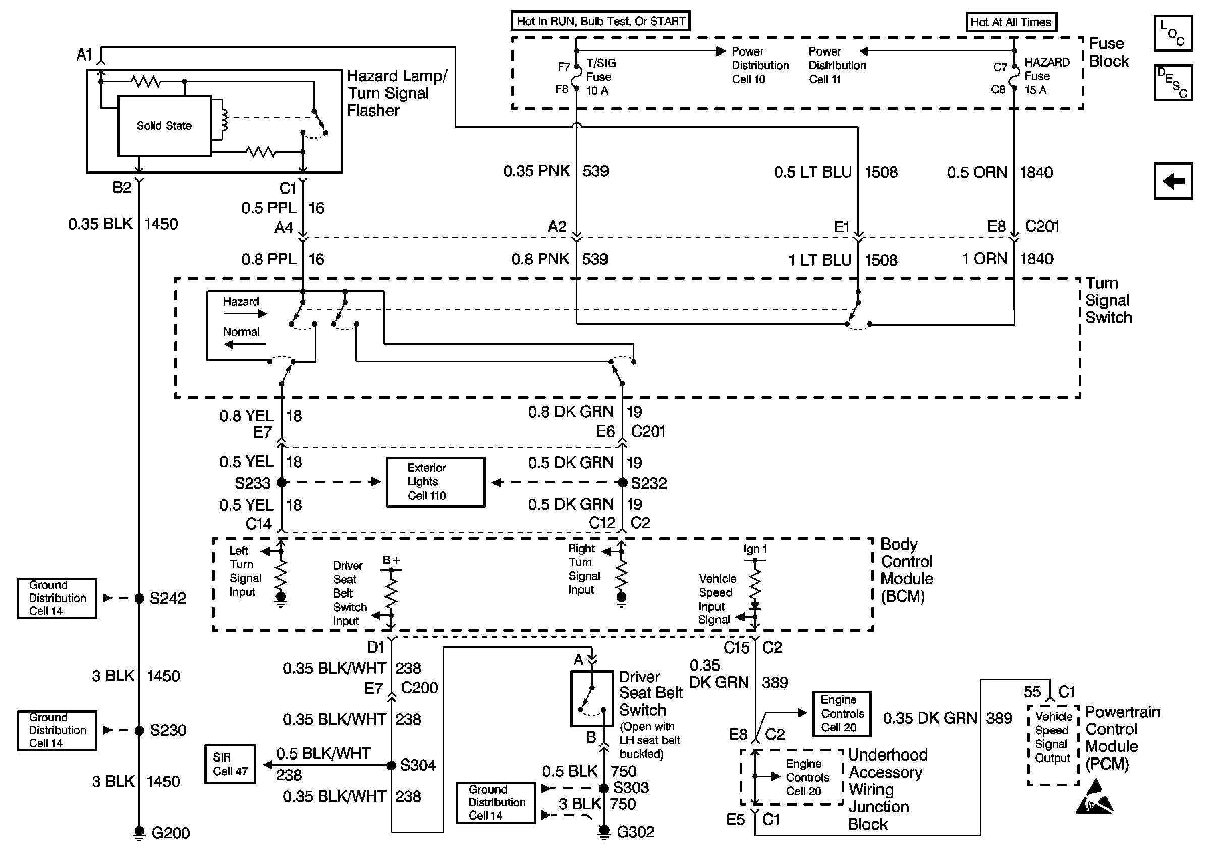
Cell 76: Turn Signal Switch, Seat Belt Switch
Cell 10: EBCM, EBTCM, Battery
Cell 10: Ignition Switch, Transaxle Range Switch
Cell 10: EBCM, EBTCM, Battery
Cell 10: Ignition Switch
Cell 11: UH: ALT Sense, B/U Lamp, ECM Sense, Fog LP, Fuel Pump, Horn and Park LP Fuses
Cell 11: IGN 1 Fuse
Cell 11: BCM PRGRM, FRT WPR/WSHR, MALL/Radio/DIC, RR WPR/WSHR and SWCACCY Fuses
Cell 81: Headlamp and IP Lamp Dimmer Switch
Handling ESD Sensitive Parts Notice
Cell 14: G302
Cell 14: G200
Cell 14: G200
Figure
2:
Cell 76: Turn Signal Switch, Seat Belt Switch
Instrument Cluster Components
Audible Warnings Circuit Description
Cell 76: Instrument Cluster, LF Door Lock, Ignition Key Alarm Switch
Cell 10: Ignition Switch, Transaxle Range Switch
Cell 10: Fuse Block, Underhood Accessory Wiring Junction Block
Cell 14: G302
Cell 14: G200
Cell 14: G200
SIR Schematics
Cell 110: Taillamps, Side Markers, Park/Turn Lamps
Handling ESD Sensitive Parts Notice