GM Service Manual Online
For 1990-2009 cars only
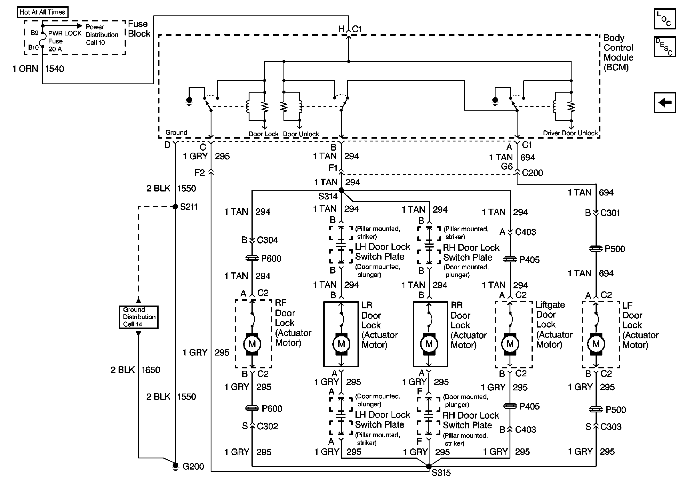
Figure 1:

Door Lock Power Distribution


Object Number: 423589  Size: FS
Power Door Systems Components
Automatic Door Lock Circuit Description
Door Locks with Liftgate Lock
Cell 10: Underhood Accessory Wiring Junction Block
Cell 10: Ignition Switch, Transaxle Range Switch
Cell 10: EBCM, EBTCM, Battery
Cell 10: Ignition Switch
PSD Module Control Switches
Cell 11: Cruise, SIR and T/SIG Fuses
Cell 11: BCM PRGRM, FRT WPR/WSHR, MALL/Radio/DIC, RR WPR/WSHR and SWCACCY Fuses
Cell 117: Rear Window Wiper/Washer and Multifunction Switch, Window Switches, Door Lock Switches
Cell 117: Rear Window Wiper/Washer and Multifunction Switch, Window Switches, Door Lock Switches
Cell 14: G302
PSD Module Control Switches
Figure 2:

Door Locks with Liftgate Lock


Object Number: 423595  Size: FS
Power Door Systems Components
Automatic Door Lock Circuit Description
Power Door Lock Acuators
Door Lock Power Distribution
Cell 14: G302
Cell 14: G302
Cell 14: G401
Figure 3:

Power Door Lock Acuators


Object Number: 423600  Size: FS
Power Door Systems Components
Automatic Door Lock Circuit Description
Door Locks with Liftgate Lock
Cell 10: EBCM, EBTCM, Battery
Cell 14: G200