GM Service Manual Online
For 1990-2009 cars only
Makes
🢒
Chevrolet
🢒
1999
🢒
Venture Ext.
🢒
Body and Accessories
🢒
Doors
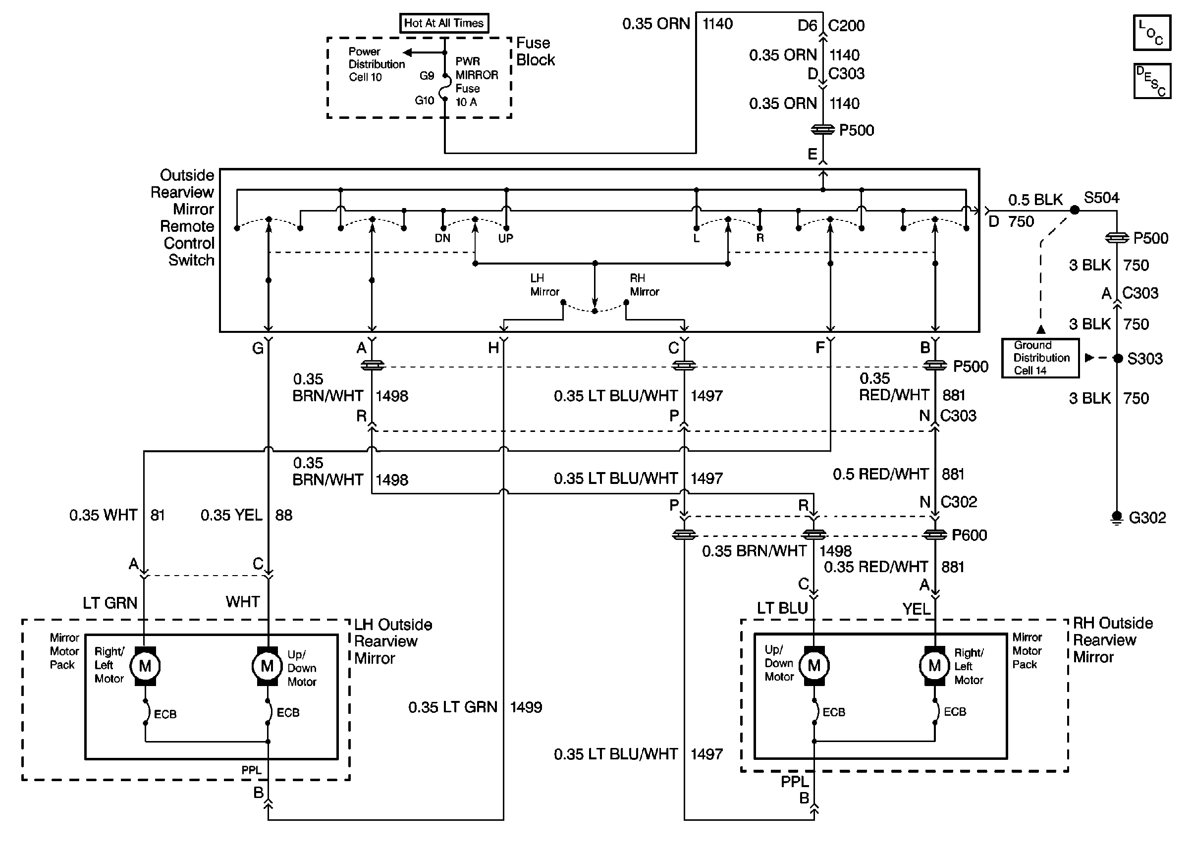
🢒 Outside Rearview Mirror Schematics
Cell 147
Power Door Systems Components
Outside Mirrors Circuit Description
Cell 14: G302
Cell 11: Cigar/DLC, CTSY Lamp, ELC, FRT PWR SCKT, PWR Mirror and RR Defog Fuses