GM Service Manual Online
For 1990-2009 cars only
Makes
🢒
Chevrolet
🢒
1999
🢒
Venture Ext.
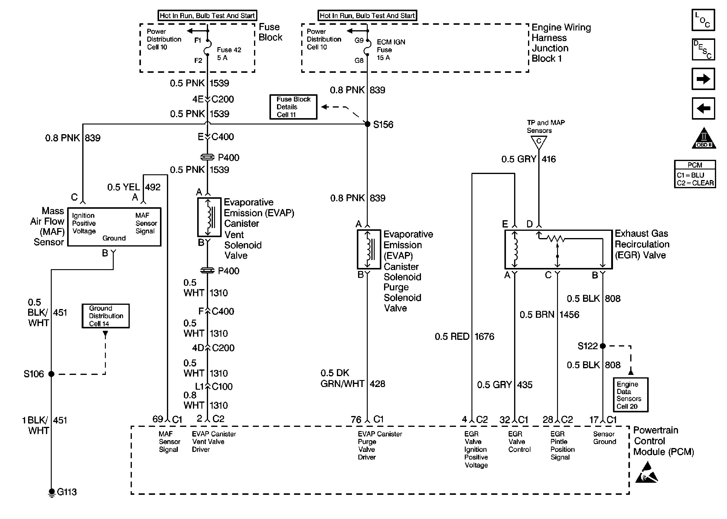
🢒 Engine Data Sensors-MAF, EVAP Vent, EVAP Purge, EGR
Engine Data Sensors-MAF, EVAP Vent, EVAP Purge, EGR
Engine Data Sensors-MAF, EVAP Vent, EVAP Purge, EGR