GM Service Manual Online
For 1990-2009 cars only

Removal Procedure

  1. Remove the bolt from the coolant tank.
  2. Remove the coolant tank and set aside.
  3. Remove the 3 bolts from the support brace and remove the brace.
  4. Disconnect the MAF sensor electrical connector.
  5. Loosen the 2 clamps on the duct/MAF sensor assembly.
  6. Remove the air inlet duct/MAF sensor assembly (1).

  7. Object Number: 512027  Size: SH
  8. Unsnap the 2  latches and remove the air cleaner housing cover (2).
  9. Remove the air filter element (3).
  10. Unsnap the latch on the upper cover and remove the cover.

  11. Object Number: 512028  Size: SH
  12. Carefully remove the PCM leaving the 2 harnesses connected and set aside.

  13. Object Number: 512030  Size: SH
  14. Remove the 2 bolts (2) from the air cleaner assembly and remove the housing.

Installation Procedure


    Object Number: 512030  Size: SH
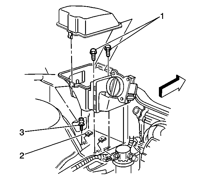
  1. Position the air cleaner housing on the stud (3).
  2. Notice: Use the correct fastener in the correct location. Replacement fasteners must be the correct part number for that application. Fasteners requiring replacement or fasteners requiring the use of thread locking compound or sealant are identified in the service procedure. Do not use paints, lubricants, or corrosion inhibitors on fasteners or fastener joint surfaces unless specified. These coatings affect fastener torque and joint clamping force and may damage the fastener. Use the correct tightening sequence and specifications when installing fasteners in order to avoid damage to parts and systems.

  3. Install the 2 bolts (1) through the housing.

  4. Object Number: 512028  Size: SH
  5. Carefully Install the PCM into the housing.
  6. Install the upper cover and snap it in place.

  7. Object Number: 512027  Size: SH
  8. Install the air cleaner element (3) and air cleaner cover (2) and snap them in place.
  9. Install the air inlet duct/Map sensor assembly (1) and tighten the 2 clamps.
  10. Connect the MAF sensor electrical connector.
  11. Position the support brace and install the 3 bolts.
  12. Install the coolant tank and Install the retaining bolt.