GM Service Manual Online
For 1990-2009 cars only
Figure 1:

ABS/TCS Schematics ( ABS Module, Relay, Modulator, Power)


Object Number: 549063  Size: FS
Ignition Switch IGN Main Relay, IGN Main 1, PCM/ABS, CONVENT SOL, DRL, and PCM/Crank Fuses
Ignition Switch IGN Main Relay, IGN Main 1, PCM/ABS, CONVENT SOL, DRL, and PCM/Crank Fuses
Ignition Switch IGN Main Relay, IGN Main 1, PCM/ABS, CONVENT SOL, DRL, and PCM/Crank Fuses
EBCM, BATT Main 1 and Radio Fuses
ABS Components
ABS Description
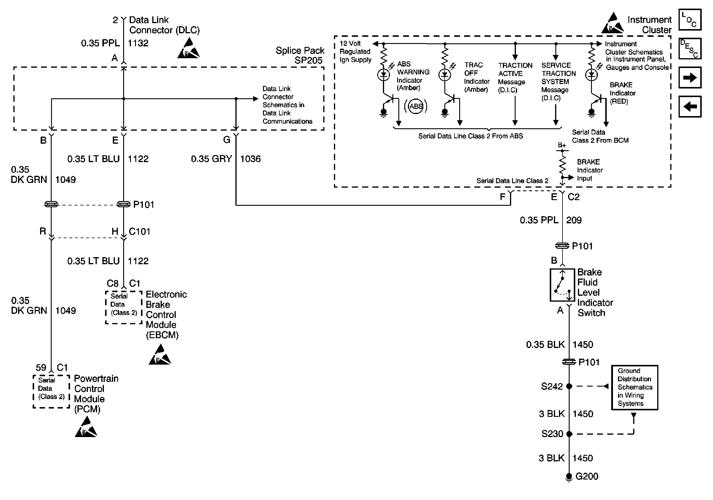
ABS/TCS Schematics ( ABS Module, Ground, Instrument Cluster, PCM, PoWER, TCS)
Handling ESD Sensitive Parts Notice
Figure 2:

ABS/TCS Schematics ( ABS Module, Ground, Instrument Cluster, PCM, Power, TCS)


Object Number: 549067  Size: FS
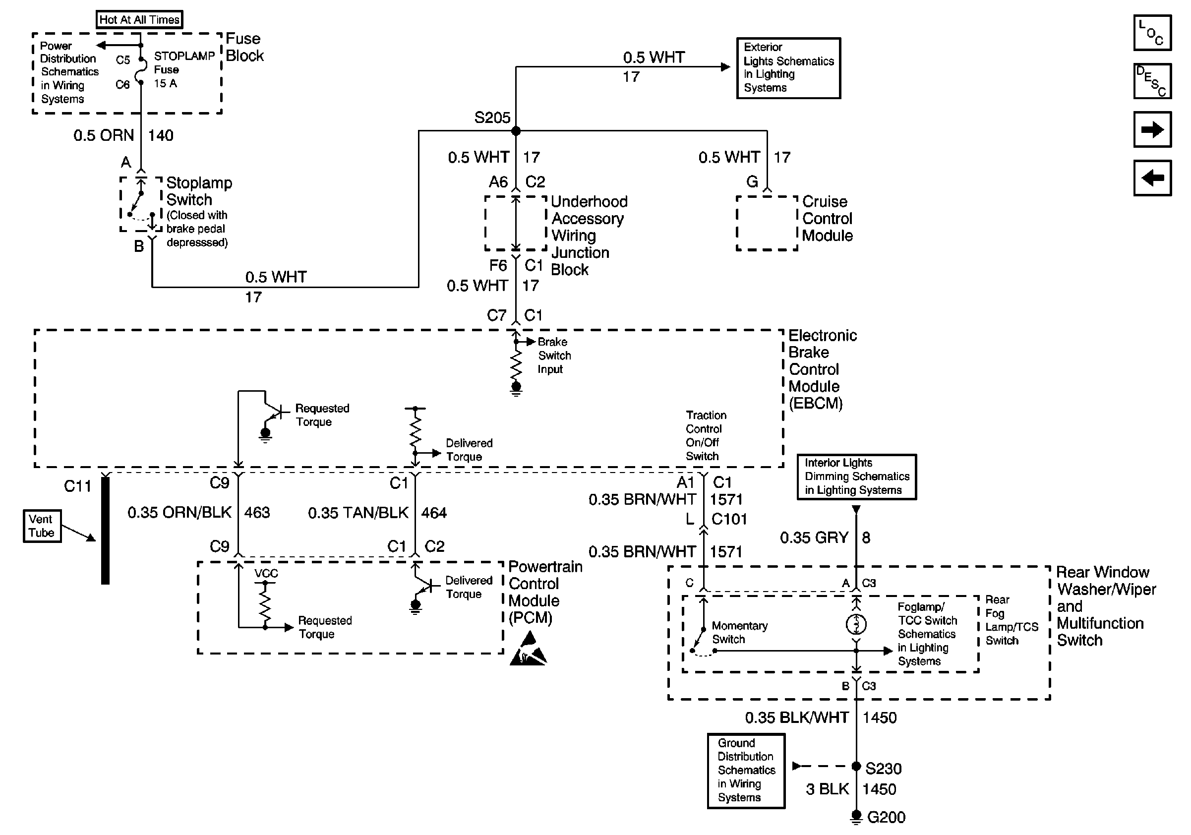
Figure 3:

ABS/TCS Schematics ( ABS Module,DLC, Ground, Instrument Cluster, PCM, Power, Stop Lamp Switch)


Object Number: 549075  Size: FS
Stop Lamp, Hazard, and Pass Key Fuses, FRT HVAC MI BLWR and Headlamp Circuit Breakers
Cell 110: Stoplamp Switch, Center High Mounted Stop Lamp
Interior Lights Dimming Schematics (Cell 117: Rear Window Wiper/Washer and Multifunction Switch, Window Switches, Door Lock Switches)
Interior Lights Dimming Schematics (Cell 117: Rear Window Wiper/Washer and Multifunction Switch, Window Switches, Door Lock Switches)
Handling ESD Sensitive Parts Notice
Cell 14: G200
ABS Components
ABS Description
ABS/TCS Schematics ( ABS Module, Wheel Speed Sensors)
ABS/TCS Schematics ( ABS Module, Ground, Instrument Cluster, PCM, PoWER, TCS)
Figure 4:

ABS/TCS Schematics ( ABS Module, Wheel Speed Sensors)


Object Number: 549079  Size: FS
ABS Components
ABS Description
ABS/TCS Schematics ( ABS MoDULE, DLC, Ground, Instrument Cluster, PCM, Power, Stop Lamp Switch)
Handling ESD Sensitive Parts Notice