GM Service Manual Online
For 1990-2009 cars only
Makes
🢒
Chevrolet
🢒
2000
🢒
Venture Ext.
🢒
Body and Accessories
🢒
Wipers/Washer Systems
🢒 Wiper/Washer System (Rear) Schematics
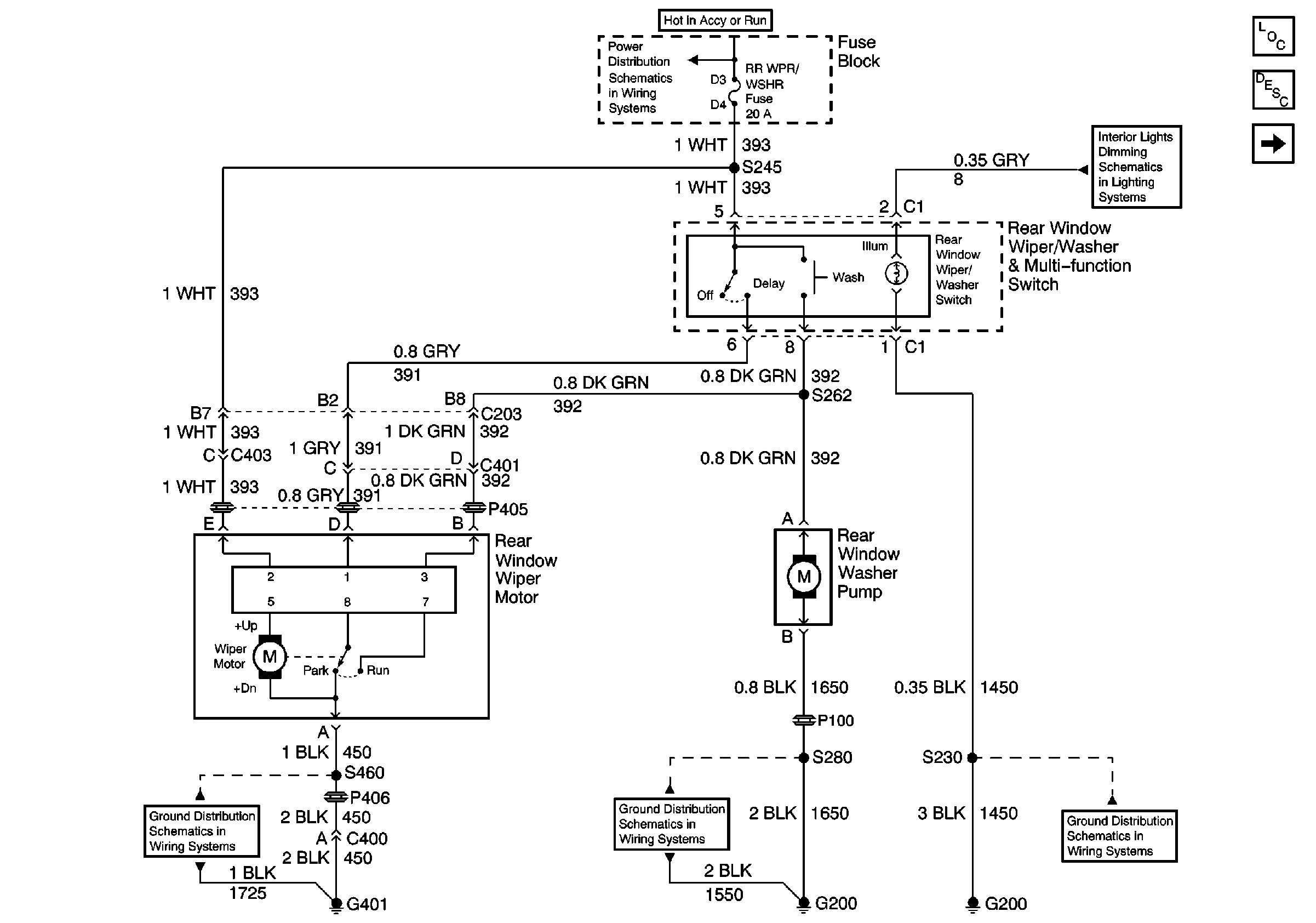
Cell 92
Ignition Switch, IGN Main 2, BCM PRORM, RR WPR/WSHR, MALL/Cluster and FRT/WPR/WSHR Fuses
Wiper/Washer System Components
Rear Wiper/Washer System Circuit Description
Interior Lights Dimming Schematics (Cell 117: Rear Window Wiper/Washer and Multifunction Switch, Window Switches, Door Lock Switches)
Cell 14: G401
Cell 14: G200
Cell 14: G200