GM Service Manual Online
For 1990-2009 cars only
Figure 1:

Cell 14: G101 and G102


Object Number: 599776  Size: FS
Power and Grounding Components
Cell 14: G100, G111 and G113
Figure 2:

Cell 14: G100, G111 and G113


Object Number: 599790  Size: FS
Power and Grounding Components
Cell 14: G117
Cell 14: G101 and G102
Figure 3:

Cell 14: G117


Object Number: 599797  Size: FS
Power and Grounding Components
Cell 14: G200
Cell 14: G100, G111 and G113
Figure 4:

Cell 14: G200


Object Number: 599804  Size: FS
Power and Grounding Components
Cell 14: G200
Cell 14: G117
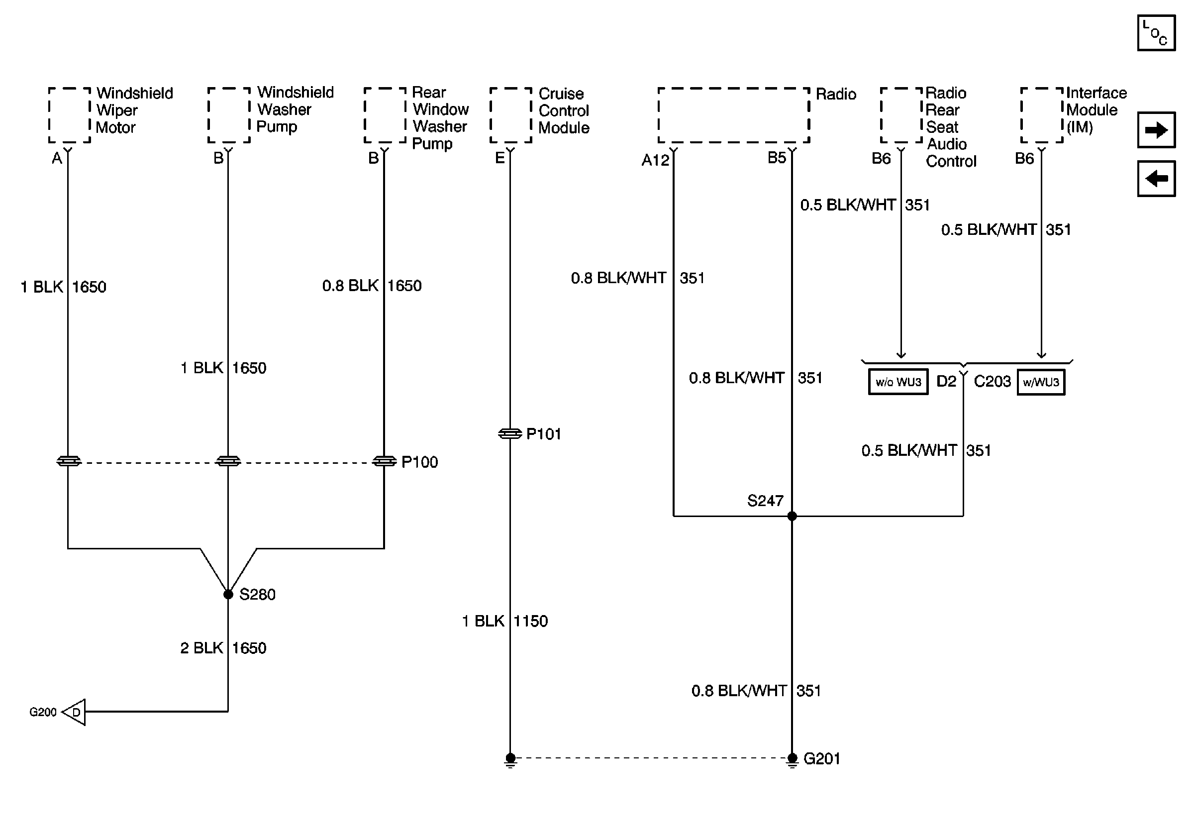
Cell 14: G200
Cell 14: G200
Cell 14: G200 and G201
Figure 5:

Cell 14: G200


Object Number: 599809  Size: FS
Power and Grounding Components
Cell 14: G200 and G201
Cell 14: G200
Figure 6:

Cell 14: G200


Object Number: 600015  Size: FS
Power and Grounding Components
Cell 14: G210
Cell 14: G200 and G201
Cell 14: G200
Figure 7:

Cell 14: G200 and G201


Object Number: 599814  Size: FS
Power and Grounding Components
Cell 14: G200
Cell 14: G200
Cell 14: G200
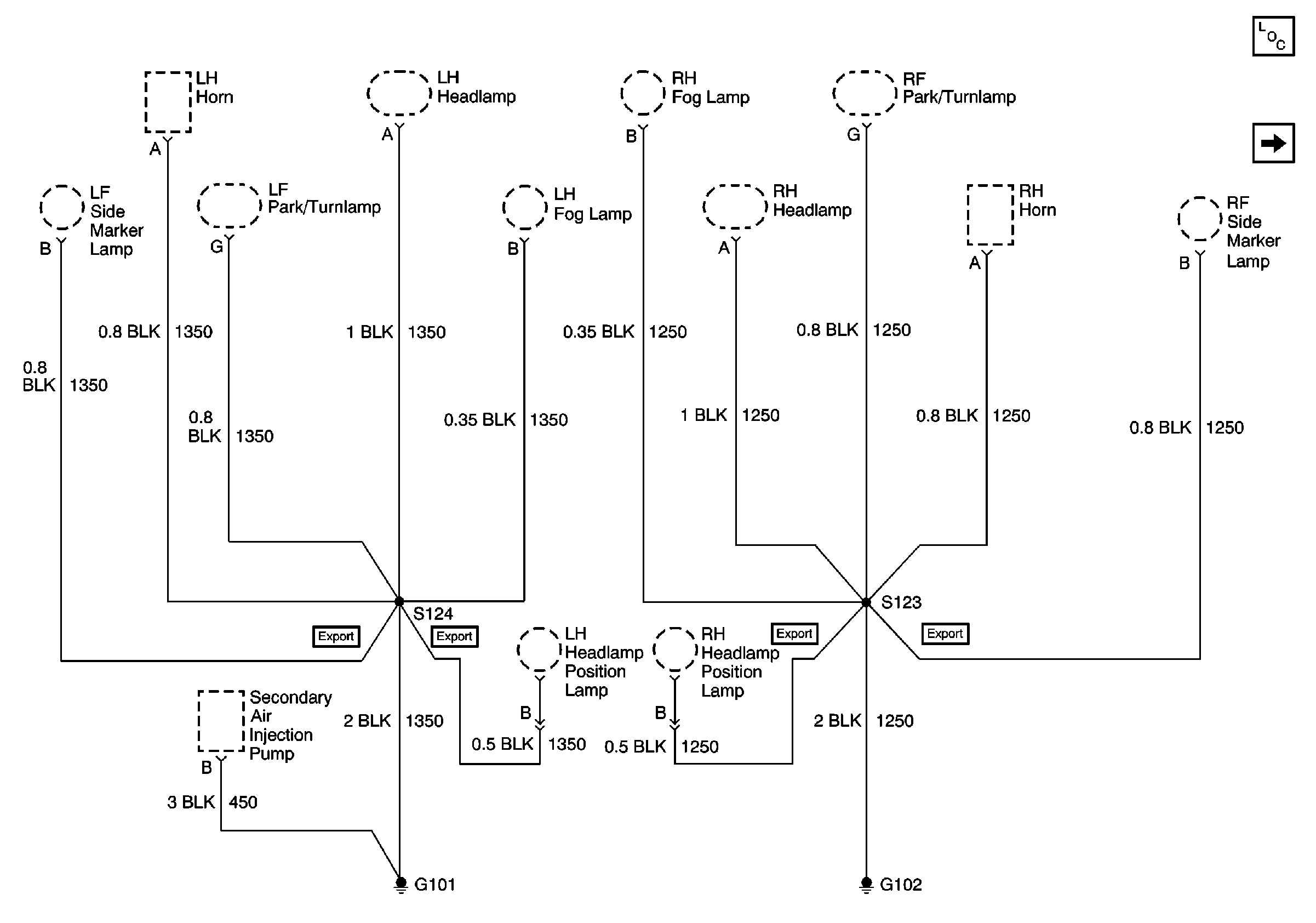
Figure 8:

Cell 14: G210


Object Number: 599819  Size: FS
Power and Grounding Components
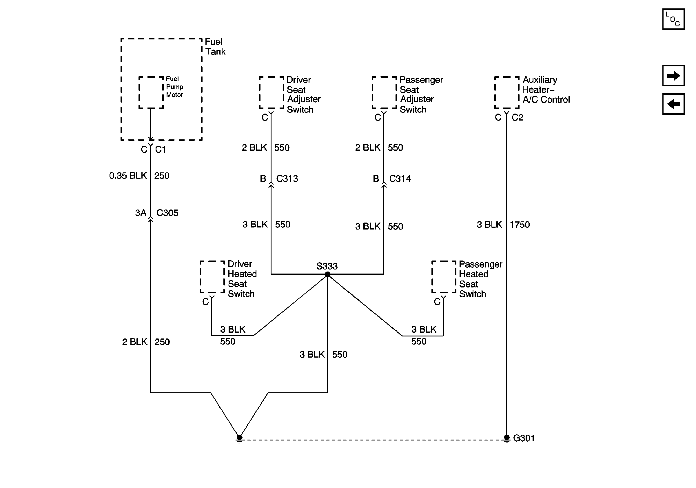
Cell 14: G301
Cell 14: G200
Figure 9:

Cell 14: G301


Object Number: 599823  Size: FS
Power and Grounding Components
Cell 14: G302
Cell 14: G210
Figure 10:

Cell 14: G302


Object Number: 599828  Size: FS
Power and Grounding Components
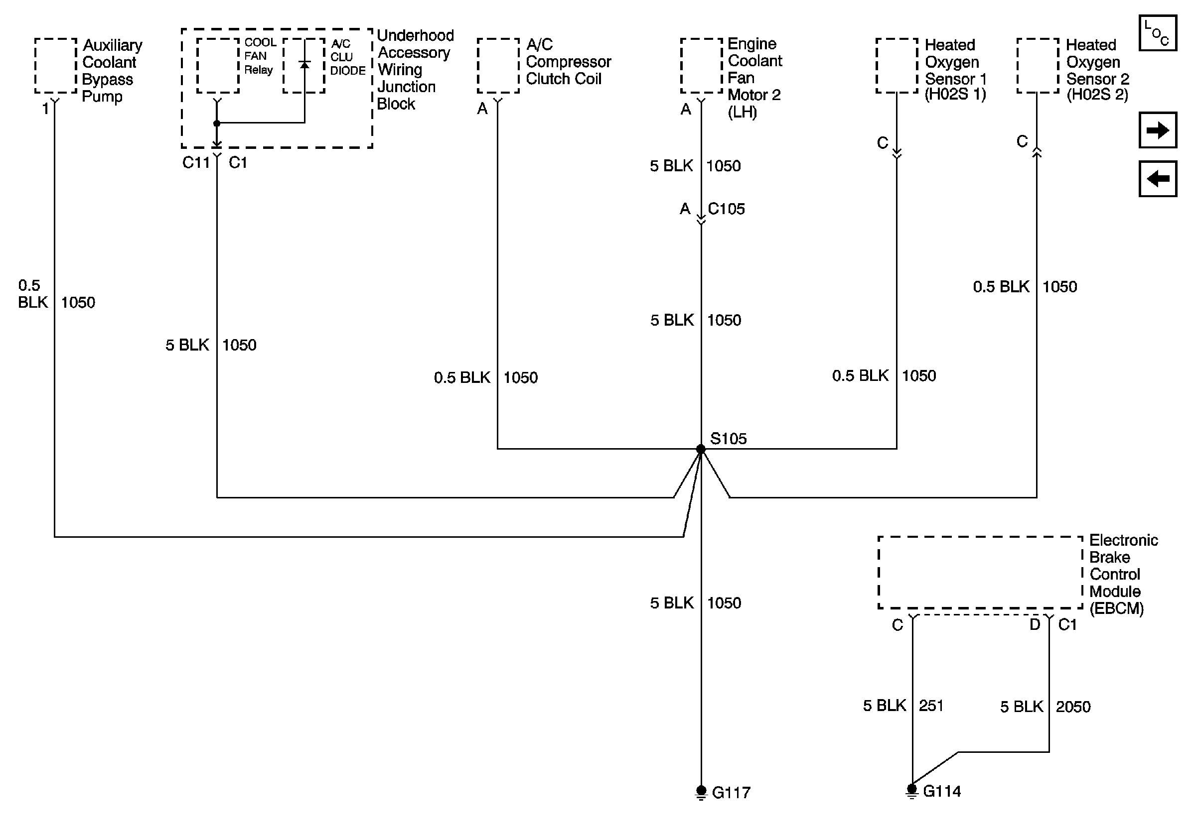
Cell 14: G302
Cell 14: G301
Cell 14: G302
Cell 14: G302
Figure 11:

Cell 14: G302


Object Number: 599832  Size: FS
Power and Grounding Components
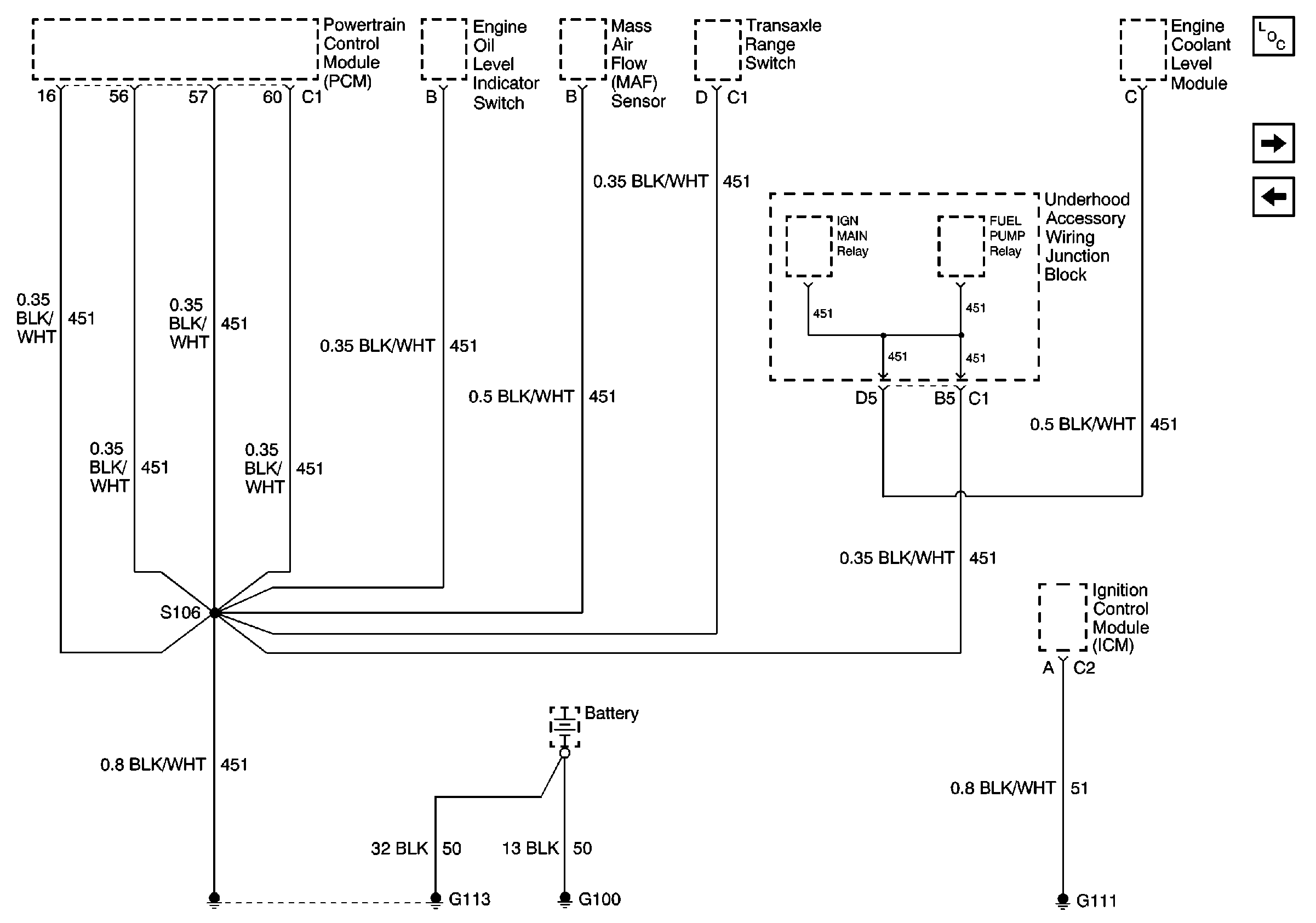
Cell 14: G401
Cell 14: G302
Cell 14: G302
Cell 14: G302
Figure 12:

Cell 14: G401


Object Number: 599835  Size: FS
Power and Grounding Components
Cell 14: G401 and G402
Cell 14: G302
Cell 14: G401 and G402
Cell 14: G401 and G402
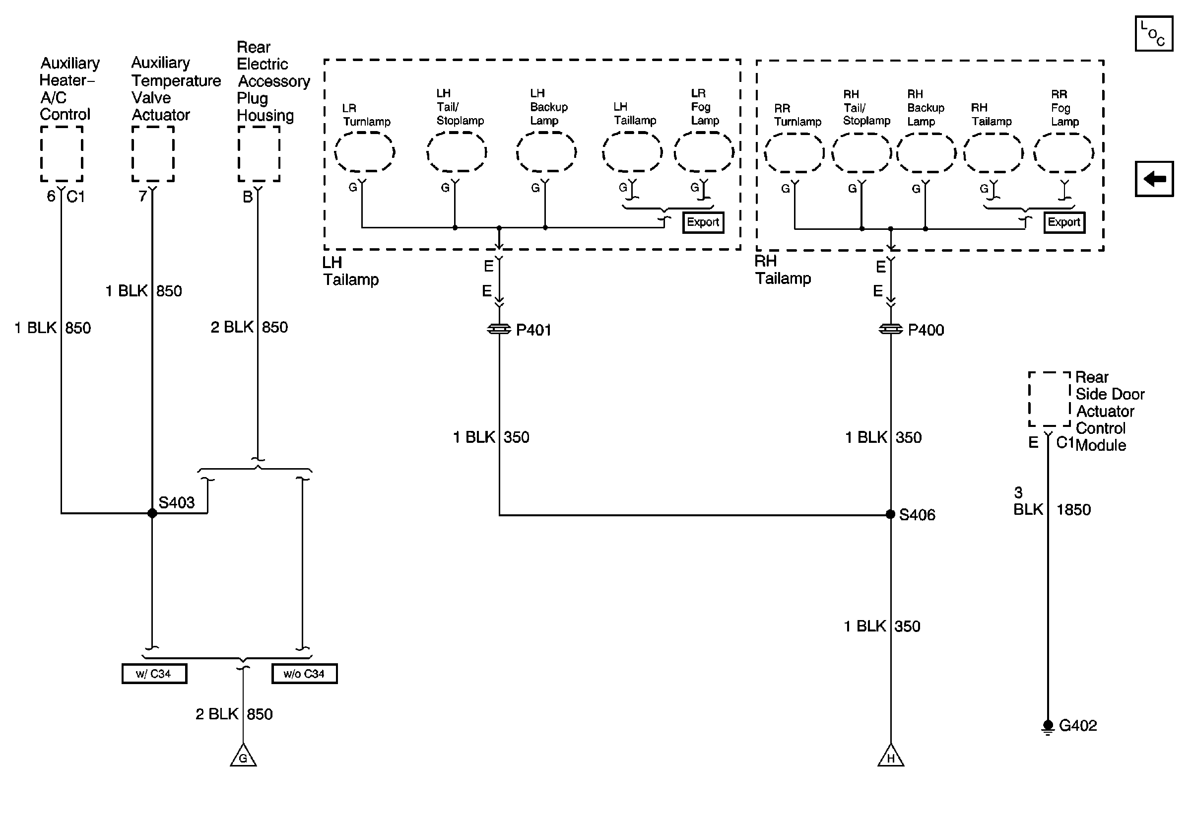
Figure 13:

Cell 14: G401 and G402


Object Number: 599840  Size: FS
Power and Grounding Components
Cell 14: G401
Cell 14: G401
Cell 14: G401