GM Service Manual Online
For 1990-2009 cars only

Refer to

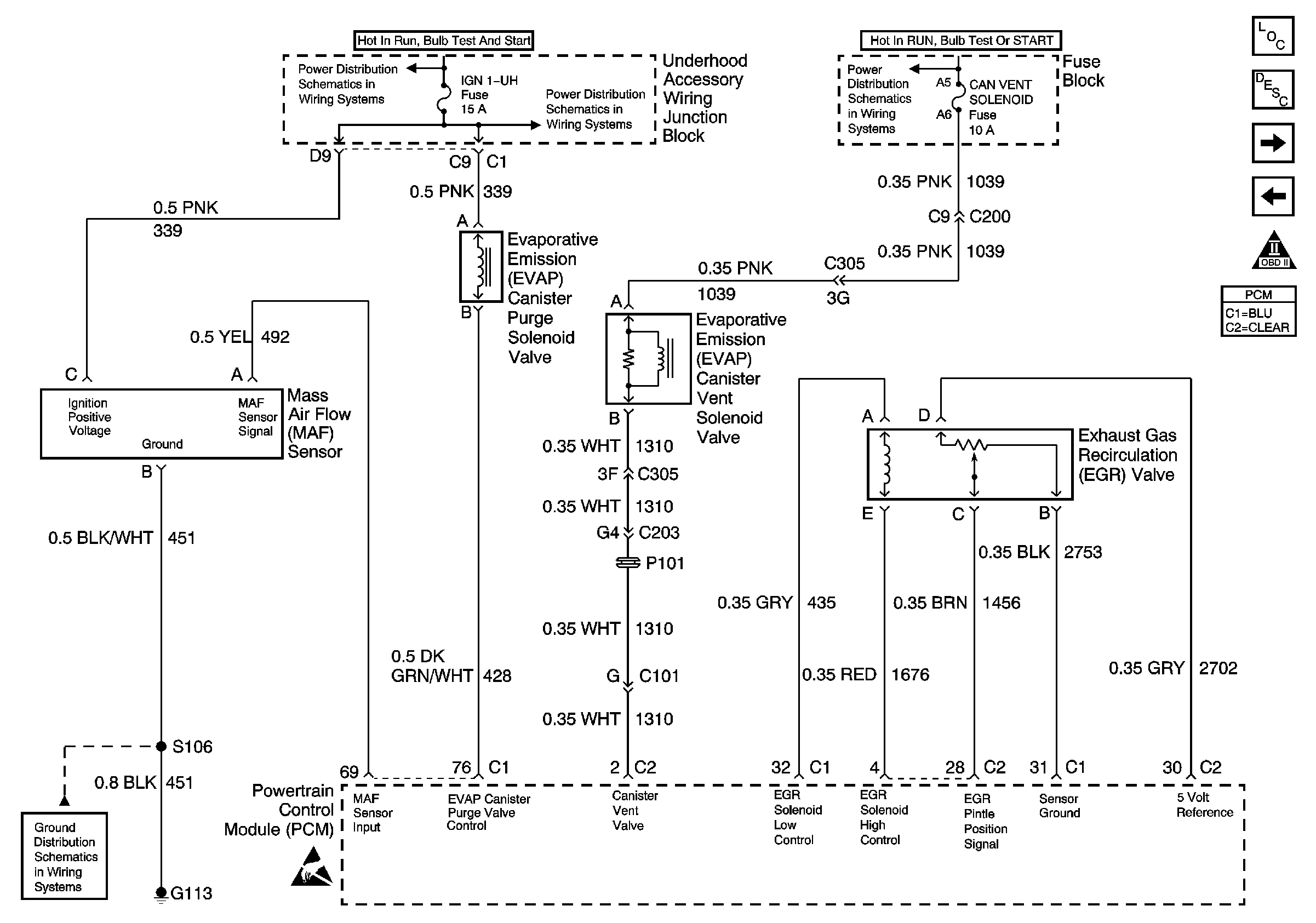
Engine Data Sensors, MAF, EVAP Switch, EVAP Valve, EGR


Object Number: 524535  Size: FS
Underhood Accessory Wiring Junction Block
Under Accessory Wiring Junction Block and IGN 1 Fuse
Ignition Switch IGN Main Relay, IGN Main 1, PCM/ABS, CONVENT SOL, DRL, and PCM/Crank Fuses
Cell 14: G100, G111 and G113
Handling ESD Sensitive Parts Notice
Engine Controls Components
Powertrain Control Module Description
Engine Data Sensors, HO2S1, HO2S2
Engine Data Sensors, A/C Refrig Press, TP, MAP, ECT, IAT
OBD II Symbol Description Notice
Powertrain Control Module Connector End Views
.

Circuit Description

The mass air flow (MAF) sensor measures the amount of air which passes through it into the engine during a given time. The PCM uses the mass air flow sensor information to monitor engine operating conditions for fuel delivery calculations. A large quantity of air entering the engine indicates an acceleration or high load situation, while a small quantity of air indicates deceleration or idle.

The MAF sensor produces a frequency signal which can be monitored by using a scan tool. The frequency will vary within a range of around 2000 Hertz at idle to near 8,000 Hertz at maximum engine load. DTC P0103 will be set if the signal from the MAF sensor is above the possible range of a normally operating MAF sensor.

Conditions for Running the DTC

    •  The engine is running.
    •  Ignition voltage is more than 8.0-volts.
    •  The condition is present for 0.5 seconds.
    •  The IAC is more than 2 counts.

Conditions for Setting the DTC

MAF signal frequency is above 11,500 Hertz (11.5 kHz).

Action Taken When the DTC Sets

    • The PCM will illuminate the malfunction indicator lamp (MIL) during the second consecutive trip in which the diagnostic test has been run and failed.
    • The PCM will store conditions which were present when the DTC set as Freeze Frame/Failure Records data.

Conditions for Clearing the MIL/DTC

    • The PCM will turn OFF the malfunction indicator lamp (MIL) during the third consecutive trip in which the diagnostic has run and passed.
    • The history DTC will clear after 40 consecutive warm-up cycles have occurred without a malfunction.
    • The DTC can be cleared by using a scan tool.

Diagnostic Aids

Inspect for the following conditions:

Many situations may lead to an intermittent condition. Perform each inspection or test as directed.

Important: :  Remove any debris from the connector surfaces before servicing a component. Inspect the connector gaskets when diagnosing or replacing a component. Ensure that the gaskets are installed correctly. The gaskets prevent contaminate intrusion.

    • Loose terminal connection
       -  Use a corresponding mating terminal to test for proper tension. Refer to Testing for Intermittent Conditions and Poor Connections , and to Connector Repairs in Wiring Systems for diagnosis and repair.
       -  Inspect the harness connectors for backed out terminals, improper mating, broken locks, improperly formed or damaged terminals, and faulty terminal to wire connection. Refer to Testing for Intermittent Conditions and Poor Connections , and to Connector Repairs in Wiring Systems for diagnosis and repair.
    • Damaged harness--Inspect the wiring harness for damage. If the harness inspection does not reveal a problem, observe the display on the scan tool while moving connectors and wiring harnesses related to the sensor. A change in the scan tool display may indicate the location of the fault. Refer to Wiring Repairs in Wiring Systems for diagnosis and repair.
    •  Inspect the powertrain control module (PCM) and the engine grounds for clean and secure connections. Refer to Wiring Repairs in Wiring Systems for diagnosis and repair.

If the condition is determined to be intermittent, reviewing the Snapshot or Freeze Frame/Failure Records may be useful in determining when the DTC or condition was identified.

Test Description

The numbers below refer to the step numbers on the diagnostic table:

  1. This step verifies that the problem is present at idle.

  2. A frequency reading with the MAF sensor connector disconnected indicates an Electromagnetic Interference (EMI) related malfunction or a poor connection.

  3. This vehicle is equipped with a PCM which utilizes an electrically erasable programmable read only memory (EEPROM). When the PCM is being replaced, the new PCM must be programmed.

DTC P0103 - MAF Sensor Circuit High Frequency

Step

Action

Values

Yes

No

1

Did you perform the Powertrain On-Board Diagnostic (OBD) System Check?

--

Go to Step 2

Go to Powertrain On Board Diagnostic (OBD) System Check

2

  1. Start the engine.
  2. With a scan tool, observe the MAF Frequency parameter.

Does the scan tool indicate MAF Frequency more than the specified value?

11,500 Hz

Go to Step 4

Go to Step 3

3

  1. Turn ON the ignition, with the engine OFF.
  2. With a scan tool, observe and record the Failure Records data.
  3. Operate the vehicle within Failure Records conditions.
  4. With a scan tool observe the Specific DTC info for DTC P0103.

Does the scan tool indicate DTC P0103 failed this ignition?

--

Go to Step 4

Go to Diagnostic Aids

4

  1. Turn OFF the ignition.
  2. Disconnect the MAF sensor.
  3. Start the engine.
  4. With a scan tool, observe the MAF Frequency parameter.

Does the scan tool indicate the MAF Frequency equal to the specified value?

0 Hz

Go to Step 5

Go to Step 7

5

Inspect for a poor connection at the MAF sensor. Refer to Testing for Intermittent Conditions and Poor Connections and Connector Repairs in Wiring Systems.

Did you find and correct the condition?

--

Go to Step 10

Go to Step 6

6

Replace the MAF sensor. Refer to Mass Airflow Sensor Replacement .

Did you complete the replacement?

--

Go to Step 10

--

7

Inspect the MAF sensor harness for incorrect routing:

  1. Inspect near the secondary ignition wires or coils.
  2. Inspect near the other high voltage components (solenoids, relays, motors).

Did you find and correct the condition?

--

Go to Step 10

Go to Step 8

8

Inspect for poor connections at the PCM. Refer to Testing for Intermittent Conditions and Poor Connections and Connector Repairs in Wiring Systems.

Did you find and correct the condition?

--

Go to Step 10

Go to Step 9

9

Important:: The replacement PCM must be programmed.

Replace the PCM. Refer to Powertrain Control Module Replacement/Programming .

Did you complete the replacement?

--

Go to Step 10

--

10

  1. Use the scan tool in order to record Failure Records and clear the DTCs.
  2. Operate the vehicle within the Failure Record conditions as noted.

Does the DTC reset?

--

Go to Step 2

System OK