GM Service Manual Online
For 1990-2009 cars only
Figure 1:

G101 and G102


Object Number: 710326  Size: FS
Master Electrical Component List
G100, G111 and G113
Figure 2:

G100, G111 and G113


Object Number: 710392  Size: FS
Master Electrical Component List
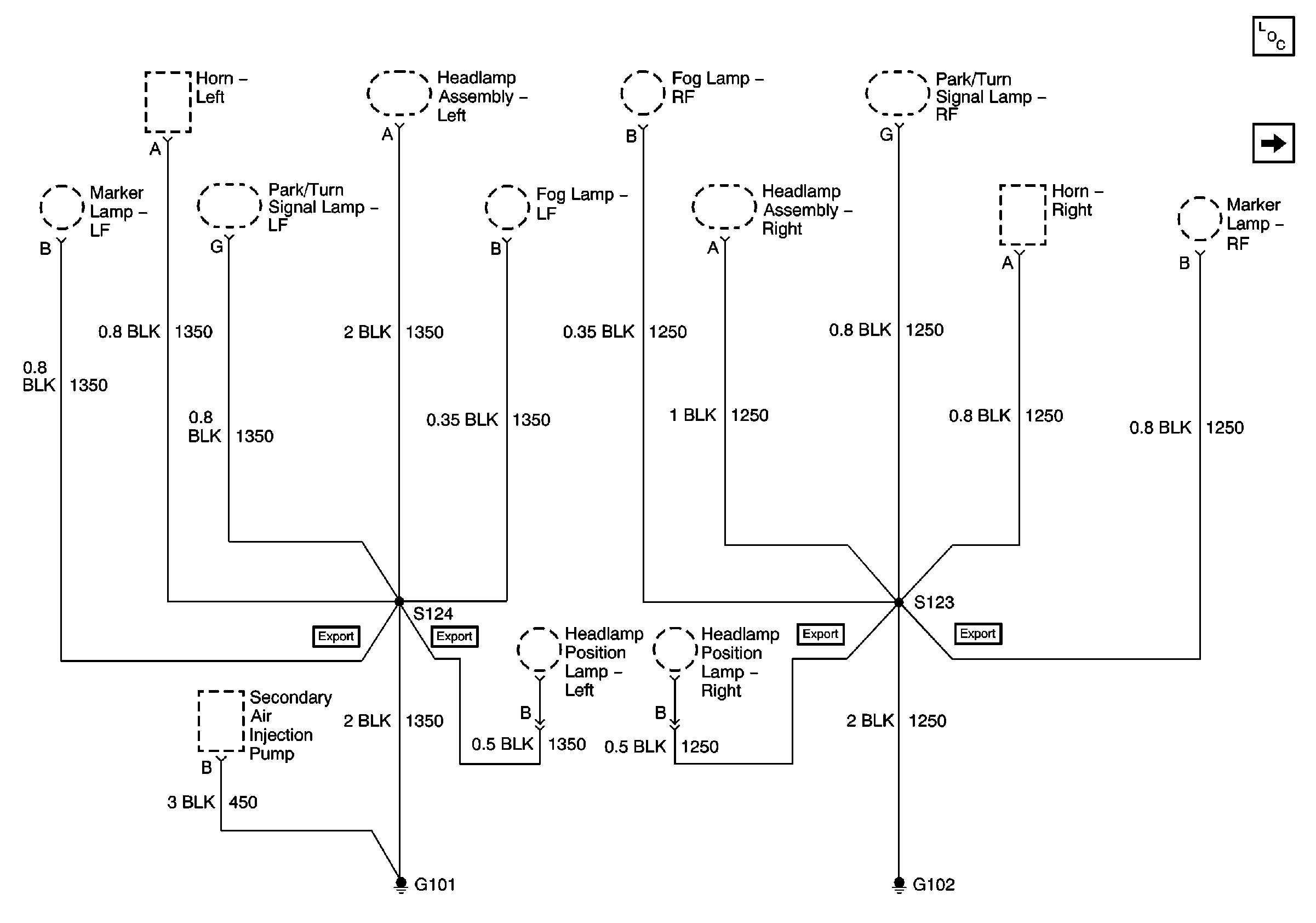
G114 and G117
G101 and G102
Figure 3:

G114 and G117


Object Number: 710413  Size: FS
Master Electrical Component List
G200 (1 of 3)
G100, G111 and G113
Figure 4:

G200 (1 of 3)


Object Number: 710417  Size: FS
G200 (2 of 3)
G200 (3 of 3)
G200 (3 of 3)
Master Electrical Component List
G200 (2 of 3)
G114 and G117
Figure 5:

G200 (2 of 3)


Object Number: 710418  Size: FS
G200 (1 of 3)
Master Electrical Component List
G200 (3 of 3)
G200 (1 of 3)
Figure 6:

G200 (3 of 3)


Object Number: 710540  Size: FS
G200 (1 of 3)
G200 (1 of 3)
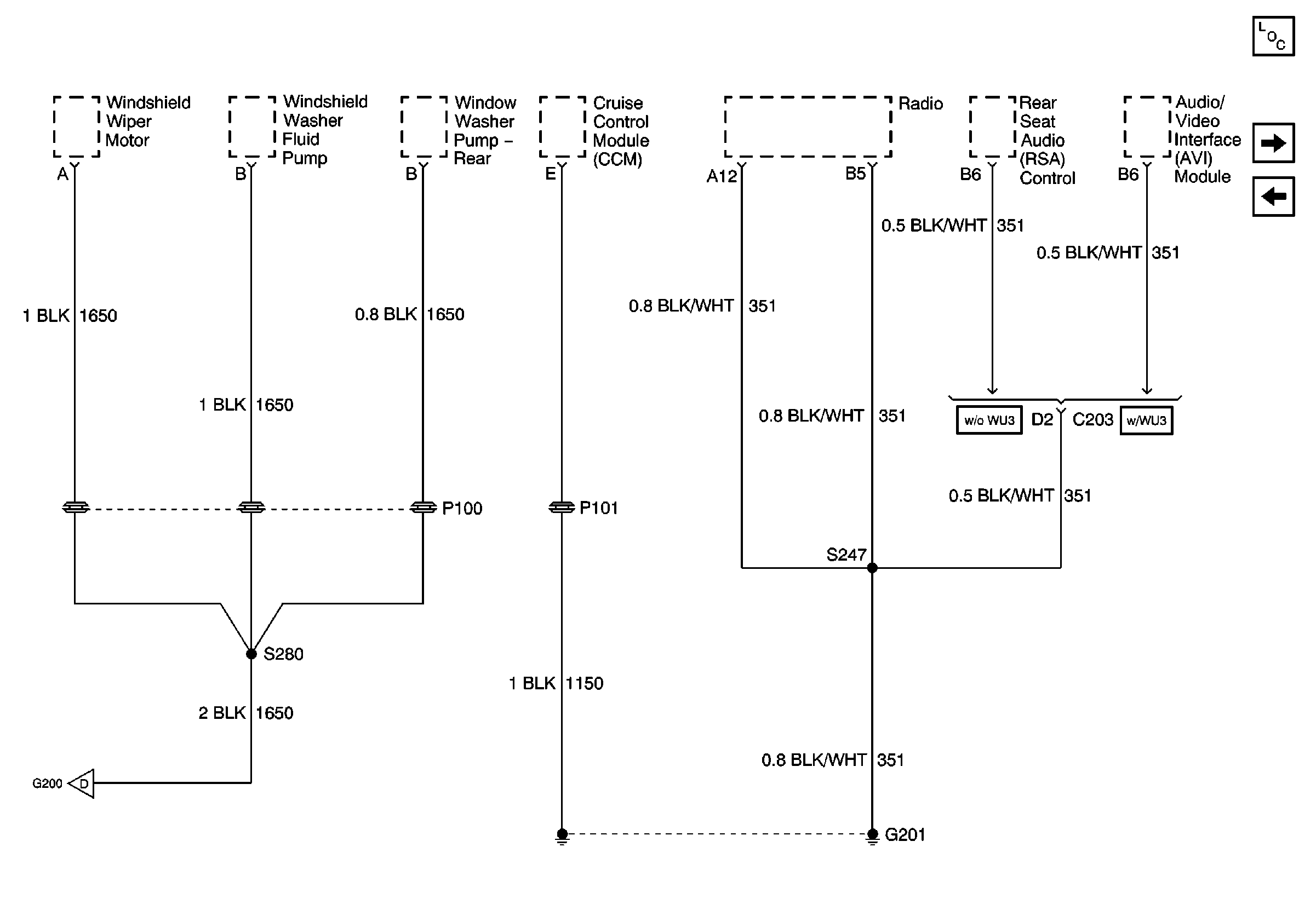
G200 and G201
Master Electrical Component List
G200 and G201
G200 (2 of 3)
Figure 7:

G200 and G201


Object Number: 710426  Size: FS
Master Electrical Component List
G201
G200 (3 of 3)
Figure 8:

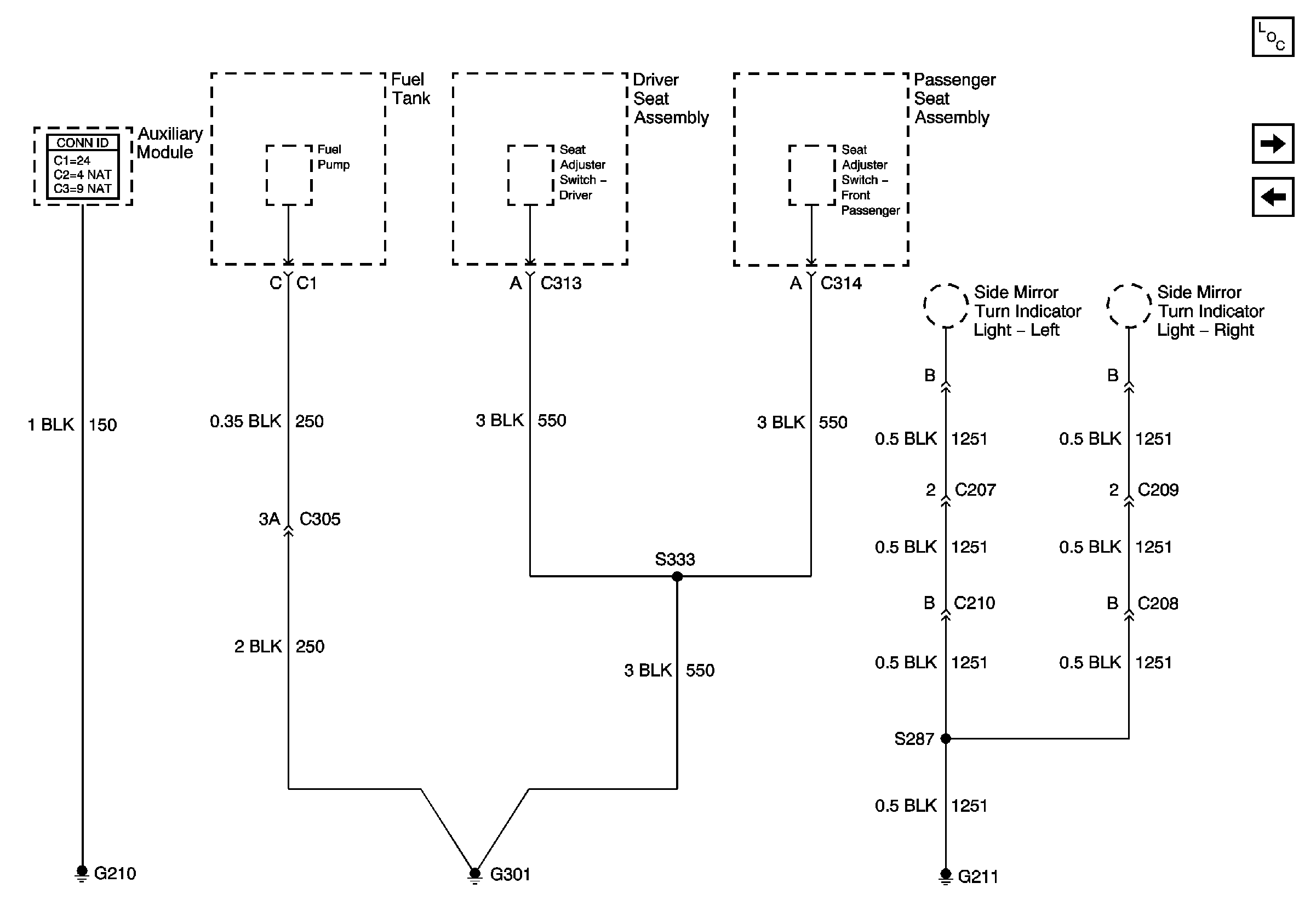
G210 and G301


Object Number: 710435  Size: FS
Master Electrical Component List
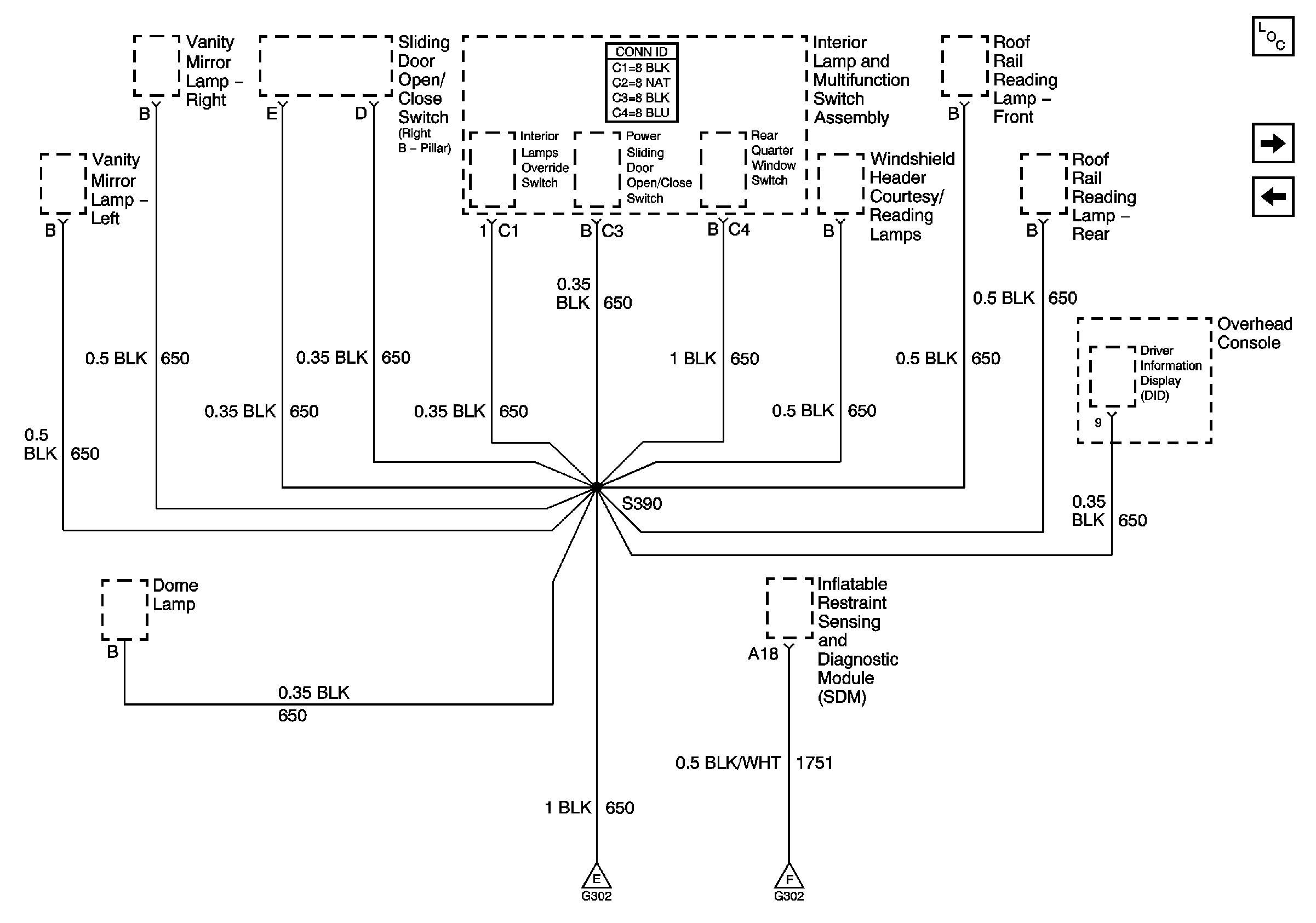
G302 (1 of 2)
G201
Figure 9:

G302 (1 of 2)


Object Number: 710454  Size: FS
G302 (2 of 2)
G302 (2 of 2)
Master Electrical Component List
G302 (2 of 2)
G210 and G301
Figure 10:

G302 (2 of 2)


Object Number: 710456  Size: FS
G302 (1 of 2)
G302 (1 of 2)
Master Electrical Component List
G401
G302 (1 of 2)
Figure 11:

G401


Object Number: 710459  Size: FS
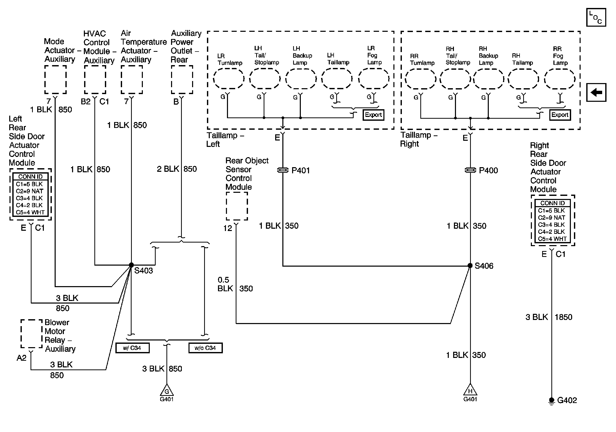
G401 and G402
G401 and G402
Master Electrical Component List
G401 and G402
G302 (2 of 2)
Figure 12:

G401 and G402


Object Number: 710463  Size: FS
G401
Master Electrical Component List
G401