GM Service Manual Online
For 1990-2009 cars only
Makes
🢒
Chevrolet
🢒
2001
🢒
Venture Ext.
🢒
Body and Accessories
🢒
Stationary Windows
🢒 Defogger Schematics
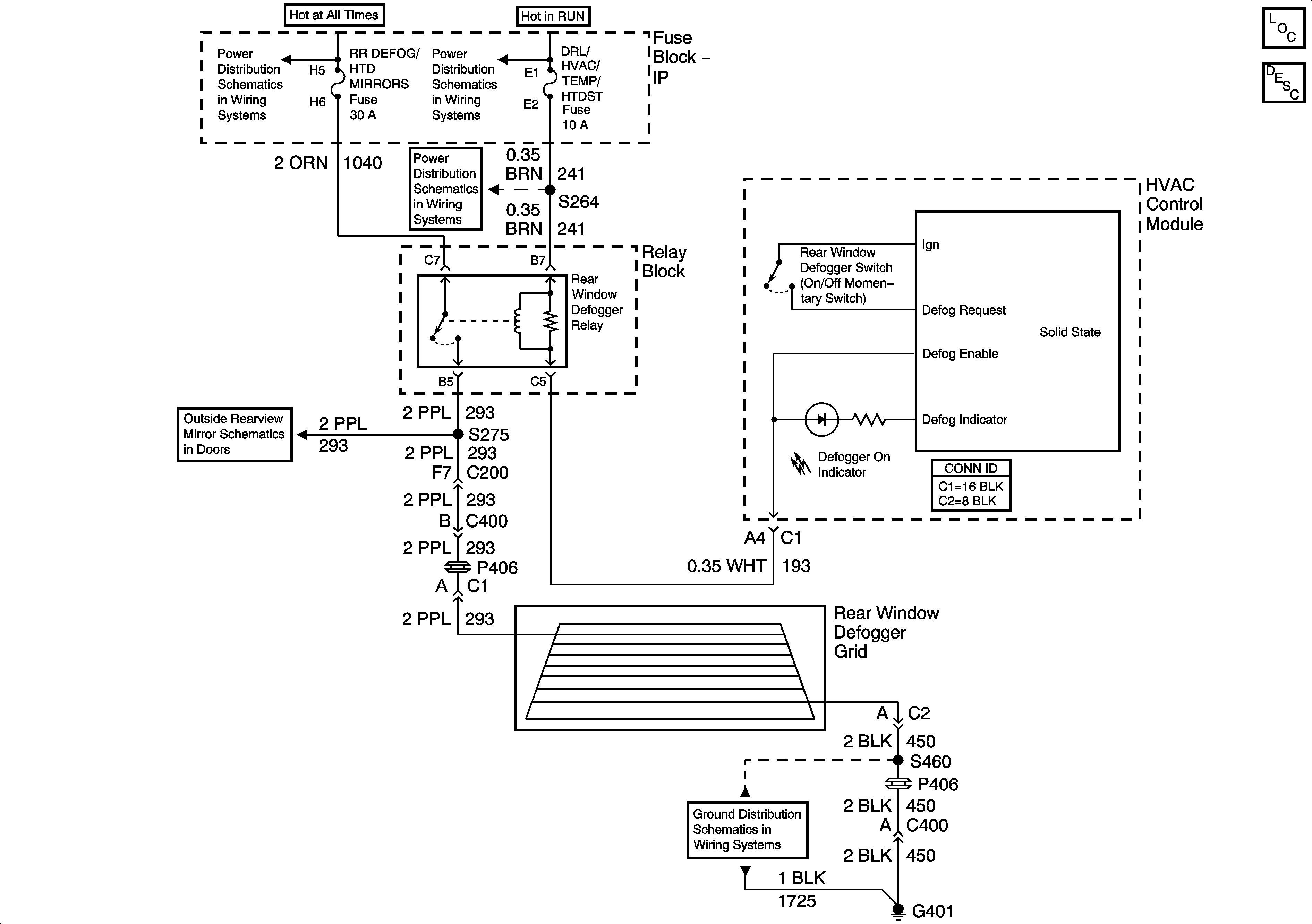
Defogger
BATT MAIN 2, ELC/TRAILER, RR DEFOG, RR FOG LP Fuses and PWR/HEATED SEAT PSD Circuit Breaker
DRL/HVAC/TEMP/HTD ST, HVAC BLOWER and RR HVAC/TEMP CONT Fuses
DRL/HVAC/TEMP/HTD ST, HVAC BLOWER and RR HVAC/TEMP CONT Fuses
G302 (2 of 2)
G302 (2 of 2)
G401
G200 (1 of 3)
Master Electrical Component List
Rear Window Defogger Description and Operation