GM Service Manual Online
For 1990-2009 cars only
Makes
🢒
Chevrolet
🢒
2001
🢒
Venture Ext.
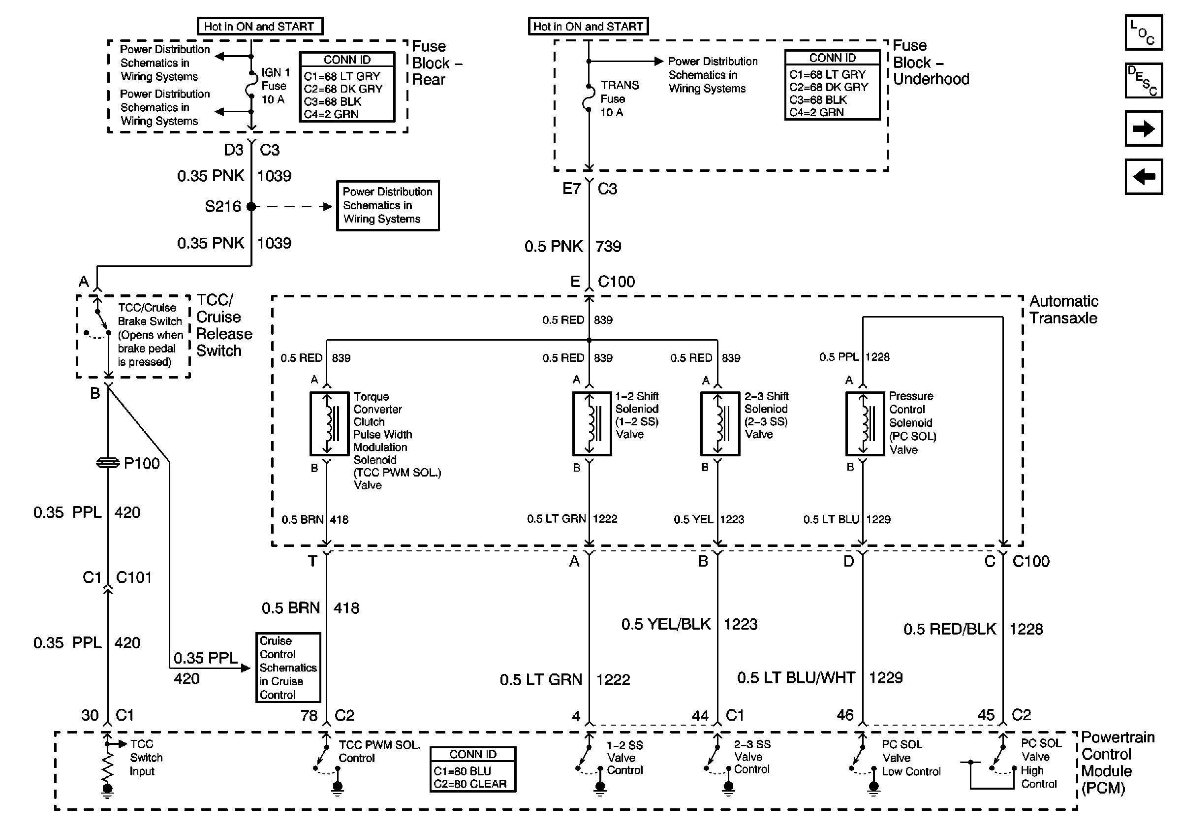
🢒 Power Feed to the Transaxle and the Solenoid Controls
Power Feed to the Transaxle and the Solenoid Controls
Power Feed to the Transaxle and the Solenoid Controls
Master Electrical Component List
Transmission Component and System Description
Transaxle Inputs
Internal Mode Switch Inputs
IGN 1, VENT SOL, and SIR Fuses (Fuse Block - Rear)
IGN 1, VENT SOL, and SIR Fuses (Fuse Block - Rear)
IGN 1, VENT SOL, and SIR Fuses (Fuse Block - Rear)
TRANS, DIS, OXY SEN, IGN 1 Fuses and the IGN-1 and AIR PUMP Relays( Fuse Block - Underhood)
Power, Ground, and Switches