GM Service Manual Online
For 1990-2009 cars only
Makes
🢒
Chevrolet
🢒
2001
🢒
Venture Ext.
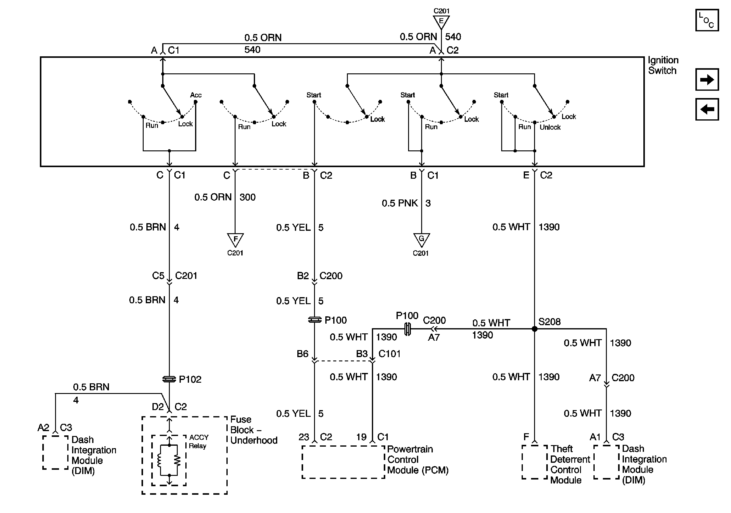
🢒 Ignition Switch Positions
Ignition Switch Positions
Ignition Switch Positions
Master Electrical Component List
Ignition Switch RUN and START/RUN Positions
IGN SW, PRK/REV Fuses and the PARK and REVERSE Relays (Fuse Block -Rear)
Ignition Switch RUN and START/RUN Positions
Ignition Switch RUN and START/RUN Positions
IGN SW, PRK/REV Fuses and the PARK and REVERSE Relays (Fuse Block -Rear)