GM Service Manual Online
For 1990-2009 cars only
Makes
🢒
Chevrolet
🢒
2001
🢒
Venture Ext.
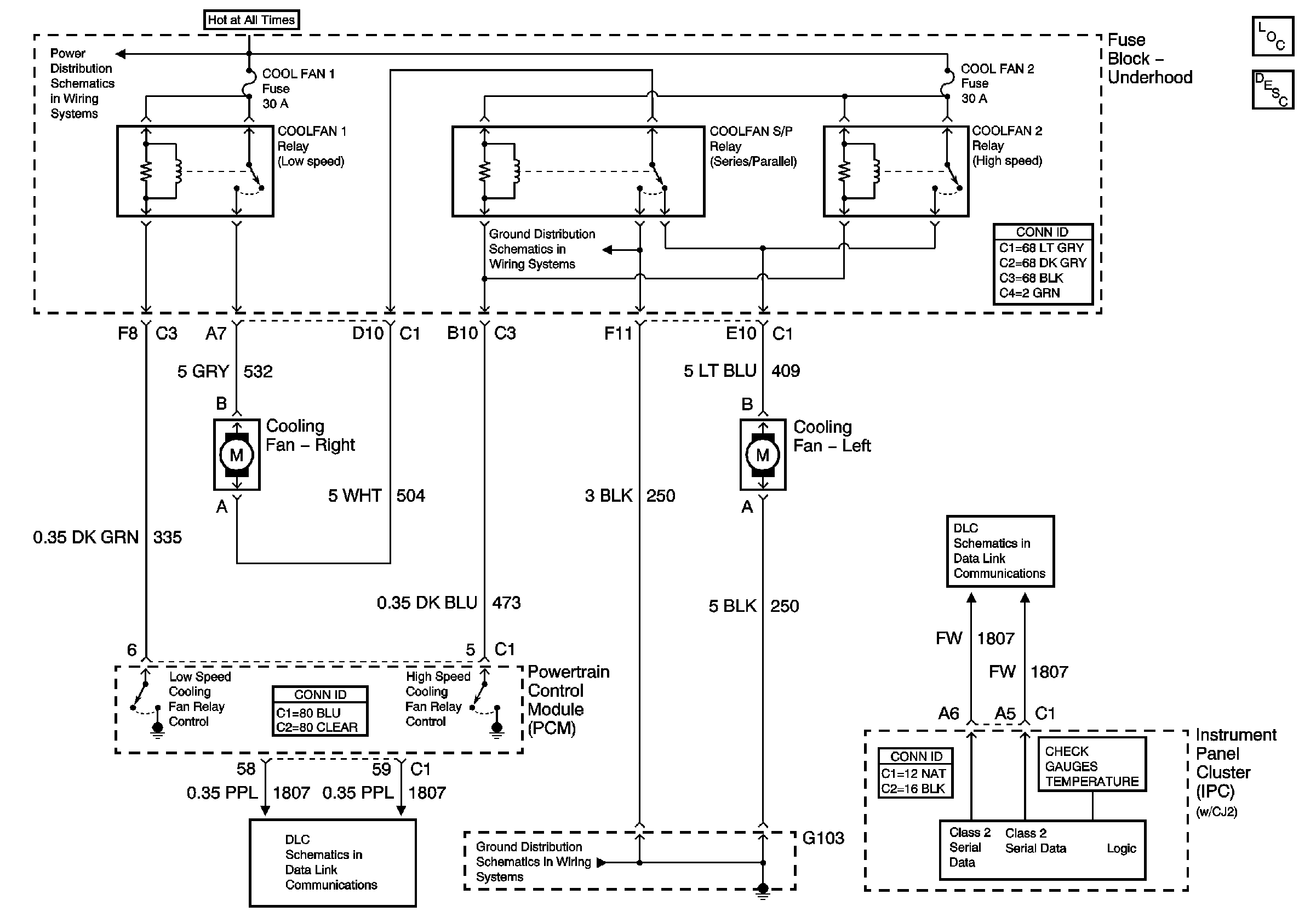
🢒 Engine Cooling Schematic
Engine Cooling Schematic
Master Electrical Component List
Battery Feed to the Fuse Block - Underhood
G103
Class 2 Serial Data
Class 2 Serial Data