GM Service Manual Online
For 1990-2009 cars only
Makes
🢒
Chevrolet
🢒
2001
🢒
Venture Ext.
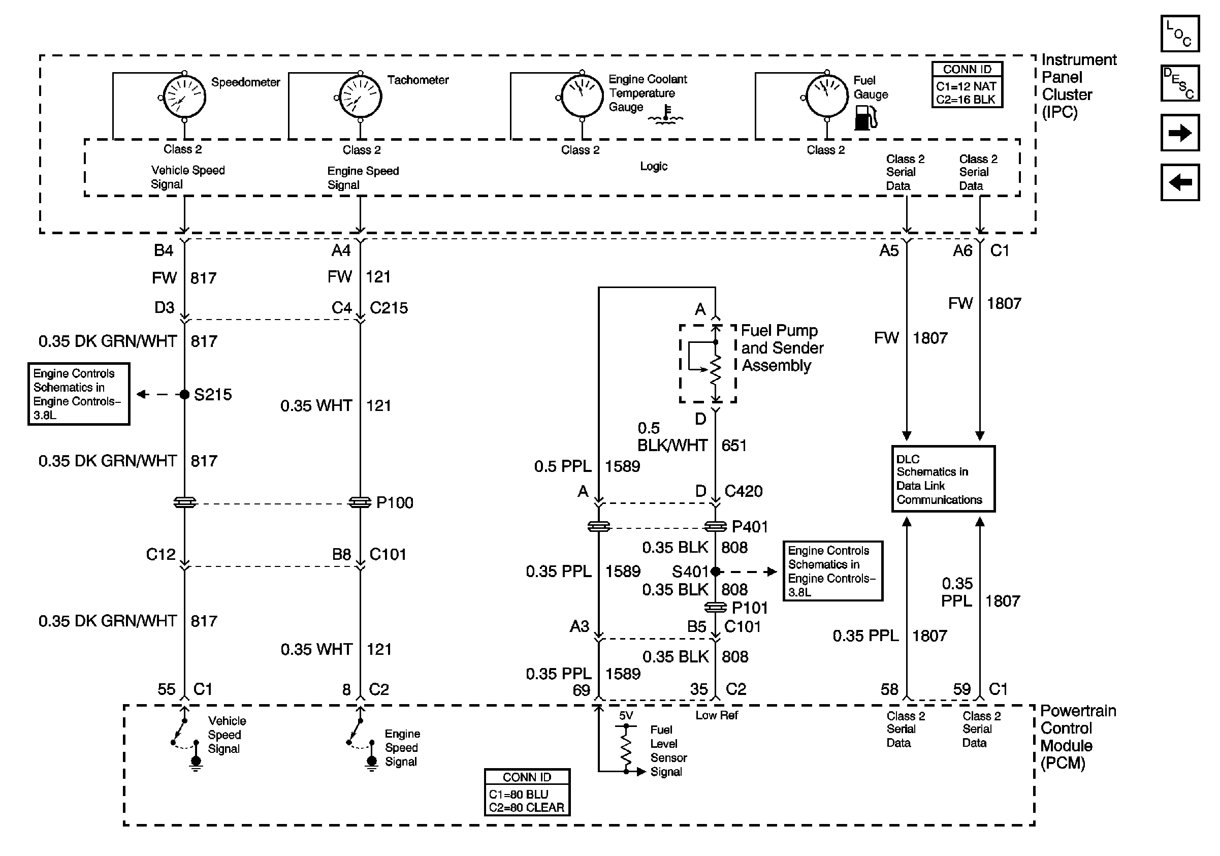
🢒 PCM Signals - Speedometer, Tachometer, and Fuel Indicators
PCM Signals - Speedometer, Tachometer, and Fuel Indicators
PCM Signals -- Speedometer, Tachometer, and Fuel Indicators
Master Electrical Component List
VSS Signals
Fuel Sensor and EVAP Solenoid Controls
Class 2 Serial Data
PCM Signals - Boost, Engine Oil, and Volt Indicators
Power, Ground, and Class 2