GM Service Manual Online
For 1990-2009 cars only
Figure 1:

Driver Side Power Seat, Ground, and Switches


Object Number: 1208626  Size: FS
Master Electrical Component List
Power Seats System Description and Operation
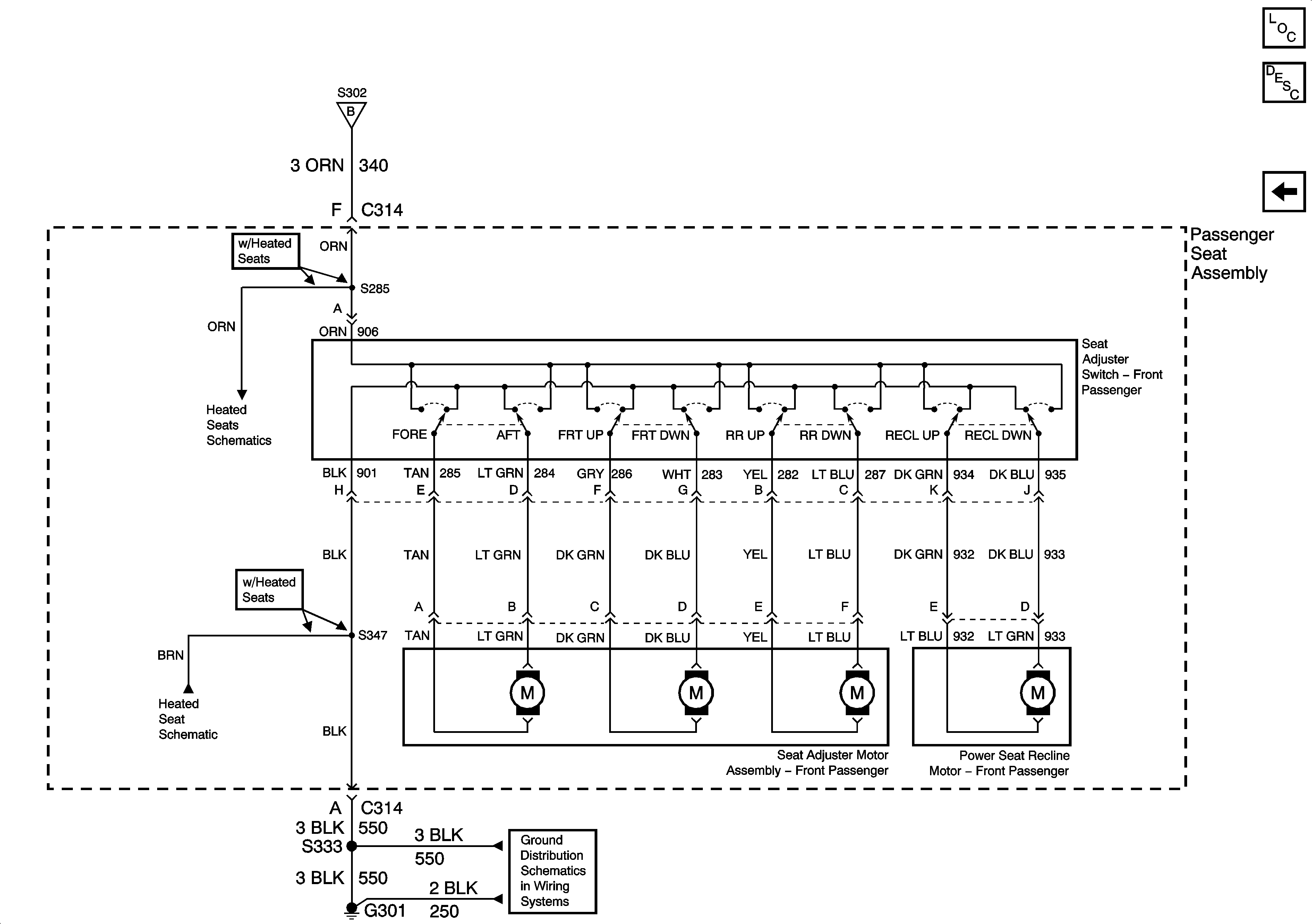
Passenger Side Power Seat, Ground and Switches
Passenger Side Power Seat, Ground and Switches
Ground, Memory Seat Switch, and Memory Seat Module (MSM)
Heated Seats
Heated Seats
G210 and G301
Figure 2:

Passenger Side Power Seat, Ground, and Switches


Object Number: 1208627  Size: FS
Master Electrical Component List
Power Seats System Description and Operation
Driver Side Power Seat, Ground and Switches
Driver Side Power Seat, Ground and Switches
Heated Seats
Heated Seats
G210 and G301
Figure 3:

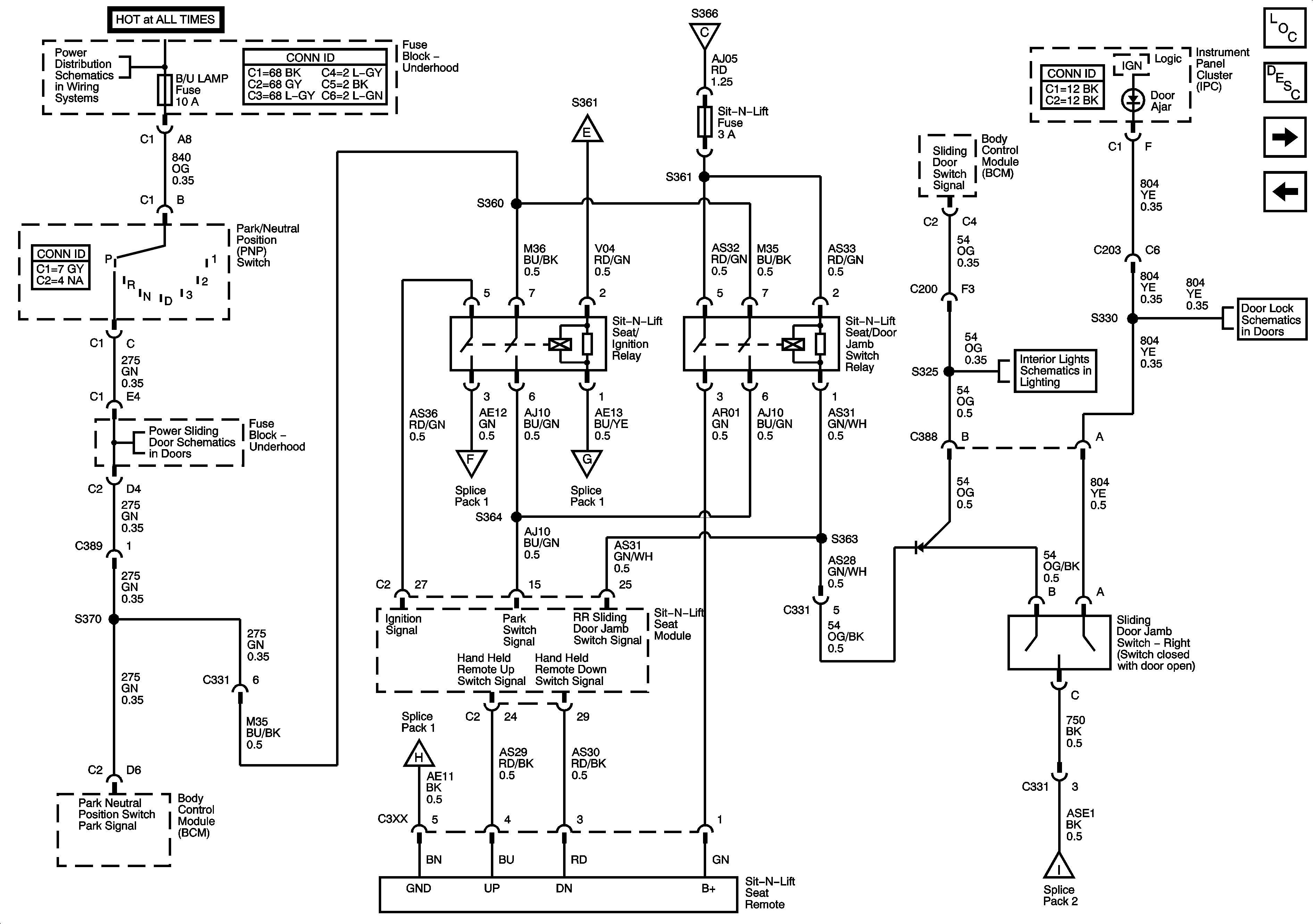
Sit-N-Lift Seat Power and Ground


Object Number: 1386092  Size: FS
Power Seat Component Views
Sit-N-Lift Mobility Seat Description and Operation
Mobility Seat Remote and PNP Switch
IGN Main 1, SDM, T/SIG, CRUISE and PCM PASS KEY/CLUSTER Fuses
Automatic Transmission Shift Lock Control Schematics
Mobility Seat Remote and PNP Switch
Mobility Seat Remote and PNP Switch
Mobility Seat Remote and PNP Switch
Mobility Seat Remote and PNP Switch
Mobility Seat Module and Limit Switches
Figure 4:

Sit-N-Lift Seat Remote and PNP Setting


Object Number: 1386146  Size: FS
Power Seat Component Views
Sit-N-Lift Mobility Seat Description and Operation
Mobility Seat Module and Limit Switches
Mobility Seat Power and Ground
Right Door PSD Switches, Park/Neutral Switch and RCDLR
Door Locks, Sliding Door Jamb Switches and Liftgate Door Lock
IPC DOOR AJAR Telltale
Mobility Seat Power and Ground
Mobility Seat Module and Limit Switches
Mobility Seat Power and Ground
Mobility Seat Power and Ground
Mobility Seat Power and Ground
Mobility Seat Module and Limit Switches
Figure 5:

Sit-N-Lift Seat Module and Limit Switches


Object Number: 1386154  Size: FS
Power Seat Component Views
Sit-N-Lift Mobility Seat Description and Operation
Mobility Seat Remote and PNP Switch
Passenger Side Power Seat, Ground and Switches
Mobility Seat Remote and PNP Switch
Mobility Seat Power and Ground
Mobility Seat Remote and PNP Switch