GM Service Manual Online
For 1990-2009 cars only
Makes
🢒
Chevrolet
🢒
2004
🢒
Vivant
🢒
Engine
🢒
Engine Electrical
🢒 Starting and Charging Schematics
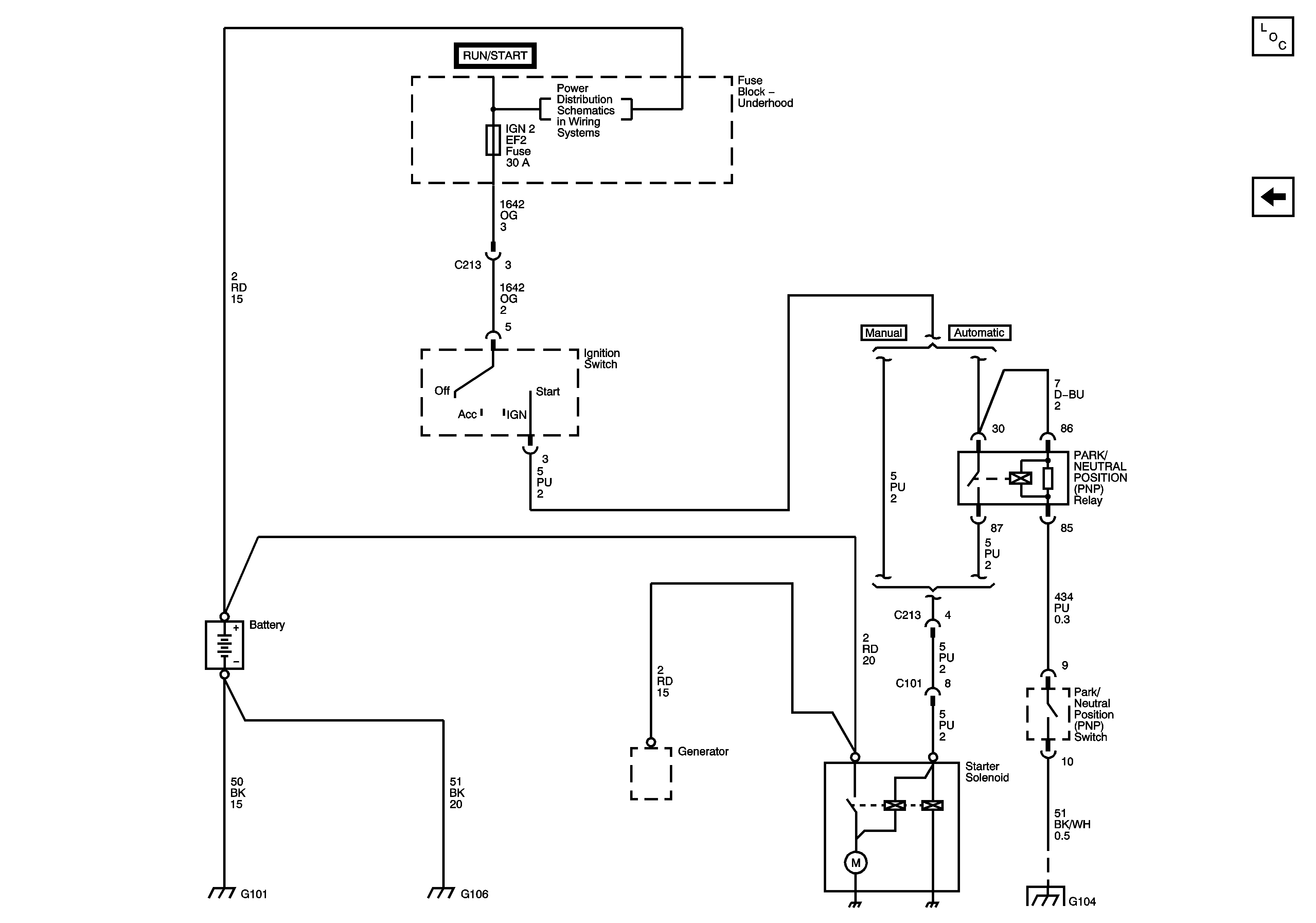
Figure
1:
Generator
Master Electrical Component List
Starter
Underhood Fuse Block - Battery Feeds
ENGINE MAIN and FUEL PUMP Fuses (MR-140)
CLUSTER, AIR BAG, TURN SIGNAL, and CRUISE Fuses (LHD)
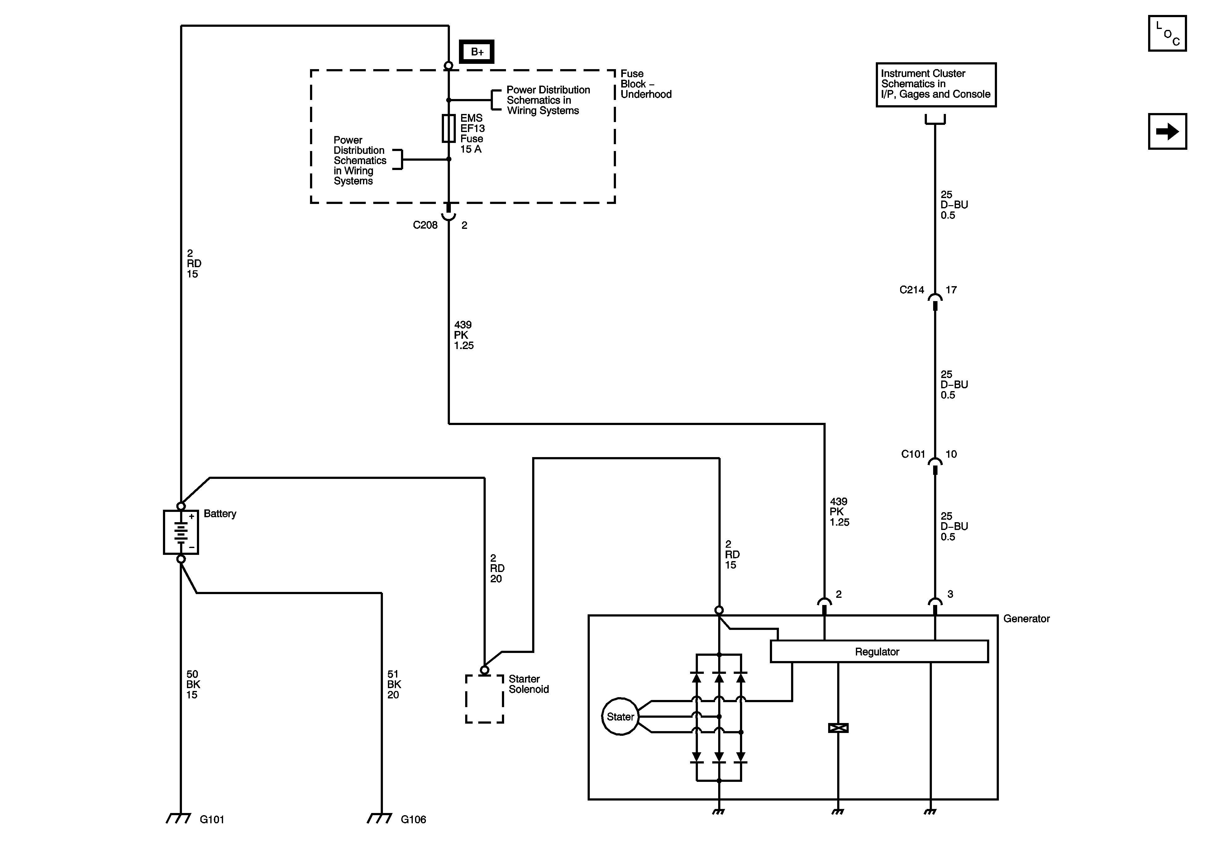
Figure
2:
Starter
Master Electrical Component List
Generator
Underhood Fuse Block - Battery Feeds