GM Service Manual Online
For 1990-2009 cars only
Figure 1:

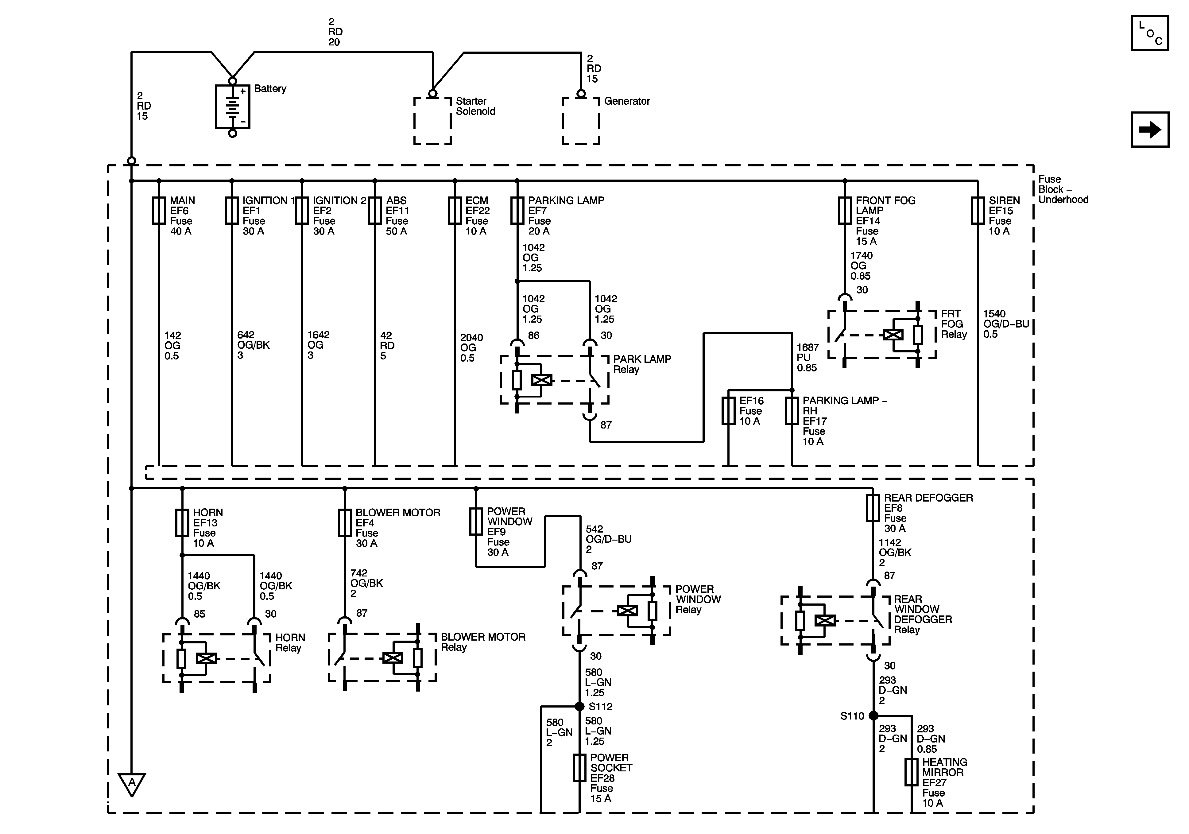
Underhood Fuse Block - Battery Feeds


Object Number: 1346232  Size: FS
Master Electrical Component List
Underhood Fuse Block - Battery Feeds
Underhood Fuse Block - Battery Feeds
Figure 2:

Underhood Fuse Block - Battery Feeds


Object Number: 1346234  Size: FS
Master Electrical Component List
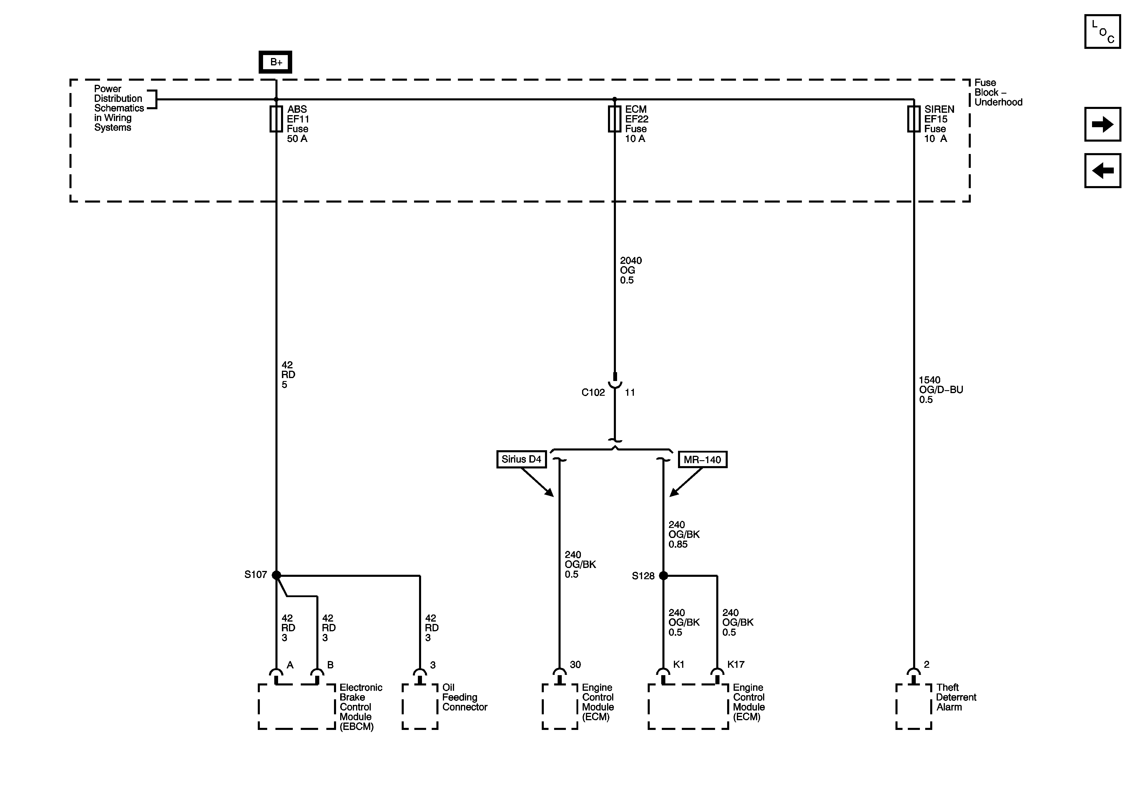
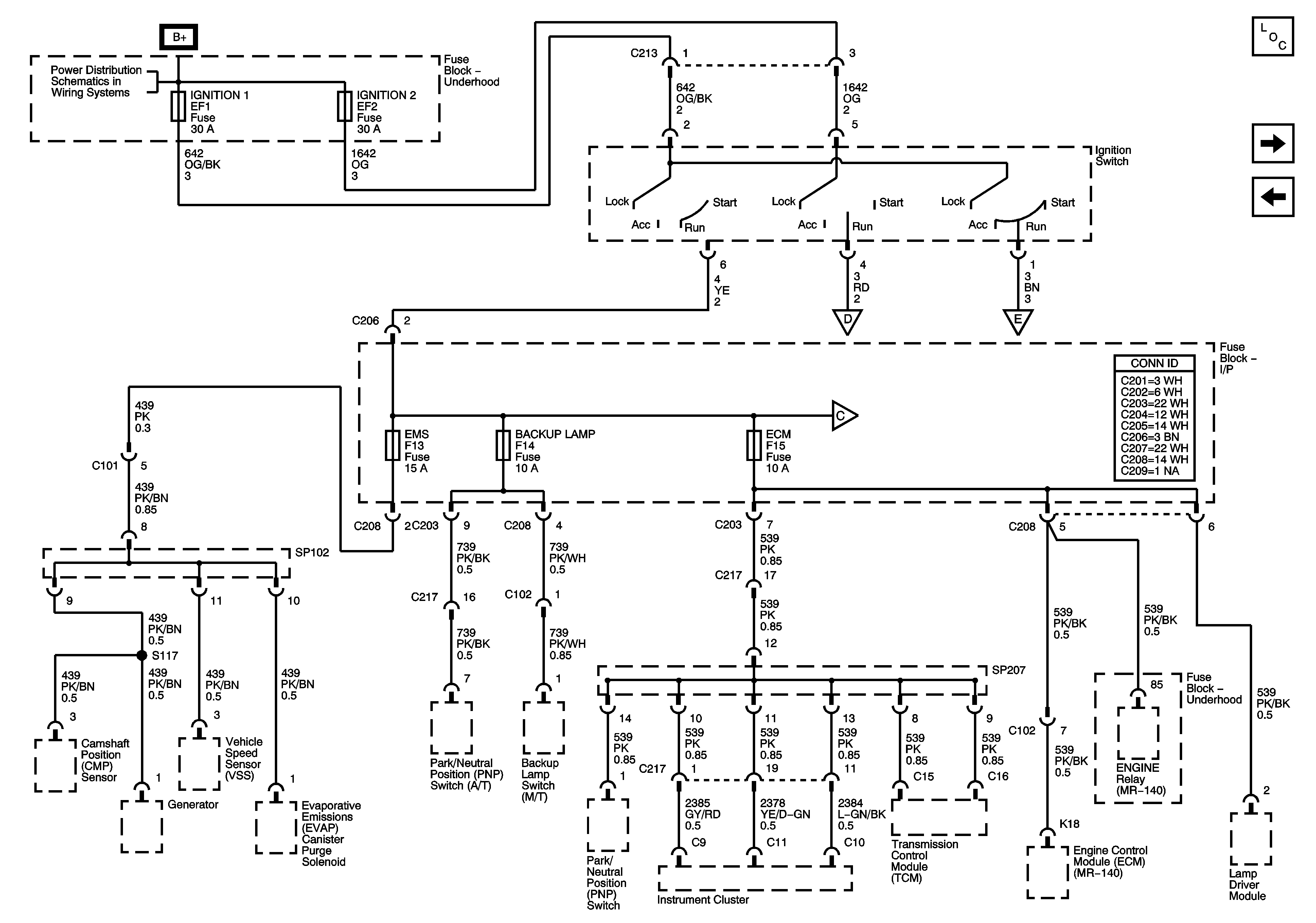
ABS, ECM and SIREN Fuses
Underhood Fuse Block - Battery Feeds
Underhood Fuse Block - Battery Feeds
Figure 3:

ABS, ECM, and SIREN Fuses


Object Number: 1346237  Size: FS
Master Electrical Component List
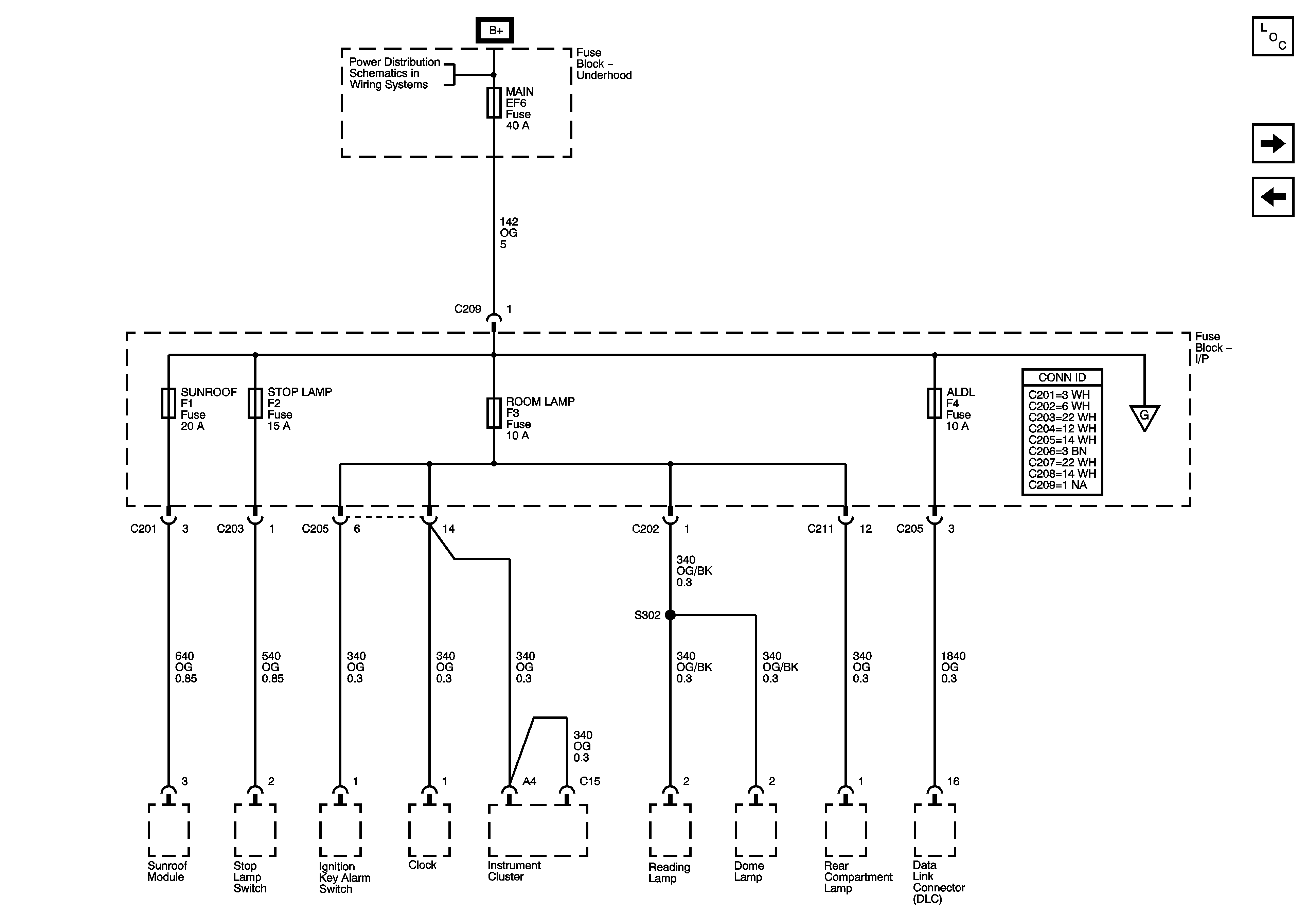
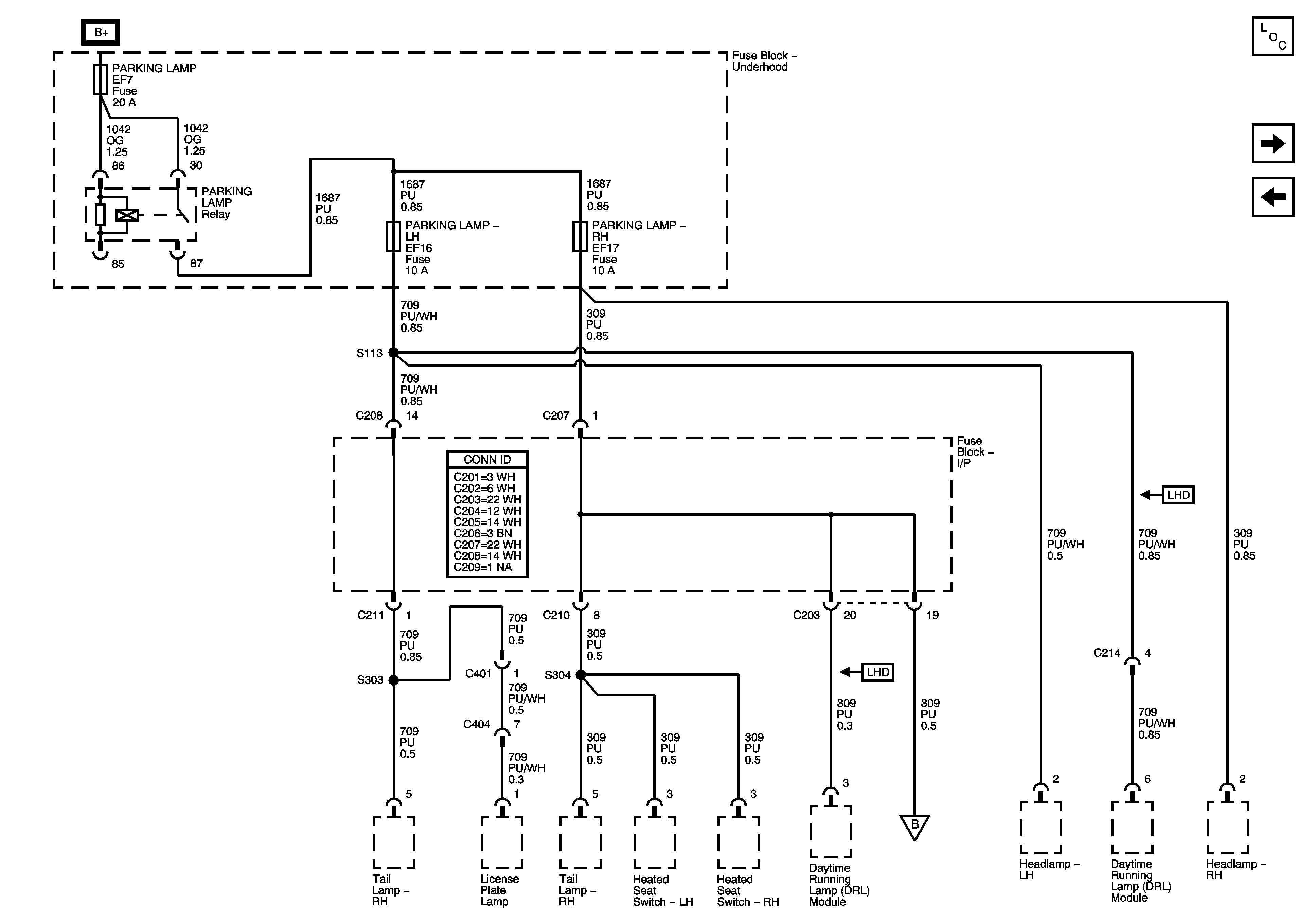
PARKING LAMP LH, PARKING LAMP RH Fuses, PARKING LAMP Relay
Underhood Fuse Block - Battery Feeds
Figure 4:

PARKING LAMP LH, PARKING LAMP RH Fuses, PARKING LAMP Relay


Object Number: 1346238  Size: FS
Master Electrical Component List
PARKING LAMP LH, PARKING LAMP RH Fuses, PARKING LAMP Relay Continued (LHD)
ABS, ECM and SIREN Fuses
PARKING LAMP LH, PARKING LAMP RH Fuses, PARKING LAMP Relay Continued (LHD)
Figure 5:

PARKING LAMP LH, PARKING LAMP RH Fuses, PARKING LAMP Relay Continued (LHD)


Object Number: 1346239  Size: FS
Master Electrical Component List
PARKING LAMP, LH, PARKING LAMP RH Fuses, PARKING LAMP Relay Continued (RHD)
PARKING LAMP LH, PARKING LAMP RH Fuses, PARKING LAMP Relay
PARKING LAMP LH, PARKING LAMP RH Fuses, PARKING LAMP Relay
Figure 6:

PARKING LAMP LH, PARKING LAMP RH Fuses, PARKING LAMP Relay Continued (RHD)


Object Number: 1478504  Size: FS
Master Electrical Component List
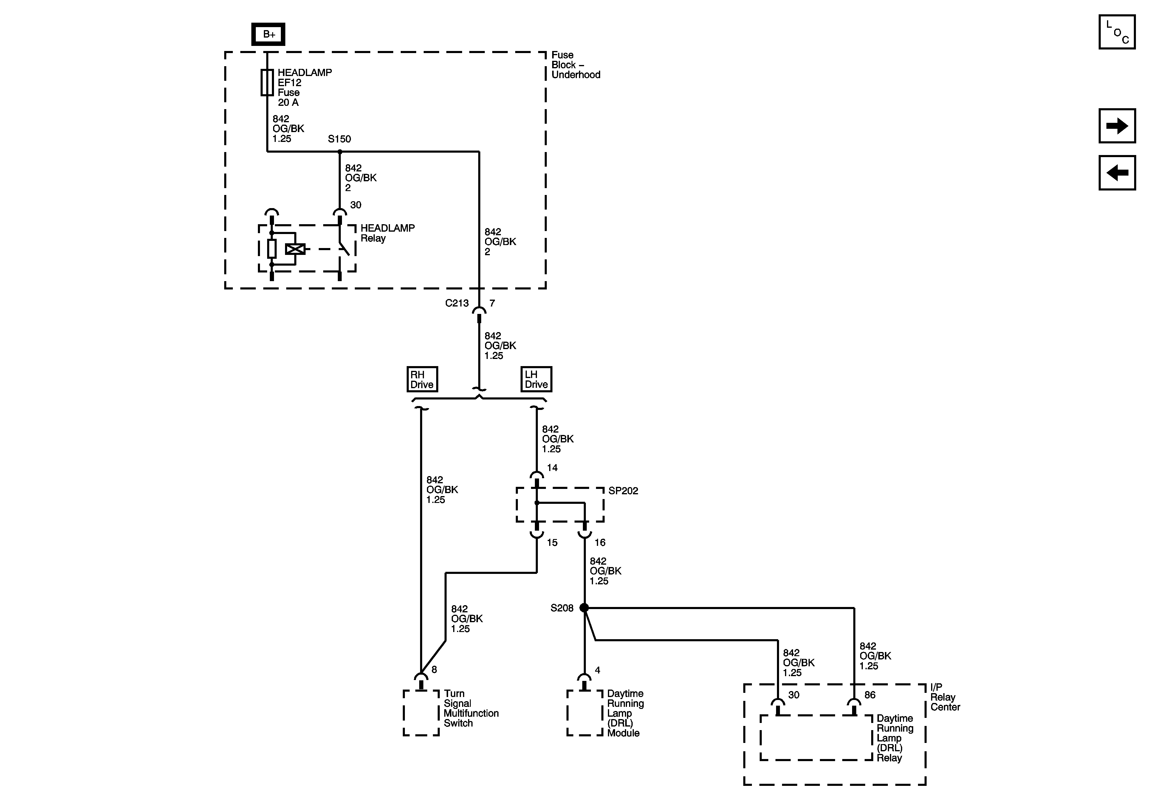
HEADLAMP Fuse and HEADLAMP Relay
PARKING LAMP LH, PARKING LAMP RH Fuses, PARKING LAMP Relay Continued (LHD)
PARKING LAMP LH, PARKING LAMP RH Fuses, PARKING LAMP Relay Continued (LHD)
Figure 7:

HEADLAMP Fuse and HEADLAMP Relay


Object Number: 1346240  Size: FS
Master Electrical Component List
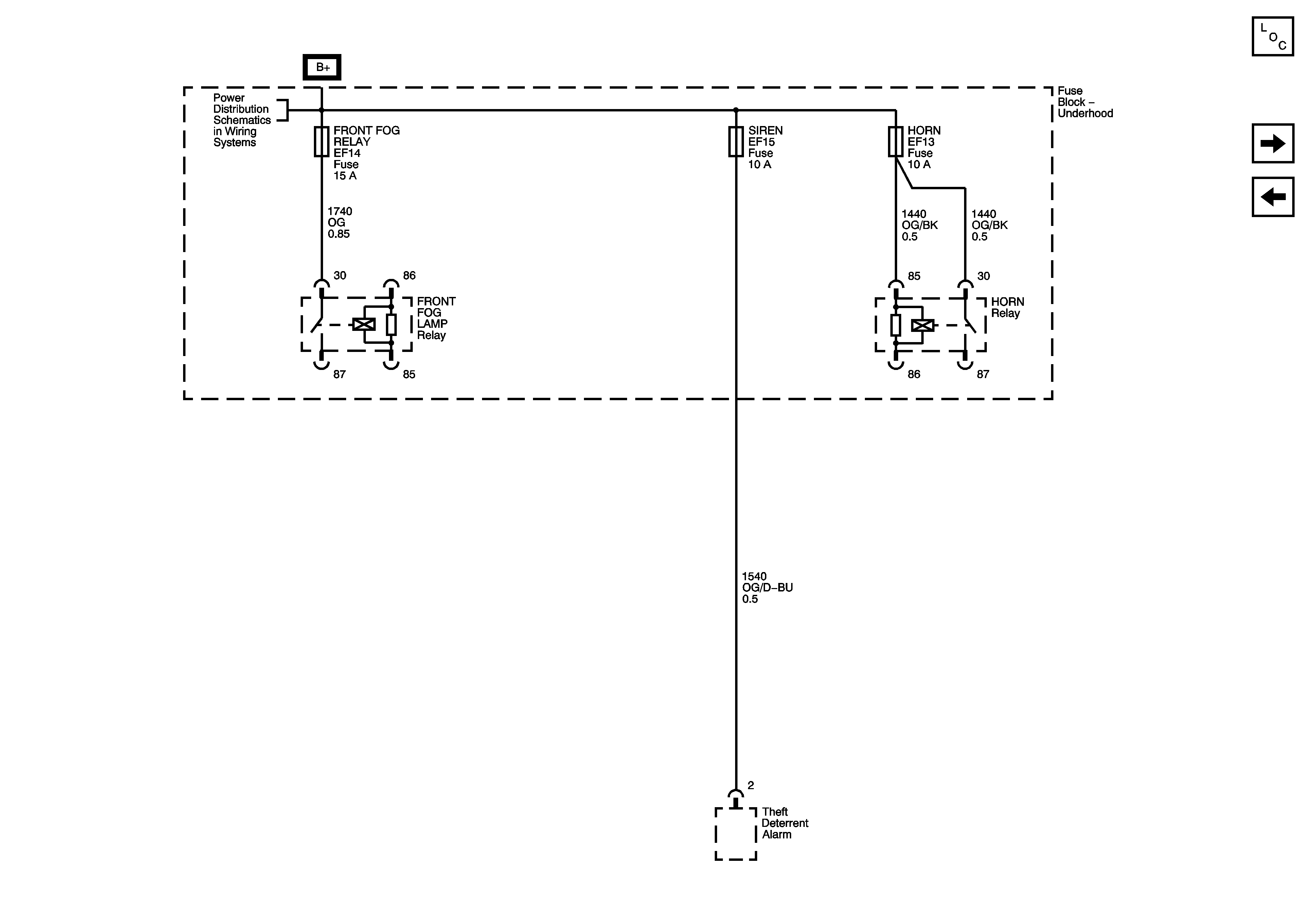
FRONT FOG Relay, SIREN and HORN Fuses
PARKING LAMP, LH, PARKING LAMP RH Fuses, PARKING LAMP Relay Continued (RHD)
Figure 8:

FRONT FOG Relay, SIREN and HORN Fuses


Object Number: 1346244  Size: FS
Master Electrical Component List
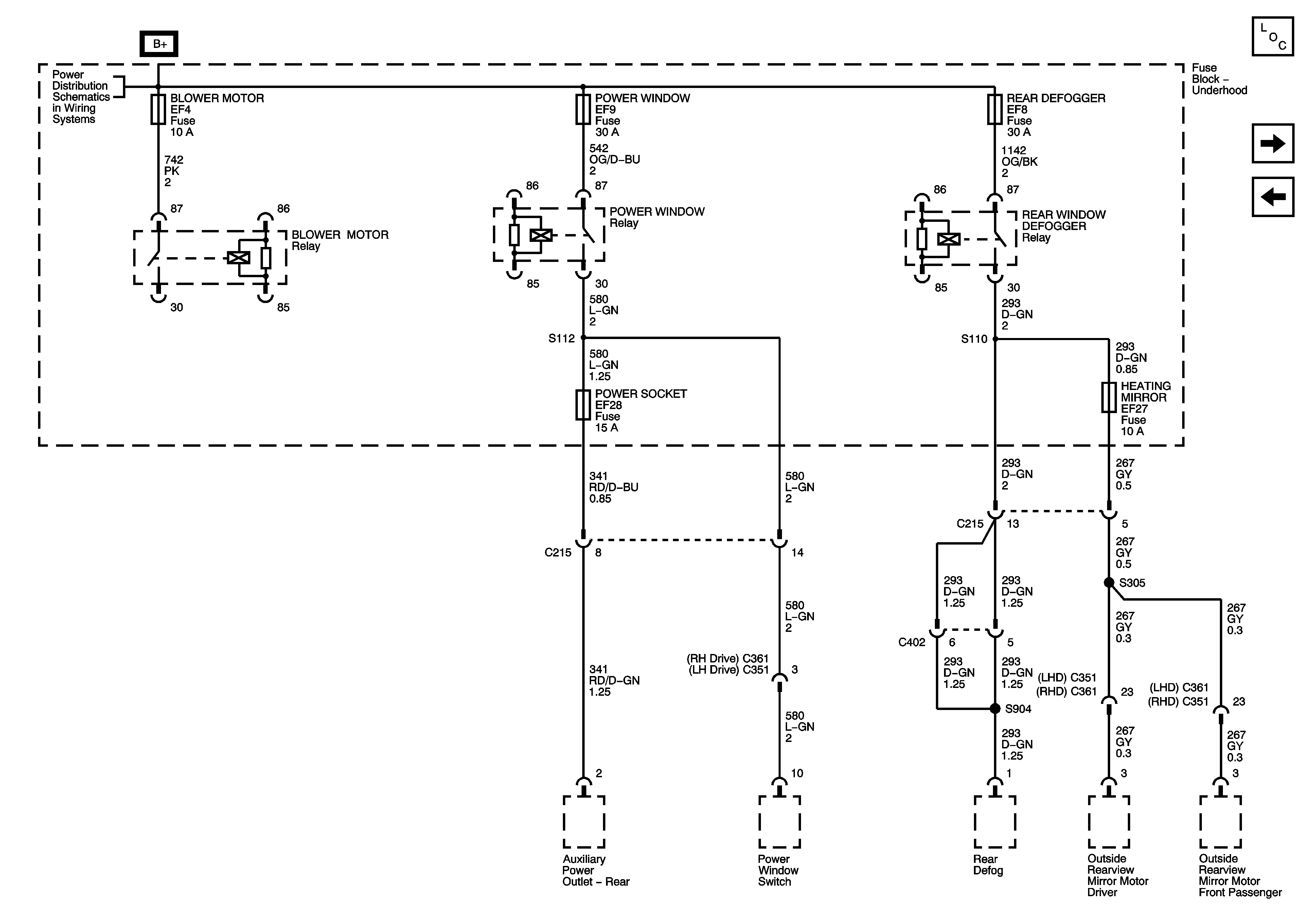
BLOWER MOTOR, POWER WINDOW, and REAR DEFOGGER Fuses
HEADLAMP Fuse and HEADLAMP Relay
Figure 9:

BLOWER MOTOR, POWER WINDOW, and REAR DEFOGGER Fuses


Object Number: 1346245  Size: FS
Master Electrical Component List
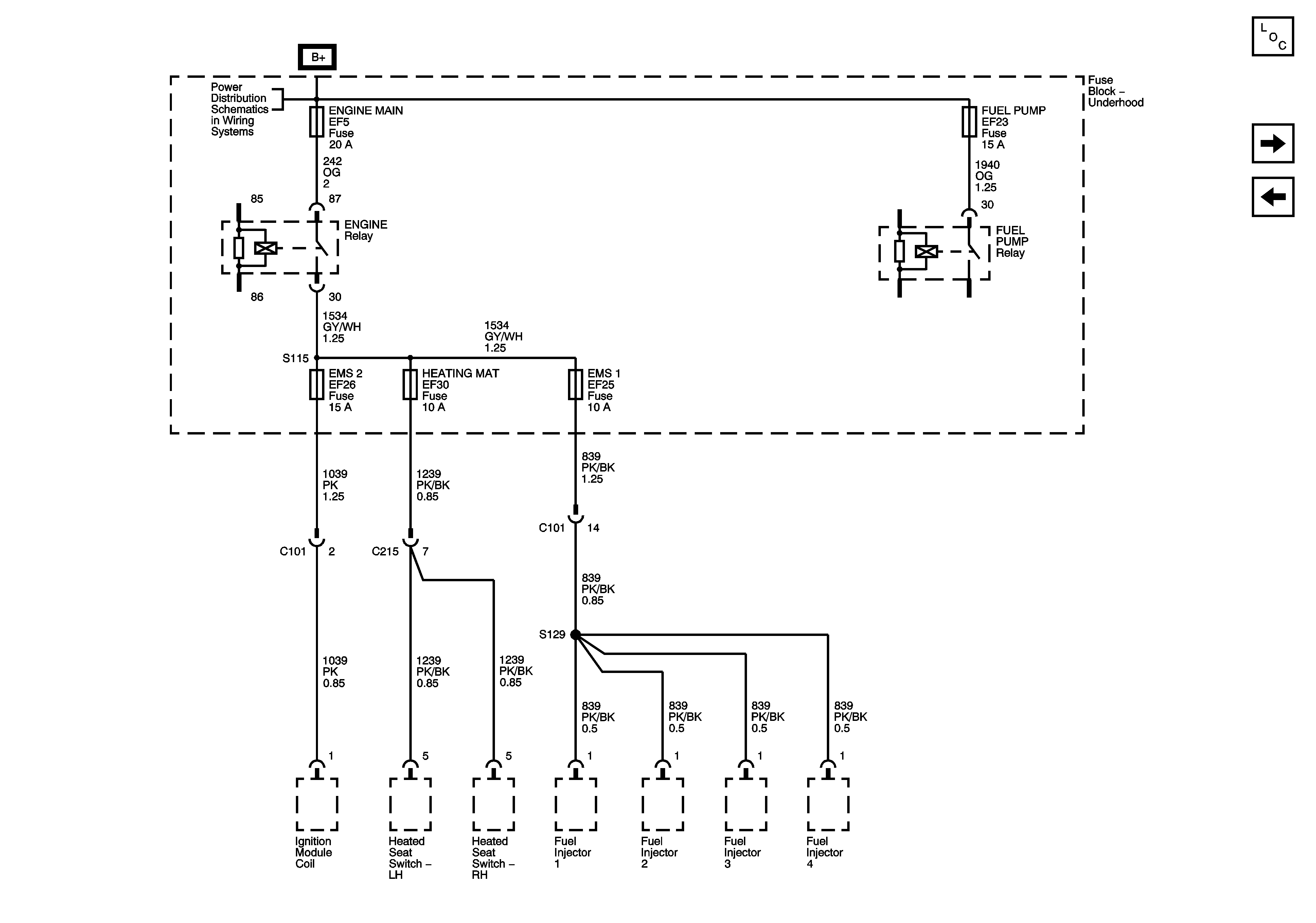
ENGINE MAIN and FUEL PUMP Fuses (MR-140)
FRONT FOG Relay, SIREN and HORN Fuses
Figure 10:

ENGINE MAIN and FUEL PUMP Fuses (MR-140)


Object Number: 1346248  Size: FS
Master Electrical Component List
ENGINE MAIN and FUEL PUMP Fuses (ITMS)
BLOWER MOTOR, POWER WINDOW, and REAR DEFOGGER Fuses
Figure 11:

ENGINE MAIN and FUEL PUMP Fuses (ITMS)


Object Number: 1346249  Size: FS
Master Electrical Component List
ENGINE MAIN and FUEL PUMP Fuses (Sirius)
ENGINE MAIN and FUEL PUMP Fuses (MR-140)
Figure 12:

ENGINE MAIN and FUEL PUMP Fuses (Sirius)


Object Number: 1346250  Size: FS
Master Electrical Component List
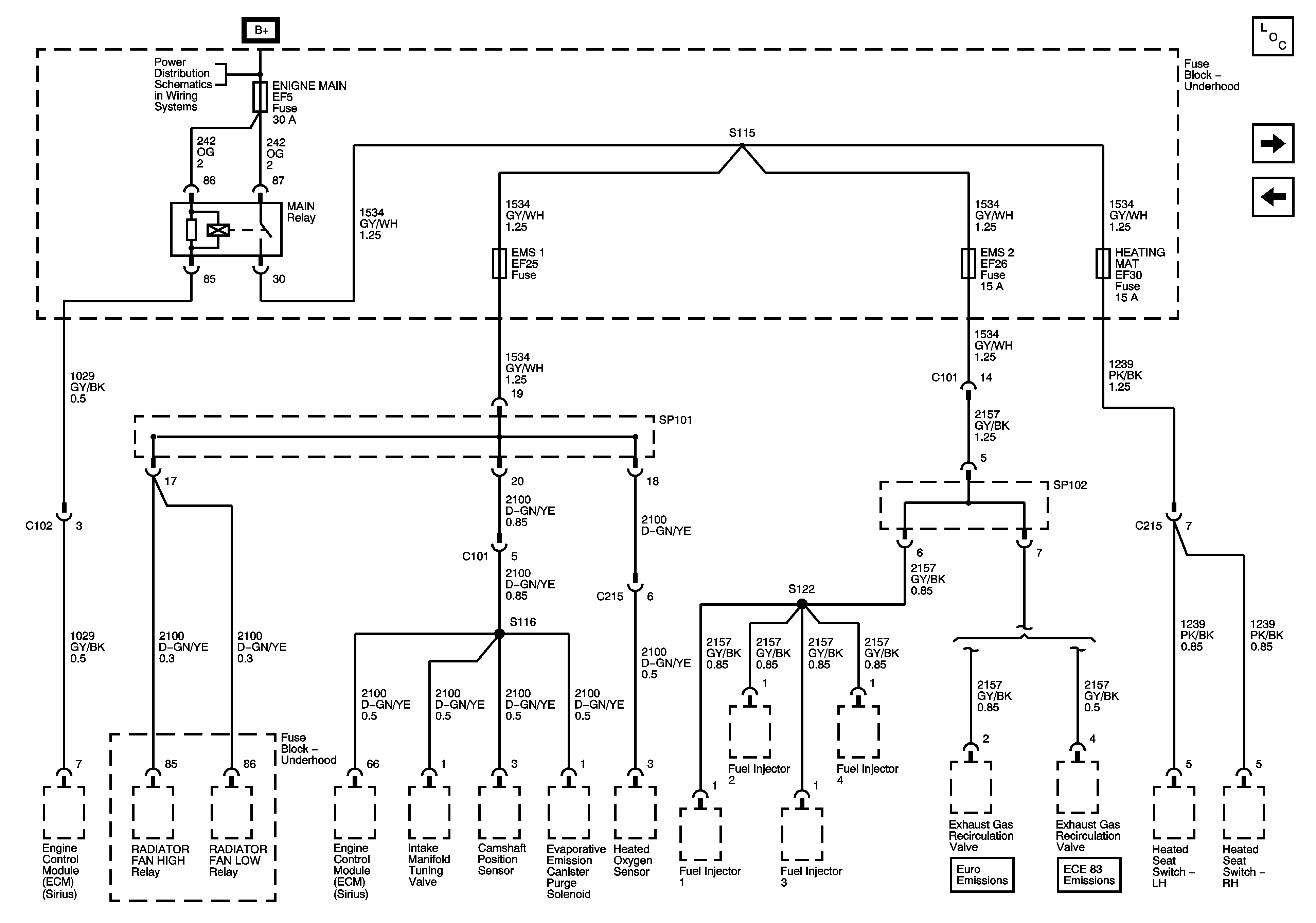
FUEL PUMP, RADIATOR, FAN HIGH, A/C COMP, and RADIATOR FAN LOW Fuses
ENGINE MAIN and FUEL PUMP Fuses (ITMS)
Figure 13:

FUEL PUMP, RADIATOR FAN HIGH, A/C COMP, and RADIATOR FAN LOW Fuses


Object Number: 1346253  Size: FS
Master Electrical Component List
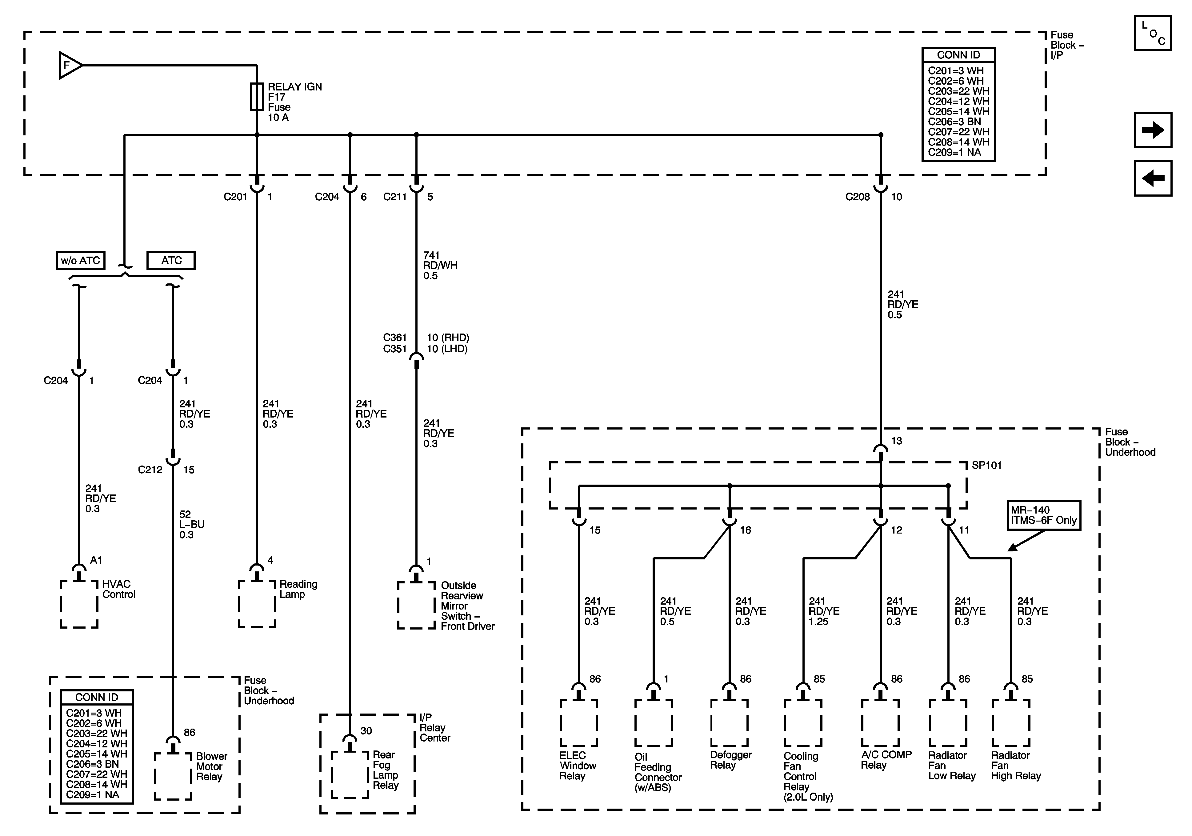
IGNITION 1 and IGNITION 2 Fuses (MR-140)
ENGINE MAIN and FUEL PUMP Fuses (Sirius)
Figure 14:

IGNITION 1 and IGNITION 2 Fuses (MR-140)


Object Number: 1346257  Size: FS
Master Electrical Component List
IGNITION 1 and IGNITION 2 Fuses (ITMS-6F)
FUEL PUMP, RADIATOR, FAN HIGH, A/C COMP, and RADIATOR FAN LOW Fuses
IGNITION 1 and IGNITION 2 Fuses (ITMS-6F)
IGNITION 1 and IGNITION 2 Fuses (ITMS-6F)
IGNITION 1 and IGNITION 2 Fuses (ITMS-6F)
Figure 15:

IGNITION 1 and IGNITION 2 Fuses (ITMS-6F)


Object Number: 1346252  Size: FS
Master Electrical Component List
IGNITION 1 and IGNITION 2 Fuses (Sirius D4)
IGNITION 1 and IGNITION 2 Fuses (MR-140)
IGNITION 1 and IGNITION 2 Fuses (MR-140)
IGNITION 1 and IGNITION 2 Fuses (MR-140)
IGNITION 1 and IGNITION 2 Fuses (MR-140)
Figure 16:

IGNITION 1 and IGNITION 2 Fuses (Sirius-D4)


Object Number: 1346259  Size: FS
Master Electrical Component List
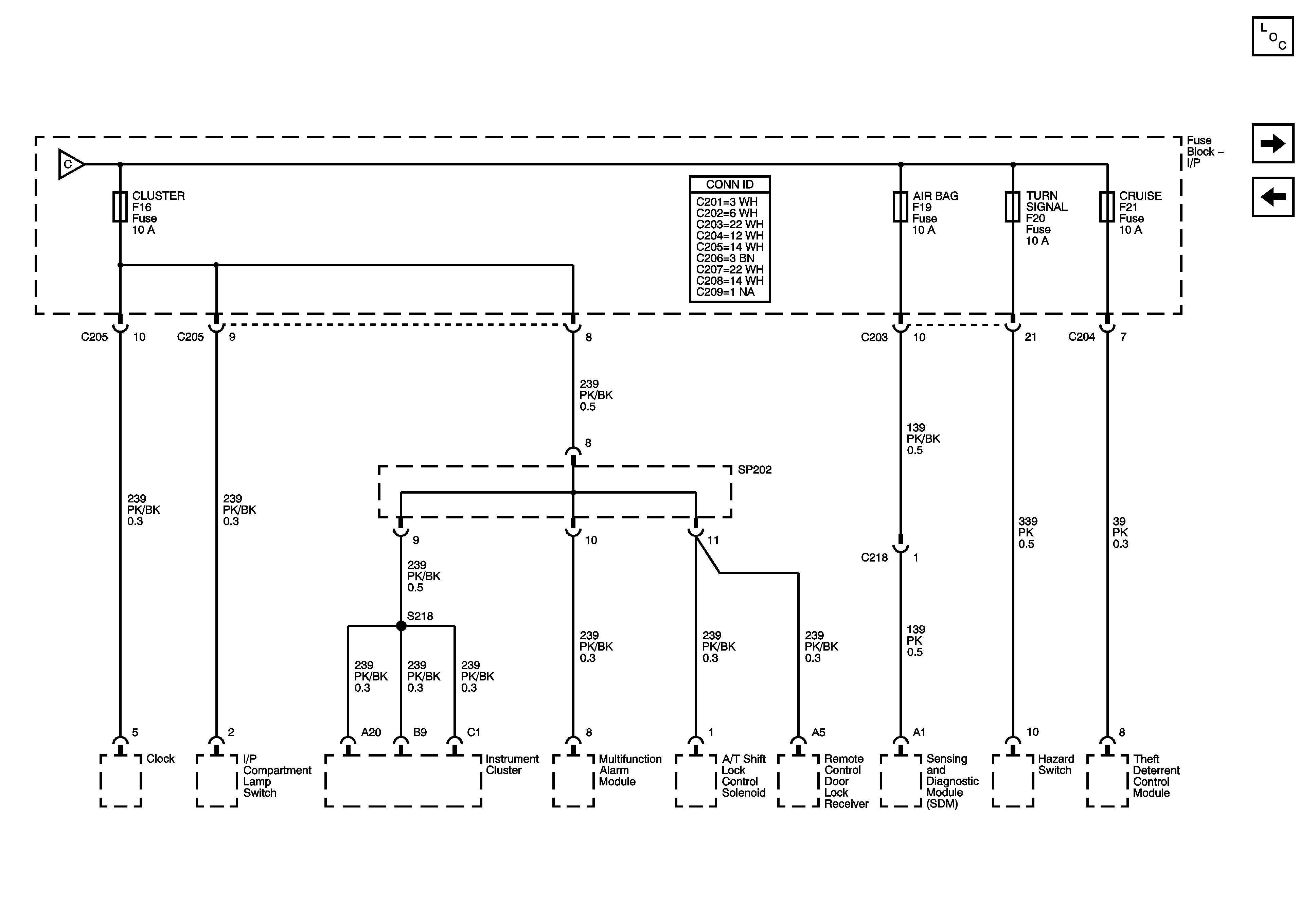
CLUSTER, AIR BAG, TURN SIGNAL, and CRUISE Fuses (LHD)
IGNITION 1 and IGNITION 2 Fuses (ITMS-6F)
IGNITION 1 and IGNITION 2 Fuses (ITMS-6F)
IGNITION 1 and IGNITION 2 Fuses (ITMS-6F)
IGNITION 1 and IGNITION 2 Fuses (ITMS-6F)
Figure 17:

CLUSTER, AIR BAG, TURN SIGNAL, and CRUISE Fuses (LHD)


Object Number: 1346261  Size: FS
Master Electrical Component List
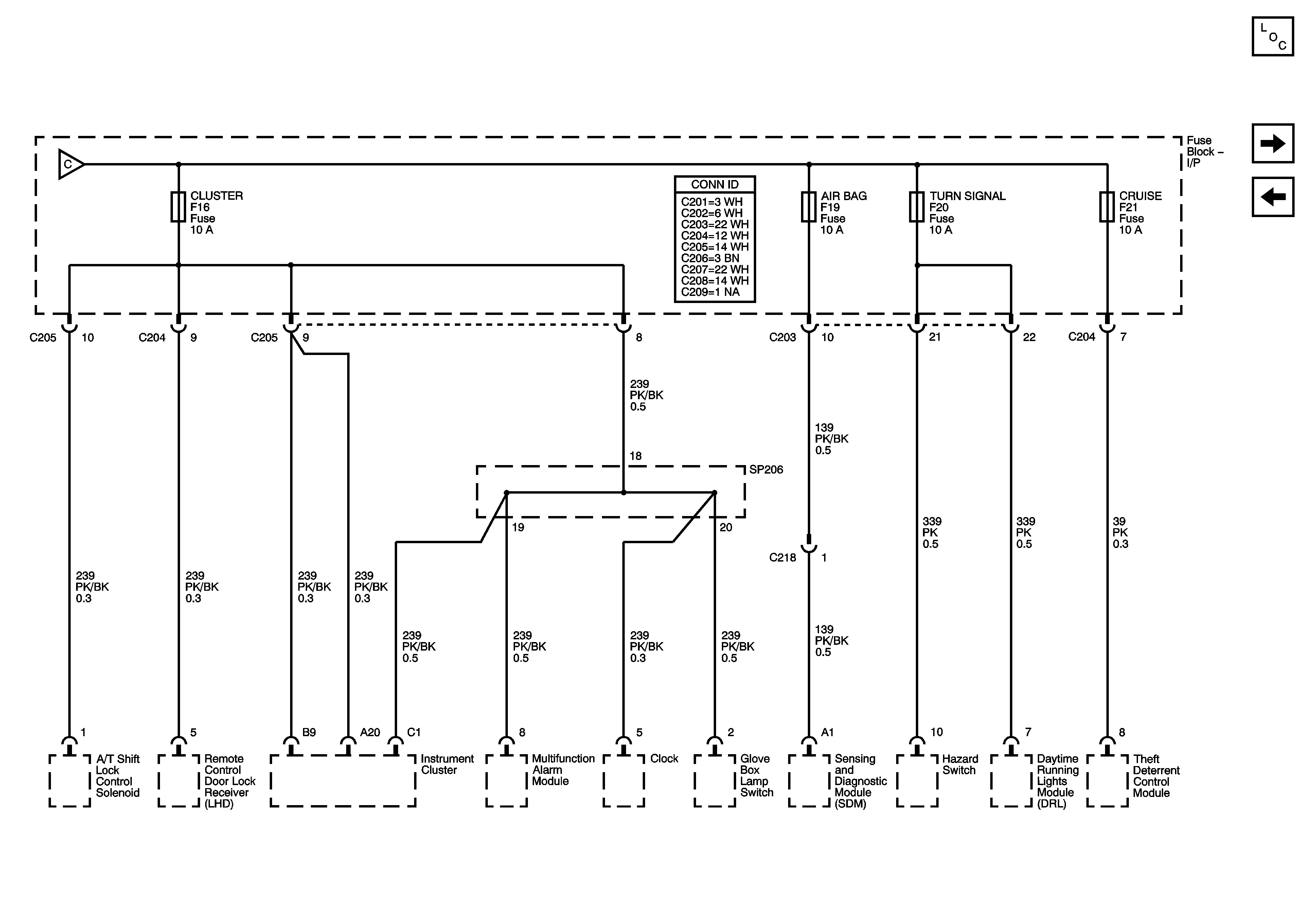
CLUSTER AIR BAG, TURN SIGNAL, and CRUISE Fuses (RHD)
IGNITION 1 and IGNITION 2 Fuses (Sirius D4)
CLUSTER AIR BAG, TURN SIGNAL, and CRUISE Fuses (RHD)
Figure 18:

CLUSTER, AIR BAG, TURN SIGNAL, and CRUISE Fuses (RHD)


Object Number: 1503251  Size: FS
Master Electrical Component List
RELAY IGN Fuse
CLUSTER, AIR BAG, TURN SIGNAL, and CRUISE Fuses (LHD)
CLUSTER, AIR BAG, TURN SIGNAL, and CRUISE Fuses (LHD)
Figure 19:

RELAY IGN Fuse


Object Number: 1376192  Size: FS
Master Electrical Component List
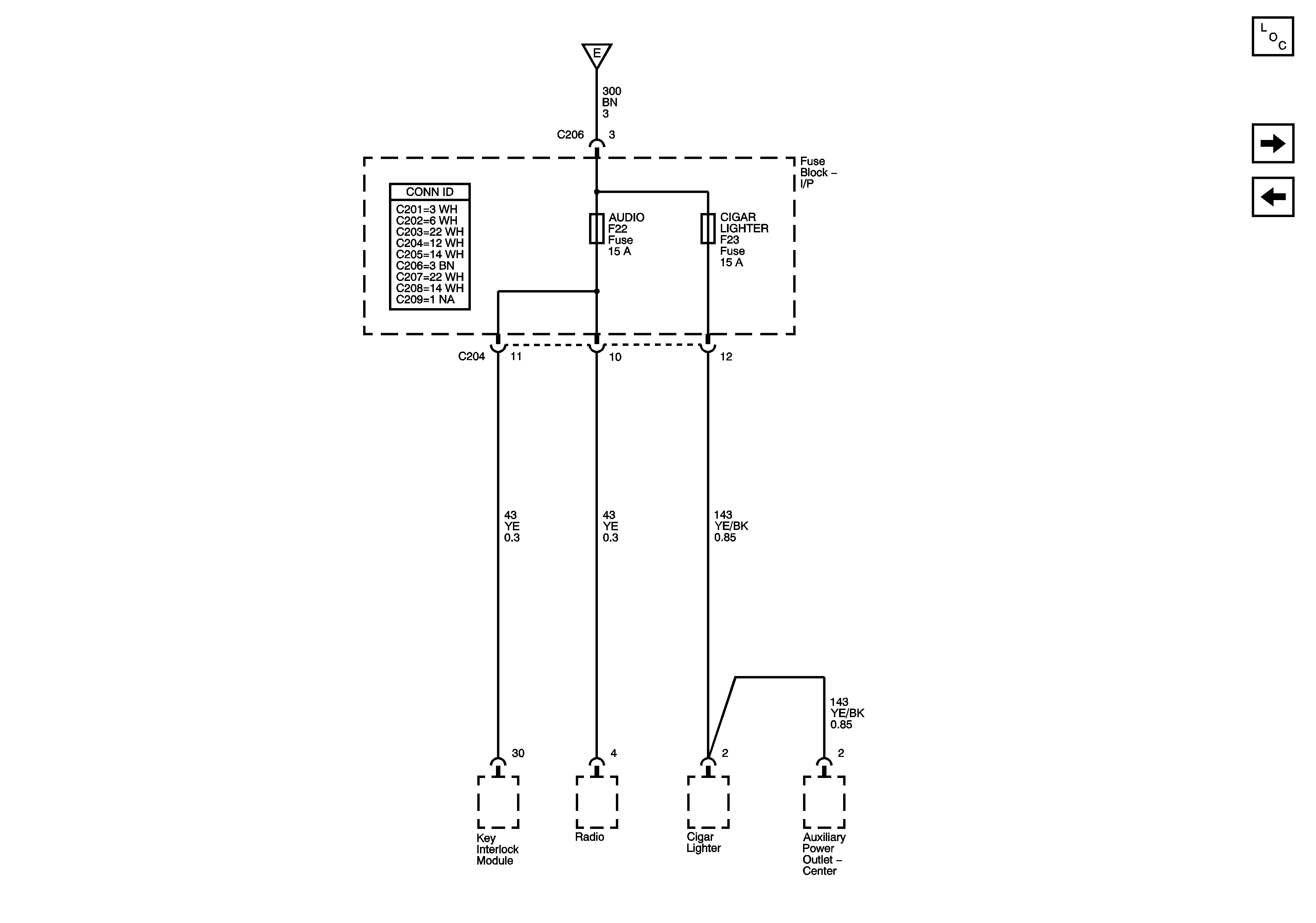
AUDIO and CIGAR LIGHTER Fuses (LHD)
CLUSTER AIR BAG, TURN SIGNAL, and CRUISE Fuses (RHD)
CLUSTER AIR BAG, TURN SIGNAL, and CRUISE Fuses (RHD)
Figure 20:

AUDIO and CIGAR LIGHTER Fuses (LHD)


Object Number: 1346266  Size: FS
Master Electrical Component List
AUDIO and CIGAR LIGHTER Fuses (RHD)
RELAY IGN Fuse
RELAY IGN Fuse
Figure 21:

AUDIO and CIGAR LIGHTER Fuses (RHD)


Object Number: 1503252  Size: FS
Master Electrical Component List
MAIN Fuse (LHD)
AUDIO and CIGAR LIGHTER Fuses (LHD)
AUDIO and CIGAR LIGHTER Fuses (LHD)
Figure 22:

MAIN Fuse (LHD)


Object Number: 1478505  Size: FS
Master Electrical Component List
MAIN Fuse (RHD)
AUDIO and CIGAR LIGHTER Fuses (RHD)
MAIN Fuse (RHD)
Figure 23:

MAIN Fuse (RHD)


Object Number: 1346268  Size: FS
Master Electrical Component List
DOOR LOCK, HAZARD FLASHER, TCM and AUDIO Fuses
MAIN Fuse (LHD)
MAIN Fuse (LHD)
Figure 24:

DOOR LOCK, HAZARD FLASHER, TCM, and AUDIO Fuses


Object Number: 1346269  Size: FS
Master Electrical Component List
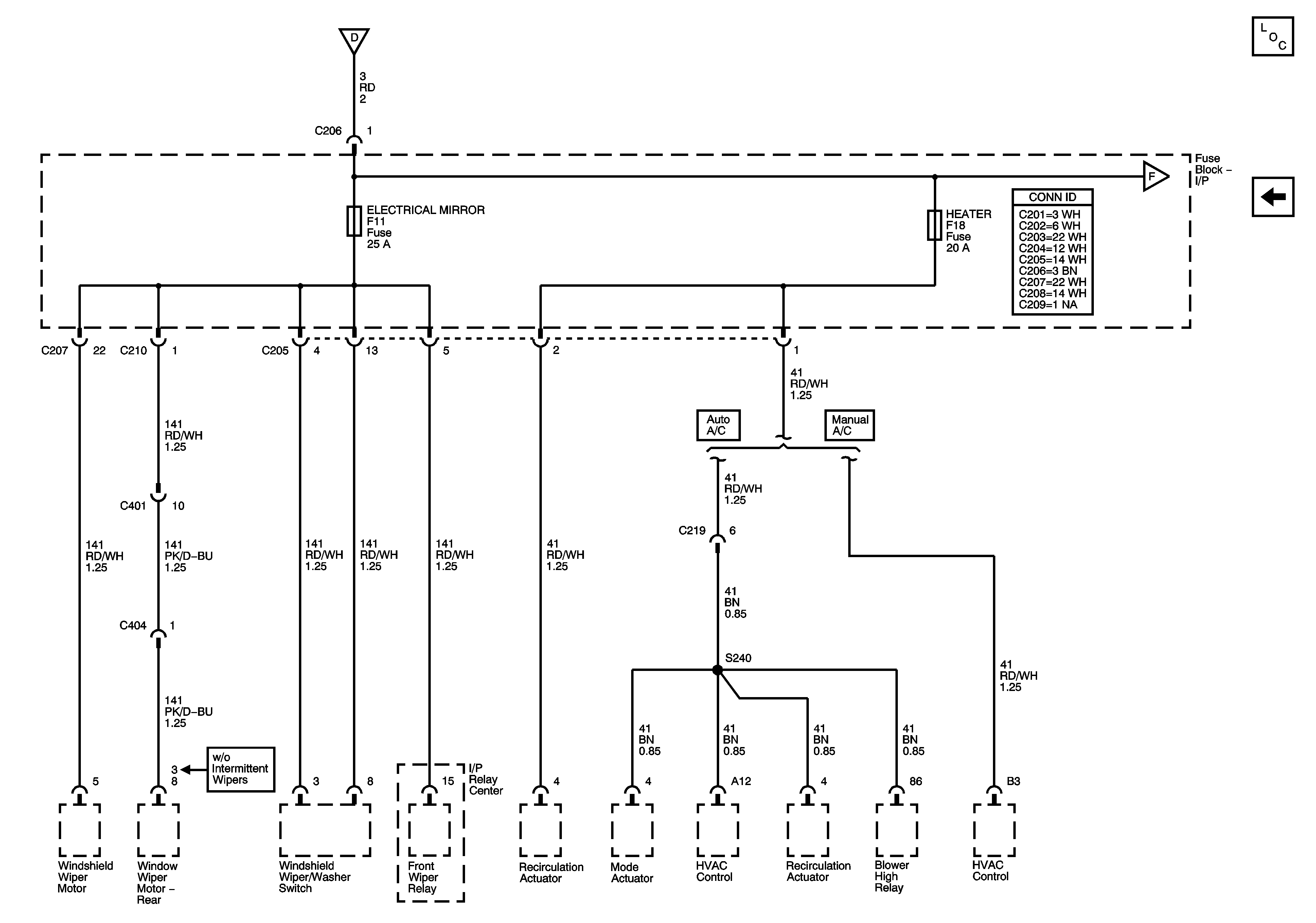
ELECTRICAL MIRROR and HEATER Fuses (RHD)
MAIN Fuse (RHD)
MAIN Fuse (RHD)
Figure 25:

ELECTRICAL MIRROR and HEATER Fuses (RHD)


Object Number: 1478506  Size: FS
Master Electrical Component List
ELECTRICAL MIRROR - and HEATER Fuses (LHD)
DOOR LOCK, HAZARD FLASHER, TCM and AUDIO Fuses
ELECTRICAL MIRROR - and HEATER Fuses (LHD)
ELECTRICAL MIRROR - and HEATER Fuses (LHD)
Figure 26:

ELECTRICAL MIRROR and HEATER Fuses (LHD)


Object Number: 1346262  Size: FS
Master Electrical Component List
ELECTRICAL MIRROR and HEATER Fuses (RHD)
ELECTRICAL MIRROR and HEATER Fuses (RHD)
ELECTRICAL MIRROR and HEATER Fuses (RHD)