GM Service Manual Online
For 1990-2009 cars only
Figure 1:

G102,G101,G106


Object Number: 1478490  Size: FS
Master Electrical Component List
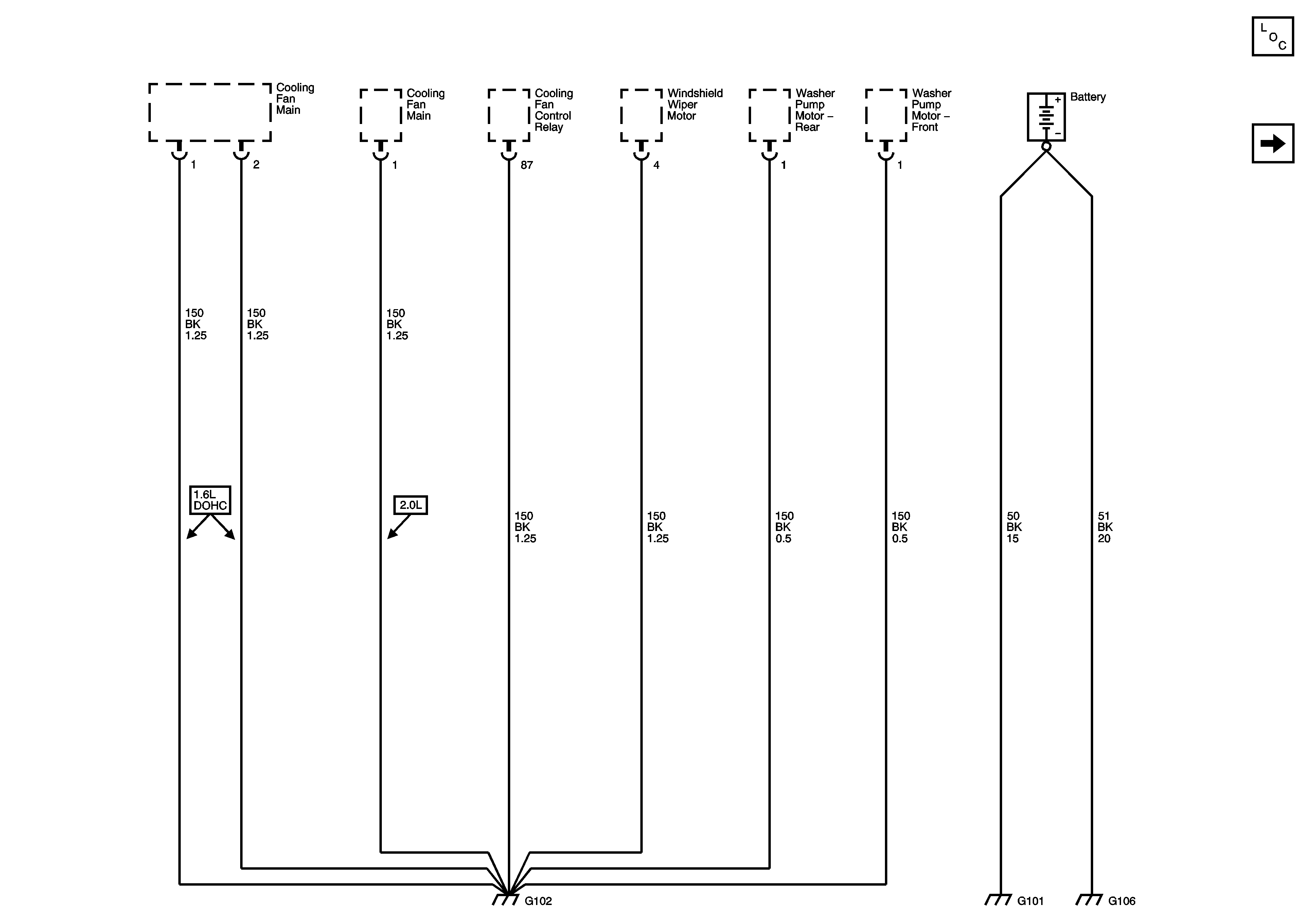
G102 (Cont)
Figure 2:

G102 (cont)


Object Number: 1478492  Size: FS
Master Electrical Component List
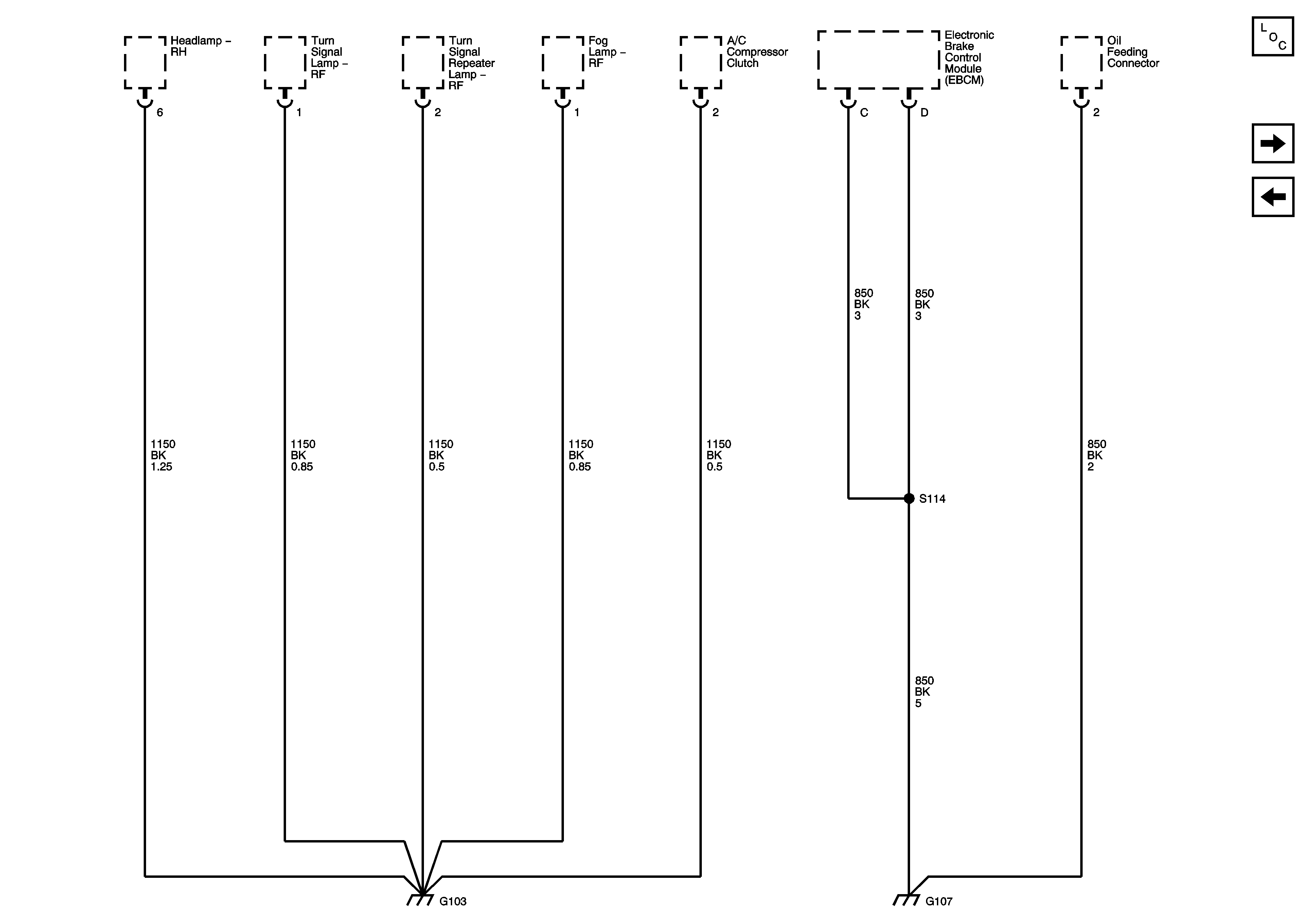
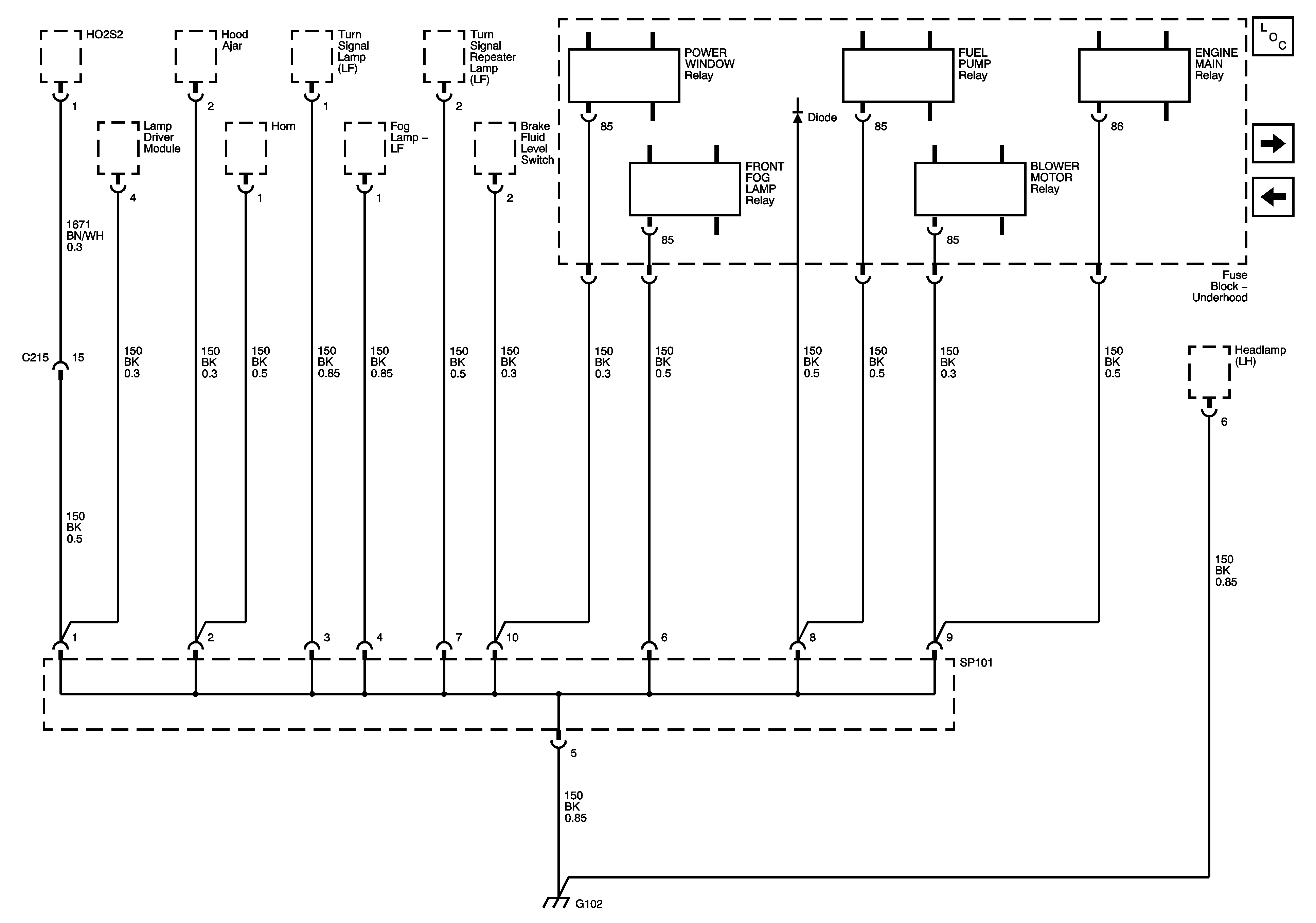
G103, G107
G102, G101, G106
Figure 3:

G103,G107


Object Number: 1478493  Size: FS
Master Electrical Component List
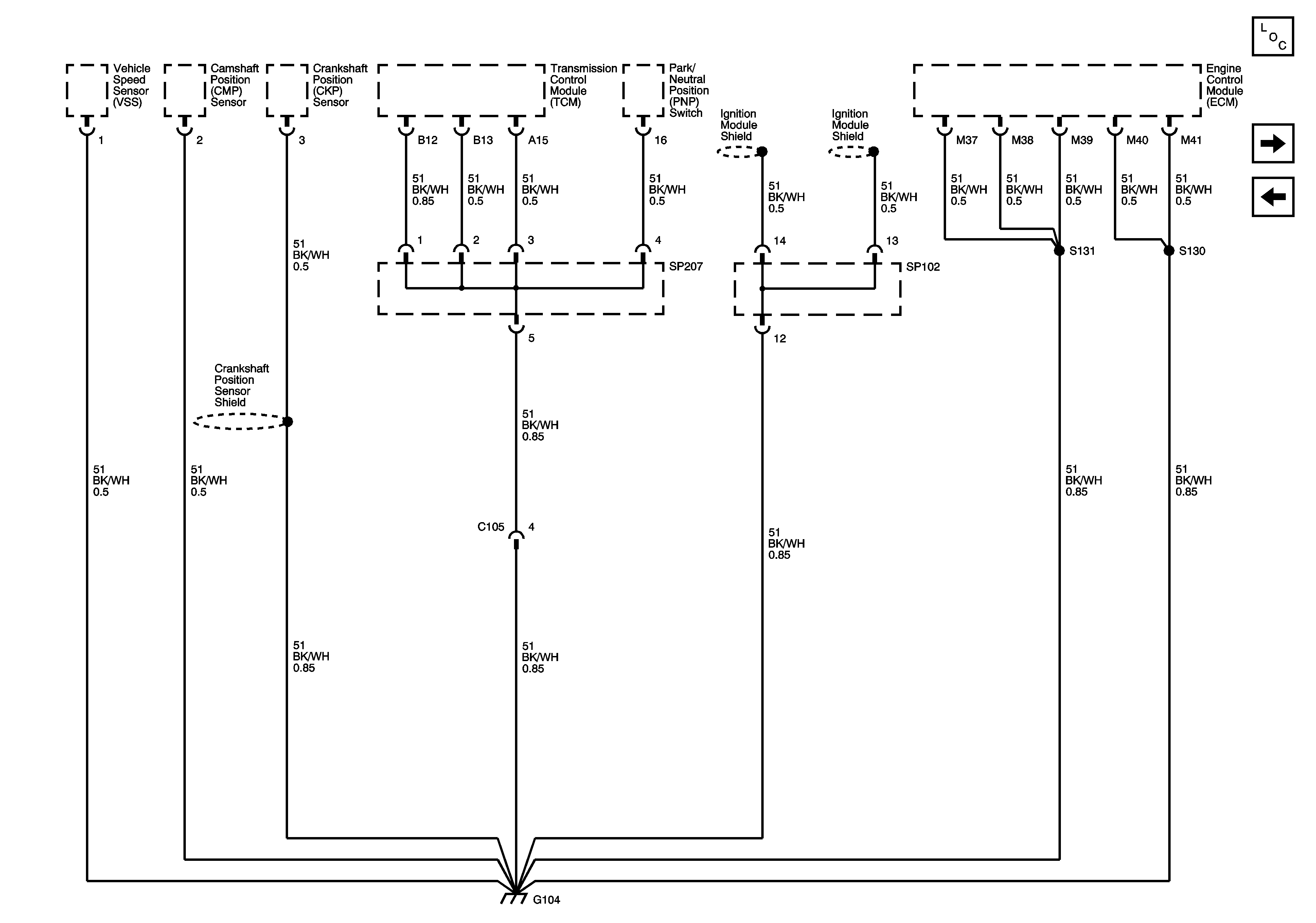
G104 (MR-140)
G102 (Cont)
Figure 4:

G104 (MR140)


Object Number: 1478495  Size: FS
Master Electrical Component List
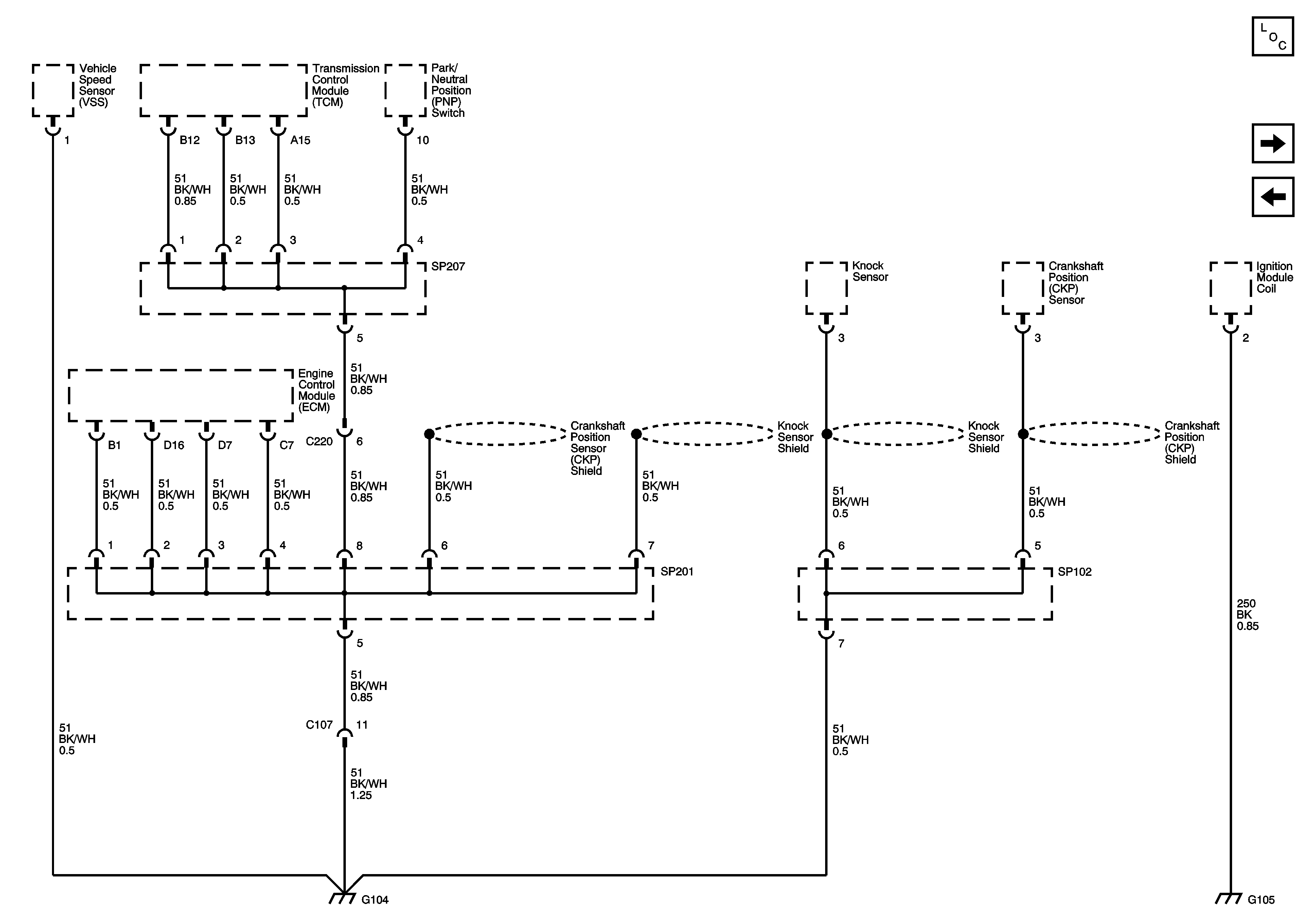
G104, G105 (ITMS-6F)
G103, G107
Figure 5:

G104,G105 (ITMS-6F)


Object Number: 1478496  Size: FS
Master Electrical Component List
G105 (Sirius)
G104 (MR-140)
Figure 6:

G105 (Sirius)


Object Number: 1478497  Size: FS
Master Electrical Component List
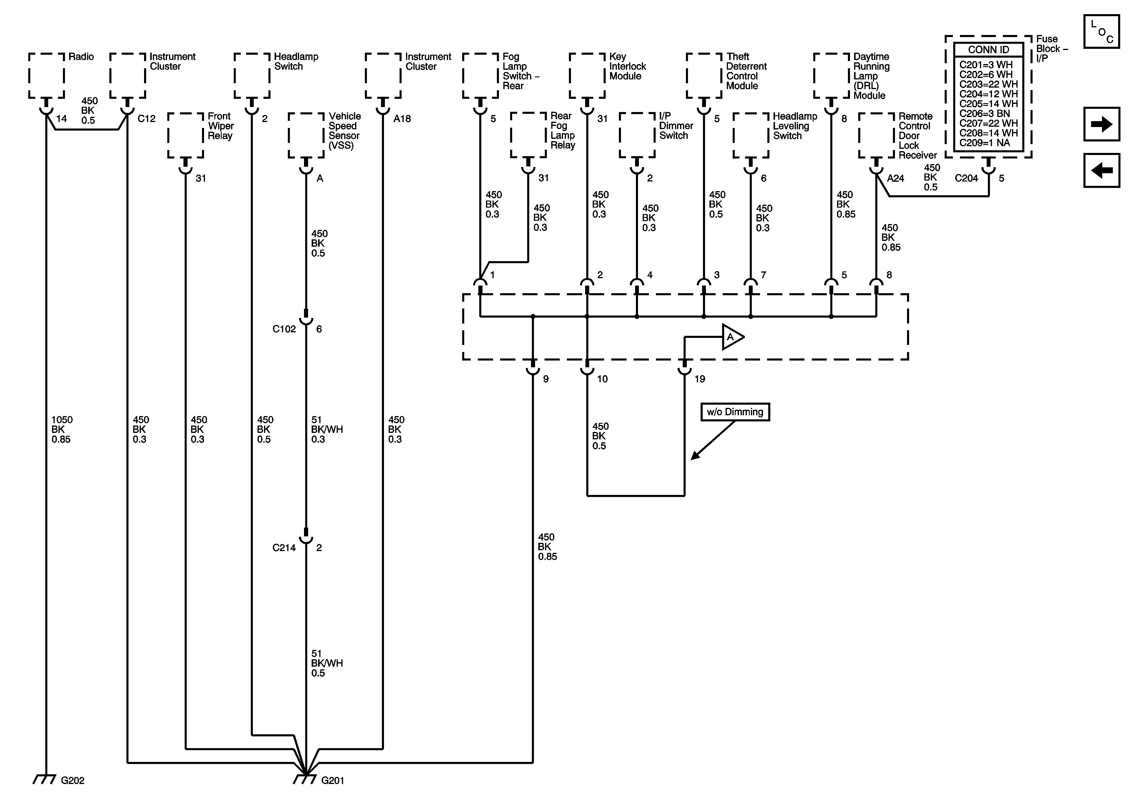
G201, G202 (LHD)
G104, G105 (ITMS-6F)
Figure 7:

G201, G202 (LHD)


Object Number: 1478502  Size: FS
Master Electrical Component List
G201 (RHD) (Cont)
G105 (Sirius)
Figure 8:

G201 (cont) (LHD)


Object Number: 1478503  Size: FS
Master Electrical Component List
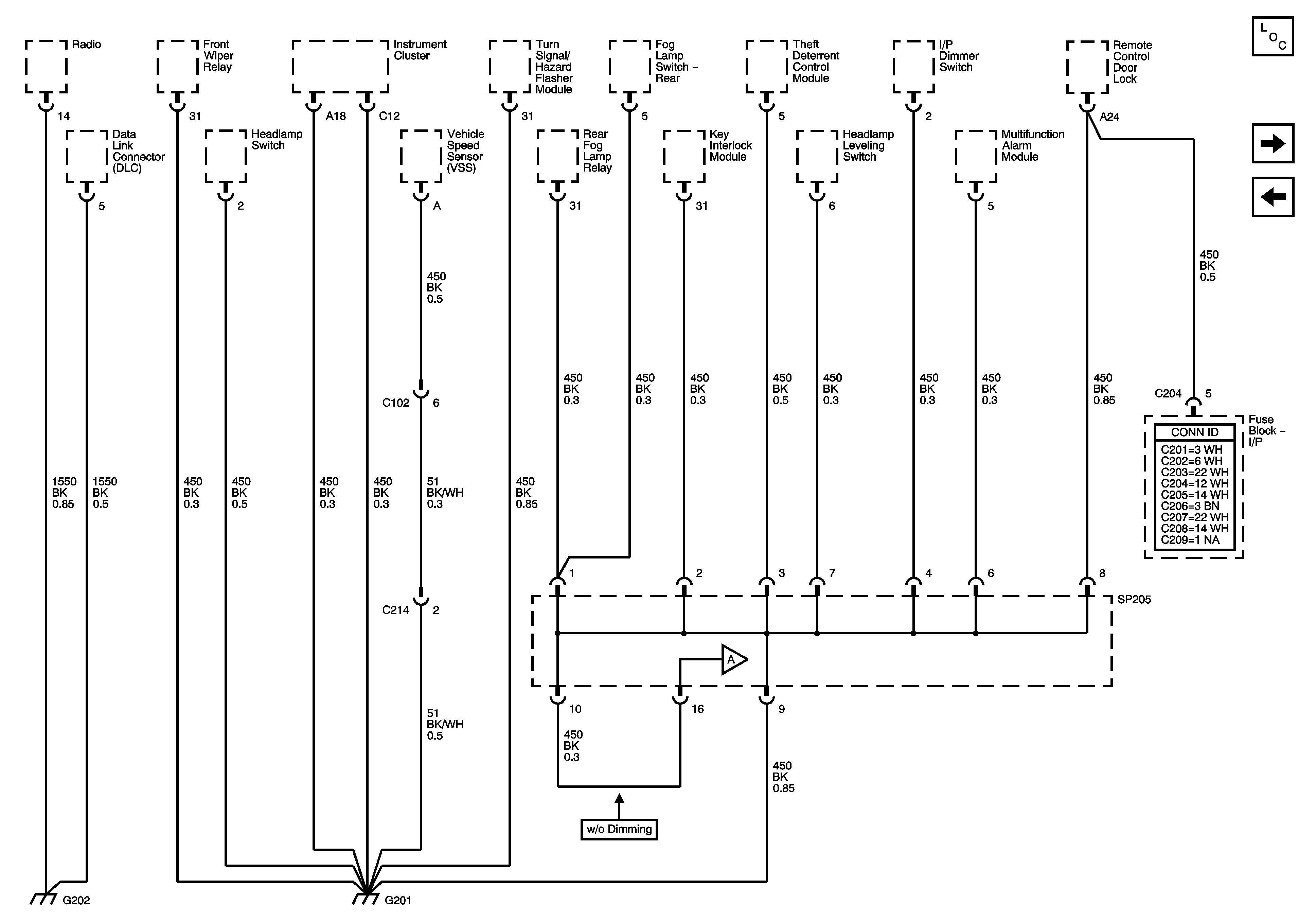
G201, G202 (RHD)
G201, G202 (LHD)
Figure 9:

G201, G202 (RHD)


Object Number: 1478500  Size: FS
Master Electrical Component List
G201 (RHD) (Cont)
G201 (RHD) (Cont)
Figure 10:

G201 (cont) (RHD)


Object Number: 1478501  Size: FS
Master Electrical Component List
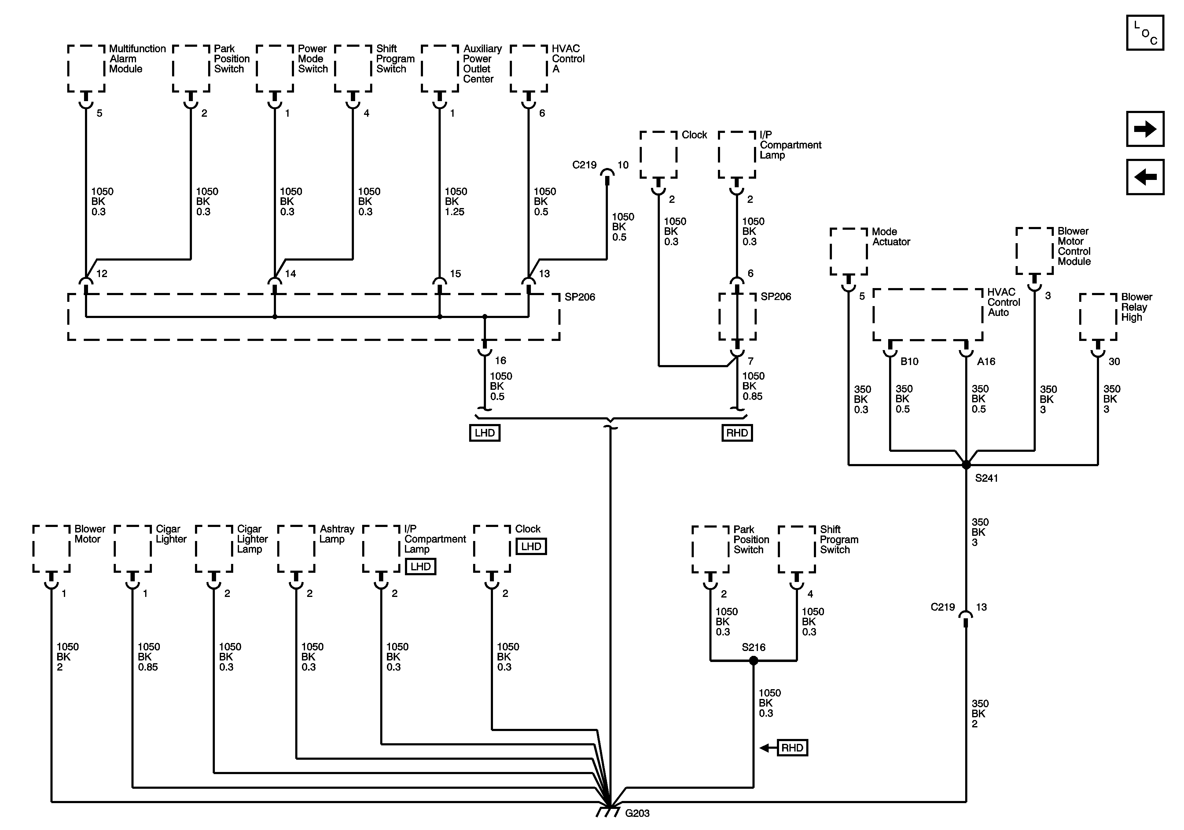
G203
G201, G202 (RHD)
Figure 11:

G203


Object Number: 1478499  Size: FS
Master Electrical Component List
G204, G205, G206
G201 (RHD) (Cont)
Figure 12:

G204, G205, G206


Object Number: 1478095  Size: FS
Master Electrical Component List
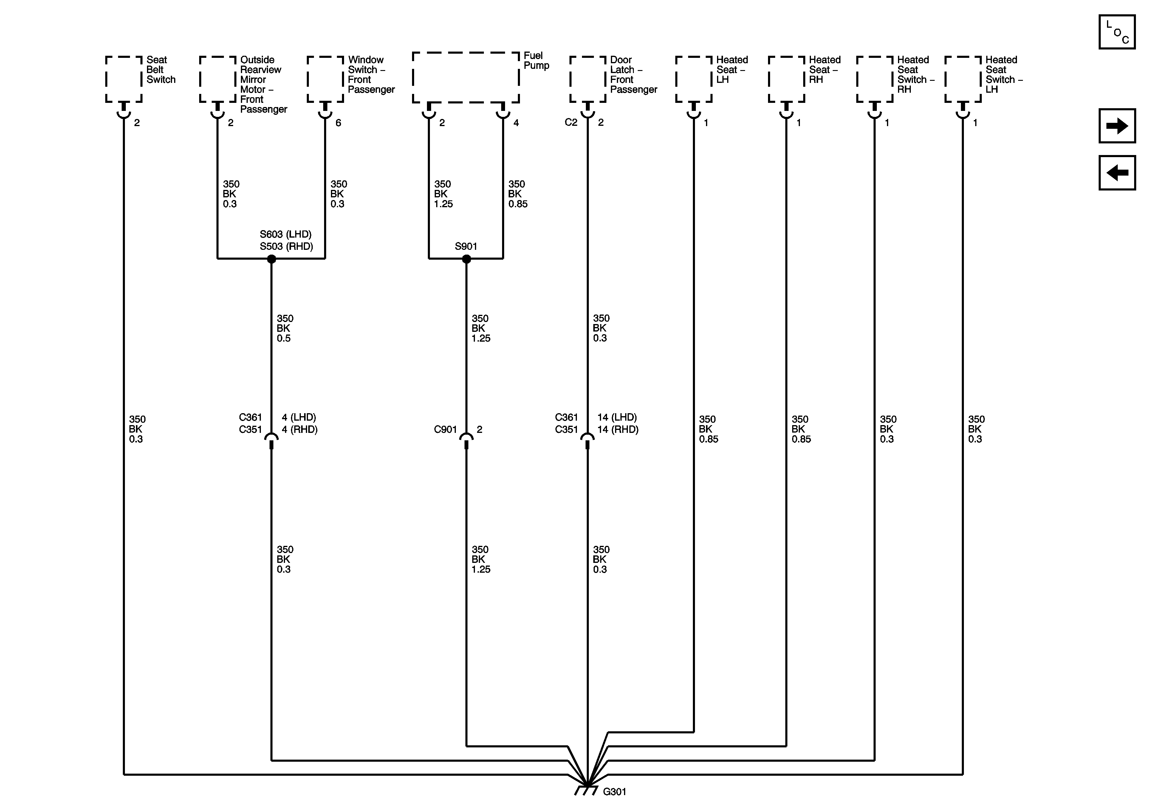
G301
G203
Figure 13:

G301


Object Number: 1478417  Size: FS
Master Electrical Component List
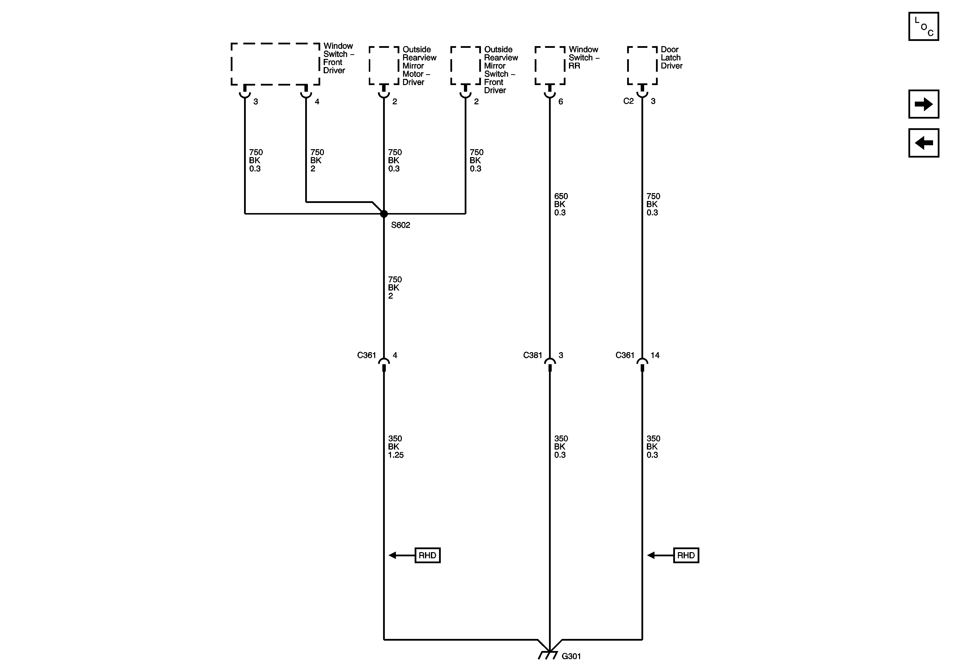
G301 (Cont)
G204, G205, G206
Figure 14:

G301 (cont)


Object Number: 1478430  Size: FS
Master Electrical Component List
G401, G402
G301
Figure 15:

G401, G402


Object Number: 1478468  Size: FS
Master Electrical Component List
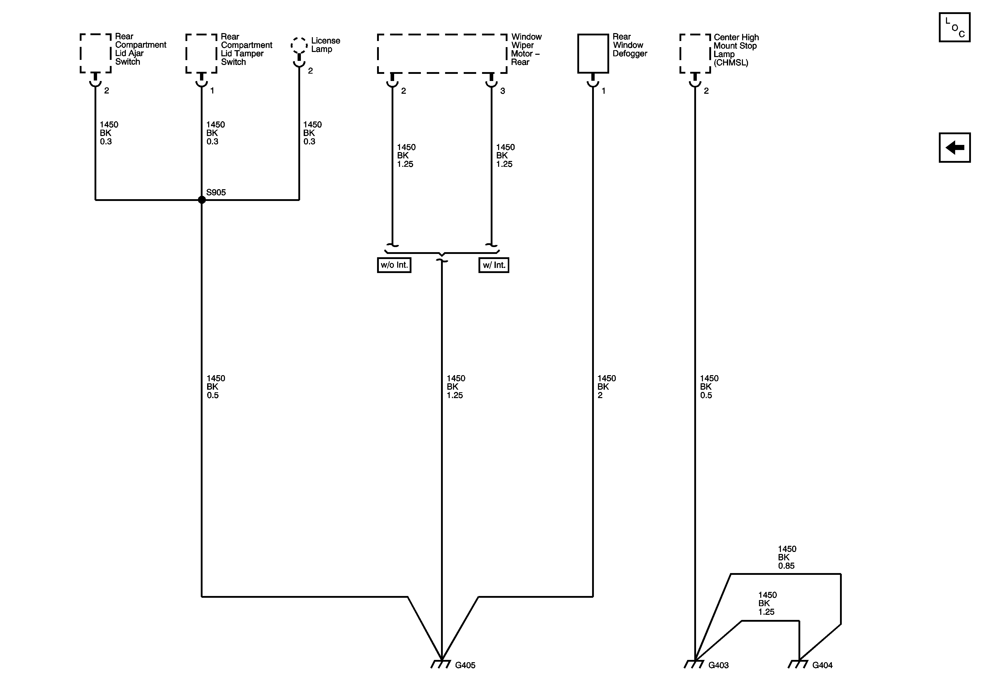
G403, G404, G405
G301 (Cont)
Figure 16:

G403, G404, G405


Object Number: 1478486  Size: FS
Master Electrical Component List
G401, G402