GM Service Manual Online
For 1990-2009 cars only
Makes
🢒
Chevrolet
🢒
2004
🢒
Vivant
🢒
Brakes
🢒
Hydraulic Brakes
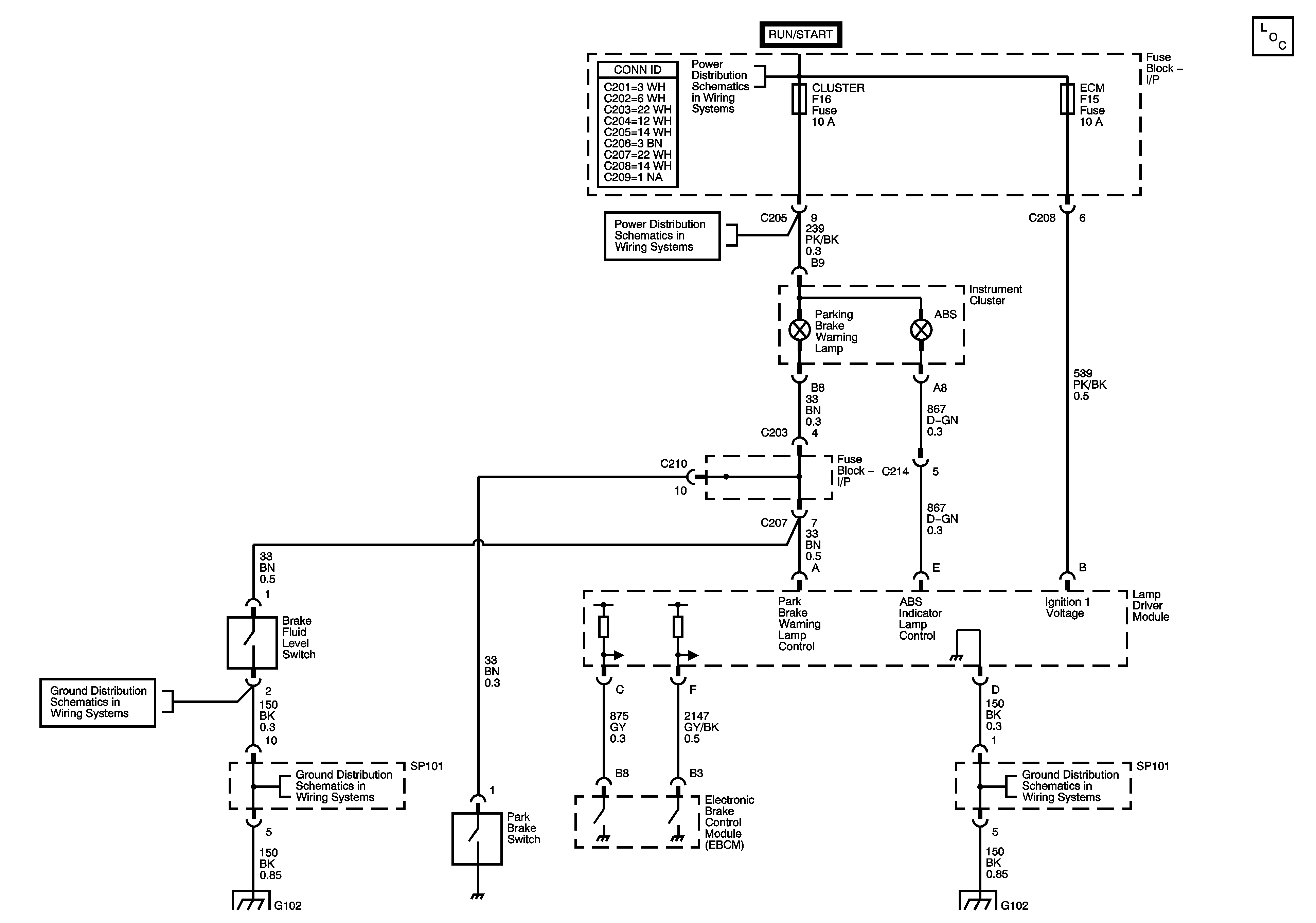
🢒 Brake Warning System Schematics
Master Electrical Component List
IGNITION 1 and IGNITION 2 Fuses (MR-140)
CLUSTER, AIR BAG, TURN SIGNAL, and CRUISE Fuses (LHD)
G102, G101, G106
G102, G101, G106