GM Service Manual Online
For 1990-2009 cars only

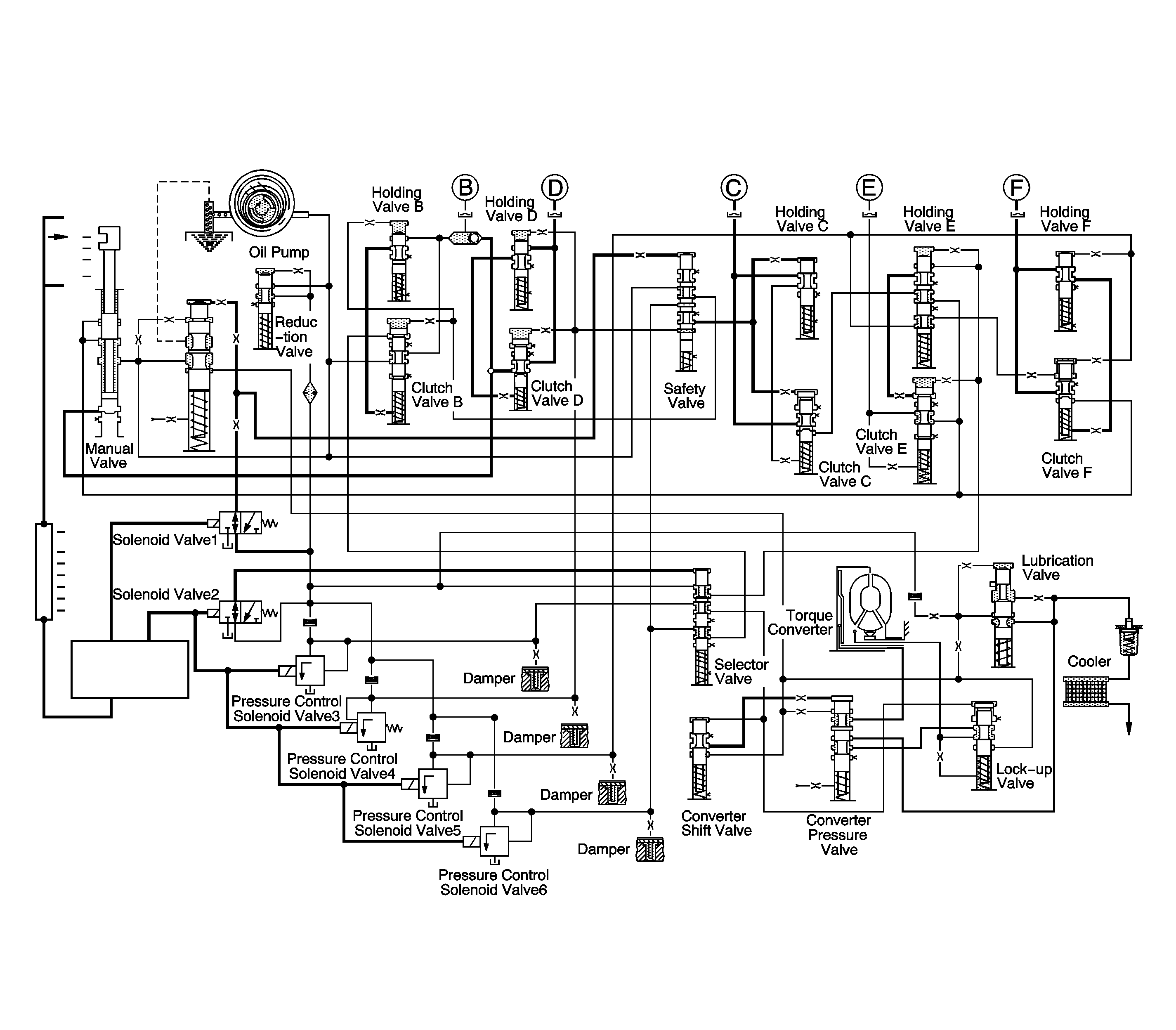
Object Number: 1255905  Size: FS

In drive 3, transaxle drive is via the input shaft to clutches B and E. The elements of this transaxle function are as follows:

    • Clutches B and E are engaged to drive the rear sun gear and rear planetary gear carrier clockwise.
    • The clockwise rotation of the rear sun gear and rear planetary gear carrier will cause the front planetary gear to rotate in the same direction.

Clutch B Engaged

In park and neutral solenoid valves 1 and 2 are both ON. Pressure control solenoids (PCS) 4 and 6 are also turned ON.

When PCS 6 is ON, the fluid supplied from the reduction valve flows to the safety valve, clutch valve B, and holding valve B. The oil that is supplied to the inlet port of the clutch valve presses on the valve spool. Line pressure then flows to the holding valve and check ball, engaging clutch B.