GM Service Manual Online
For 1990-2009 cars only
Makes
🢒
Chevrolet
🢒
2004
🢒
Vivant
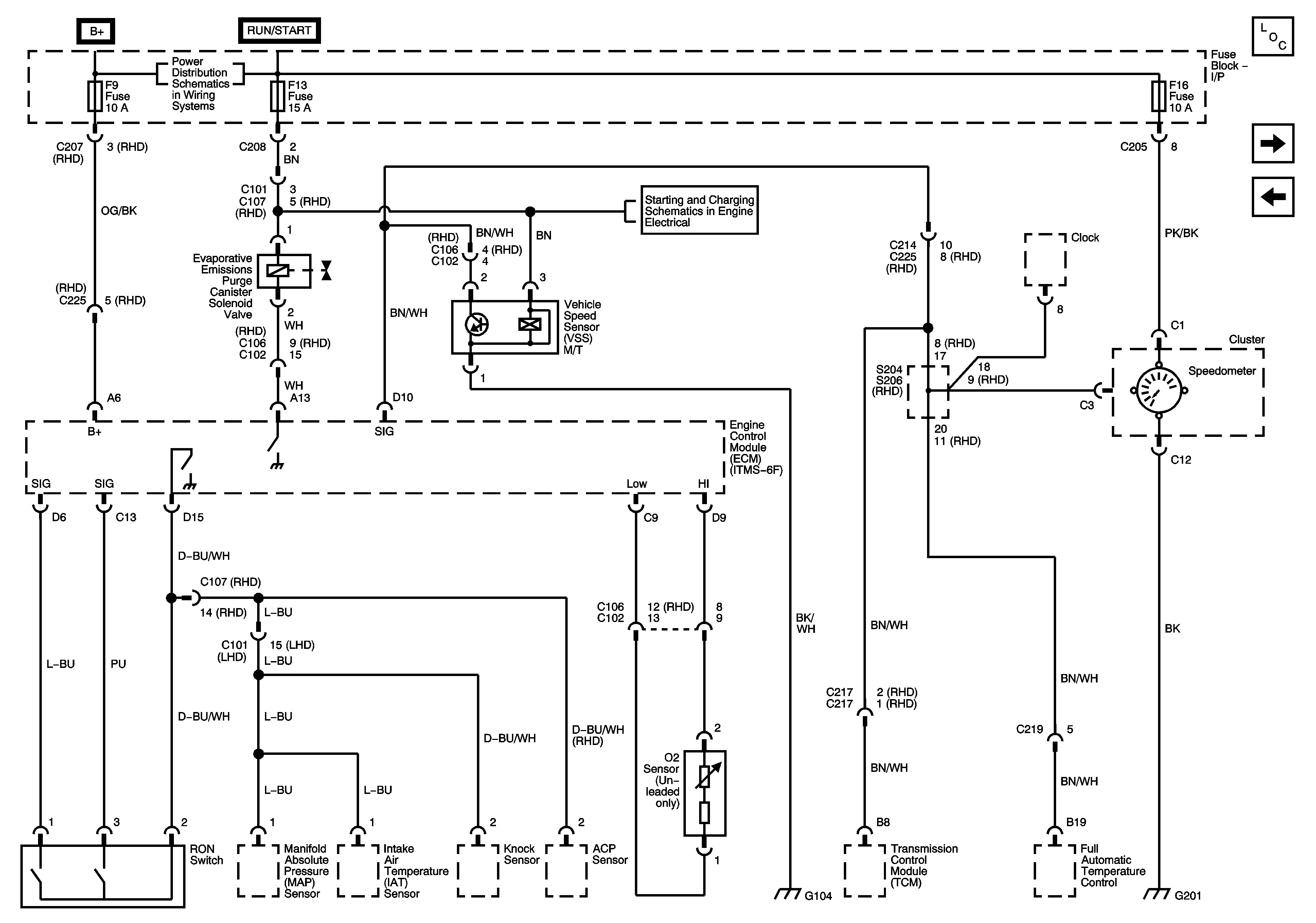
🢒 Engine Data Sensors
Engine Data Sensors
Engine Data Sensors
Master Electrical Component List
Oxygen Sensor (O2S)/CO Potentiometer
Power, Ground, Serial Data, Malfunction Indicator Lamp (MIL)
Vehicle Speed Sensor (MR 140)