GM Service Manual Online
For 1990-2009 cars only
Makes
🢒
Chevrolet
🢒
2004
🢒
Vivant
🢒 ITMS-6F RHD
ITMS-6F RHD
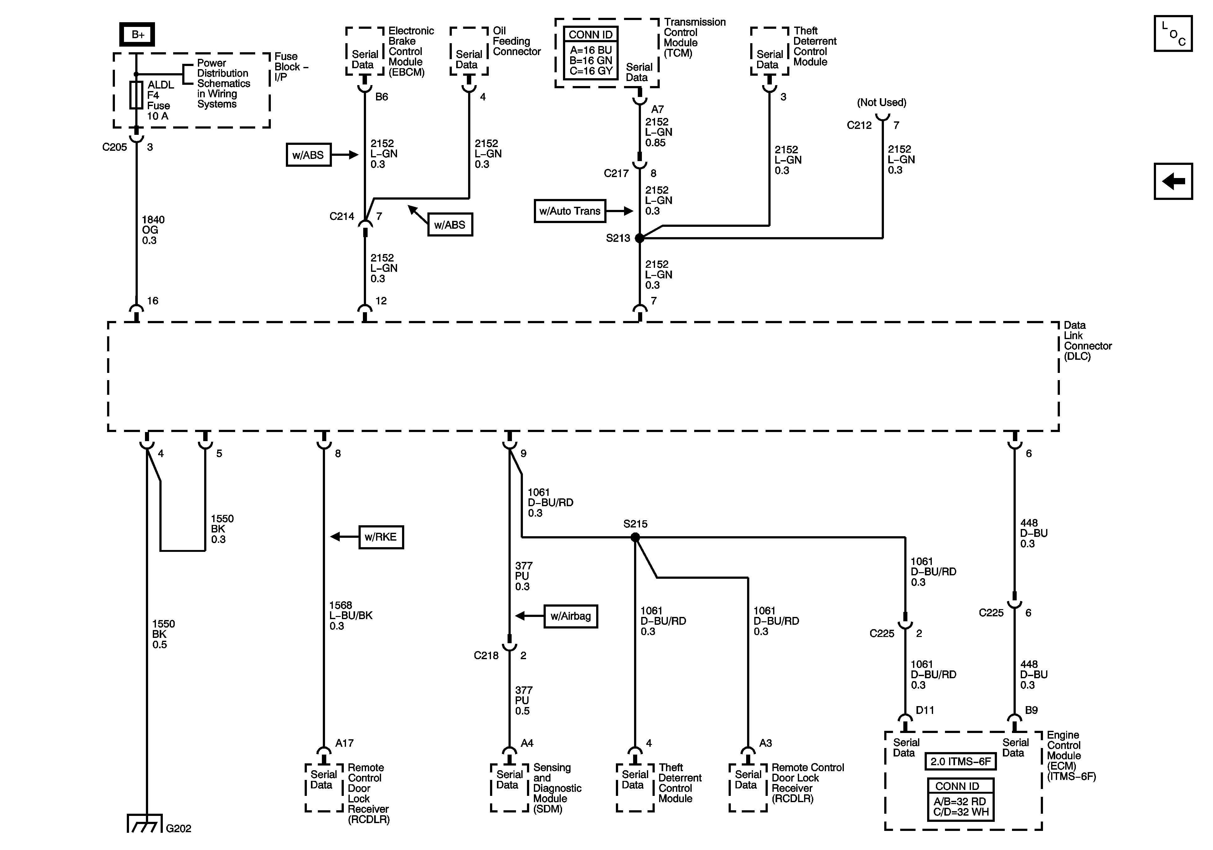
DLC Schematic (ITMS-6F)
Master Electrical Component List
MR 140 RHD
PARKING LAMP LH, PARKING LAMP RH Fuses, PARKING LAMP Relay Continued (LHD)