GM Service Manual Online
For 1990-2009 cars only
Makes
🢒
Chevrolet
🢒
2004
🢒
Vivant
🢒 Sirius D4 LHD
Sirius D4 LHD
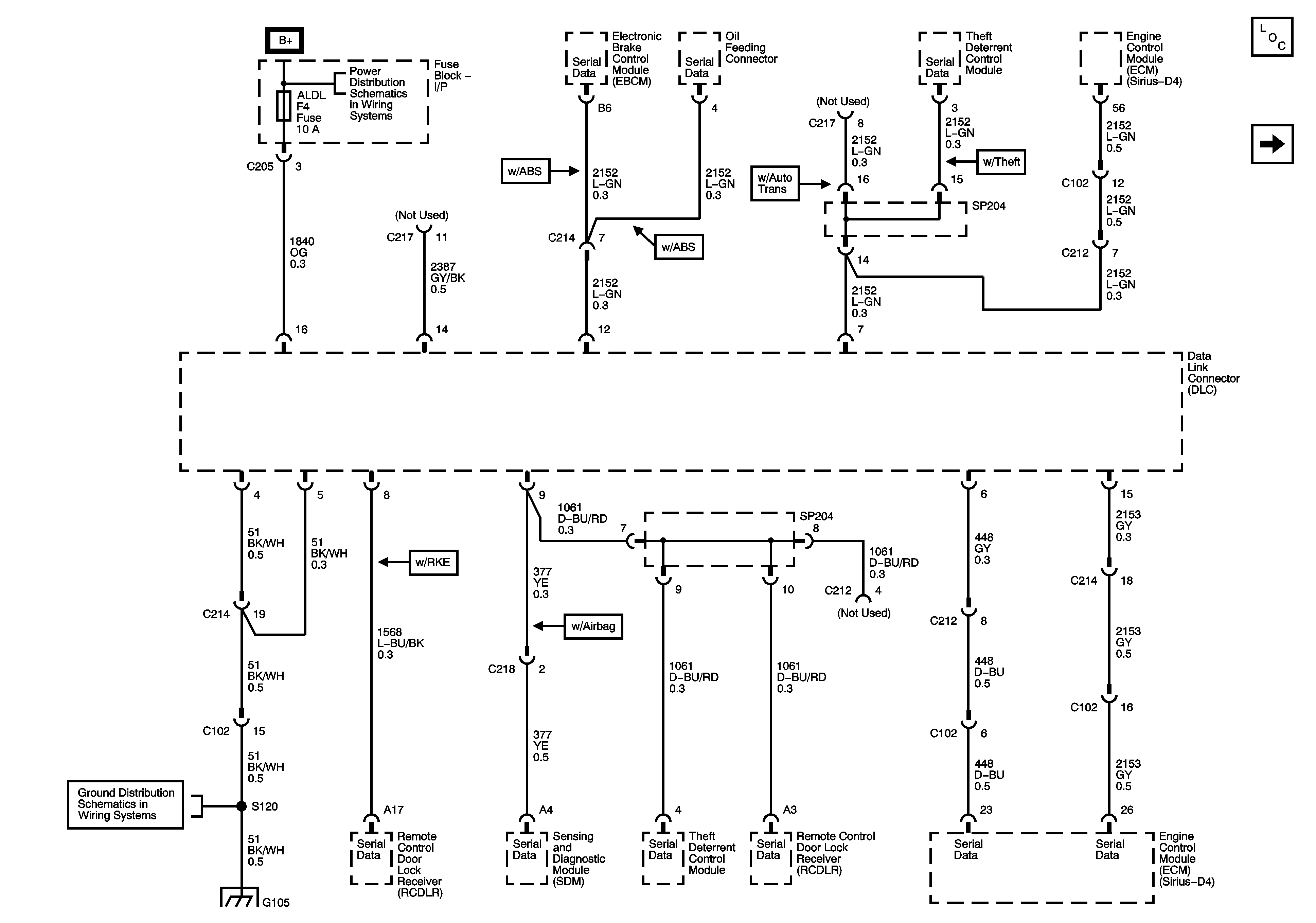
DLC Schematic (Sirrius D4, MR-140)
Master Electrical Component List
MR 140 LHD
PARKING LAMP LH, PARKING LAMP RH Fuses, PARKING LAMP Relay Continued (LHD)
G105 (Sirius)