GM Service Manual Online
For 1990-2009 cars only
Makes
🢒
Chevrolet
🢒
2004
🢒
Vivant
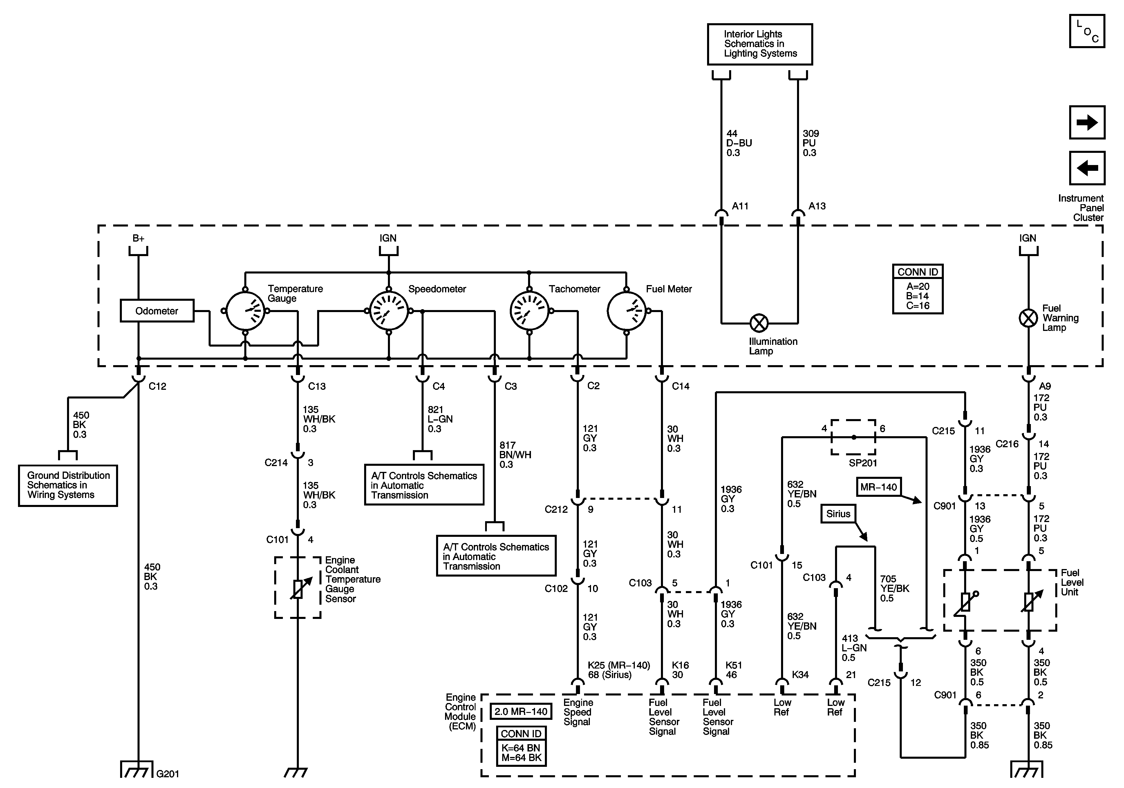
🢒 Cluster (MR-140) - Odometer, Speedometer, Tachometer, Temp, Fuel, Fuel Warning Lamp, Illumination Lamp
Cluster (MR-140) - Odometer, Speedometer, Tachometer, Temp, Fuel, Fuel Warning Lamp, Illumination Lamp
Cluster - MR-140 - Odometer, Speedometer, Tachometer, Temperature, Fuel, Fuel Warning Lamp, Illumination Lamp
Master Electrical Component List
Cluster - Alternator, Brake Switch, ABS Warning Lamp Module, SDM, TCM, ECM, DRL
Cluster (ITMS-6F) - Odometer, Speedometer, Tachometer, Temp, Fuel, Fuel Warning Lamp, Illumination Lamp
G201, G202 (LHD)
Vehicle Speed Signal
Vehicle Speed Signal
IP Illumination (w/o Dimming (LHD))