GM Service Manual Online
For 1990-2009 cars only
Makes
🢒
Chevrolet
🢒
2004
🢒
Vivant
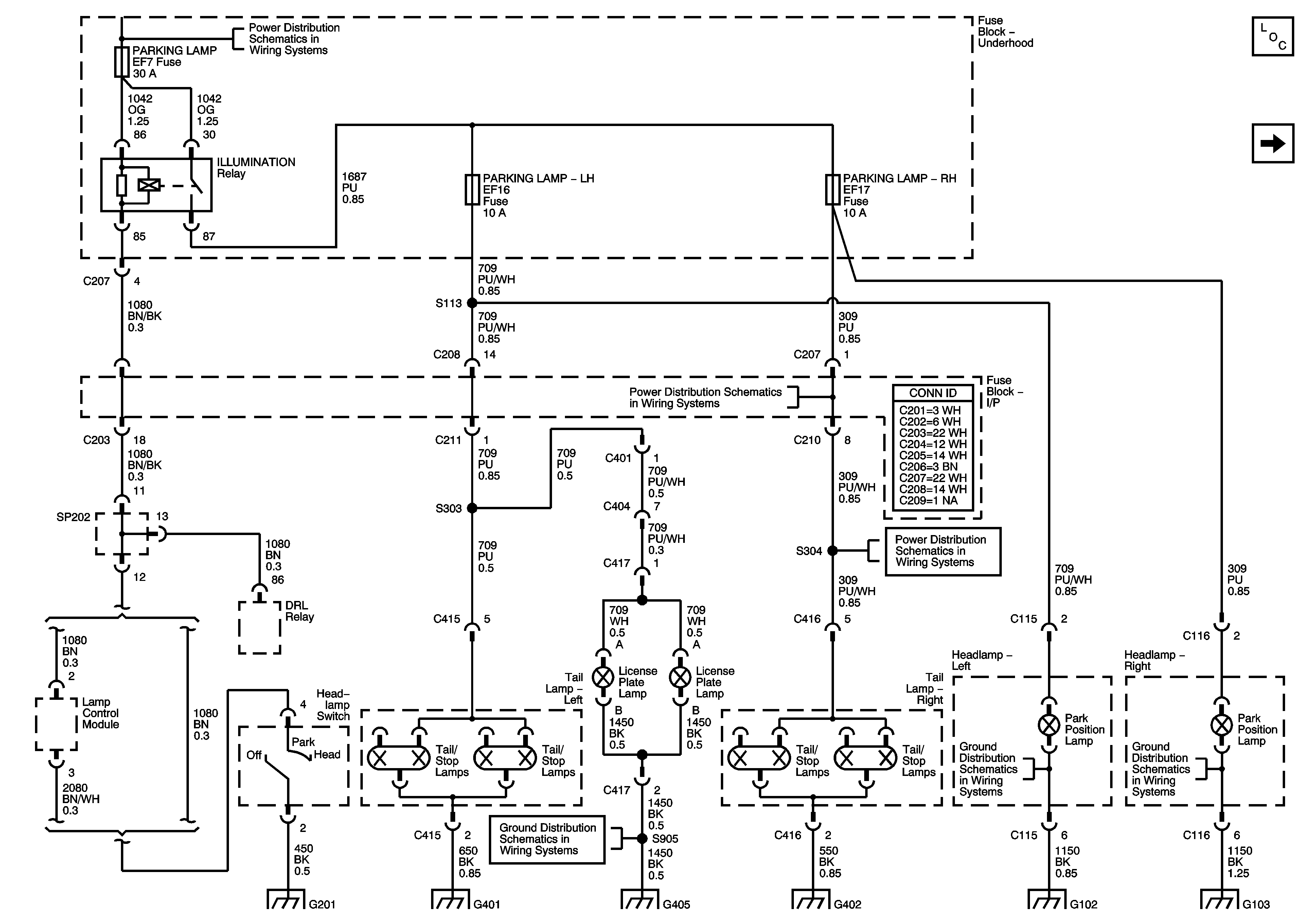
🢒 Park Lamps and and License Plate Lamps (LHD)
Park Lamps and and License Plate Lamps (LHD)
Park Lamps and License Plate Lamps (LHD)
Master Electrical Component List
Park Lamps and License Plate Lamps (RHD)
PARKING LAMP LH, PARKING LAMP RH Fuses, PARKING LAMP Relay
PARKING LAMP, LH, PARKING LAMP RH Fuses, PARKING LAMP Relay Continued (RHD)
PARKING LAMP, LH, PARKING LAMP RH Fuses, PARKING LAMP Relay Continued (RHD)
G401, G402
G102 (Cont)
G103, G107