GM Service Manual Online
For 1990-2009 cars only
Makes
🢒
Chevrolet
🢒
2004
🢒
Vivant
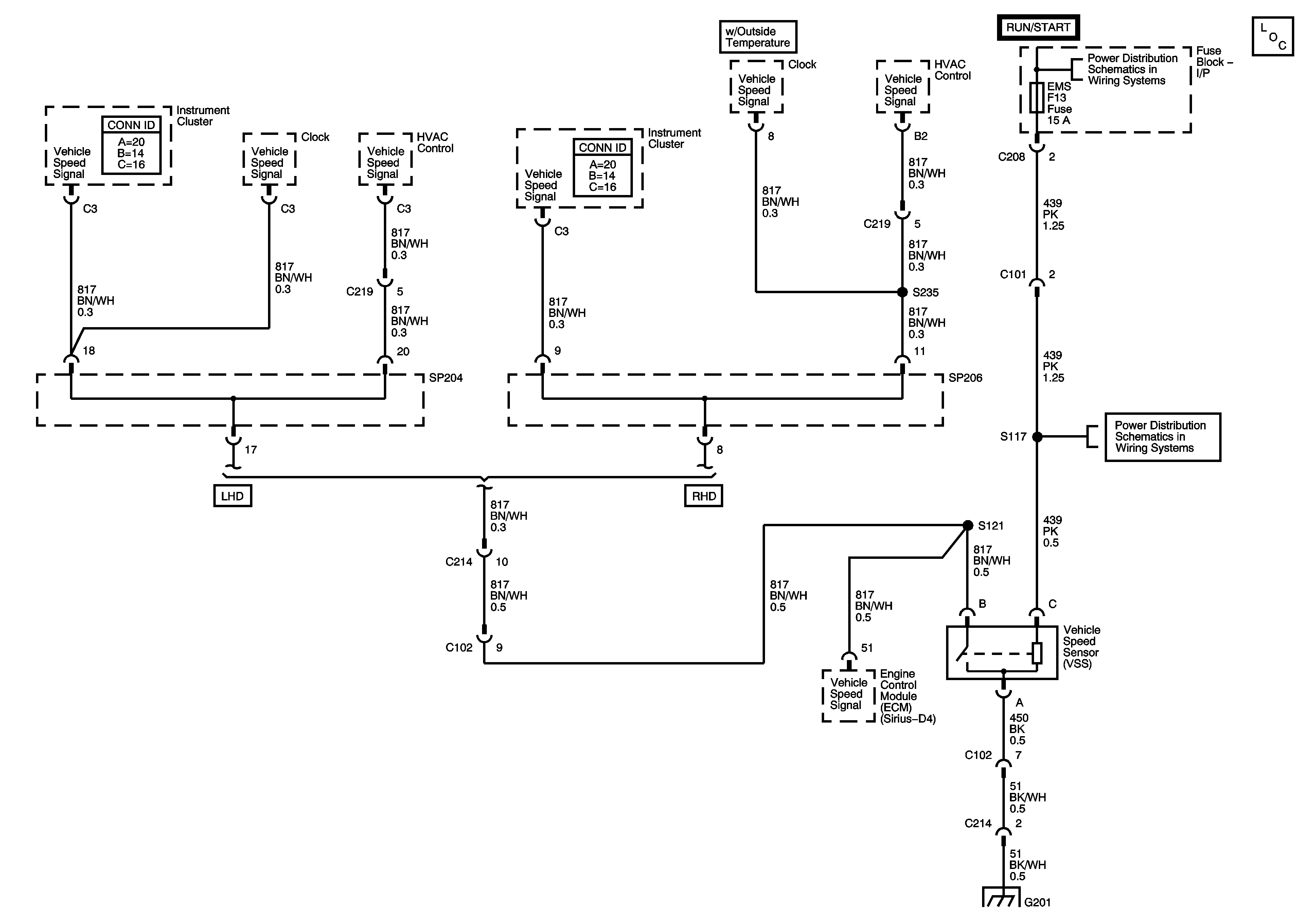
🢒 Vehicle Speed Sensor
Vehicle Speed Sensor
Vehicle Speed Sensor
Master Electrical Component List
IGNITION 1 and IGNITION 2 Fuses (MR-140)
IGNITION 1 and IGNITION 2 Fuses (MR-140)