GM Service Manual Online
For 1990-2009 cars only
Makes
🢒
Chevrolet
🢒
2004
🢒
Vivant
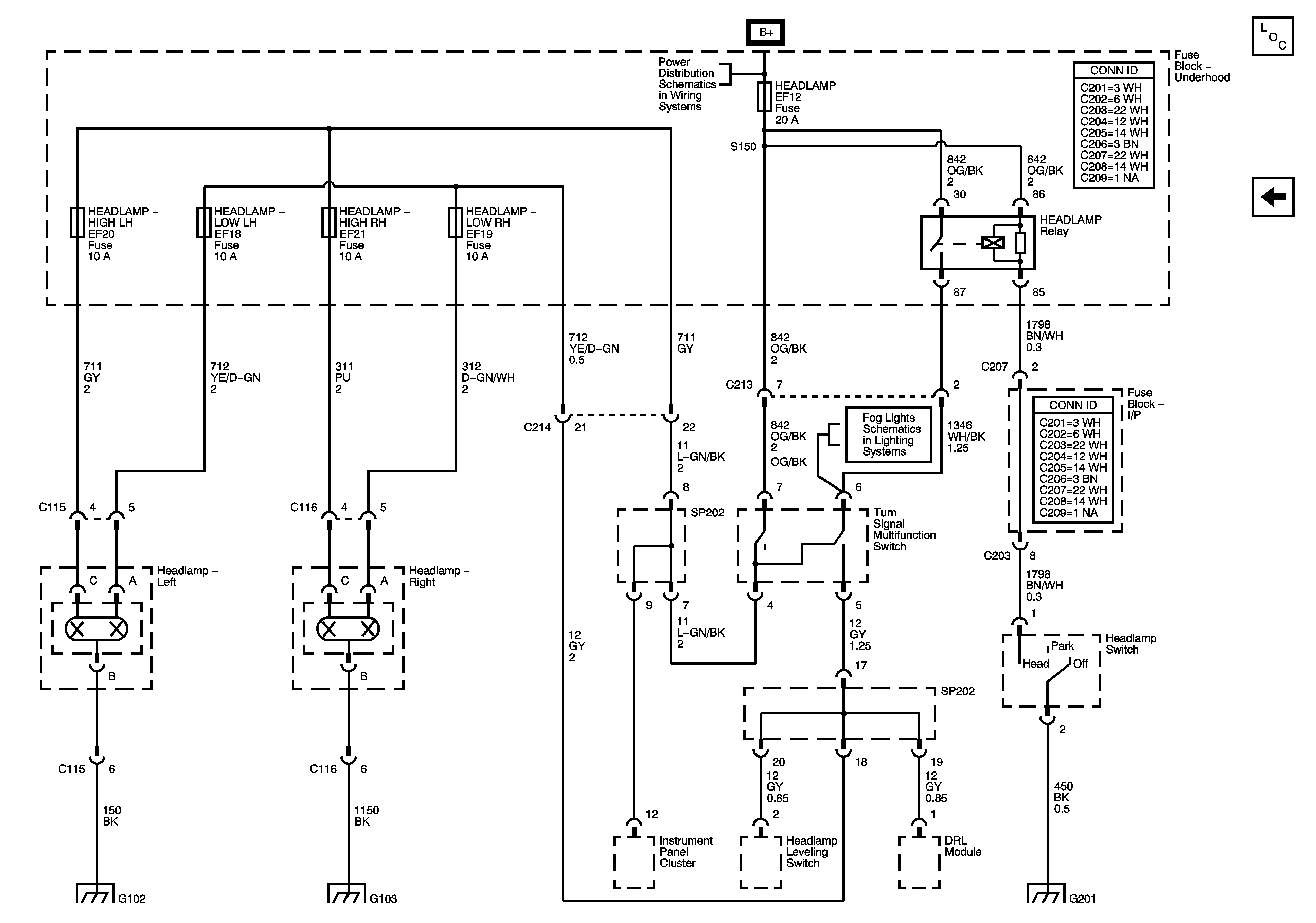
🢒 Headlights (RHD)
Headlights (RHD)
Headlights (RHD)
Master Electrical Component List
Headlights (LHD)
HEADLAMP Fuse and HEADLAMP Relay
Front Fog Lamps