GM Service Manual Online
For 1990-2009 cars only
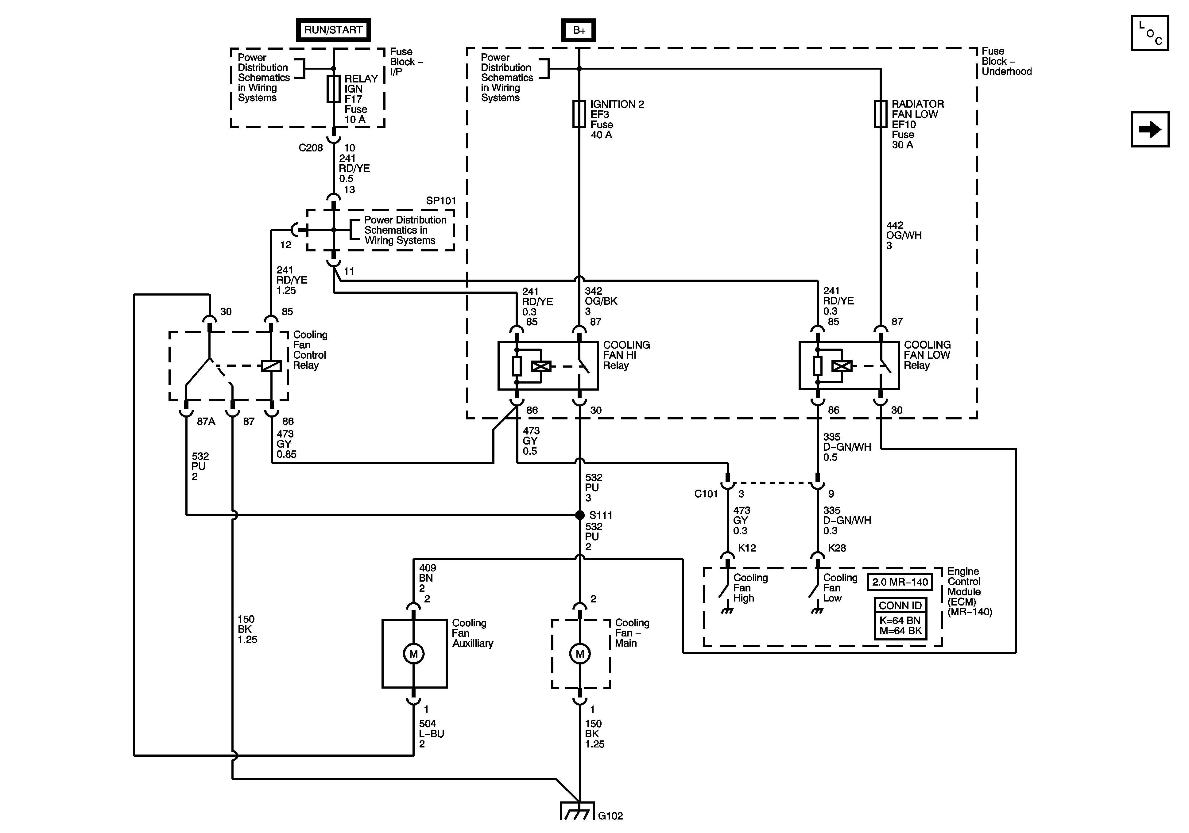
Figure 1:

Dual Fans (MR-140)


Object Number: 1346318  Size: FS
Master Electrical Component List
Dual Fans (ITMS-6F)
RELAY IGN Fuse
RELAY IGN Fuse
IGNITION 1 and IGNITION 2 Fuses (MR-140)
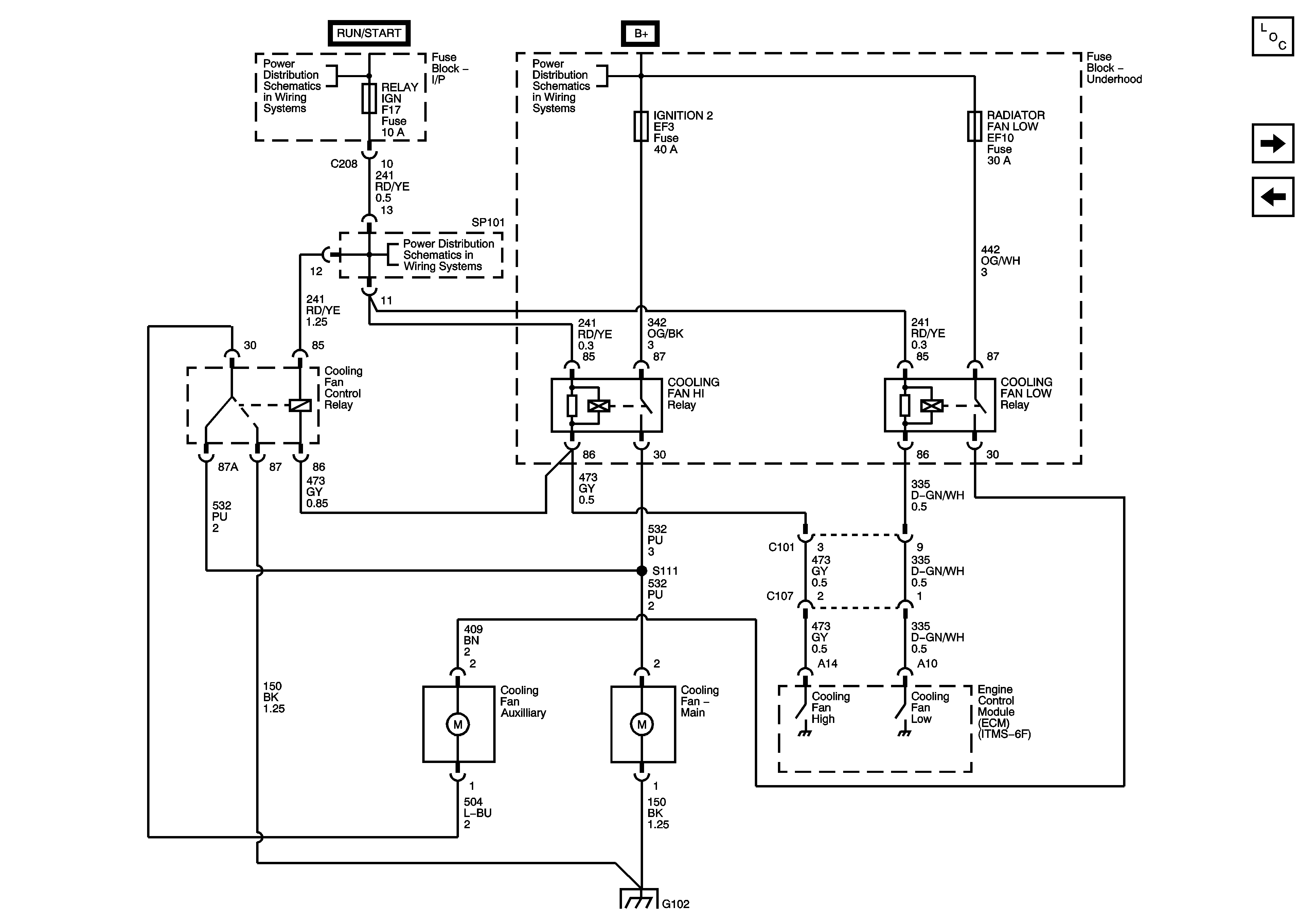
Figure 2:

Dual Fans (ITMS-6F)


Object Number: 1346320  Size: FS
Master Electrical Component List
Single Fan (Sirius D4)
Dual Fans (MR - 140)
RELAY IGN Fuse
IGNITION 1 and IGNITION 2 Fuses (ITMS-6F)
RELAY IGN Fuse
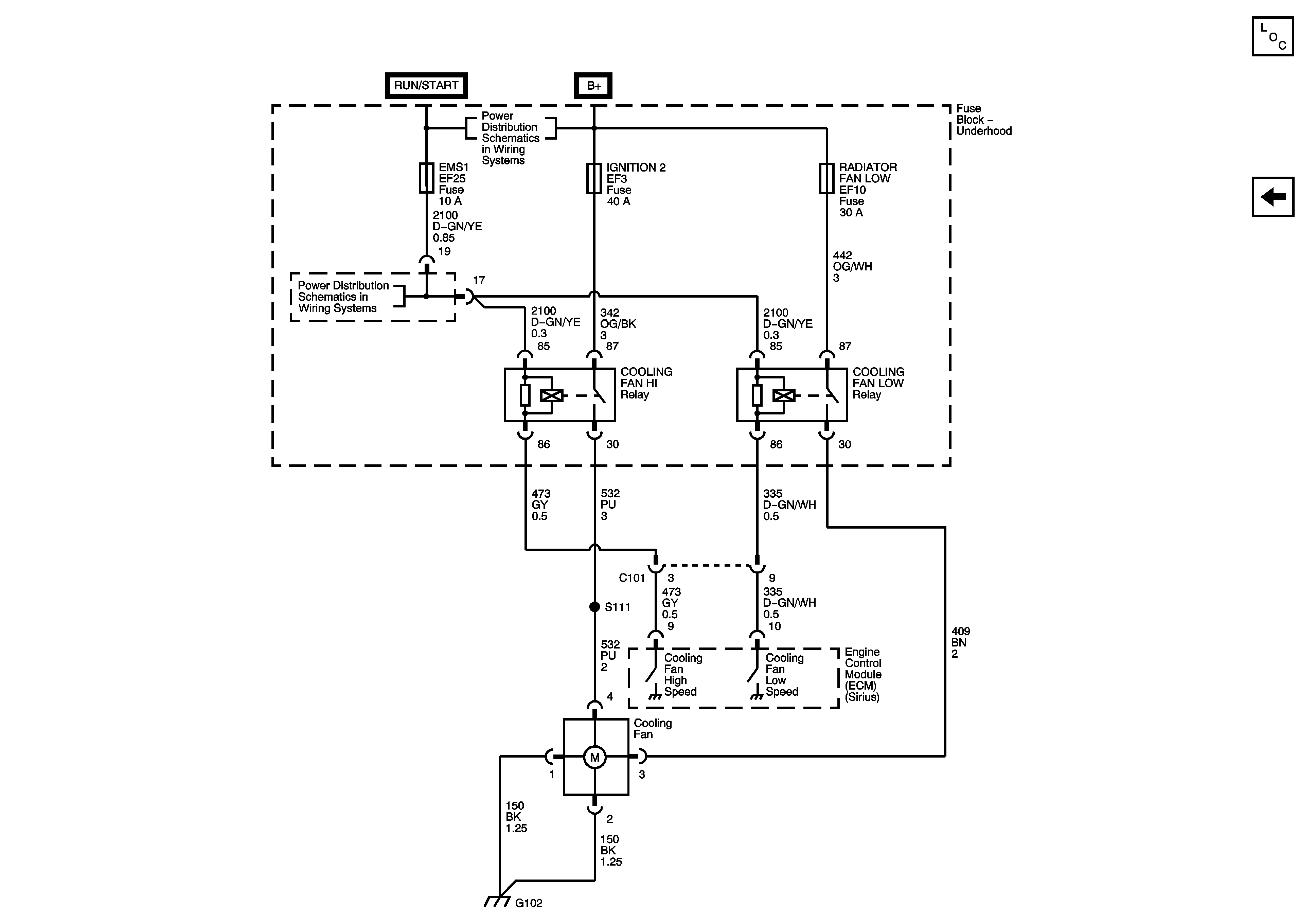
Figure 3:

Signal Fan (Sirius D4)


Object Number: 1346321  Size: FS
Master Electrical Component List
Dual Fans (ITMS-6F)
IGNITION 1 and IGNITION 2 Fuses (Sirius D4)
IGNITION 1 and IGNITION 2 Fuses (Sirius D4)