GM Service Manual Online
For 1990-2009 cars only
Makes
🢒
Chevrolet
🢒
2006
🢒
Vivant
🢒
Vehicle Control Systems
🢒
Computer/Integrating Systems
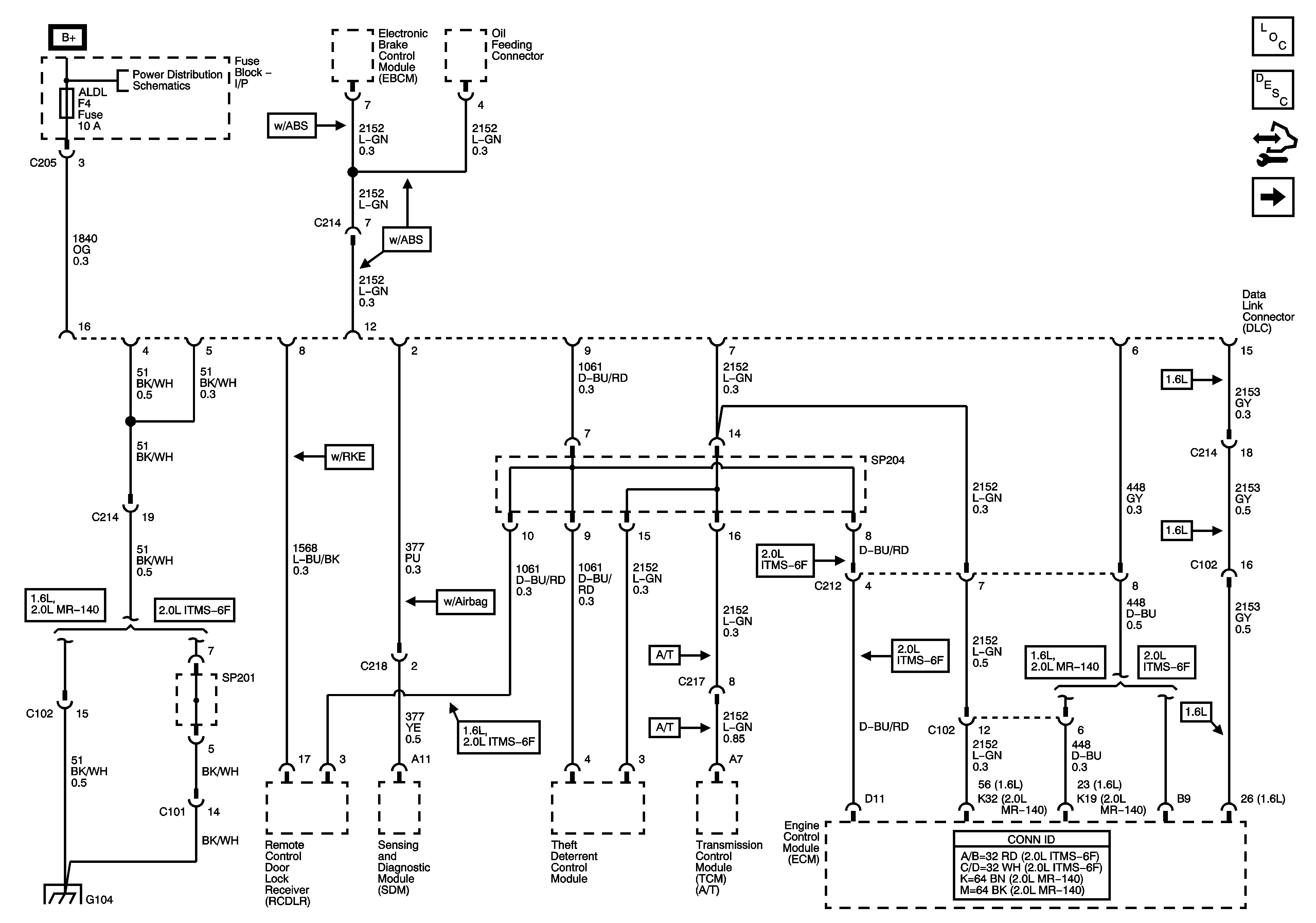
🢒 Data Link Connector Schematics
Figure
1:
LHD
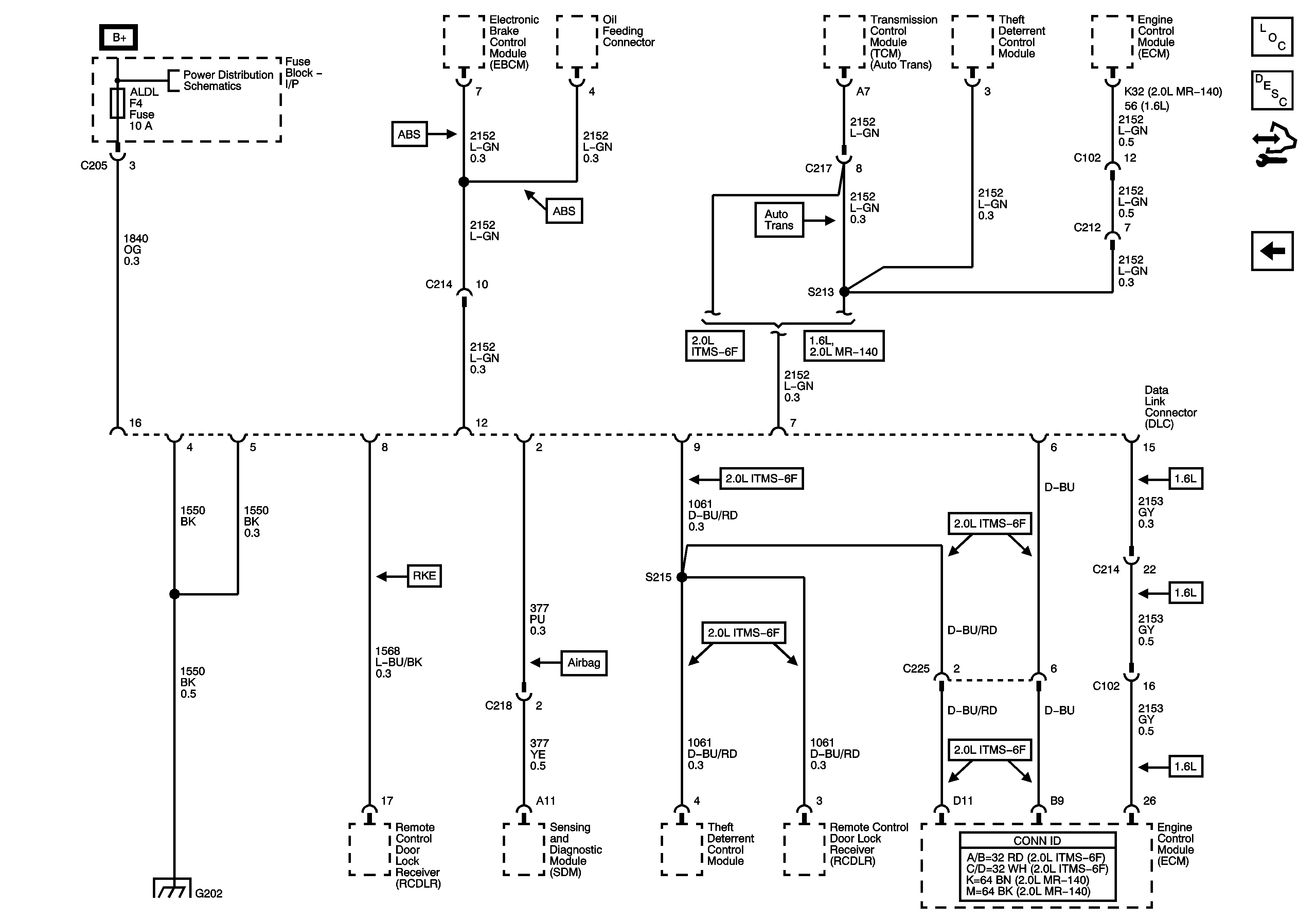
Figure
2:
RHD