GM Service Manual Online
For 1990-2009 cars only
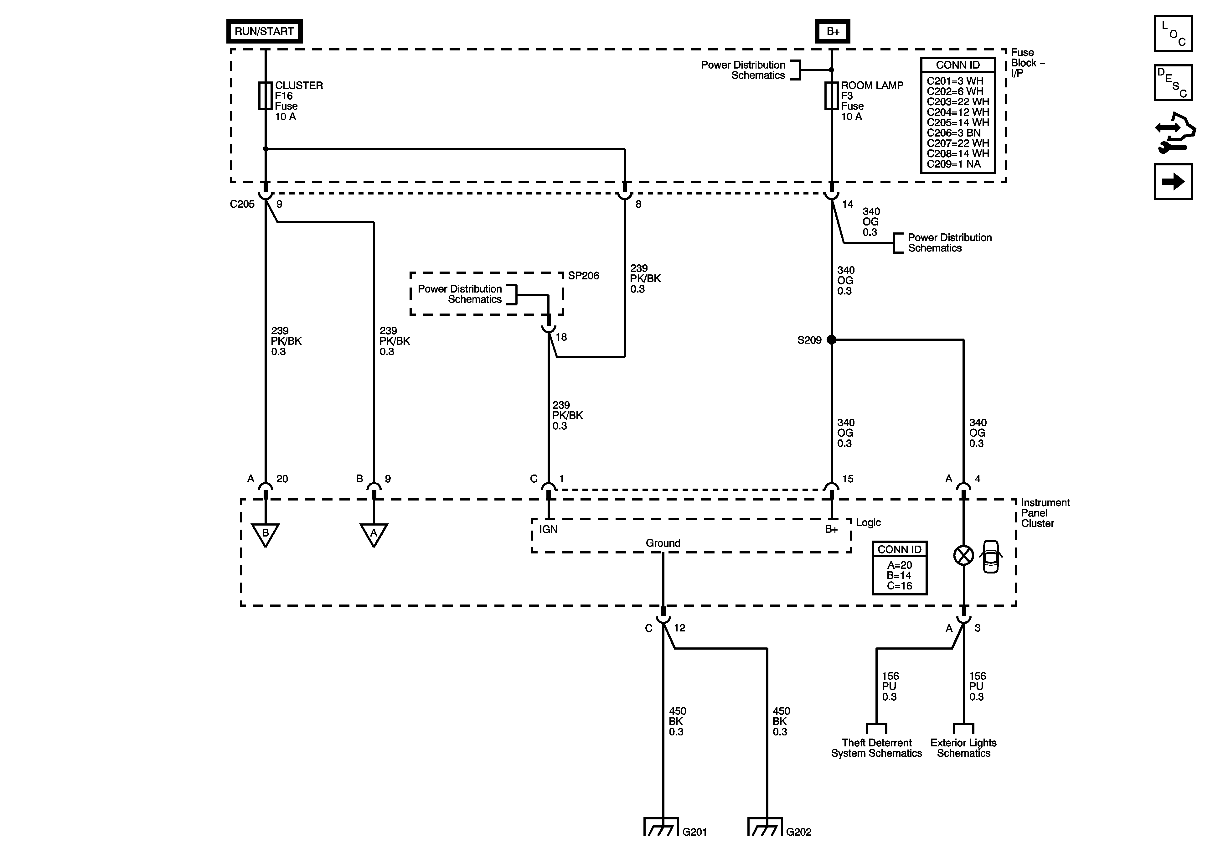
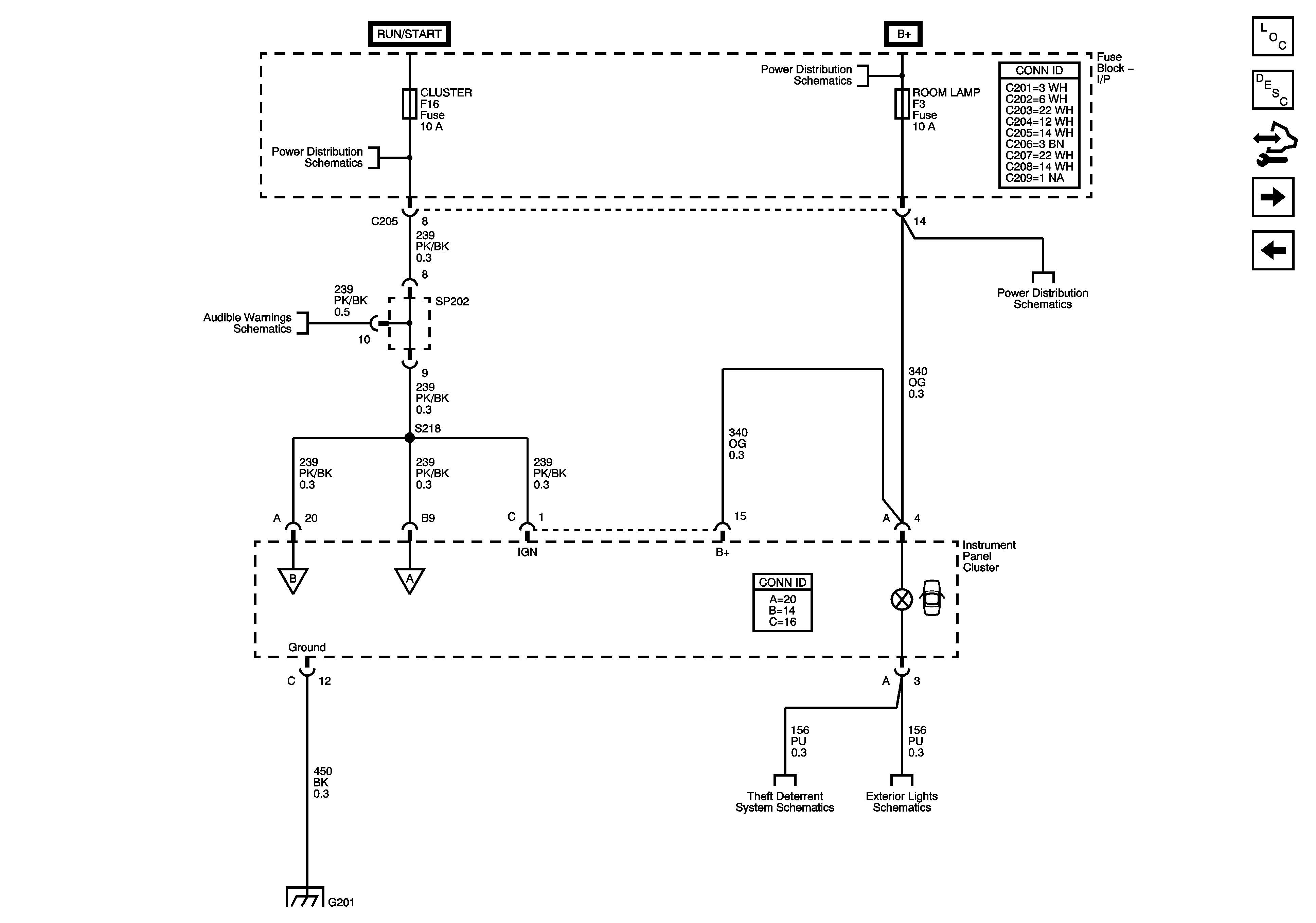
Figure 1:

Power and Ground (LHD)


Object Number: 1998190  Size: FS
Figure 2:

Power and Ground (RHD)


Object Number: 1998183  Size: FS
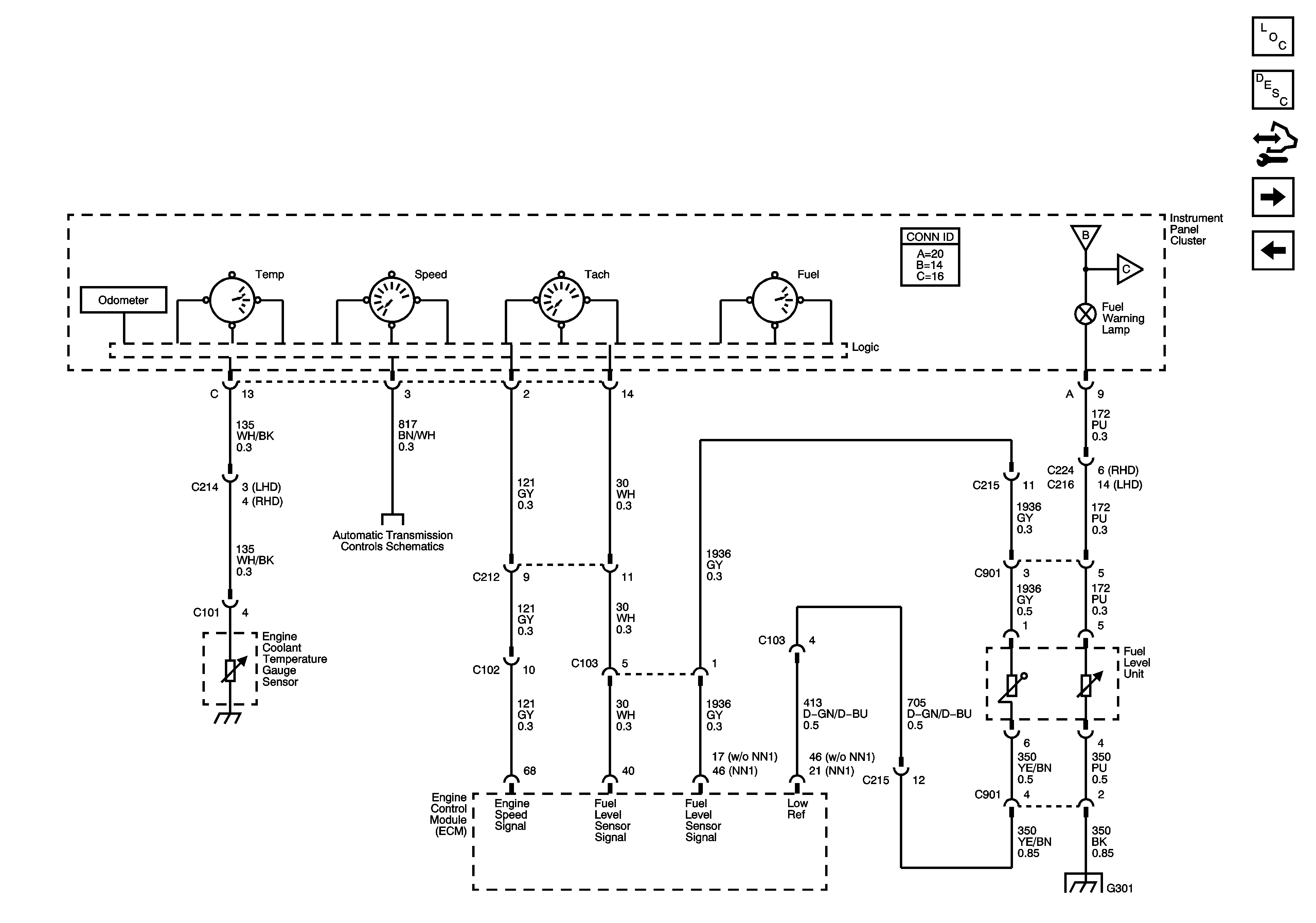
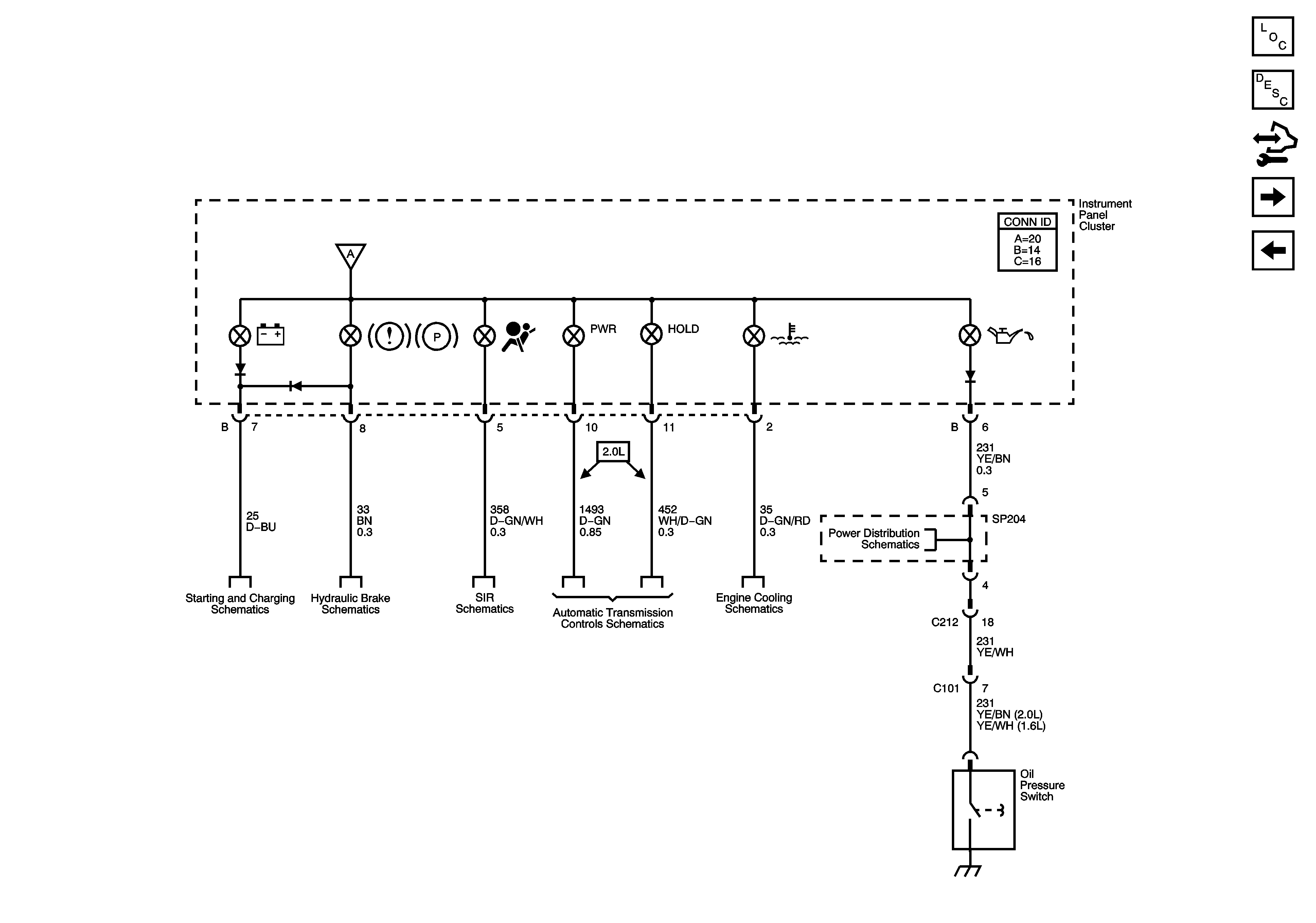
Figure 3:

Gages (TIMS-6F, Sirius D4 w/o EOBD)


Object Number: 1998261  Size: FS
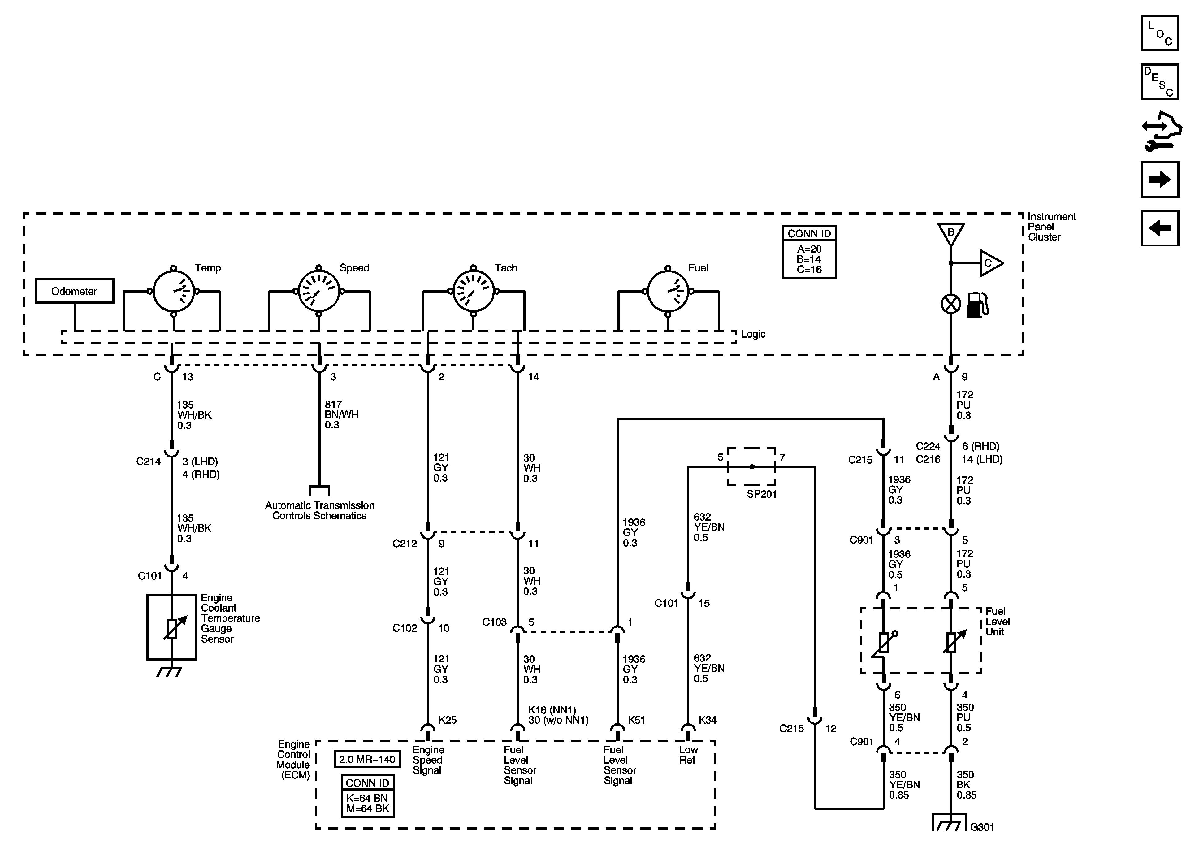
Figure 4:

Gages (MR-140)


Object Number: 1998262  Size: FS
Figure 5:

Gages (Sirius D4 w/EOBD)


Object Number: 1998263  Size: FS
Figure 6:

Indicators, 1 of 2


Object Number: 1998264  Size: FS
Figure 7:

Indicators, 2 of 2


Object Number: 1998265  Size: FS
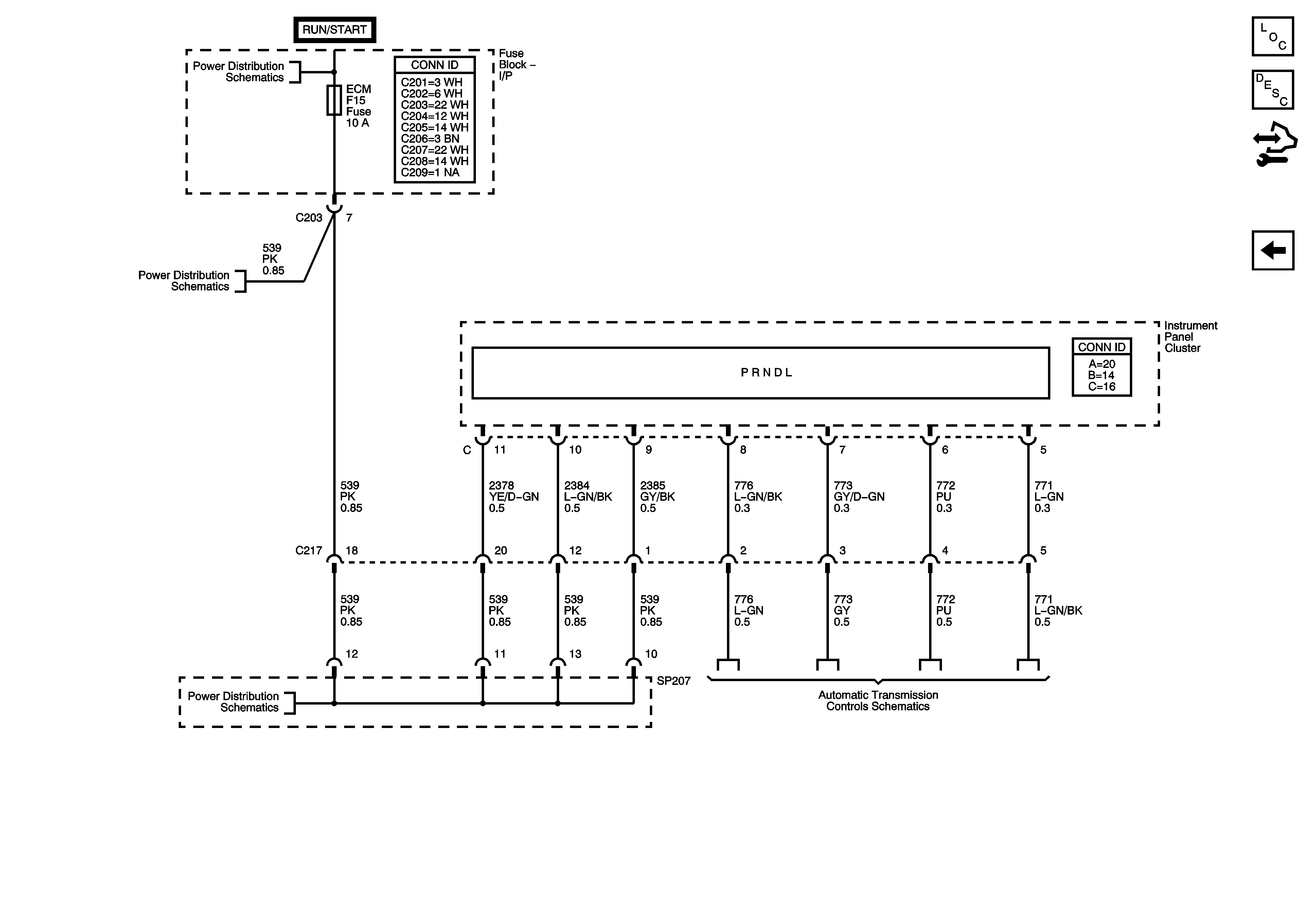
Figure 8:

PRNDL


Object Number: 1998266  Size: FS