GM Service Manual Online
For 1990-2009 cars only
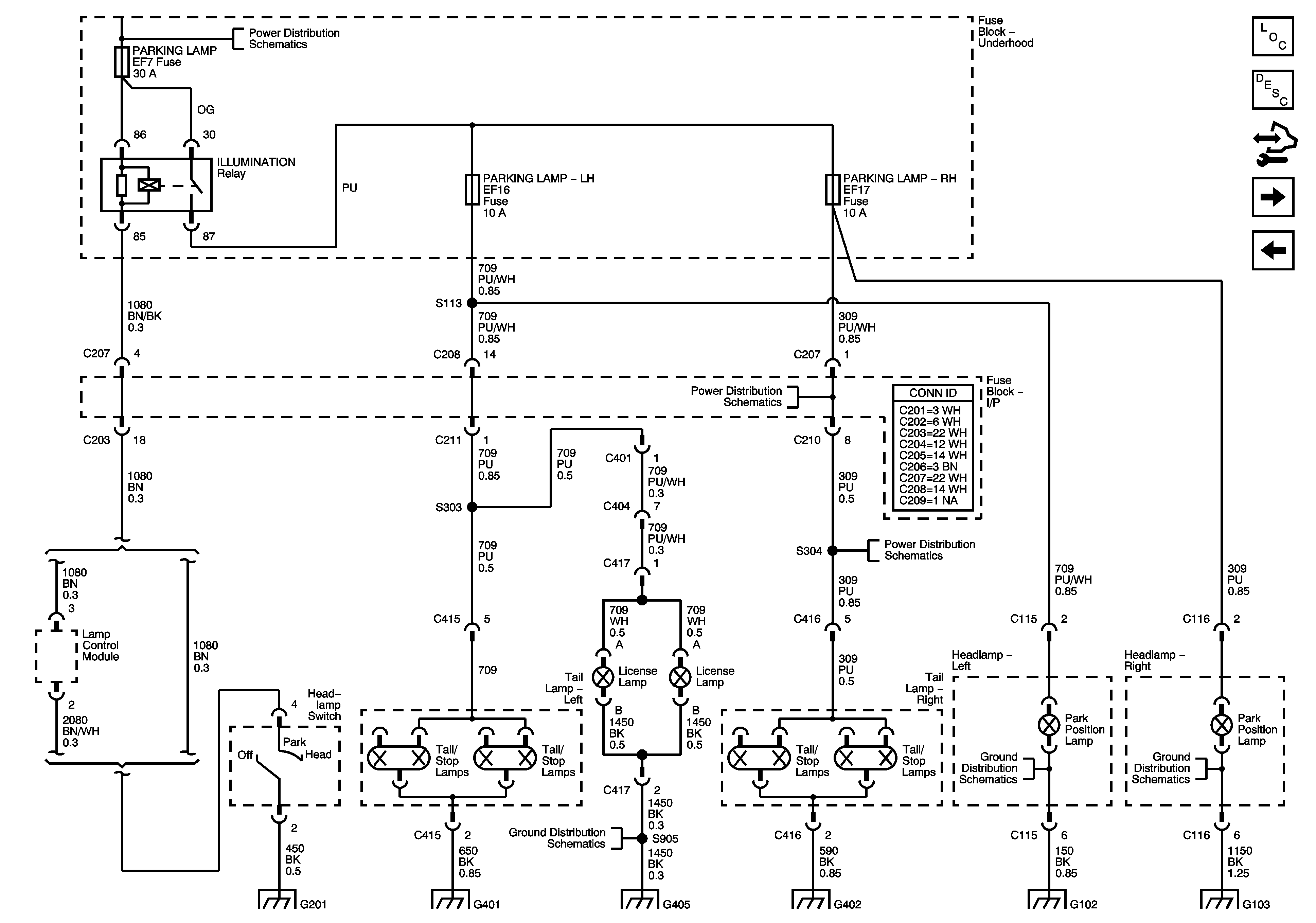
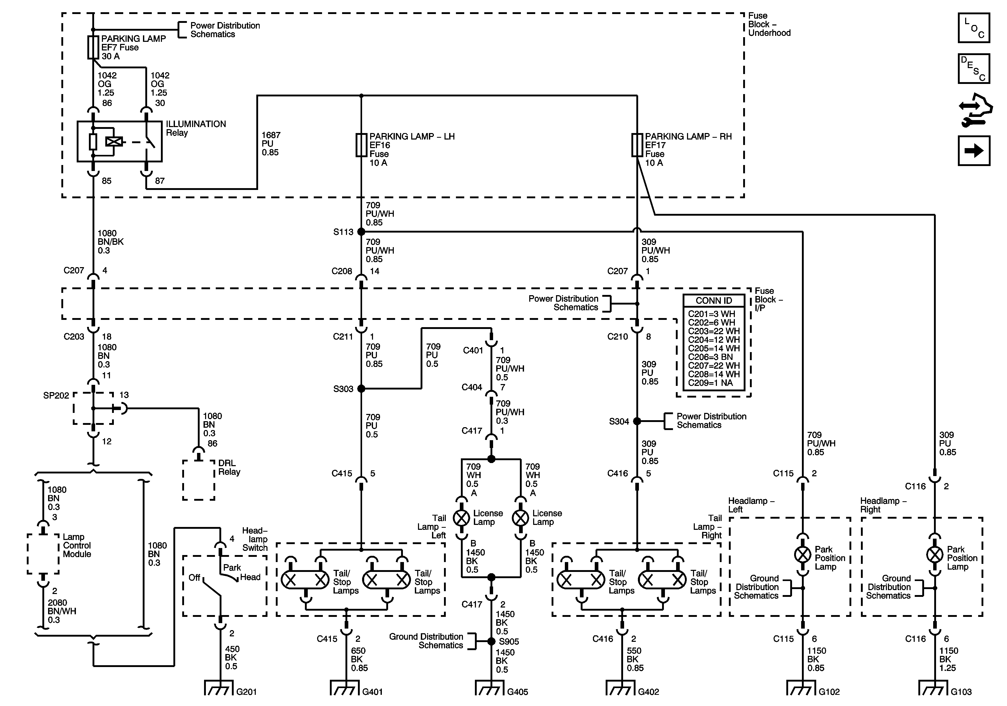
Figure 1:

Park Lamps and License Lamps (LHD)


Object Number: 1996517  Size: FS
Figure 2:

Park Lamps and License Lamps (RHD)


Object Number: 1996519  Size: FS
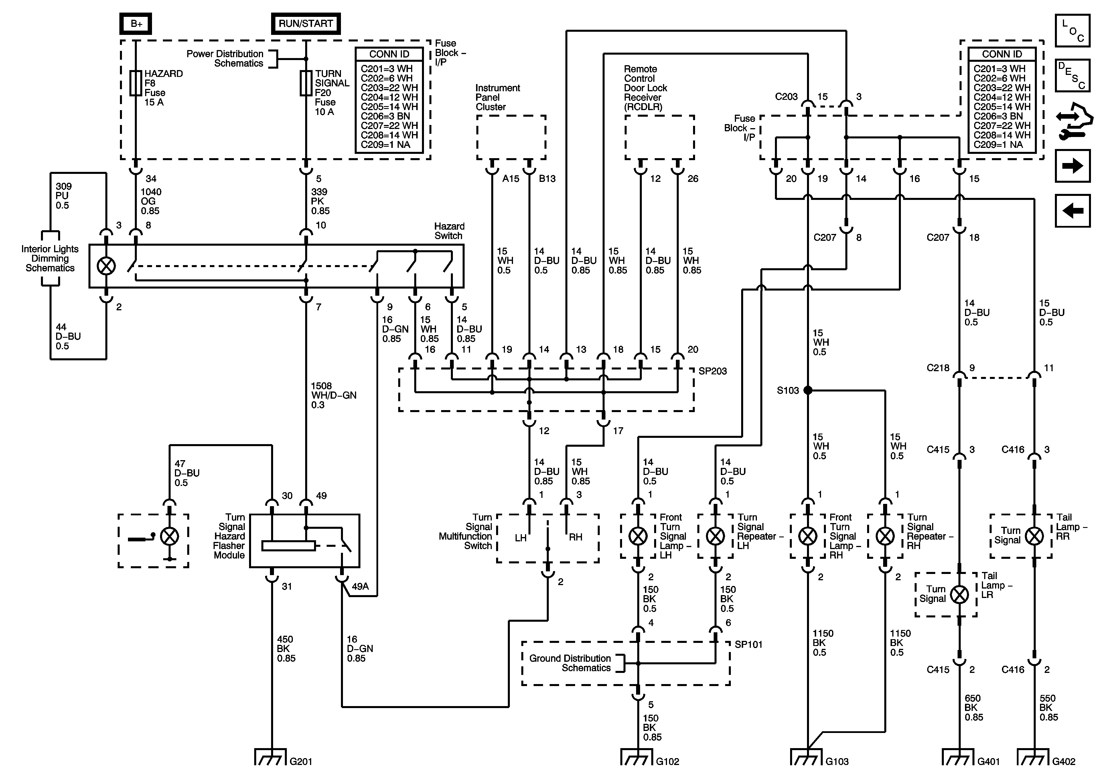
Figure 3:

Turn and Hazard Lamps (LHD)


Object Number: 1996522  Size: FS
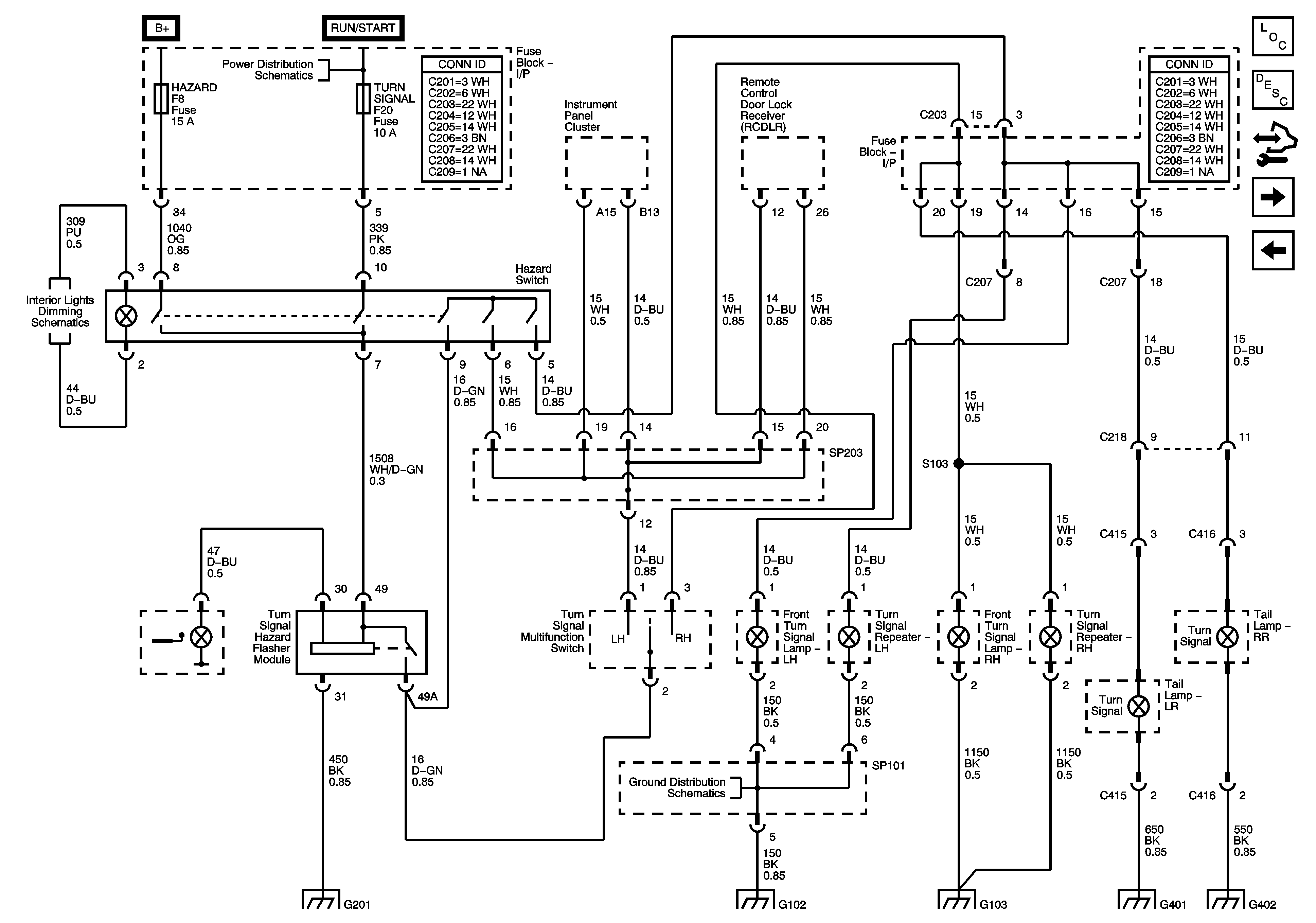
Figure 4:

Turn and Hazard Lamps (RHD)


Object Number: 1996526  Size: FS
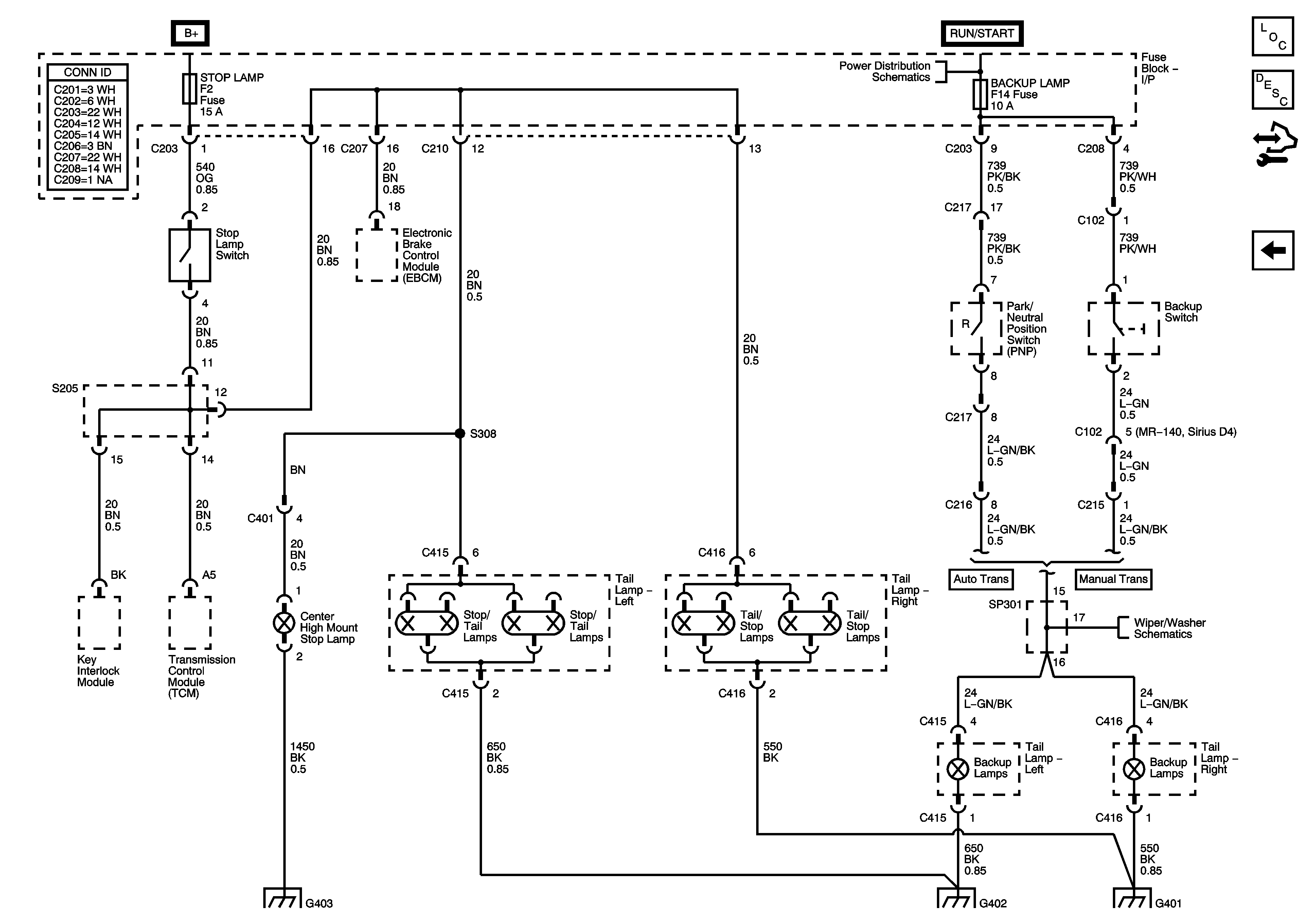
Figure 5:

Stop Lamps and Backup Lamps


Object Number: 1993846  Size: FS