GM Service Manual Online
For 1990-2009 cars only
Makes
🢒
Chevrolet
🢒
2006
🢒
Vivant
🢒
Body
🢒
Lighting Systems
🢒 Interior Lights Schematics
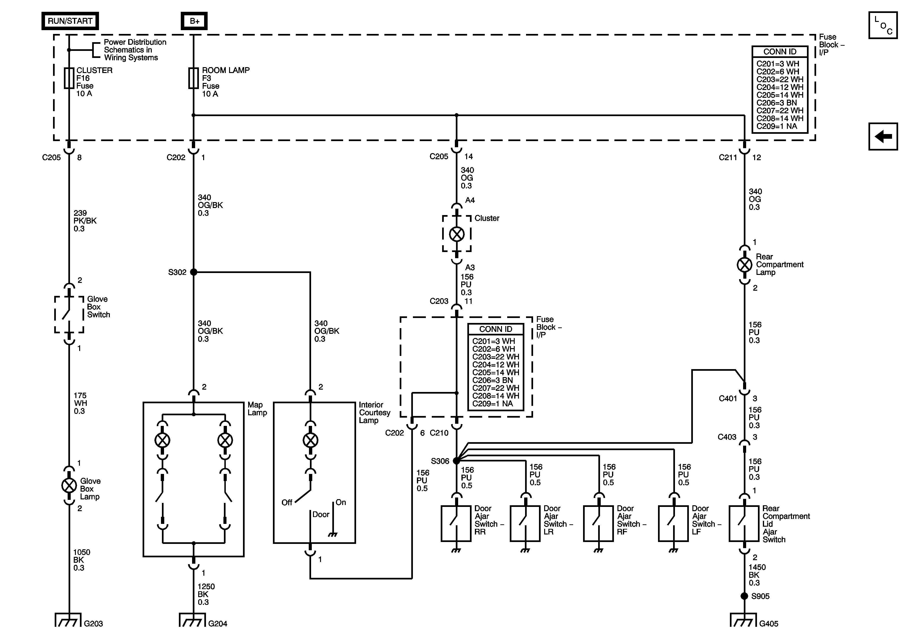
Figure
1:
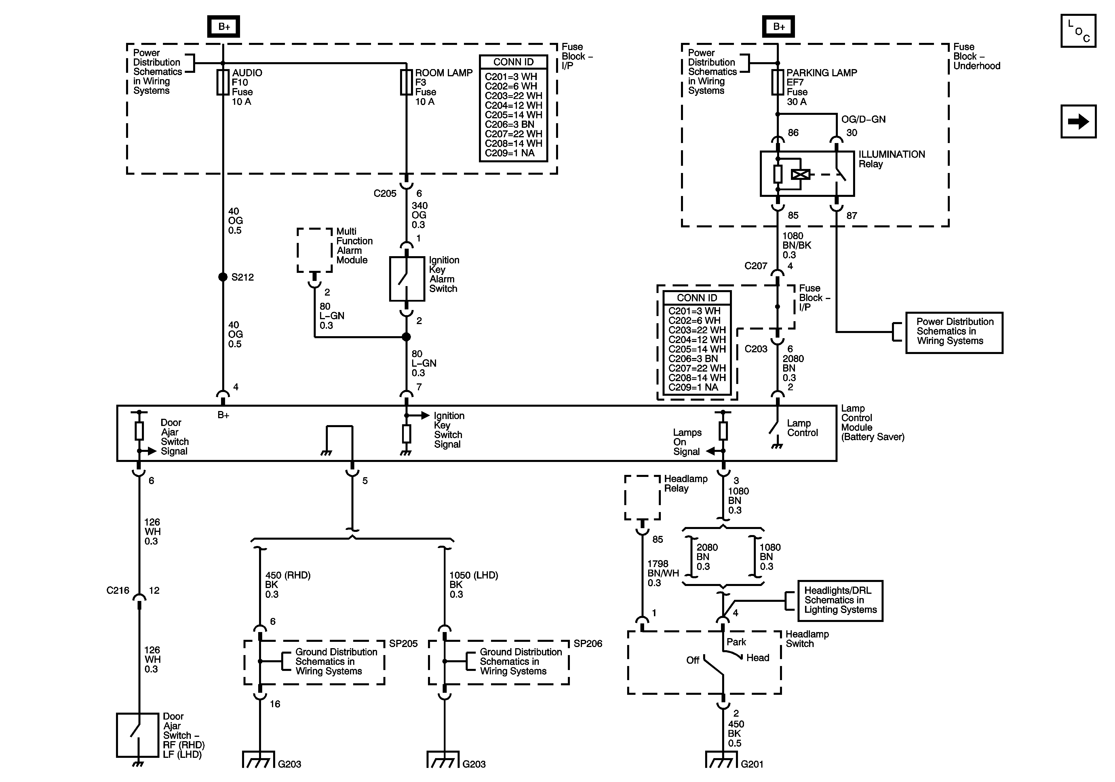
Lamp Control Module - Battery Saver
Master Electrical Component List
Courtesy Lamps
AUDIO and CIGAR LIGHTER Fuses (LHD)
PARKING LAMP LH, PARKING LAMP RH Fuses, PARKING LAMP Relay
PARKING LAMP LH, PARKING LAMP RH Fuses, PARKING LAMP Relay
G203
G203
Daytime Running Lamps (DRL)
Figure
2:
Courtesy Lamps
Master Electrical Component List
Lamp Control Module - Battery Saver
CLUSTER, AIR BAG, TURN SIGNAL, and CRUISE Fuses (LHD)