GM Service Manual Online
For 1990-2009 cars only
Makes
🢒
Chevrolet
🢒
2006
🢒
Vivant
🢒
Body
🢒
Lighting Systems
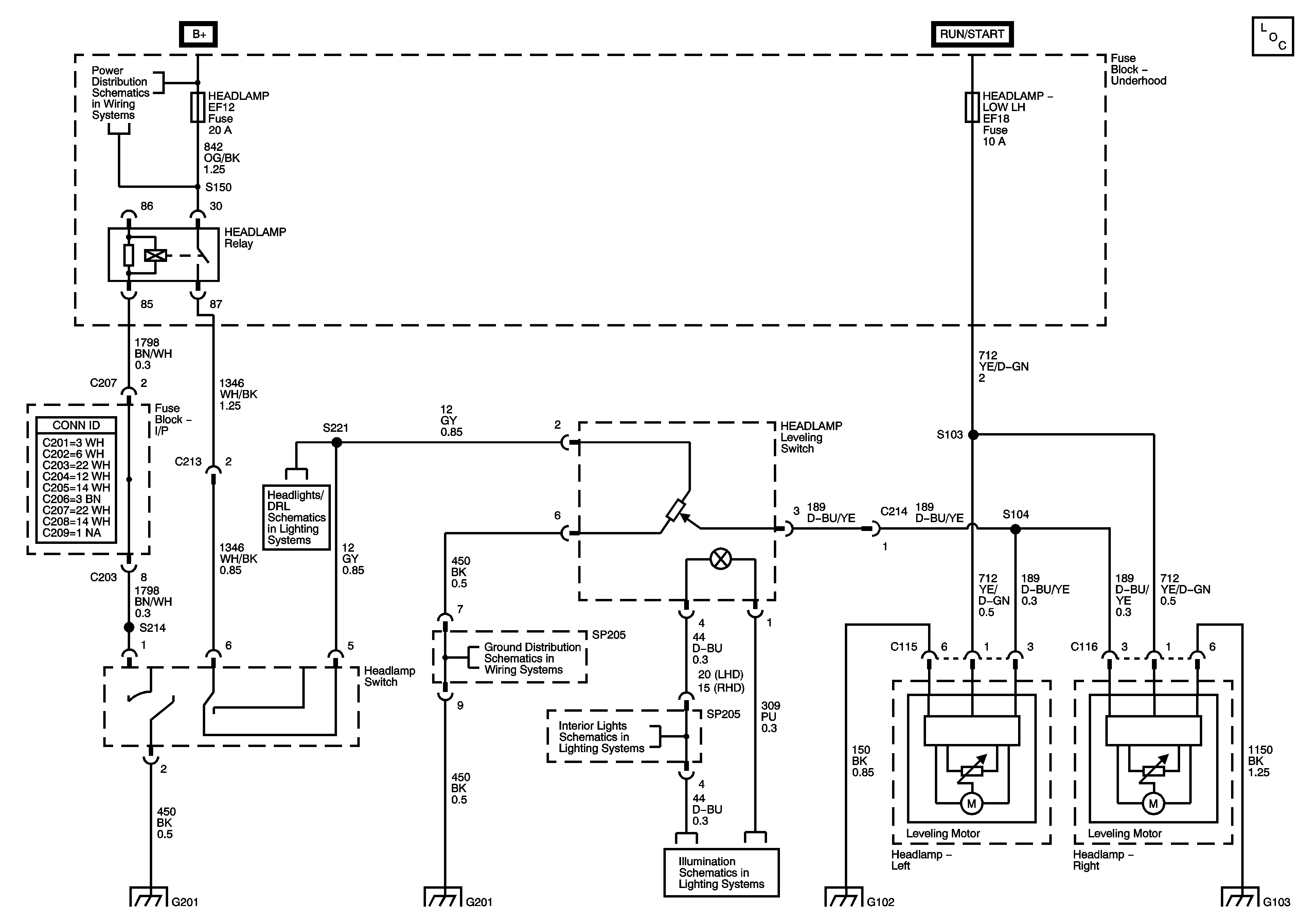
🢒 Headlight Leveling Schematics
Headlamp Leveling
Master Electrical Component List
HEADLAMP Fuse and HEADLAMP Relay
Headlights (LHD)
G201, G202 (LHD)
Lamp Control Module - Battery Saver
IP Illumination (w/ Dimming (LHD))