GM Service Manual Online
For 1990-2009 cars only
Makes
🢒
Chevrolet
🢒
2006
🢒
Vivant
🢒
Body
🢒
Stationary Windows
🢒 Defogger Schematics
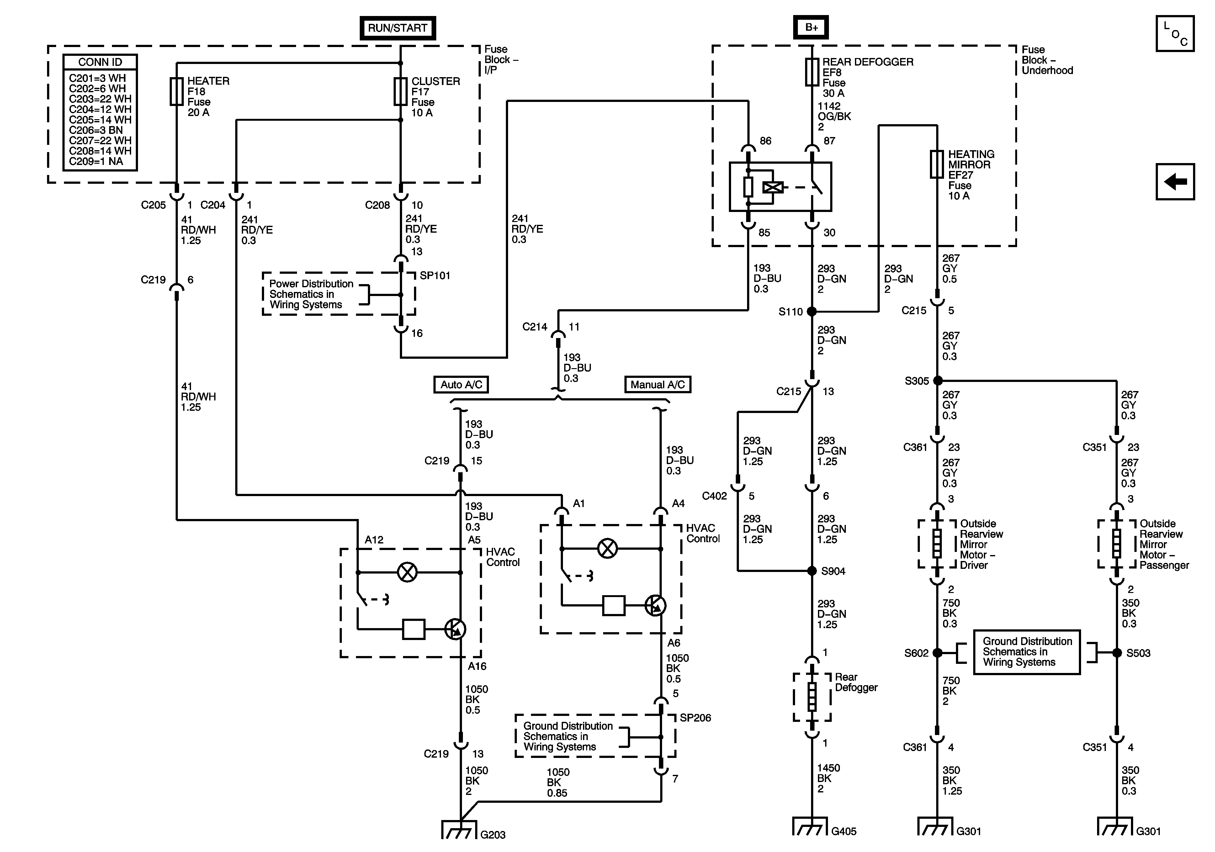
Figure
1:
Rear Defogger and Outside Rear View Mirrors (LHD)
Master Electrical Component List
Rear Defogger and Outside Rear View Mirrors (RHD)
CLUSTER, AIR BAG, TURN SIGNAL, and CRUISE Fuses (LHD)
G203
G301
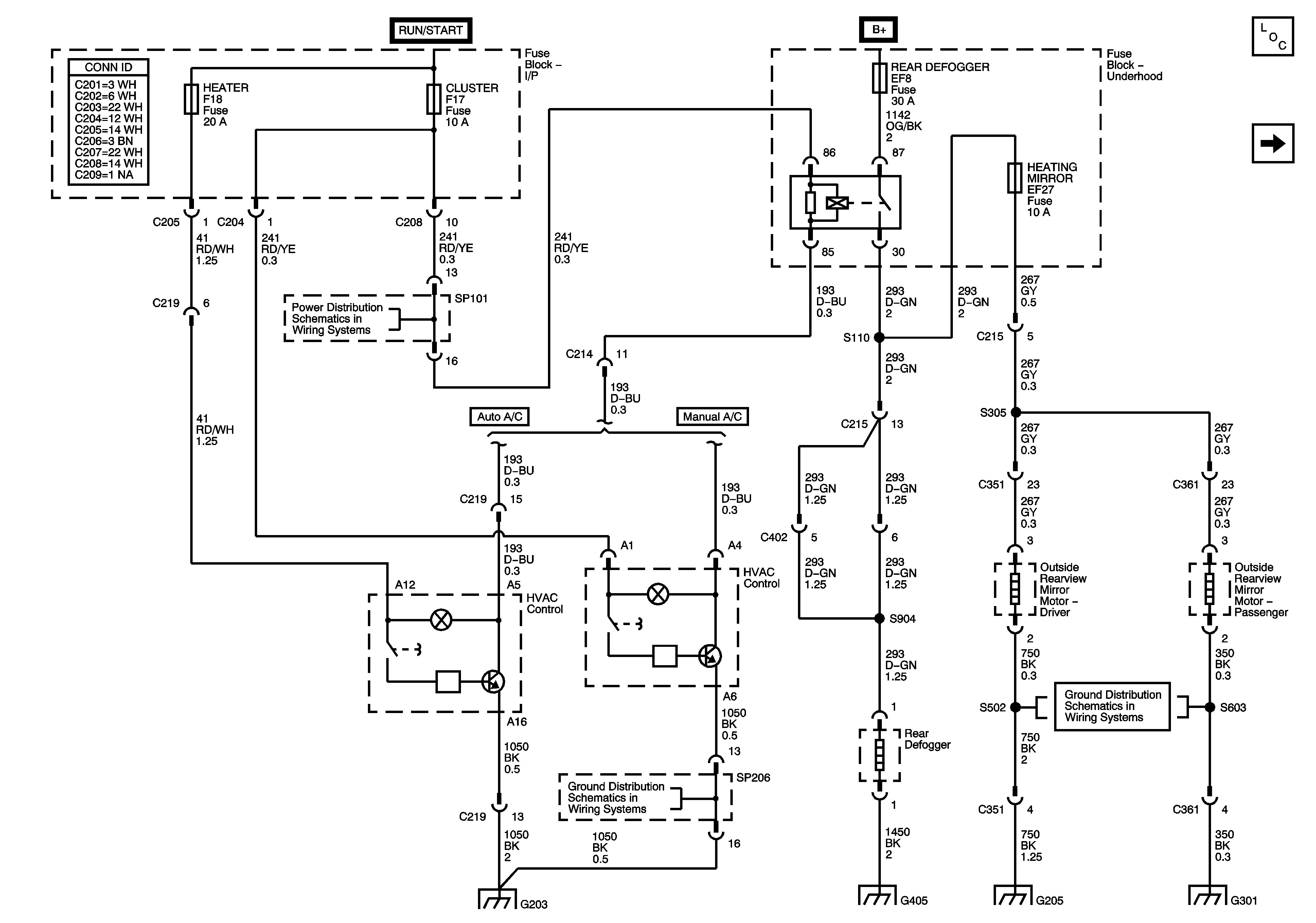
Figure
2:
Rear Defogger and Outside Rear View Mirrors (RHD)
Master Electrical Component List
Rear Defogger and Outside Rear View Mirrors (LHD)
CLUSTER AIR BAG, TURN SIGNAL, and CRUISE Fuses (RHD)
G203
G301