GM Service Manual Online
For 1990-2009 cars only
Figure 1:

Fuse Block - Underhood B+ Bus, 1 of 2


Object Number: 1997273  Size: FS
Figure 2:

Fuse Block - Underhood B+ Bus, 2 of 2


Object Number: 1997276  Size: FS
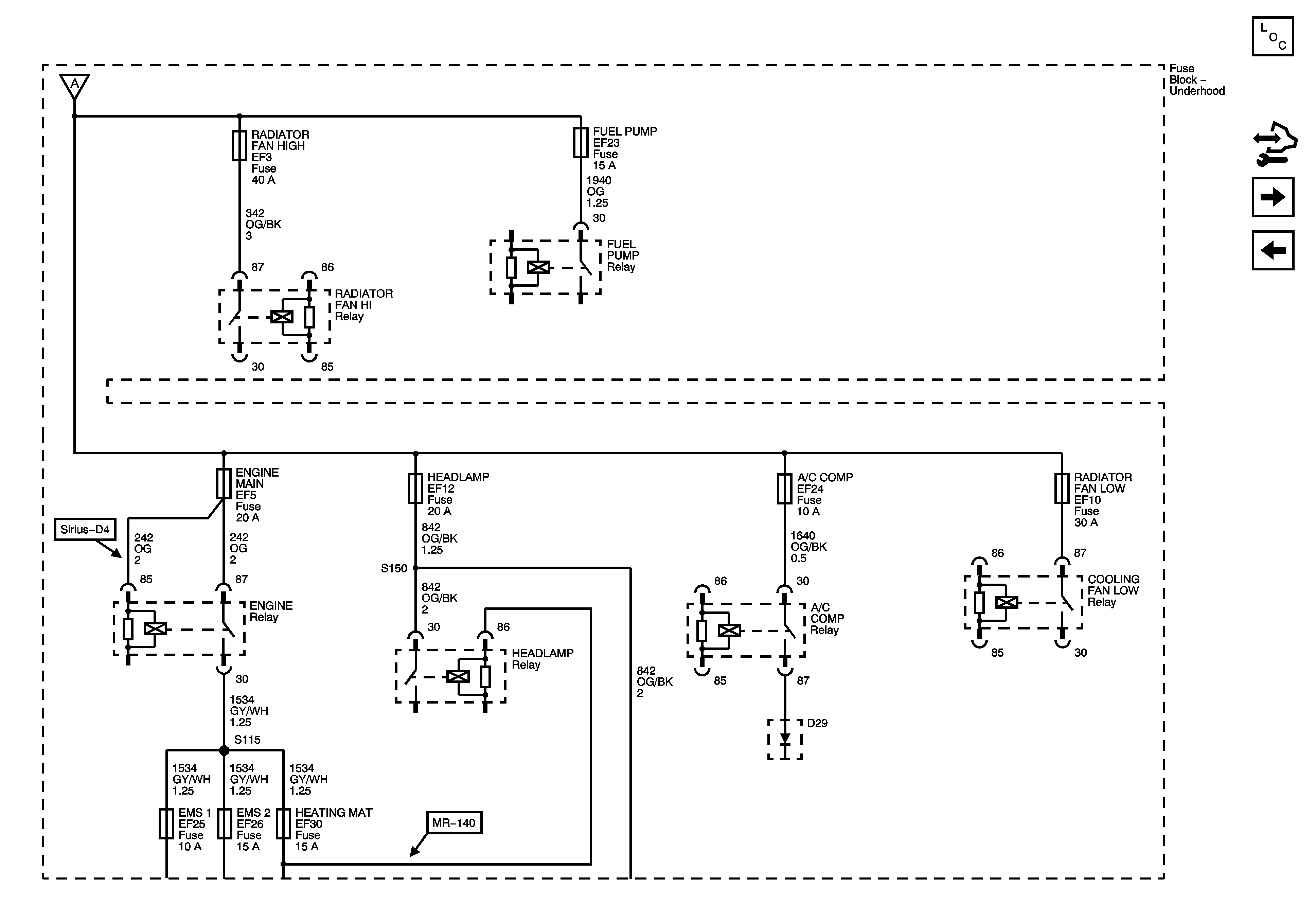
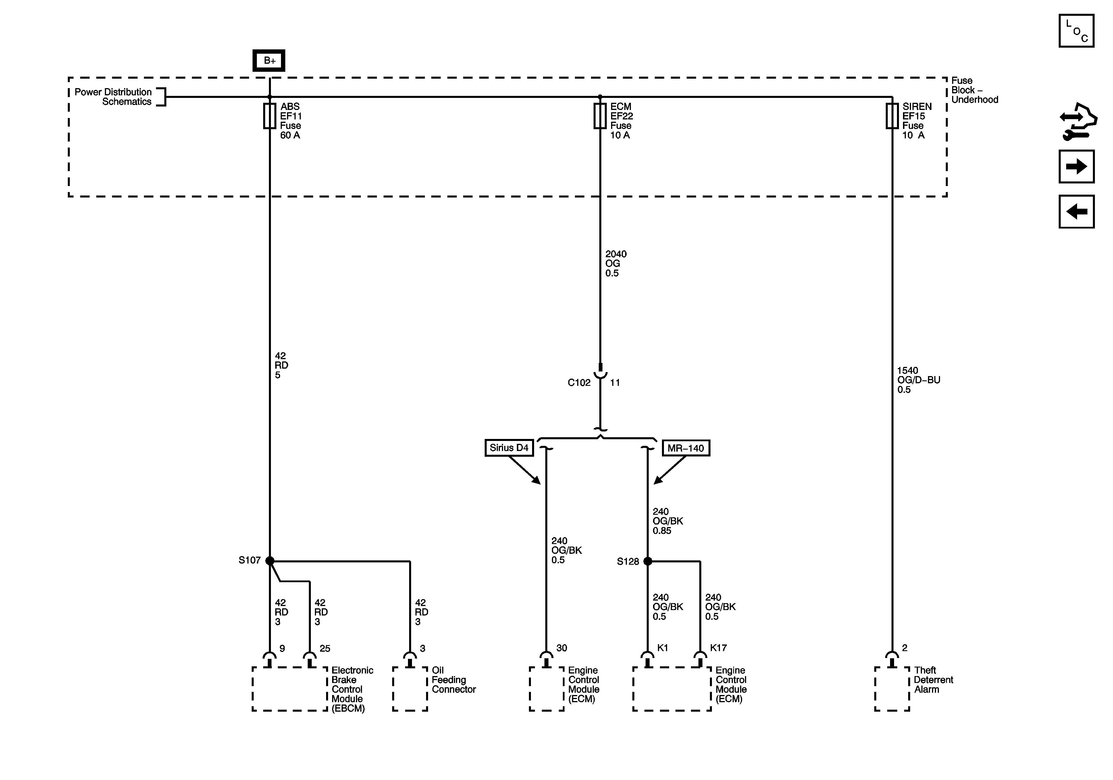
Figure 3:

Fuse Block - Underhood ABS, ECM, SIREN Fuses


Object Number: 1997279  Size: FS
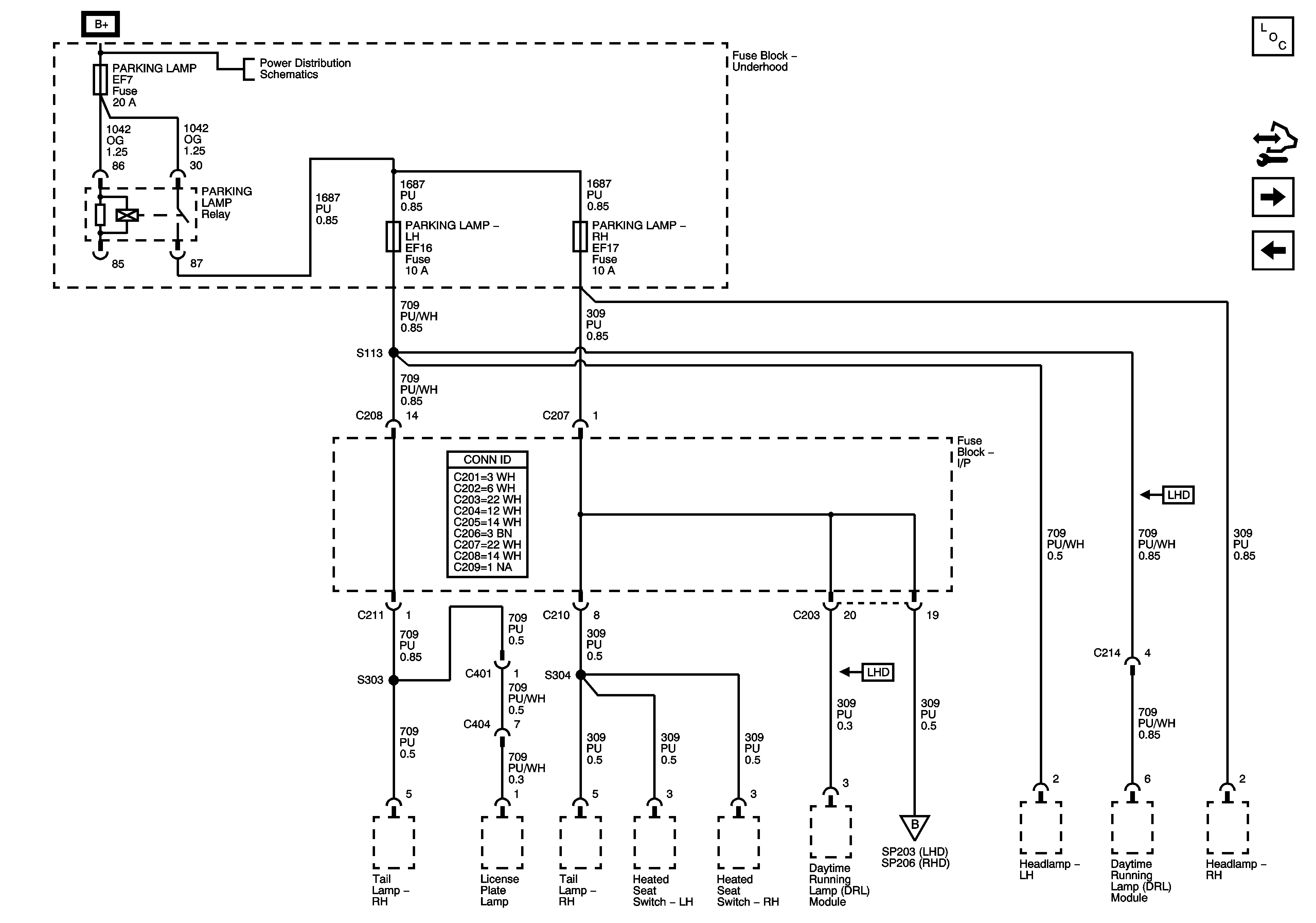
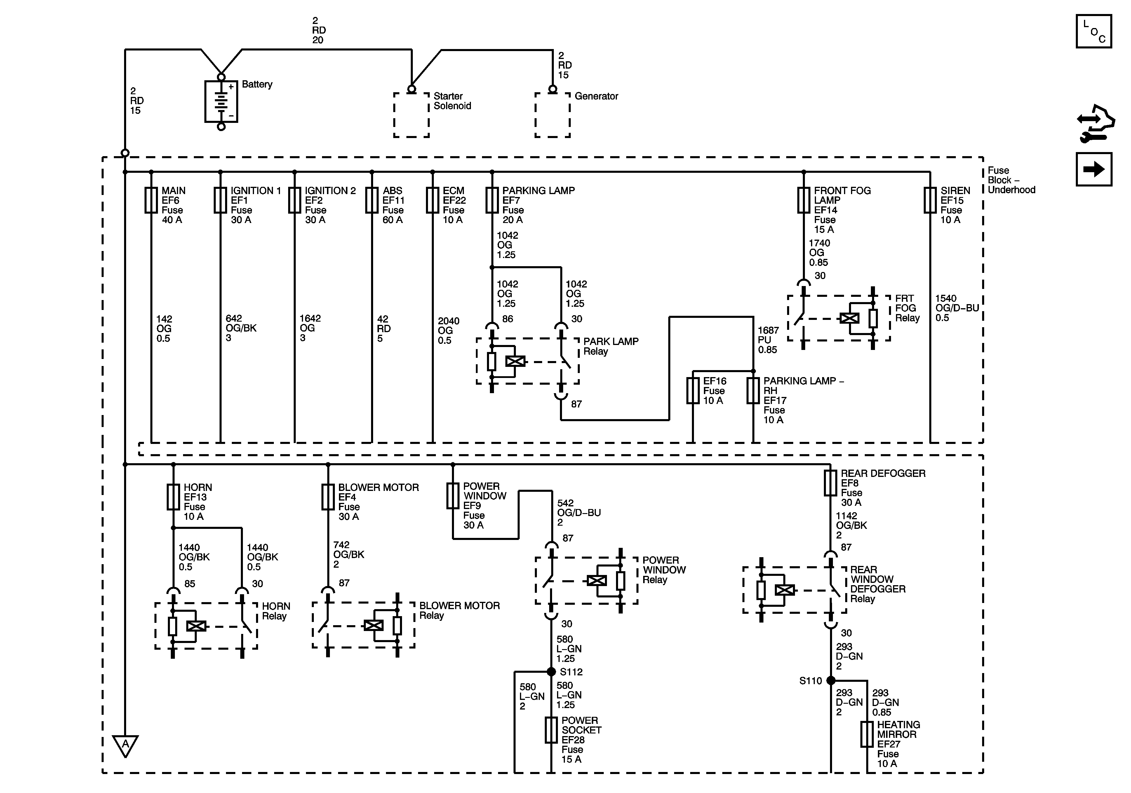
Figure 4:

Fuse Block - Underhood PARKING LAMP Fuses, PARKING LAMP Relay


Object Number: 1997282  Size: FS
Figure 5:

SP203 and SP206 (LHD)


Object Number: 1997288  Size: FS
Figure 6:

SP203 and SP206 (RHD)


Object Number: 1997293  Size: FS
Figure 7:

Fuse Block - Underhood HEADLAMP, POWER WINDOW, REAR DEFOGGER Fuses


Object Number: 1997298  Size: FS
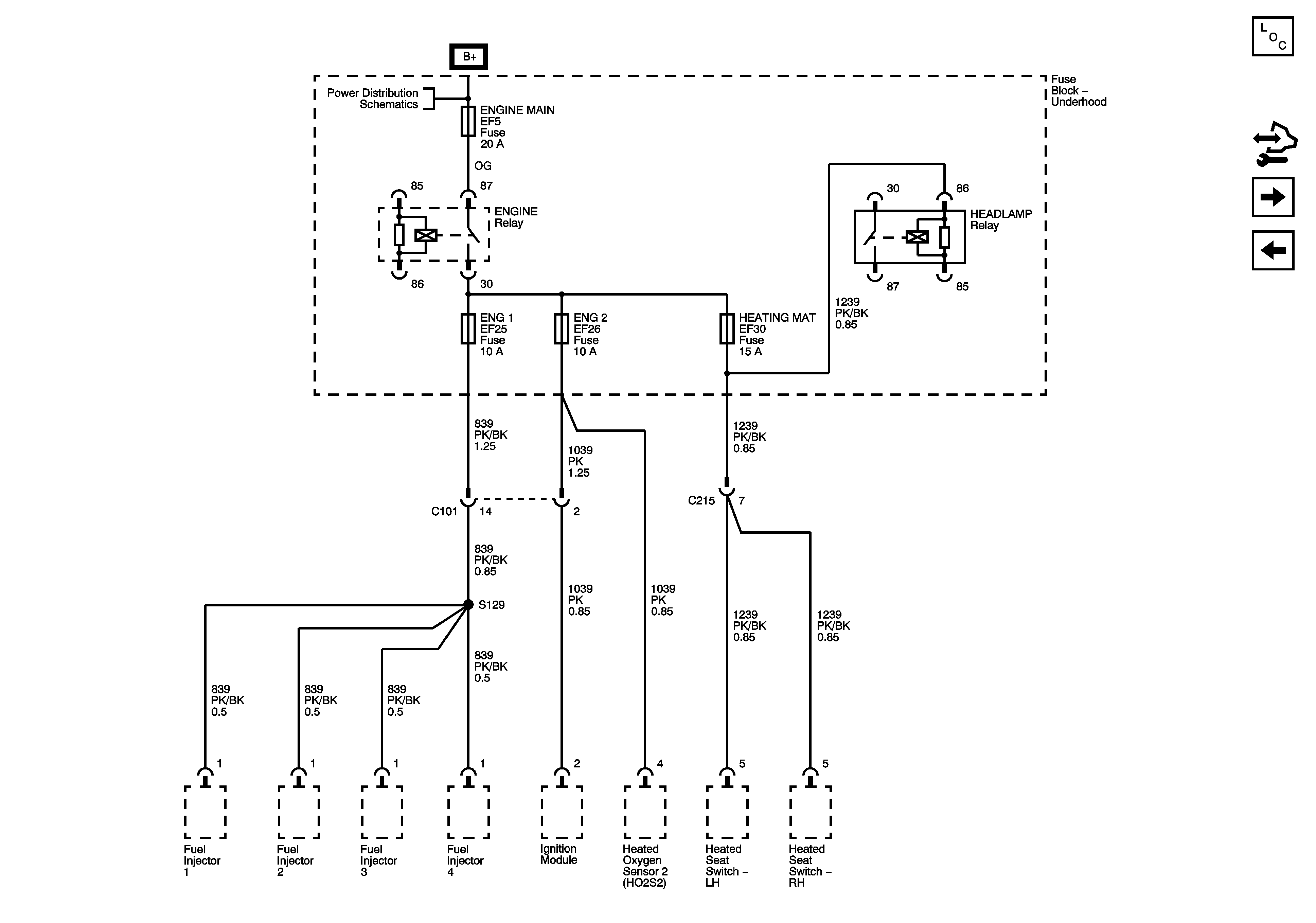
Figure 8:

Fuse Block - Underhood ENGINE MAIN, ENG 1, ENG 2, HEATING MAT Fuses, ENGINE and HEADLAMP Relays (MR-140)


Object Number: 1997307  Size: FS
Figure 9:

Fuse Block - Underhood ENGINE MAIN, EMS 1, EMS 2, HEATING MAT Fuses, and ENGINE Relay (ITMS)


Object Number: 1997312  Size: FS
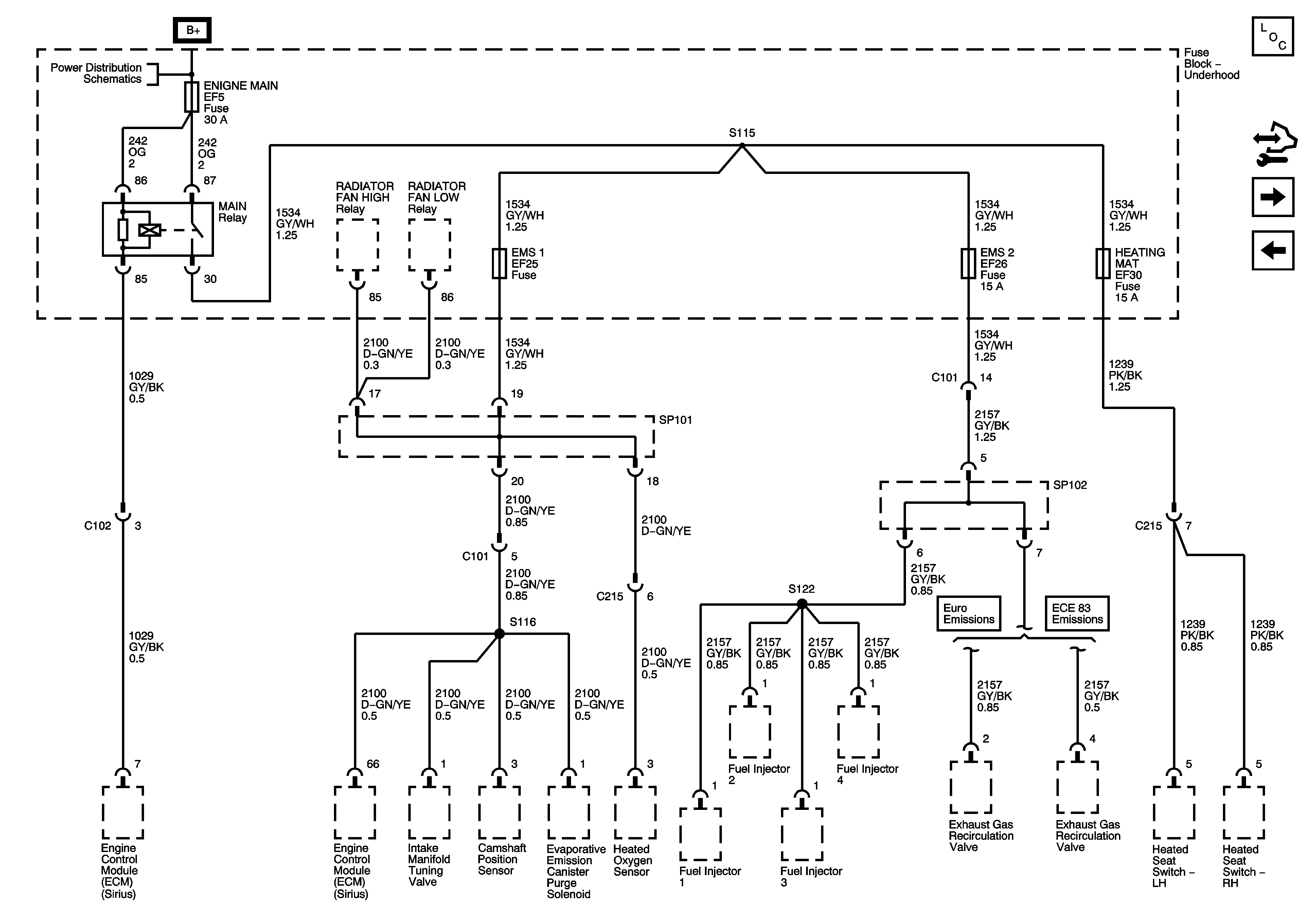
Figure 10:

Fuse Block - Underhood ENGINE MAIN, EMS 1, EMS 2, HEATING MAT Fuses, and MAIN Relay (Sirius)


Object Number: 1997315  Size: FS
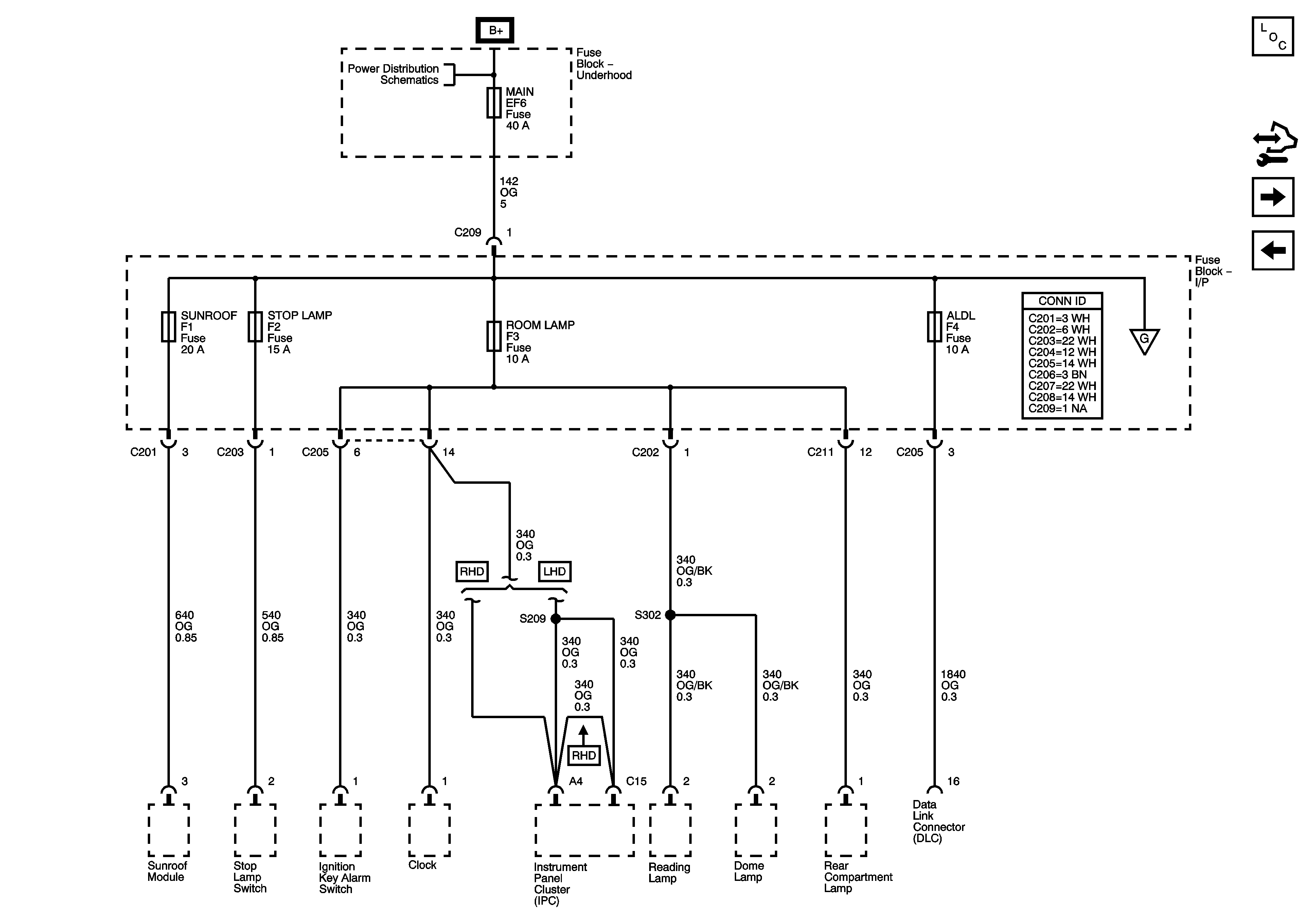
Figure 11:

Fuse Block - Underhood MAIN Fuse, Fuse Block - I/P SUNROOF, STOP LAMP, ROOM LAMP, ALDL Fuses


Object Number: 1997319  Size: FS
Figure 12:

Fuse Block - Underhood IGNITION 1, IGNITION 2 Fuses and Ignition Switch (ITMS)


Object Number: 1997322  Size: FS
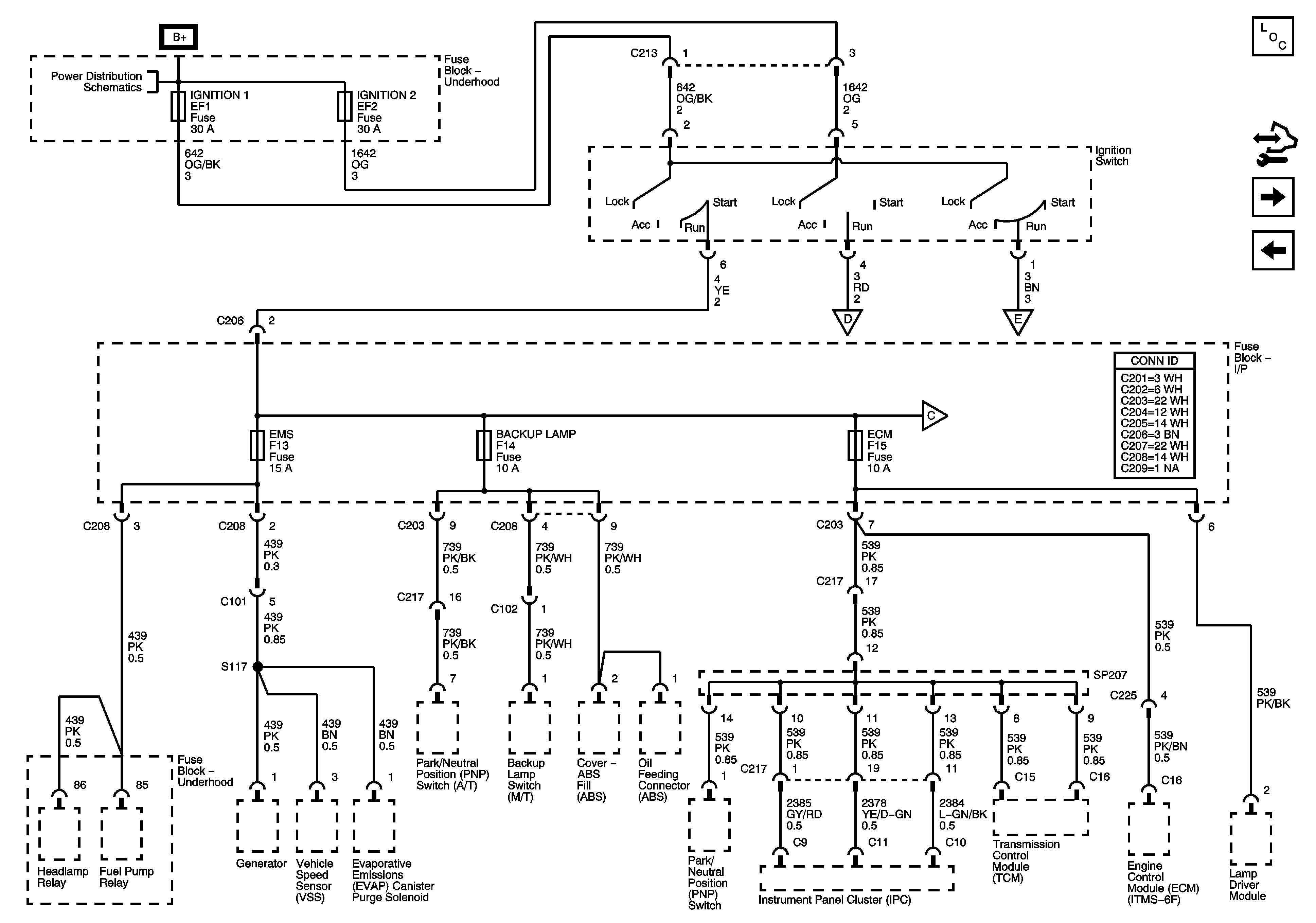
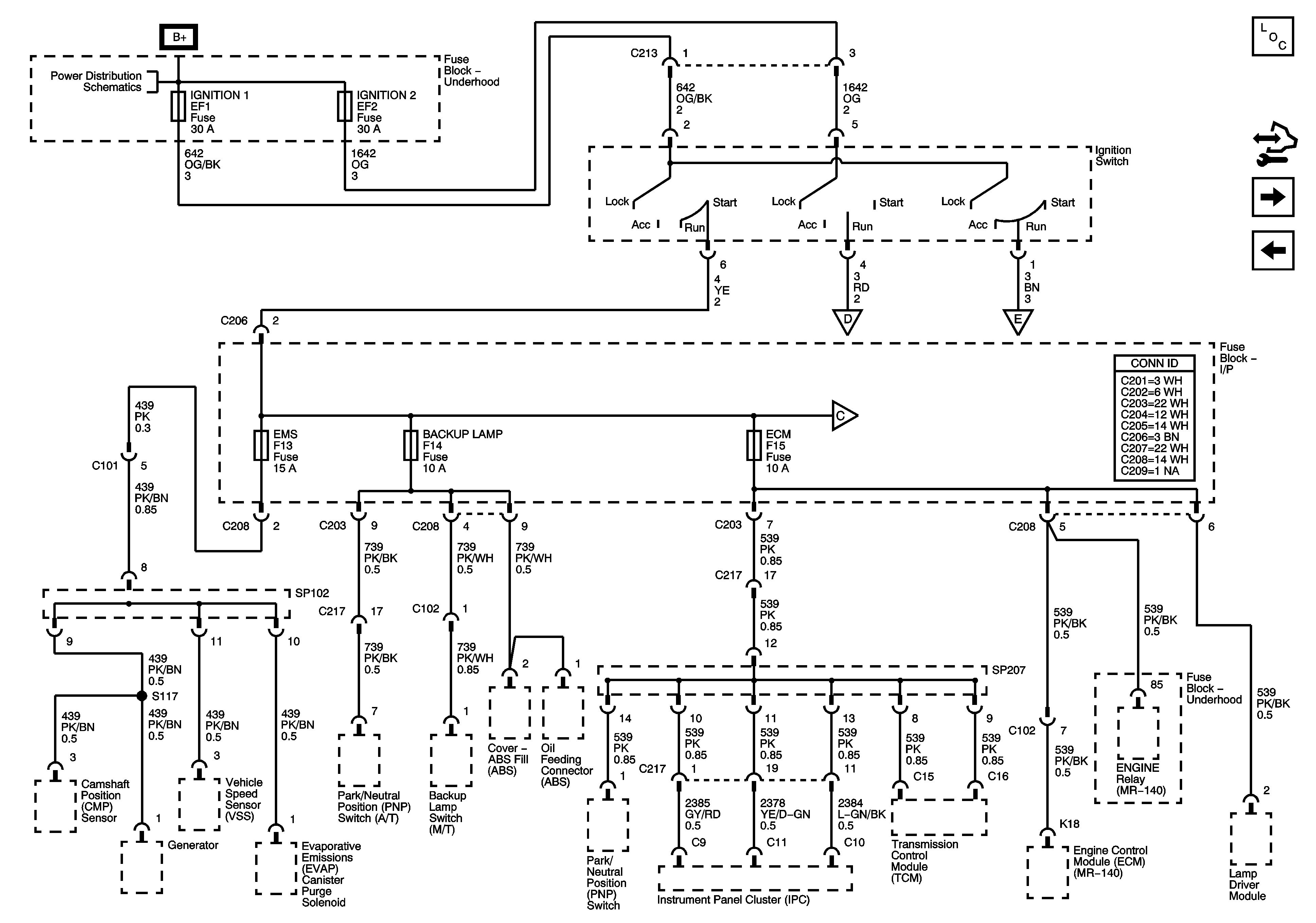
Figure 13:

Fuse Block - Underhood IGNITION 1, IGNITION 2 Fuses and Ignition Switch (MR-140)


Object Number: 1997329  Size: FS
Figure 14:

Fuse Block - Underhood IGNITION 1, IGNITION 2 Fuses and Ignition Switch (Sirius)


Object Number: 1997332  Size: FS
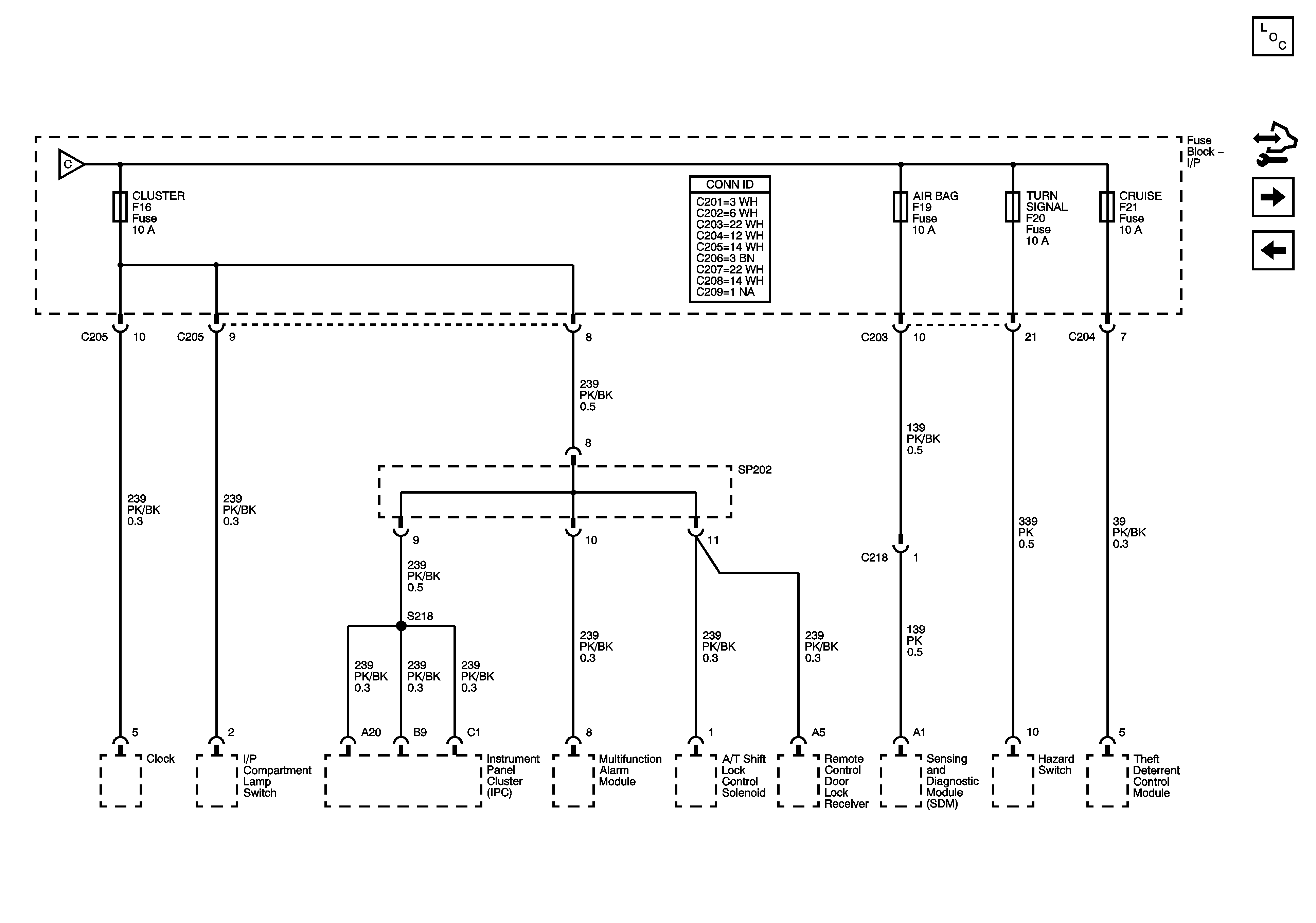
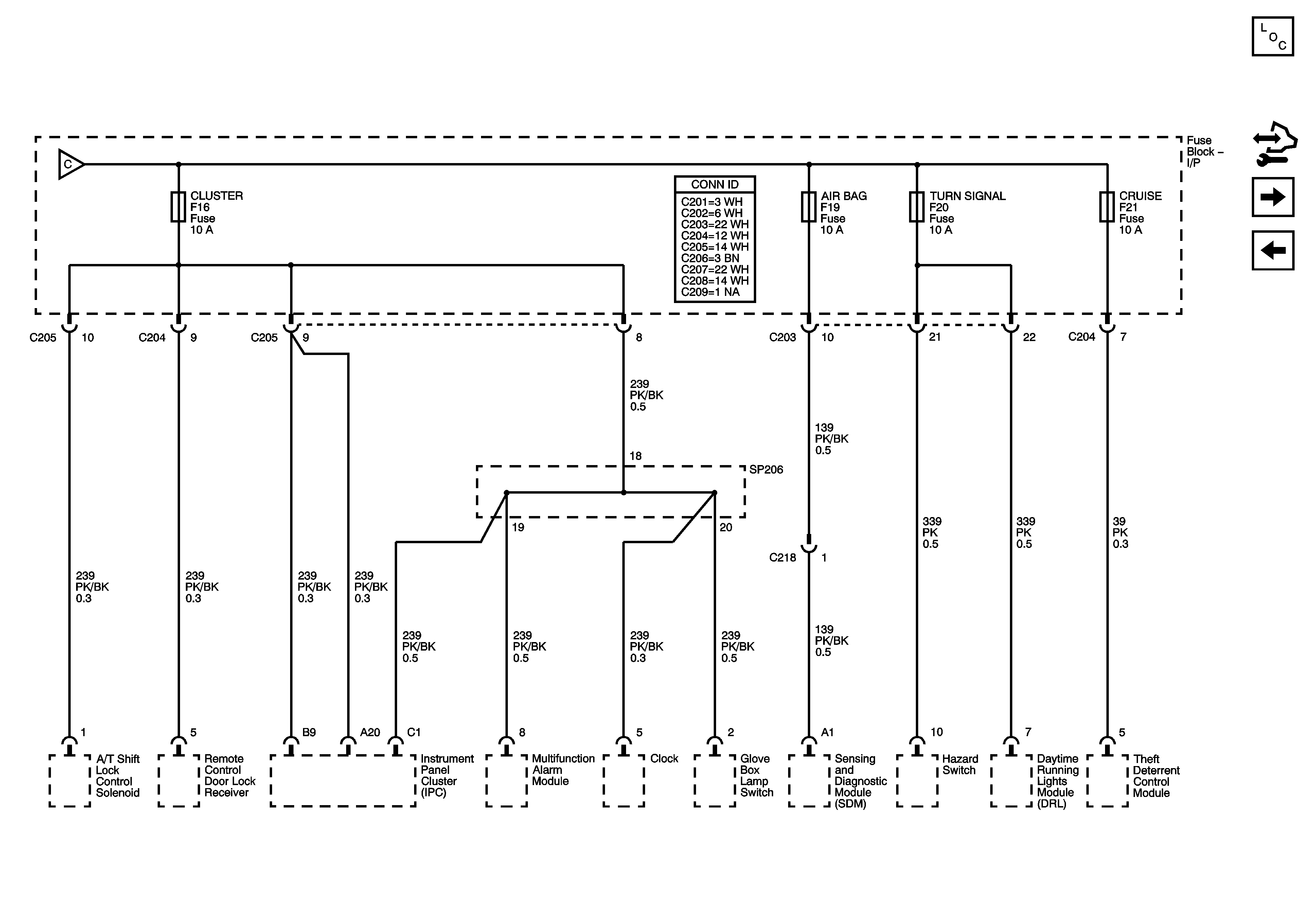
Figure 15:

Fuse Block - I/P CLUSTER, AIR BAG, TURN SIGNAL, CRUISE Fuses (LHD)


Object Number: 1997333  Size: FS
Figure 16:

Fuse Block - I/P CLUSTER, AIR BAG, TURN SIGNAL, CRUISE Fuses (RHD)


Object Number: 1997344  Size: FS
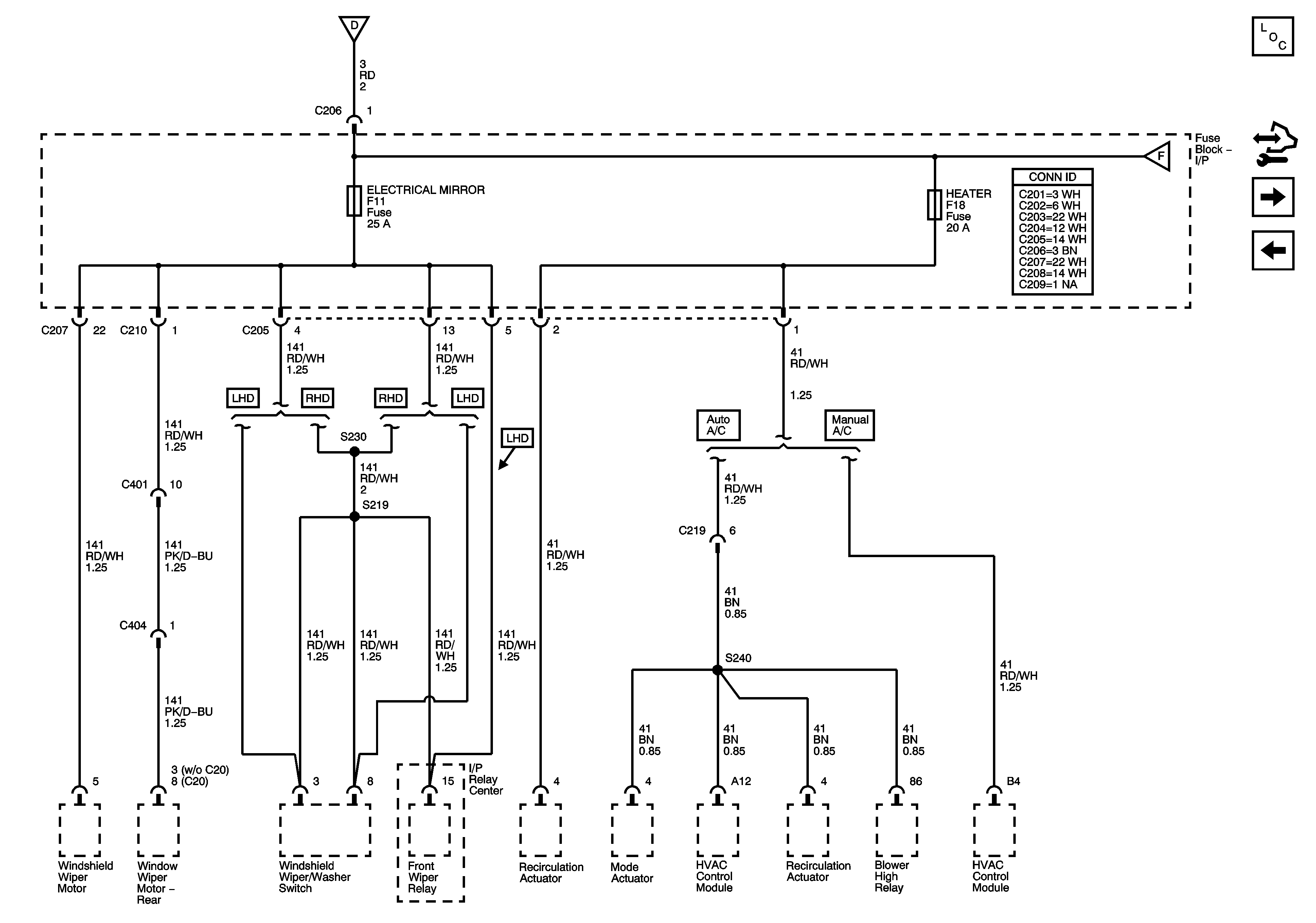
Figure 17:

Fuse Block - I/P ELECTRICAL MIRROR, HEATER Fuses


Object Number: 1997345  Size: FS
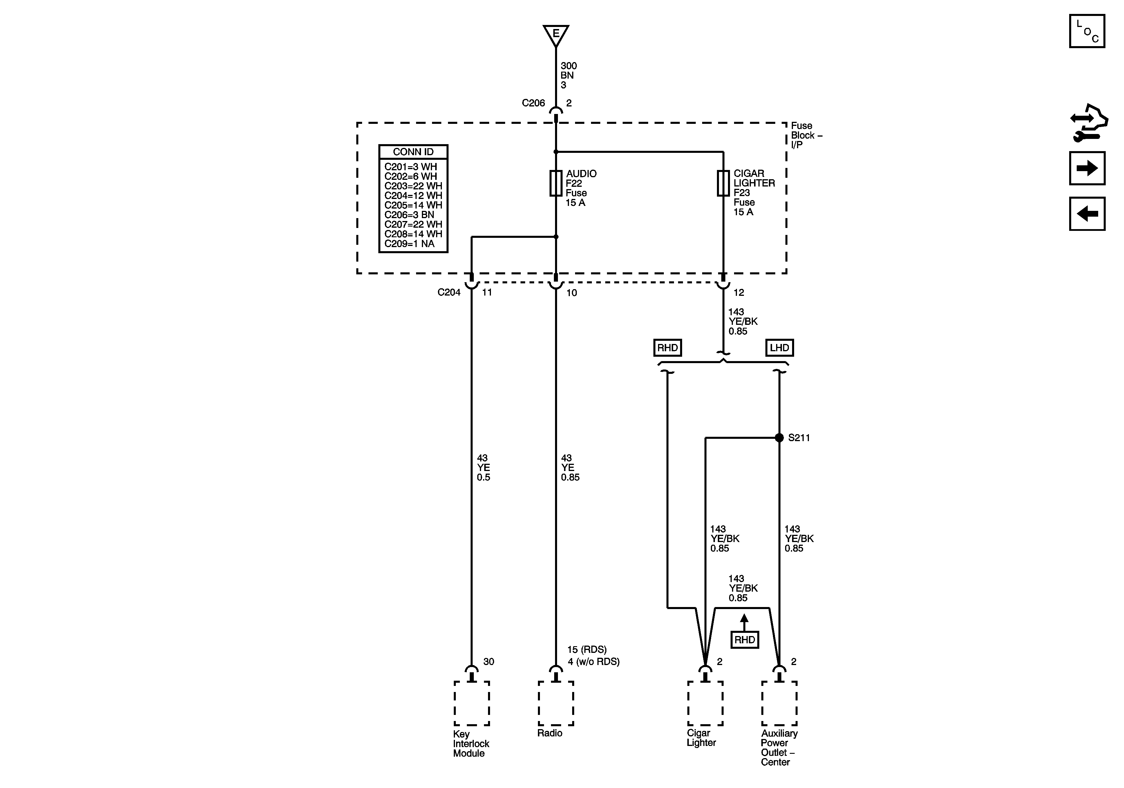
Figure 18:

Fuse Block - I/P AUDIO, CIGAR LIGHTER Fuses


Object Number: 1997376  Size: FS
Figure 19:

Fuse Block - I/P RELAY IGN Fuse


Object Number: 1997433  Size: FS
Figure 20:

Fuse Block - I/P DOOR LOCK, HAZARD FLASHER, TCM, AUDIO Fuses


Object Number: 1997434  Size: FS