GM Service Manual Online
For 1990-2009 cars only
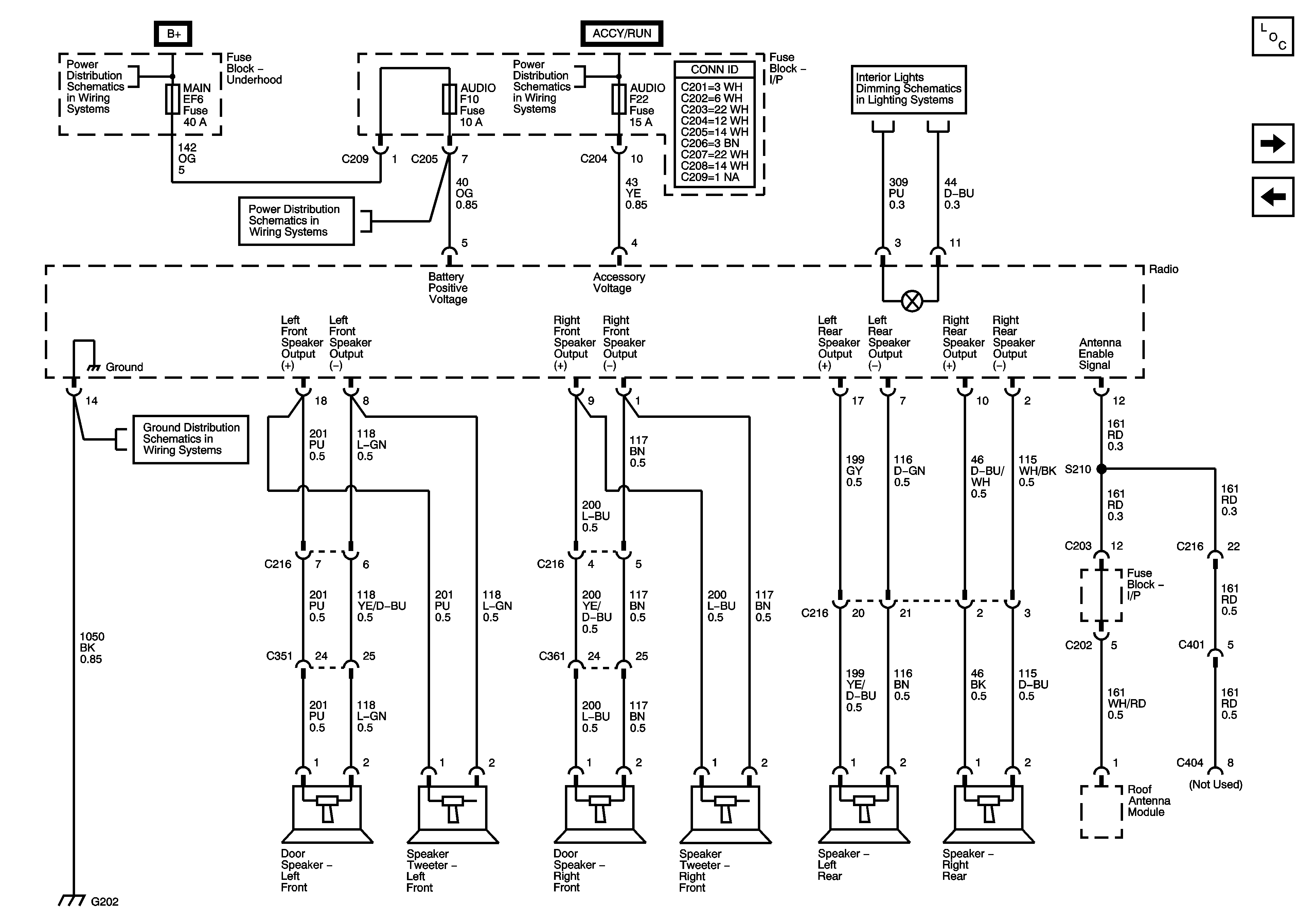
Figure 1:

Radio LHD (w/ RDS)


Object Number: 1509012  Size: FS
Master Electrical Component List
Radio LHD (w/o RDS)
MAIN Fuse (LHD)
AUDIO and CIGAR LIGHTER Fuses (LHD)
IP Illumination (w/ Dimming (LHD))
AUDIO and CIGAR LIGHTER Fuses (LHD)
G201, G202 (LHD)
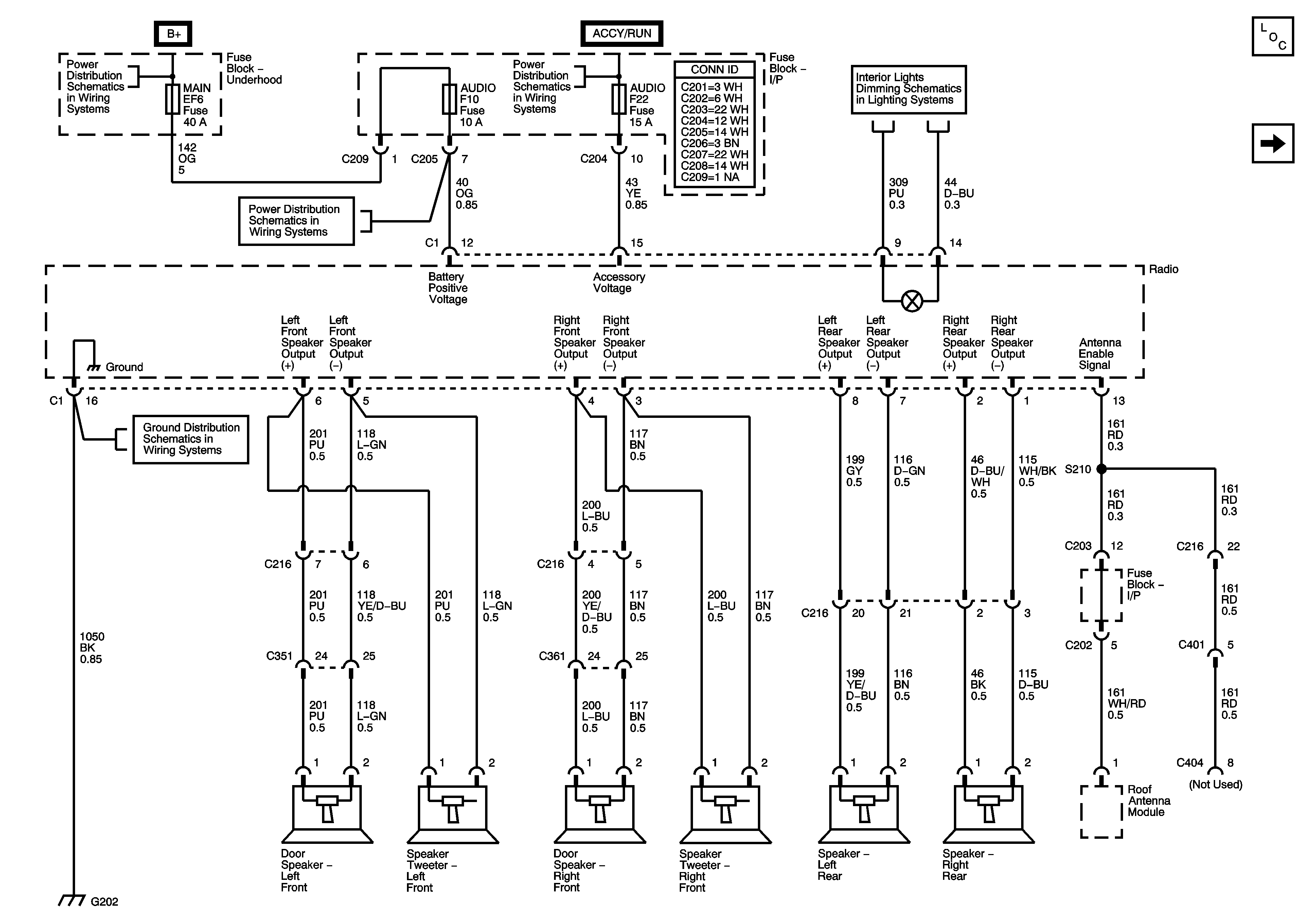
Figure 2:

Radio LHD (w/o RDS)


Object Number: 1346322  Size: FS
Master Electrical Component List
Radio RHD (w/ RDS)
Radio LHD (w/ RDS)
MAIN Fuse (LHD)
AUDIO and CIGAR LIGHTER Fuses (LHD)
IP Illumination (w/ Dimming (LHD))
AUDIO and CIGAR LIGHTER Fuses (LHD)
G201, G202 (LHD)
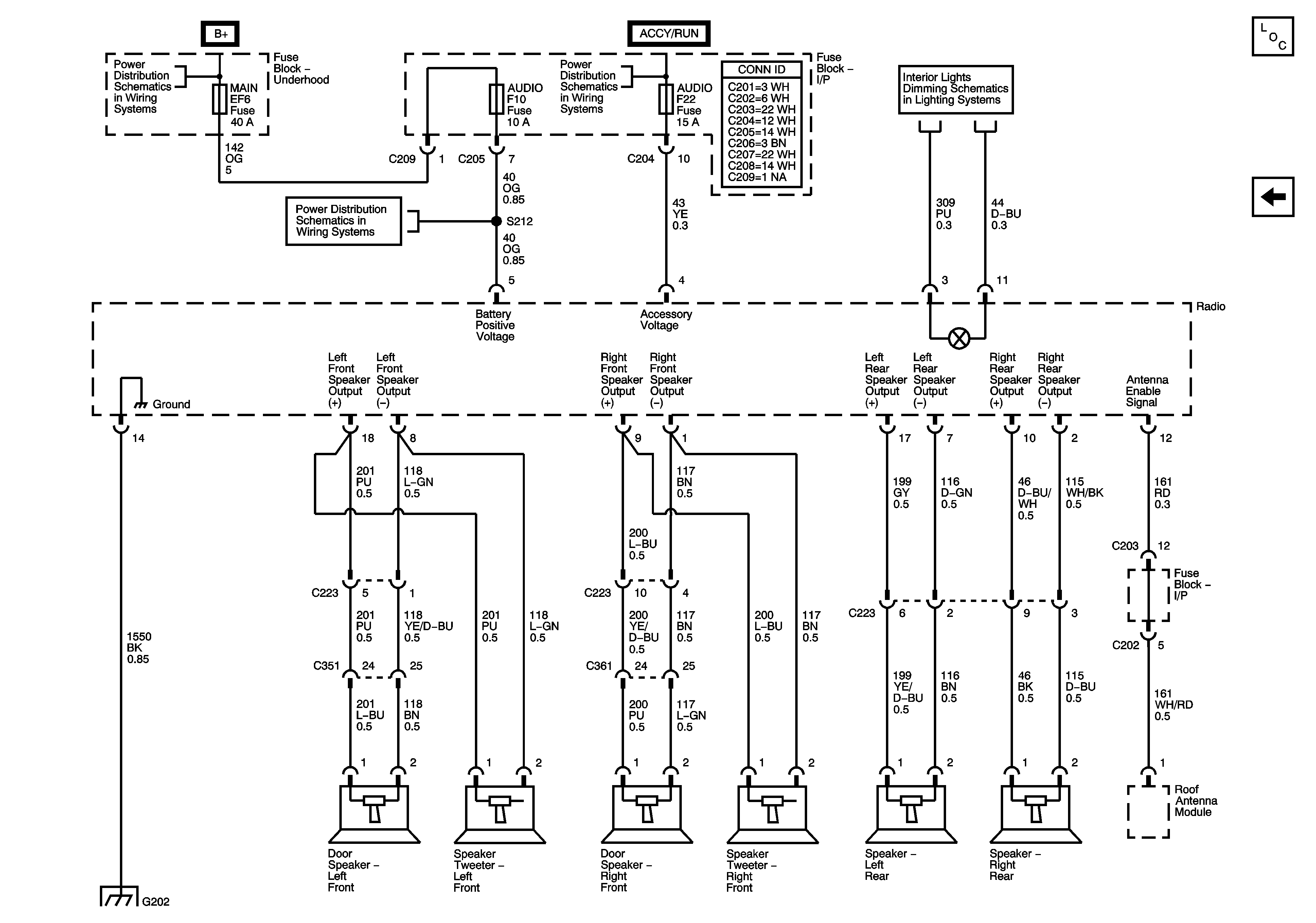
Figure 3:

Radio RHD (w/ RDS)


Object Number: 1509013  Size: FS
Master Electrical Component List
Radio RHD (w/o RDS)
Radio LHD (w/o RDS)
MAIN Fuse (RHD)
AUDIO and CIGAR LIGHTER Fuses (RHD)
IP Illumination (w/ Dimming (RHD))
AUDIO and CIGAR LIGHTER Fuses (RHD)
Figure 4:

Radio RHD (w/o RDS)


Object Number: 1507865  Size: FS
Master Electrical Component List
Radio RHD (w/ RDS)
MAIN Fuse (RHD)
AUDIO and CIGAR LIGHTER Fuses (RHD)
IP Illumination (w/ Dimming (RHD))
AUDIO and CIGAR LIGHTER Fuses (RHD)