GM Service Manual Online
For 1990-2009 cars only
Makes
🢒
Chevrolet
🢒
2006
🢒
Vivant
🢒
Accessories
🢒
Power Outlets
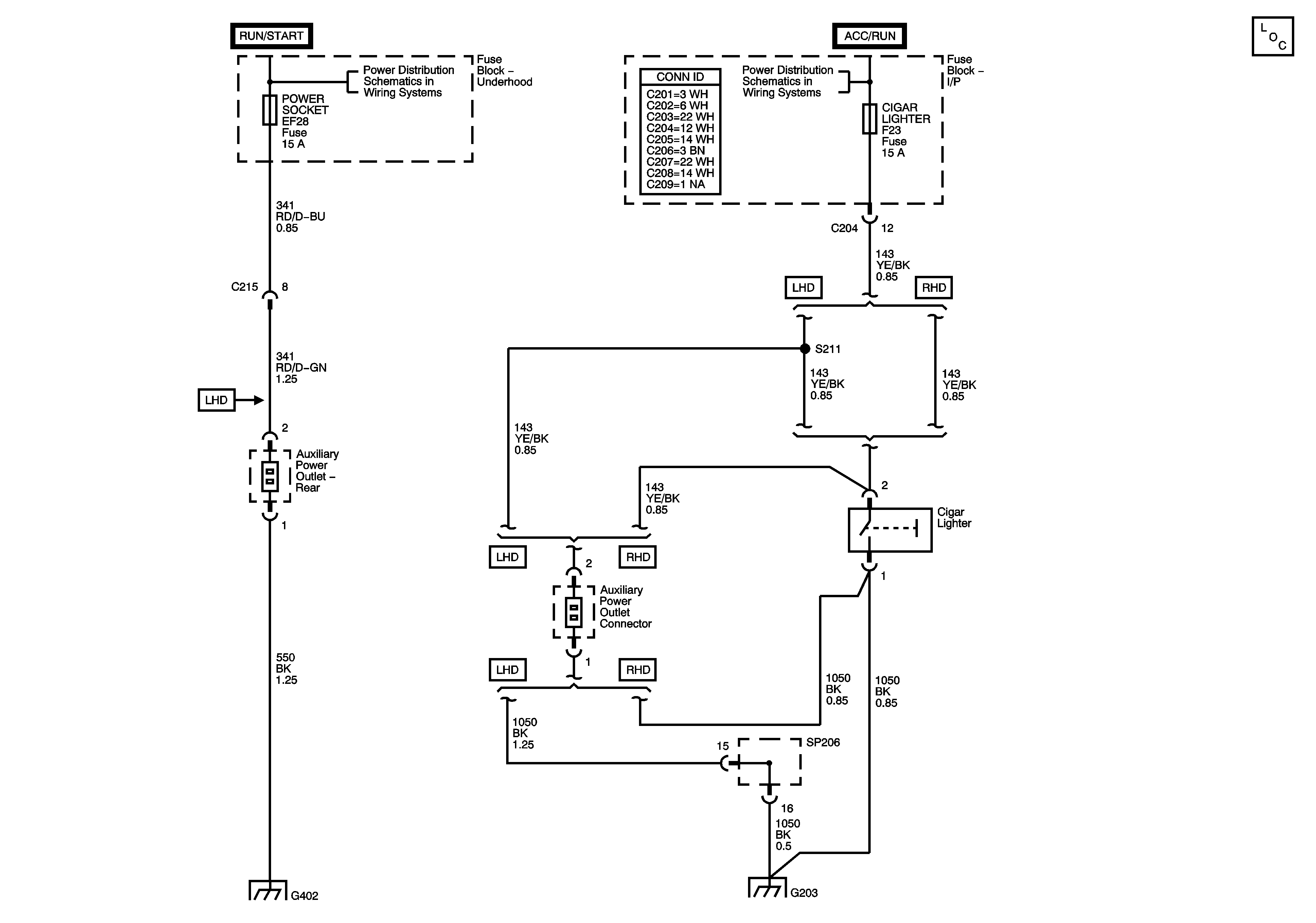
🢒 Cigar Lighter/Power Outlet Schematics
Cigar Lighter/Auxilliary Power Outlets
Master Electrical Component List
Underhood Fuse Block - Battery Feeds
Underhood Fuse Block - Battery Feeds