GM Service Manual Online
For 1990-2009 cars only
Makes
🢒
Chevrolet
🢒
2006
🢒
Vivant
🢒
Brakes
🢒
Antilock Brake System
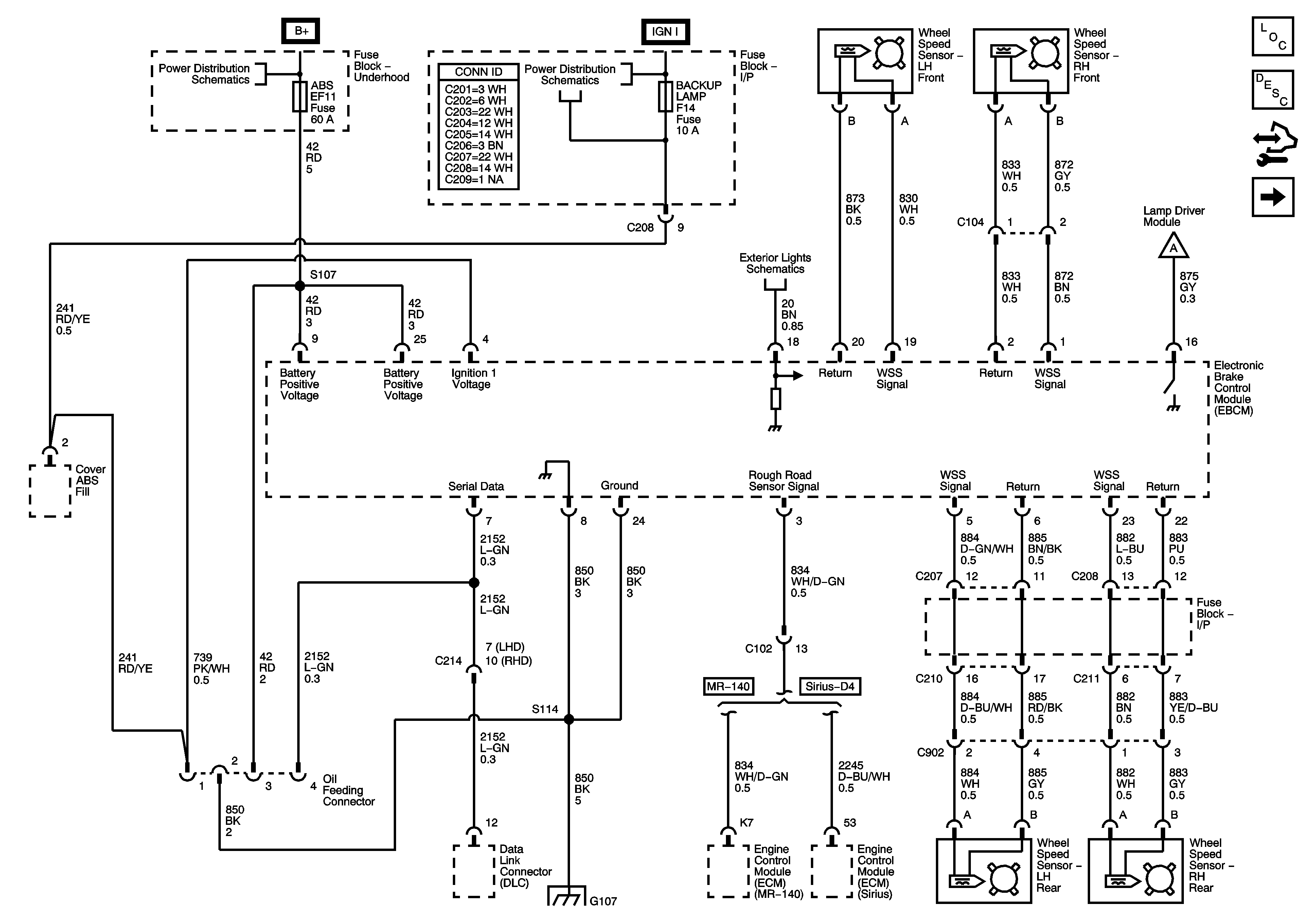
🢒 Antilock Brake System Schematics
Figure
1:
Power, Ground, Serial Data and Wheel Speed Sensors
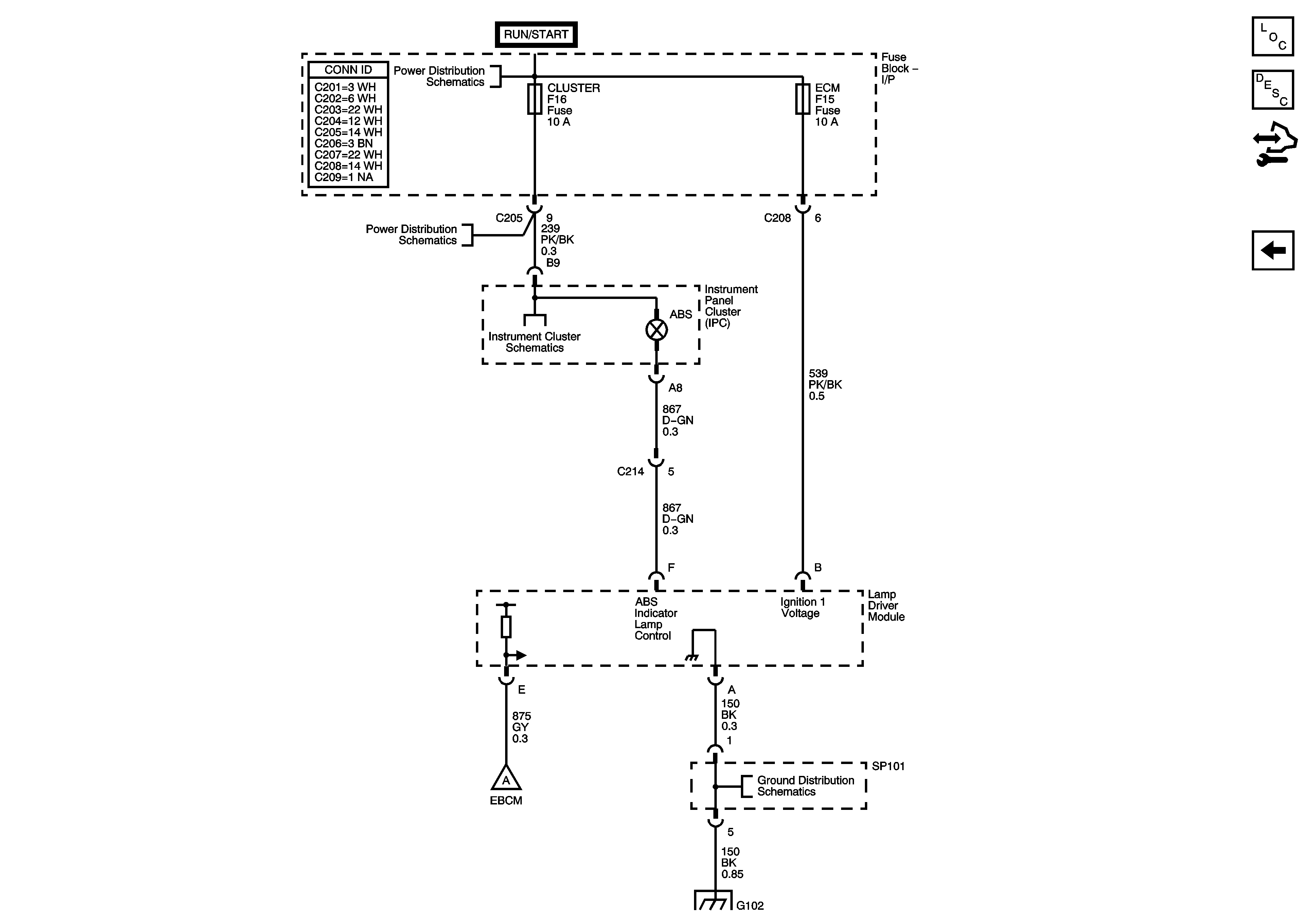
Figure
2:
Indicator Control