GM Service Manual Online
For 1990-2009 cars only
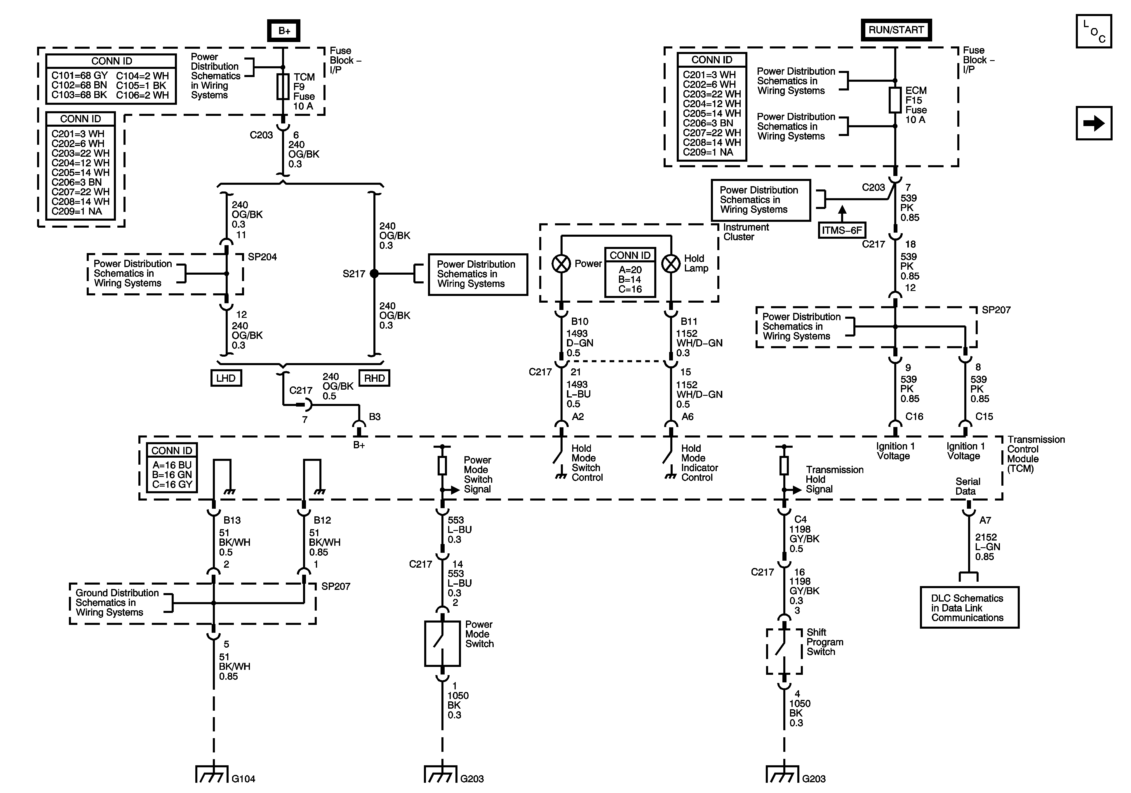
Figure 1:

Power, Ground, Hold Switch and Data Link Connector (DLC)


Object Number: 1346307  Size: FS
Master Electrical Component List
Transmission Control Module (TCM) - Engine Control Module (ECM) Communications
Underhood Fuse Block - Battery Feeds
RELAY IGN Fuse
IGNITION 1 and IGNITION 2 Fuses (ITMS-6F)
DOOR LOCK, HAZARD FLASHER, TCM and AUDIO Fuses
DOOR LOCK, HAZARD FLASHER, TCM and AUDIO Fuses
ABS, ECM and SIREN Fuses
ABS, ECM and SIREN Fuses
G102, G101, G106
Sirius D4 LHD
Figure 2:

Transmission Control Module (TCM) - Engine Control Module (ECM)


Object Number: 1346309  Size: FS
Master Electrical Component List
Shift and Pressure Control Solenoids
Power, Ground, Hold Switch and Data Link Connector (DLC)
Underhood Fuse Block - Battery Feeds
CLUSTER AIR BAG, TURN SIGNAL, and CRUISE Fuses (RHD)
Figure 3:

Shift and Pressure Control Solenoids


Object Number: 1503367  Size: FS
Master Electrical Component List
Vehicle Speed Signal
Transmission Control Module (TCM) - Engine Control Module (ECM) Communications
Figure 4:

Vehicle Speed Signal


Object Number: 1507848  Size: FS
Master Electrical Component List
Park/Neutral Position (PNP) Switch
Shift and Pressure Control Solenoids
Figure 5:

Park/Neutral Position (PNP) Switch


Object Number: 1507849  Size: FS
Master Electrical Component List
Vehicle Speed Signal
IGNITION 1 and IGNITION 2 Fuses (MR-140)
CLUSTER, AIR BAG, TURN SIGNAL, and CRUISE Fuses (LHD)
ABS, ECM and SIREN Fuses
ABS, ECM and SIREN Fuses
Generator
G104 (MR-140)
PARKING LAMP, LH, PARKING LAMP RH Fuses, PARKING LAMP Relay Continued (RHD)