GM Service Manual Online
For 1990-2009 cars only

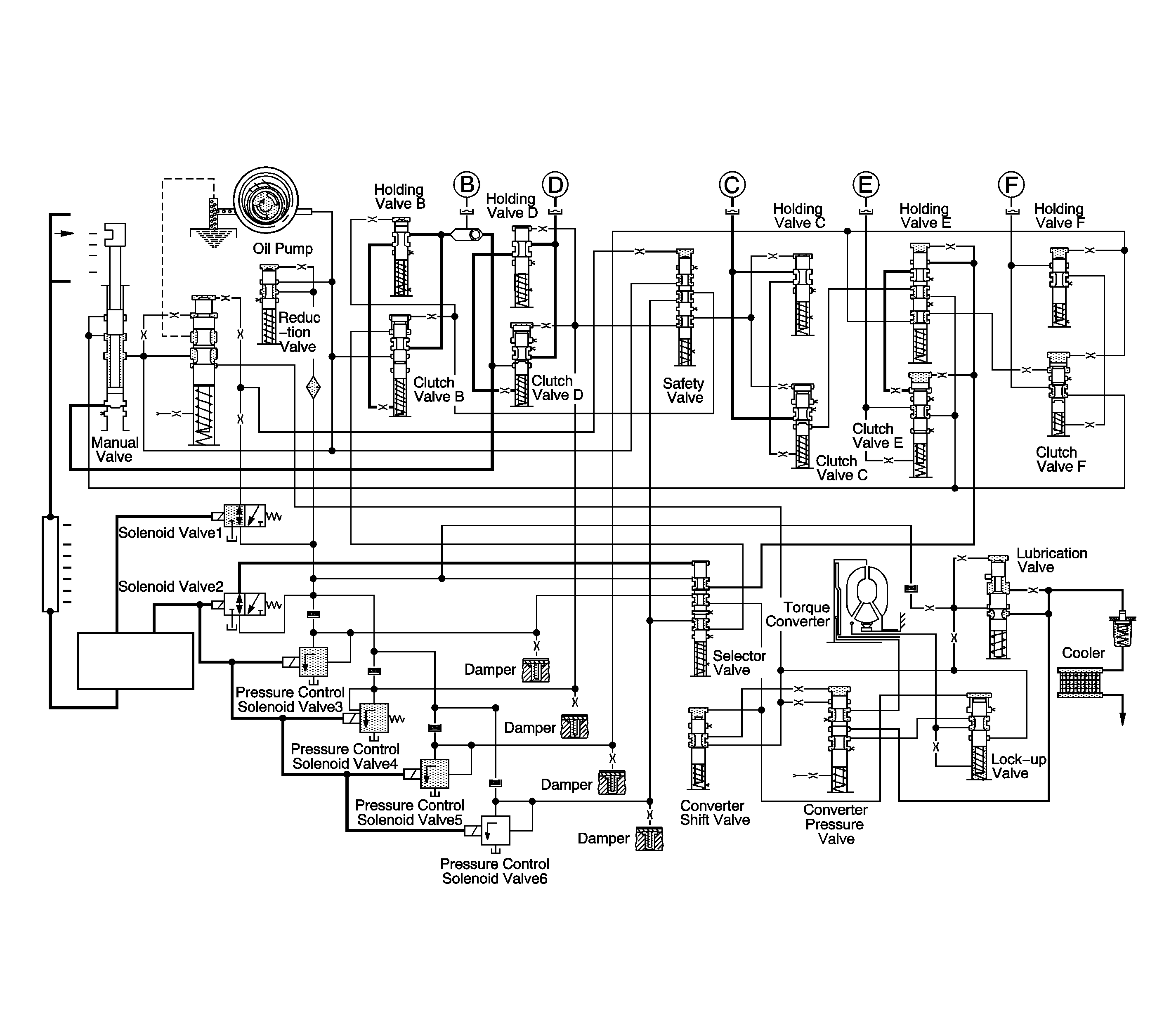
Object Number: 1255900  Size: FS

In drive 2, the transaxle drive is via the input shaft and clutch E. The elements of this transaxle function are as follows:

    • Clutch E is applied to drive the front ring gear.
    • The front ring gear drives the front planetary gear carrier.
    • The front planetary gear carrier drives the differential pinion gear clockwise.
    • Brake F is applied holding the front sun gear stationary.

Clutch E Engaged

Solenoid 2 will be switched OFF. Line pressure, which is supplied by the reduction valve, flows to the inlet port of clutch valve E. Fluid will then pass through the clutch valve and clutch E will engage.

Clutch F Engaged

Pressure control solenoid (PCS) 5 will be switched ON. The line pressure, which passed through the reduction valve, will flow to the holding valve and the clutch valve inlet. As a result the valve spool is depressed.

Lock-up Clutch

Solenoid valve 2 is turned ON and the line pressure control valve spool will be depressed. Fluid will now flow through the torque converter pressure valve.

As a result, the oil pressure behind the converter lock-up clutch piston and in the turbine zone is equal. The direction of flow is through the turbine shaft and through the space behind the piston, to the turbine chamber.

Lubrication/Cooling

The lubricating valve ensures that the converter is supplied with cooling oil first if the pump rate is low. The lubricating pressure valve in addition guarantees that the necessary amount of cooling and lubricating oil is available via the bypass duct.

The fluid, which is supplied from the torque converter, flows to the cooler via the lubrication valve.