GM Service Manual Online
For 1990-2009 cars only

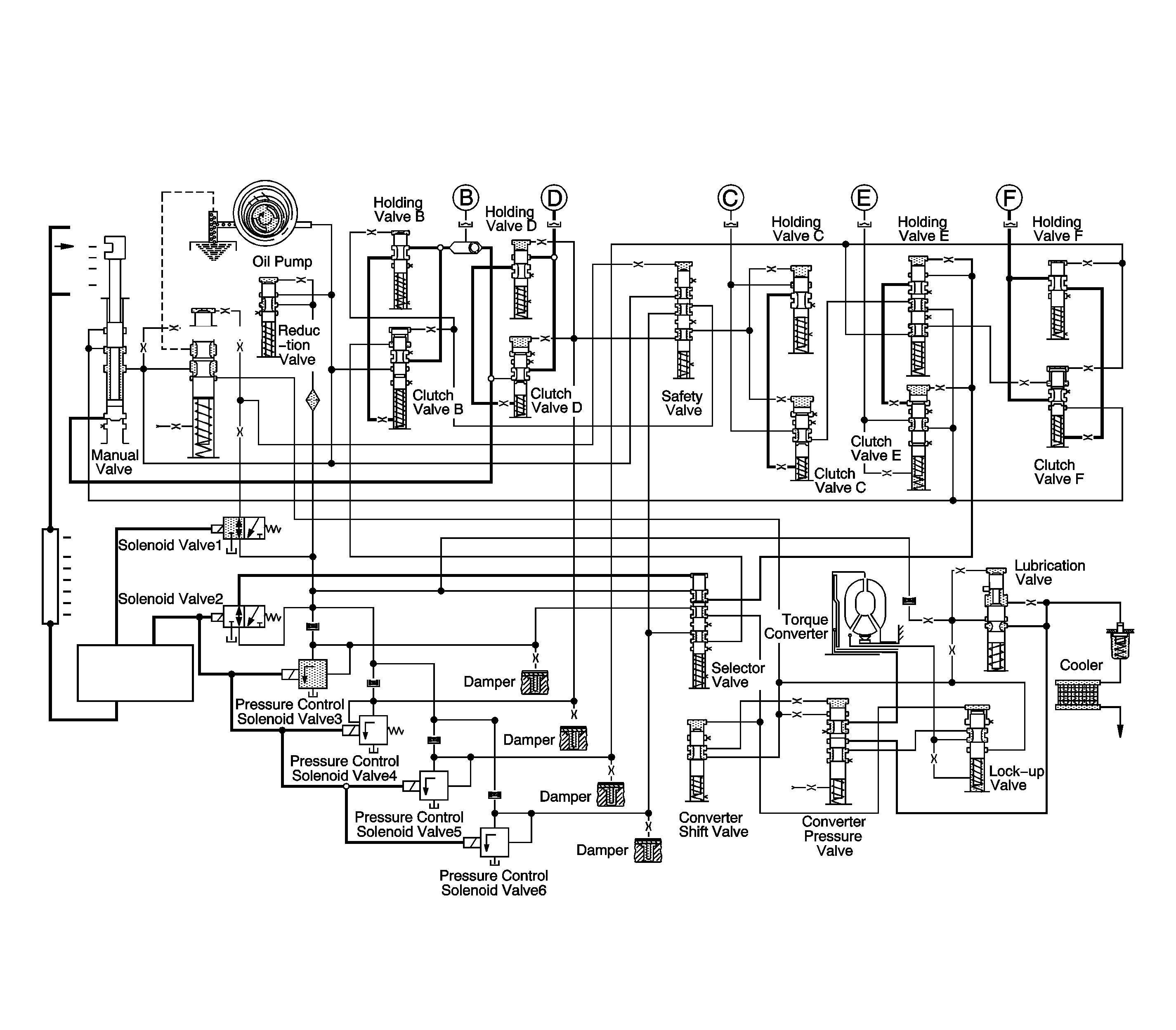
Object Number: 1255902  Size: FS

In drive 4, transaxle drive is via the input shaft and clutches E and C. The elements of this transaxle function are as follows:

    • Clutch E is engaged to drive the rear planetary gear carrier.
    • The rear planetary gear carrier drives the rear ring gear.
    • The rear ring gear carrier drives the differential gear.

Clutch E Engaged

Solenoid 2 will be switched OFF. Line pressure, which is supplied by the reduction valve, flows to the inlet port of clutch valve E. Fluid will then pass through the clutch valve and clutch E will engage.

Clutch C Engaged

Pressure control solenoid (PCS) 4 will be switched OFF causing the fluid level to be high. Line pressure will be directed to the safety valve, clutch valve D, and holding valve D. Clutch valve C, and holding valve C will engage as pressure flows through the safety valve.

Lock-up Clutch

Solenoid valve 2 is turned ON and the line pressure control valve spool will be depressed. Fluid will now flow through the torque converter pressure valve.

As a result, the oil pressure behind the converter lock-up clutch piston and in the turbine zone is equal. The direction of flow is through the turbine shaft and through the space behind the piston, to the turbine chamber.