GM Service Manual Online
For 1990-2009 cars only
Makes
🢒
Chevrolet
🢒
2006
🢒
Vivant
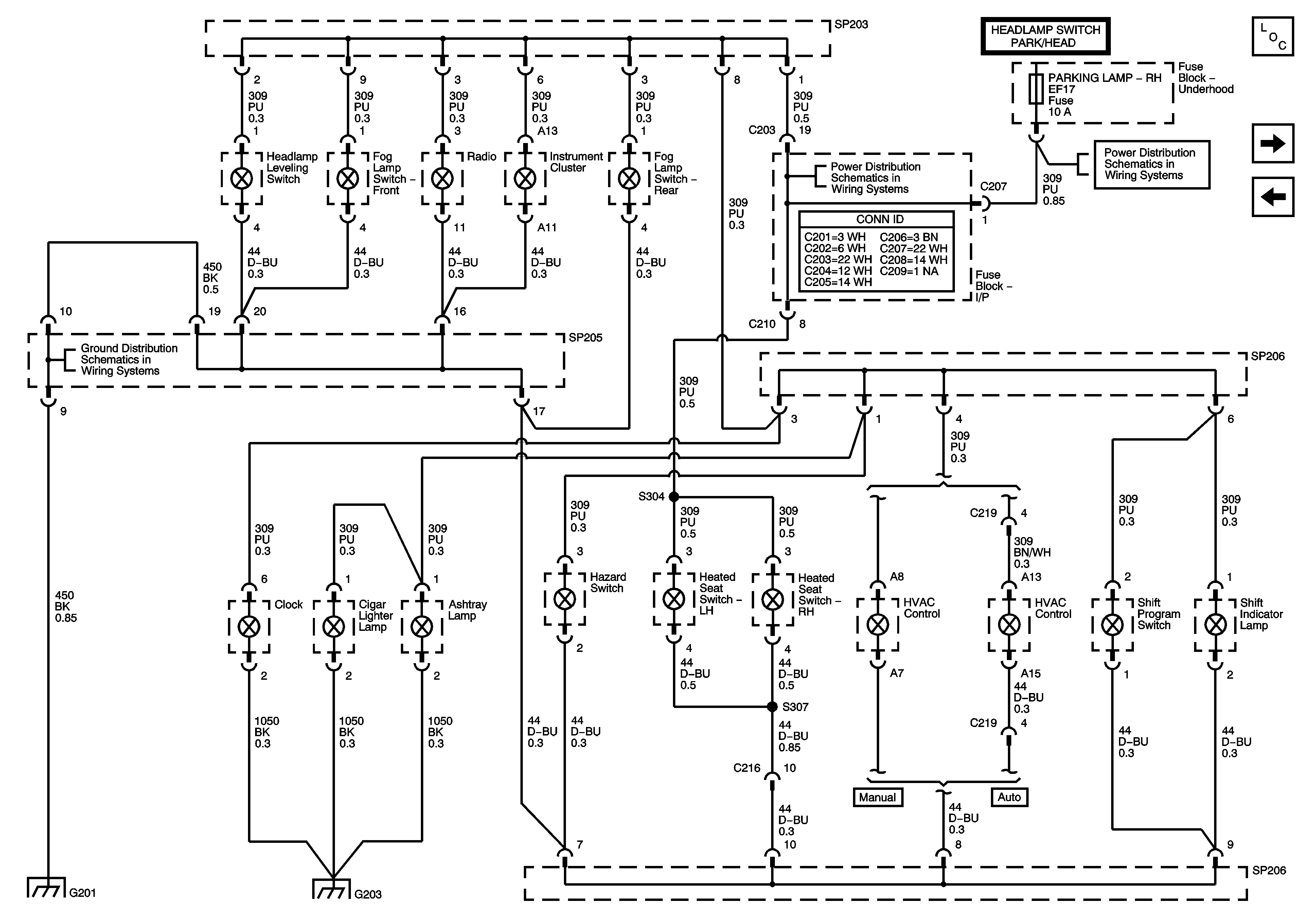
🢒 IP Illumination (w/o Dimming (LHD))
IP Illumination (w/o Dimming (LHD))
IP Illumination (w/o Dimming (LHD))
Master Electrical Component List
IP Illumination (w/ Dimming (RHD))
IP Illumination (w/ Dimming (LHD))
PARKING LAMP LH, PARKING LAMP RH Fuses, PARKING LAMP Relay
PARKING LAMP LH, PARKING LAMP RH Fuses, PARKING LAMP Relay
G201, G202 (LHD)