GM Service Manual Online
For 1990-2009 cars only
Makes
🢒
Chevrolet
🢒
2008
🢒
Vivant
🢒
Engine
🢒
Engine Cooling
🢒 Engine Cooling Schematics
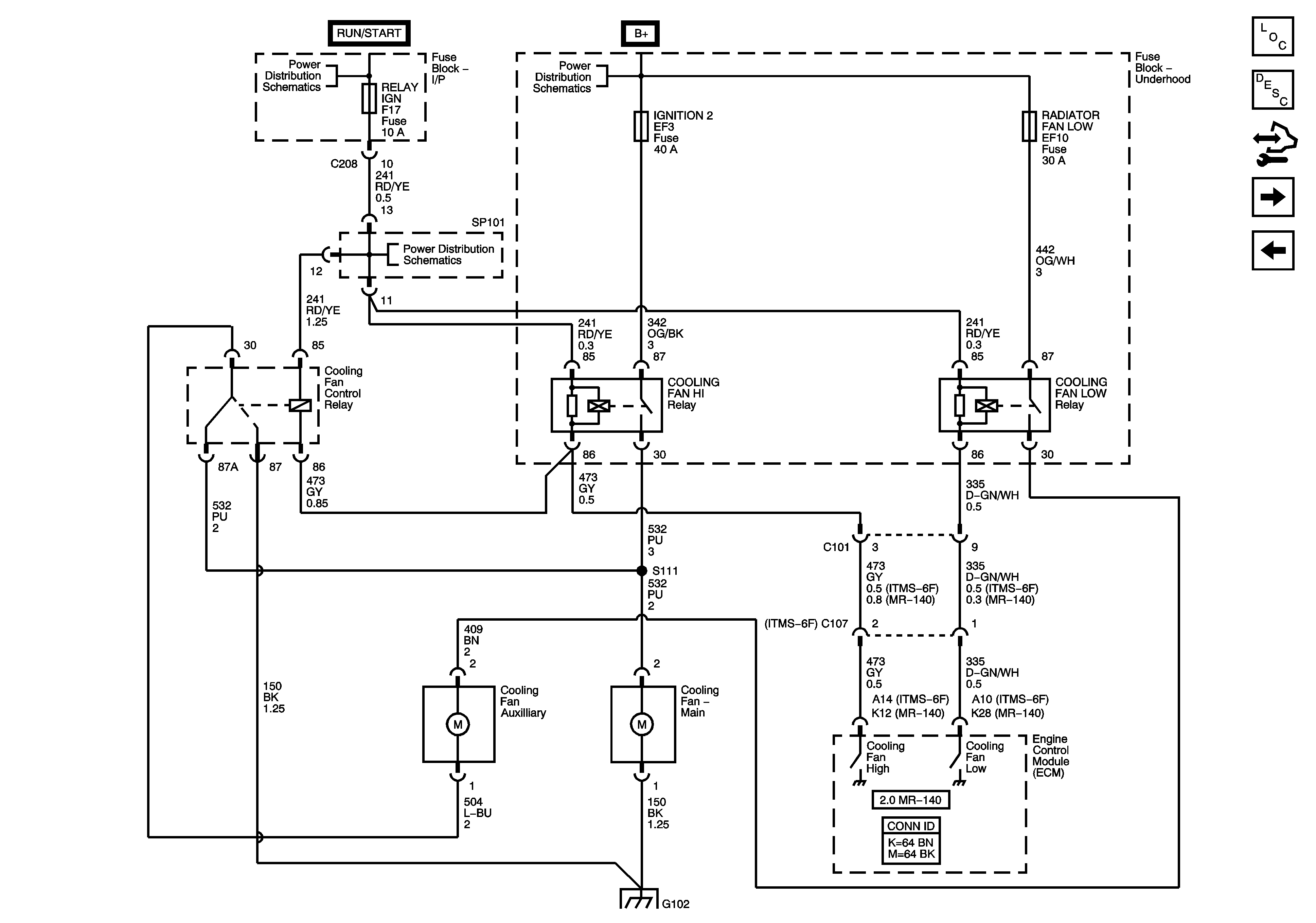
Figure
1:
Dual Fans (ITMS-6F/MR-140)
Master Electrical Component List
Cooling System Description and Operation
Control Module References
Single Fan (Sirius D4)
Fuse Block - I/P RELAY IGN Fuse
Fuse Block - Underhood B+ Bus, 2 of 2
Fuse Block - I/P RELAY IGN Fuse
Figure
2:
Signal Fan (Sirius D4)
Master Electrical Component List
Dual Fans (ITMS-6F/MR-140)
Fuse Block - Underhood IGNITION 1, IGNITION 2 Fuses, Ignition Switch (Sirius)
Fuse Block - Underhood IGNITION 1, IGNITION 2 Fuses, Ignition Switch (Sirius)