GM Service Manual Online
For 1990-2009 cars only
Makes
🢒
Chevrolet
🢒
2008
🢒
Vivant
🢒
Roof
🢒
Sunroof
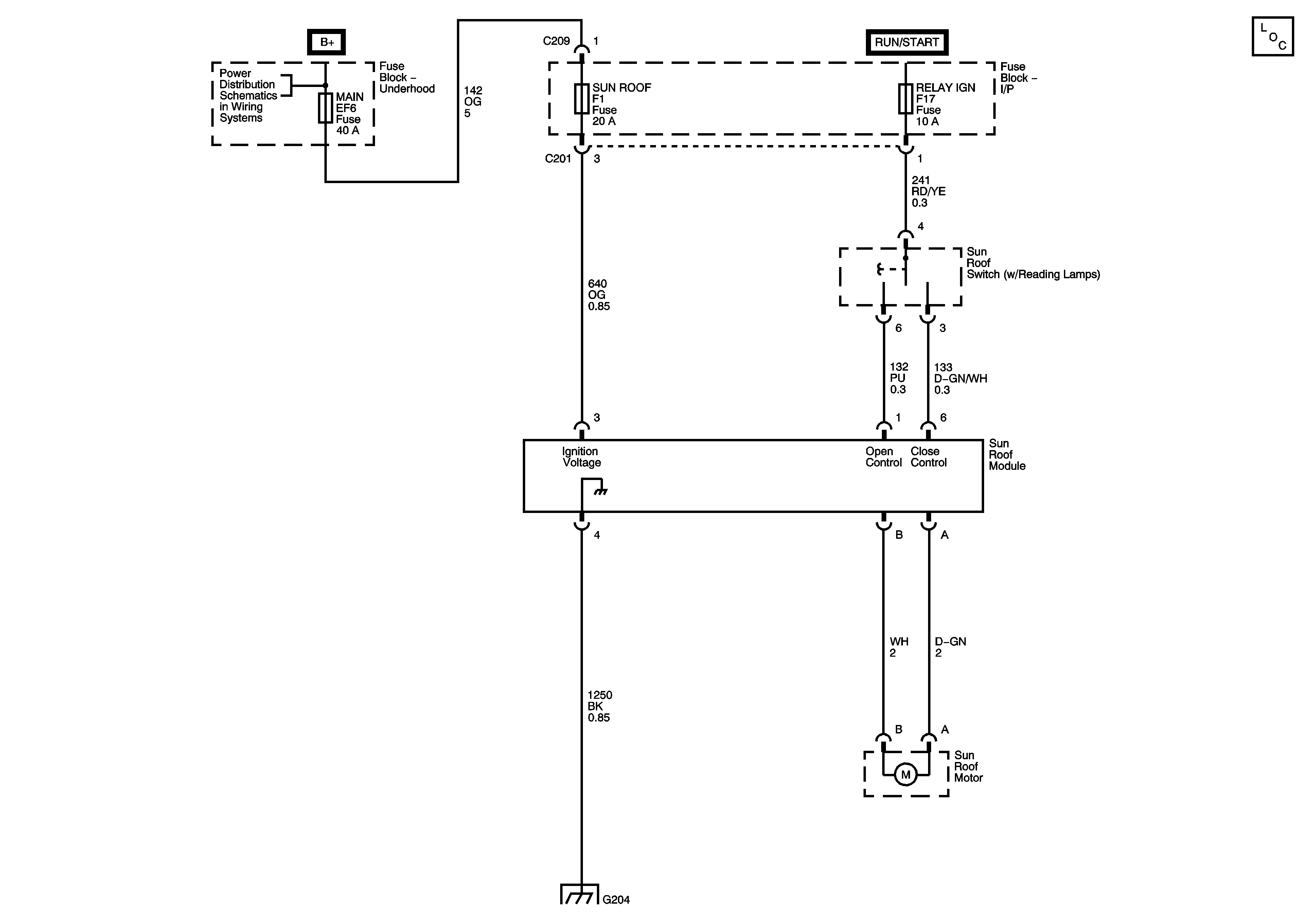
🢒 Sunroof Schematics
Master Electrical Component List
Fuse Block - Underhood MAIN Fuse, Fuse Block - I/P SUNROOF, STOP LAMP, ROOM LAMP, ALDL Fuses