GM Service Manual Online
For 1990-2009 cars only
Makes
🢒
Chevrolet
🢒
2008
🢒
Vivant
🢒
Seats
🢒
Seat Heating and Cooling
🢒 Heated/Cooled Seat Schematics
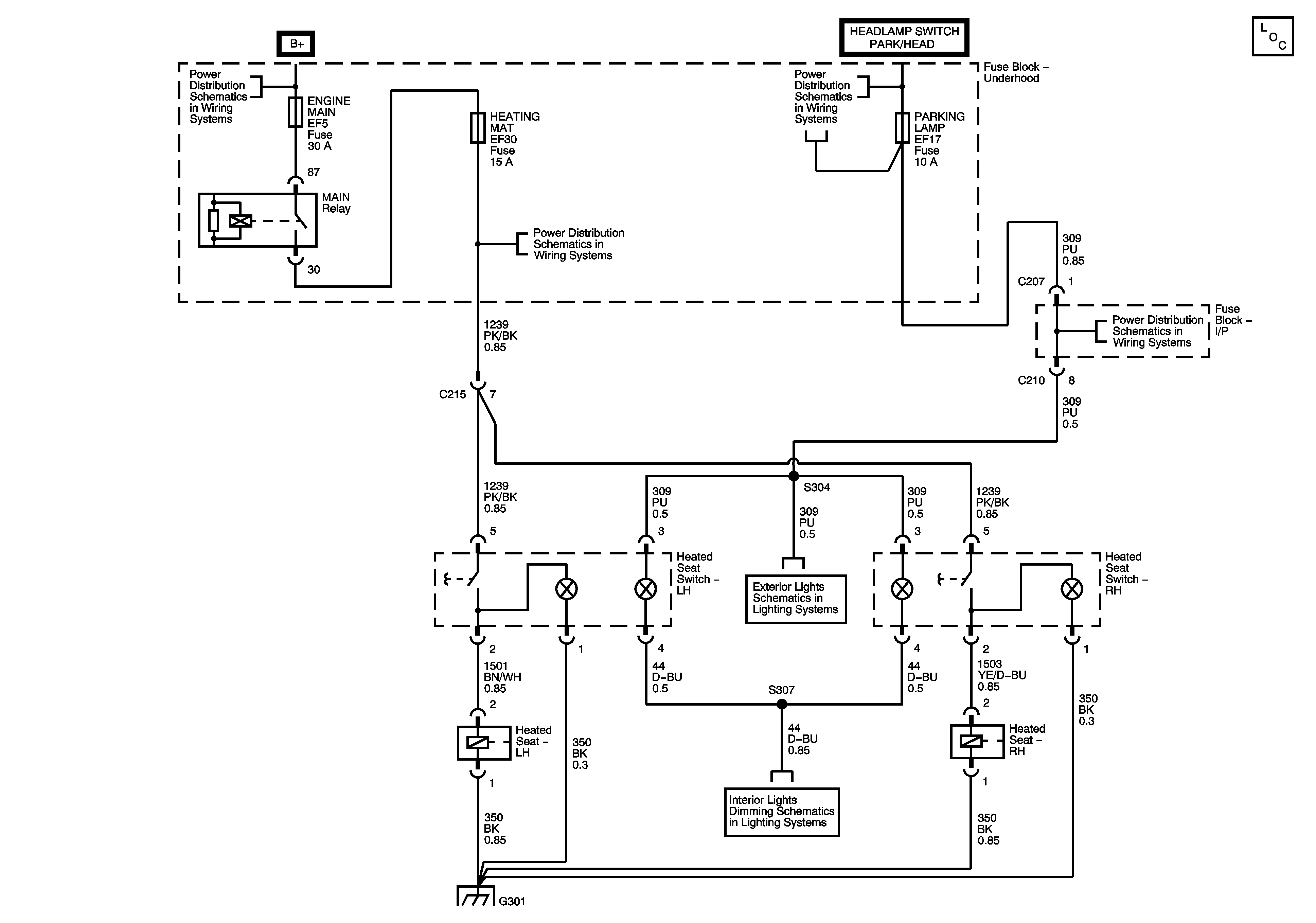
Master Electrical Component List
Fuse Block - Underhood ENGINE MAIN, ENG 1, ENG 2, HEATING MAT Fuses, ENGINE and HEADLAMP Relays (MR-140)
Fuse Block - Underhood PARKING LAMP Fuses, PARKING LAMP Relay
Park Lamps and License Lamps (LHD)
IP Illumination (w/ Dimming (LHD))
Fuse Block - Underhood ENGINE MAIN, ENG 1, ENG 2, HEATING MAT Fuses, ENGINE and HEADLAMP Relays (MR-140)
Fuse Block - Underhood PARKING LAMP Fuses, PARKING LAMP Relay